Например TDA7294

Форум РадиоКот • Просмотр темы - Хрипит Яндекс станция мини 2
Форум РадиоКот
Здесь можно немножко помяукать :)

Текущее время: Ср дек 17, 2025 05:41:12

Часовой пояс: UTC + 3 часа


ПРЯМО СЕЙЧАС:



Начать новую тему Ответить на тему  [ Сообщений: 8 ] 
Автор Сообщение
Не в сети
 Заголовок сообщения: Хрипит Яндекс станция мини 2
СообщениеДобавлено: Ср сен 24, 2025 10:02:29 
Встал на лапы

Зарегистрирован: Пт янв 25, 2013 02:48:32
Сообщений: 123
Рейтинг сообщения: 0
Здравствуйте, имеется станция из заголовка, проблема - хрипит на внутреннем динамике, через aux всё нормально.
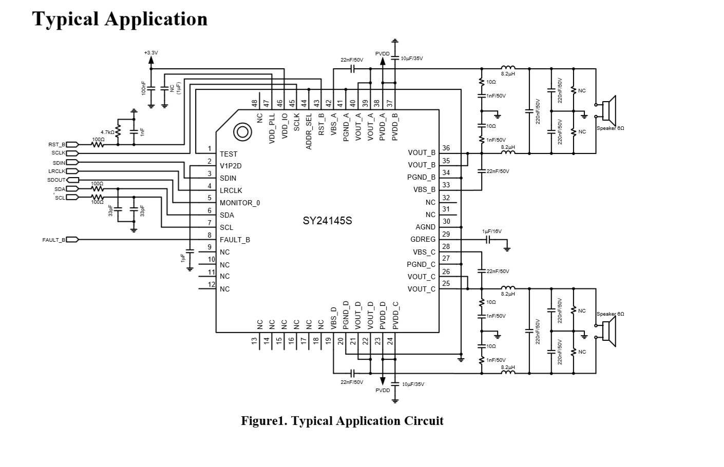
Плата V1.2,
aux реализован на ES8156
внутренний динамик через SY24145, схема не совсем та, поскольку у станции 1 динамик.
убрал всё лишнее, повесил свой динамик и запитал от лабораторника.

Как оно работало до разбора - просим чего-нибудь включить оно хрипит-трещит, помехи как в рации или плохом приеме радио, жмем центральную кнопку типа "стоп-молчать-спать" или голосом просим "стоп" и так до десяти попыток, на десятую начинает нормально играть, но ровно до того момента, пока алиса чего-нибудь не ляпнет своим пропито-хриплым голосом, далее и воспроизведение музыки начинается хриплым...а иногда и нет, из чего сделал вывод, что происходит какая-то инициализация и при старте музыки и при старте каждой речи Алисы.

Дабы исключить какие-то проблемы с внешними линиями, откинул всё и припаялся напрямую со своим 4ом динамиком(как и родной) и своим питанием.
В результате тыканий пришел к выводу чой-то не то по линии I2S, припаял проводок к 45-й ноге SY24145 SCLK, теперь как только начинает хрипеть, кратковременно подтягиваю линию к земле и сразу(с первого раза) всё идеально начинает звучать, опять же до первой фразы Алисы, если включить поток радио - часами работает и никаких сбоев. Вместо SCLK можно использовать 4-ю ногу LRCLK - тот же положительный эффект при кратковременном замыкании на землю.

SY24145 и ES8156 сидят на одних линиях I2S и I2C, но одна нормально выдает звук, а другая нет - чего это такое, куда копать, может подтяжек каких не хватает ? Нет ни осцилла, ни анализатора, одним паяльником экспериментирую. Пока только пробовал SCLK подтягивать через 1К и на VDD, и на Gnd - нет эффекта... Что еще можно попробовать ?
Что такое происходит, когда я тактовую линию укладываю ?


Вернуться наверх
 
Не в сети
 Заголовок сообщения: Re: Хрипит Яндекс станция мини 2
СообщениеДобавлено: Ср сен 24, 2025 10:27:57 
Друг Кота
Аватар пользователя

Карма: 107
Рейтинг сообщений: 3308
Зарегистрирован: Сб фев 11, 2017 15:59:13
Сообщений: 14793
Откуда: 57 RUS
Рейтинг сообщения: 0
Нет ни осцилла, ни анализатора, одним паяльником экспериментирую.

Мультиметр/тестер в доме есть, или как всегда?

_________________
НАРОДОВЛАСТИЕ а не дерьмократия!!!
Суверенным и независимым может считаться только то государство, против которого англосаксонские разносчики кланово-олигархической дерьмократии и еврогейских "ценностей" со своими пособниками ввели санкции!


Вернуться наверх
 
Не в сети
 Заголовок сообщения: Re: Хрипит Яндекс станция мини 2
СообщениеДобавлено: Ср сен 24, 2025 10:42:55 
Друг Кота
Аватар пользователя

Карма: 55
Рейтинг сообщений: 665
Зарегистрирован: Вт сен 25, 2012 23:13:41
Сообщений: 5415
Откуда: г.Дзержинск Нижегородской обл.
Рейтинг сообщения: 0
Для начала поменяйте ИМС выходного УМЗЧ. Только не спрашивайте зачем это нужно и почему именно её. Большинство проблем с такими симптомами связано именно с подбитыми транзисторами выхода.

_________________
Спасение утопающих дело рук самих утопающих.


Вернуться наверх
 
Не в сети
 Заголовок сообщения: Re: Хрипит Яндекс станция мини 2
СообщениеДобавлено: Ср сен 24, 2025 11:53:10 
Встал на лапы

Зарегистрирован: Пт янв 25, 2013 02:48:32
Сообщений: 123
Рейтинг сообщения: 0
gsmart, мультиметр имеется, питания все вроде в норме и не меняются в зависимости хрипит-не хрипит, кондеры питания керамика - по сопротивлениям не звонятся, на SCLK где-то 1.5 вольта в покое при питании 3.3

Добавлено after 46 minutes 46 seconds:
Николай_С, вот эту SY24145 ? ну в целом логично, она ж всё в одном и ЦАП и усилитель 2*30W, но штука по наличию редкая и недешевая, и если проблемы с выходом, то почему тогда после того как входящую SCLK на землю коротну работает идеально без хрипов часами ?


Вернуться наверх
 
Эиком - электронные компоненты и радиодетали
Не в сети
 Заголовок сообщения: Re: Хрипит Яндекс станция мини 2
СообщениеДобавлено: Ср сен 24, 2025 14:40:03 
Друг Кота
Аватар пользователя

Карма: 55
Рейтинг сообщений: 665
Зарегистрирован: Вт сен 25, 2012 23:13:41
Сообщений: 5415
Откуда: г.Дзержинск Нижегородской обл.
Рейтинг сообщения: 0
...почему тогда после того как входящую SCLK на землю коротну работает идеально без хрипов часами ?
Выводите наружу провод и коротите его на корпус как захрипит. :)))

_________________
Спасение утопающих дело рук самих утопающих.


Вернуться наверх
 
Не в сети
 Заголовок сообщения: Re: Хрипит Яндекс станция мини 2
СообщениеДобавлено: Ср сен 24, 2025 16:57:32 
Друг Кота
Аватар пользователя

Карма: 90
Рейтинг сообщений: 1502
Зарегистрирован: Вт сен 06, 2011 20:49:28
Сообщений: 26575
Откуда: оттуда
Рейтинг сообщения: 0
Николай_С, вот эту SY24145 ? ну в целом логично, она ж всё в одном и ЦАП и усилитель 2*30W, но штука по наличию редкая и недешевая, и если проблемы с выходом, то почему тогда после того как входящую SCLK на землю коротну работает идеально без хрипов часами ?

Это может сказать экстрасенс и то неточно, приблизительно. Вот, что можно попробовать - фен, фриз, может поможет определиться...

_________________
- Русским человеком может быть только тот, у кого чего-нибудь нет, но не так нет, чтобы обязательно было, а нет — и хрен с ним.
"Русский человек может жить как в одну сторону, так и в другую. И в обоих случаях останется цел" А. Платонов


Вернуться наверх
 
Не в сети
 Заголовок сообщения: Re: Хрипит Яндекс станция мини 2
СообщениеДобавлено: Чт сен 25, 2025 14:57:32 
Друг Кота
Аватар пользователя

Карма: 20
Рейтинг сообщений: 31
Зарегистрирован: Сб ноя 05, 2022 18:28:06
Сообщений: 4702
Рейтинг сообщения: 0
Обзор от ИИ
"SCLK (или SCK) – это сигнал последовательных часов (Serial Clock), который используется в интерфейсе SPI (Serial Peripheral Interface) для синхронизации передачи данных между ведущим (master) и ведомым (slave) устройствами. Ведущее устройство генерирует эти тактовые импульсы, а ведомые устройства используют их для определения, когда нужно передавать или принимать биты данных.
Как работает SCLK в SPI:
Генерация сигнала: Ведущее устройство (master) начинает генерировать тактовый сигнал SCLK.
Синхронизация: Этот сигнал служит в качестве тактовой частоты, которая синхронизирует все устройства, участвующие в обмене данными по интерфейсу SPI.
Передача данных: В зависимости от фазы тактового сигнала (на подъеме или спаде), ведомые устройства считывают или передают биты данных через другие линии интерфейса, такие как MOSI (Master Out Slave In) и MISO (Master In Slave Out).
Альтернативные обозначения: Этот сигнал также может называться SCK, CLK или SCLK.
Для чего он нужен:
Синхронная передача: SCLK обеспечивает синхронный обмен данными, что делает его надежным для быстрой передачи данных между микросхемами.
Управление процессом: Этот сигнал позволяет ведущему устройству управлять скоростью и процессом передачи данных, гарантируя, что ведомые устройства смогут правильно обрабатывать инфо"

Вывод сам напрашивается- синхронизировать надо.
Рестарт, какой придумать при смене "болтунов"....

_________________
У меня Твёрдая Тройка по русскому, но, даже я иногда, делаю ошибки.


Вернуться наверх
 
Не в сети
 Заголовок сообщения: Re: Хрипит Яндекс станция мини 2
СообщениеДобавлено: Чт ноя 13, 2025 22:08:18 
Родился

Зарегистрирован: Чт ноя 13, 2025 22:04:01
Сообщений: 1
Рейтинг сообщения: 0
Решили проблему? Столкнулся с такими же симптомами, Подскажите пожалуйста


Вернуться наверх
 
Показать сообщения за:  Сортировать по:  Вернуться наверх
Начать новую тему Ответить на тему  [ Сообщений: 8 ] 

Часовой пояс: UTC + 3 часа


Кто сейчас на форуме

Сейчас этот форум просматривают: нет зарегистрированных пользователей и гости: 23


Вы не можете начинать темы
Вы не можете отвечать на сообщения
Вы не можете редактировать свои сообщения
Вы не можете удалять свои сообщения
Вы не можете добавлять вложения

Найти:
Перейти:  


Powered by phpBB © 2000, 2002, 2005, 2007 phpBB Group
Русская поддержка phpBB
Extended by Karma MOD © 2007—2012 m157y
Extended by Topic Tags MOD © 2012 m157y