Например TDA7294

Форум РадиоКот • Просмотр темы - Катушечный магнитофон Akai GX-220 - ослабить подмотку
Форум РадиоКот
Здесь можно немножко помяукать :)

Текущее время: Чт фев 12, 2026 17:36:37

Часовой пояс: UTC + 3 часа


ПРЯМО СЕЙЧАС:



Начать новую тему Ответить на тему  [ Сообщений: 30 ]  1,  
Автор Сообщение
Не в сети
 Заголовок сообщения: Катушечный магнитофон Akai GX-220 - ослабить подмотку
СообщениеДобавлено: Вт фев 03, 2026 12:46:04 
Родился

Зарегистрирован: Вт фев 03, 2026 12:37:16
Сообщений: 7
Рейтинг сообщения: 0
Здравствуйте! Есть проблема: во время воспроизведения лента вылезает из-под прижимного ролика. Сам ролик уже менял - никакого эффекта. Скорее даже от интенсивной работы износилась насадка тонвала. Хотя, визуально и наощуп износа не заметно.
Но, если ослабить подмотку (пробовал вручную) - то проблема исчезает.
Как бы её ослабить? Честно скажу, что в схемах не особо разбираюсь.

https://disk.yandex.ru/i/lrBYBHNfHps25w (схема)

Изображение Изображение Изображение Изображение Изображение

В пределах досягаемости никаких регуляторов не видно. Разве что они на плате, низ которой видео на первом фото. Но чтобы её хотябы развернуть боком, нужно отпаивать провода. Не может же быть, что регуляторы так спрятали?
Замерял напряжение (мерял на больших конденсаторах, к которым идут провода от моторов, между жёлтым проводом и зеленым с розовым на принимающем двигателе и между жёлтым и синим с зелёным на подающем двигателе). Получилось так: в режиме воспроизведения 120 В на принимающем и 60 В на подающем, т.е. в 2 раза больше, чем указано в инструкции. И около 150 В в режиме перемотки.
На последнем фото маленькая плата с релюшкой и двумя переключателями - это, я предполагаю, переключатели режимов 50/60 Гц, правда там не понятно, какое положение за какое отвечает.


Вернуться наверх
 
Не в сети
 Заголовок сообщения: Re: Катушечный магнитофон Akai GX-220 - ослабить подмотку
СообщениеДобавлено: Вт фев 03, 2026 20:15:15 
Друг Кота
Аватар пользователя

Карма: 83
Рейтинг сообщений: 1083
Зарегистрирован: Ср мар 25, 2015 15:25:51
Сообщений: 5983
Откуда: ст. Новоминская
Рейтинг сообщения: 0
Разбирать подкатушечники. Там фрикционные фетровые прокладки нужно почистить промыть. Сила трения увеличилась.


Вернуться наверх
 
Не в сети
 Заголовок сообщения: Re: Катушечный магнитофон Akai GX-220 - ослабить подмотку
СообщениеДобавлено: Вт фев 03, 2026 22:10:29 
Друг Кота
Аватар пользователя

Карма: 107
Рейтинг сообщений: 3833
Зарегистрирован: Пн фев 09, 2009 22:19:49
Сообщений: 24972
Откуда: Когда-то был прекрасный город для людей
Рейтинг сообщения: 0
Напряжение питания уменьшить. По крайней мере моторов. В сети 240 вольт сейчас стало...


Вернуться наверх
 
Не в сети
 Заголовок сообщения: Re: Катушечный магнитофон Akai GX-220 - ослабить подмотку
СообщениеДобавлено: Вт фев 03, 2026 23:14:32 
Друг Кота
Аватар пользователя

Карма: 59
Рейтинг сообщений: 694
Зарегистрирован: Вт сен 25, 2012 23:13:41
Сообщений: 5730
Откуда: г.Дзержинск Нижегородской обл.
Рейтинг сообщения: 0
Его "Япона мышь" вообще на ~110 В рассчитана. Вот и крутит на 38-й скорости вместо 19-й. :)))
Если что АлександрNZ дело говорит.

_________________
Спасение утопающих дело рук самих утопающих.


Вернуться наверх
 
Эиком - электронные компоненты и радиодетали
Не в сети
 Заголовок сообщения: Re: Катушечный магнитофон Akai GX-220 - ослабить подмотку
СообщениеДобавлено: Ср фев 04, 2026 11:54:02 
Родился

Зарегистрирован: Вт фев 03, 2026 12:37:16
Сообщений: 7
Рейтинг сообщения: 0
Это трёхмотроник, никаких фетровых прокладок там нет.
Он мультивольтажный.
Проблема частично решена: переключатель 50/60 Гц внутри аппарата стоял в неправильном положении. Теперь напряжение на принимающем моторе в режиме воспроизведения стало 100 В и 120 В в режиме перемотки. Всё равно много. Пообщался с ИИ (это он навёл на мысль о переключателе 50/60 Гц) - у него предположение, что вышли из строя мощные резисторы, которые должны гасить напряжение, подаваемое на моторы. Говорит, что они обычно залиты в белую керамику и прикреплены к металлическим пластинам для отвода тепла. Но пока как ни смотрел - нигде в магнитофоне таких резисторов не увидел.


Вернуться наверх
 
Не в сети
 Заголовок сообщения: Re: Катушечный магнитофон Akai GX-220 - ослабить подмотку
СообщениеДобавлено: Ср фев 04, 2026 14:38:34 
Опытный кот

Карма: -5
Рейтинг сообщений: 98
Зарегистрирован: Ср янв 02, 2013 21:32:54
Сообщений: 870
Рейтинг сообщения: 0
Общаться надо с Service Manual и больше ни с кем.
Всякие мнения от не читавших тут же отпадут.

dayna-records писал(а):
между жёлтым проводом и зеленым с розовым на принимающем двигателе и между жёлтым и синим с зелёным на подающем двигателе

Это твое лично дело.
Никто в эти измерения вникать не будет.

dayna-records писал(а):
Сам ролик уже менял

Ролик от износа становиться бочкообразным.
Вполне можно поправить голыми руками.
Ну почти голыми.

dayna-records писал(а):
Честно скажу, что в схемах не особо разбираюсь.

Это понятно, да деваться некуда.
Начни переводить Service Manual научишься.


Вернуться наверх
 
Не в сети
 Заголовок сообщения: Re: Катушечный магнитофон Akai GX-220 - ослабить подмотку
СообщениеДобавлено: Ср фев 04, 2026 15:05:38 
Друг Кота
Аватар пользователя

Карма: 59
Рейтинг сообщений: 694
Зарегистрирован: Вт сен 25, 2012 23:13:41
Сообщений: 5730
Откуда: г.Дзержинск Нижегородской обл.
Рейтинг сообщения: 0
Пообщался с ИИ... Говорит, что они обычно залиты в белую керамику и прикреплены к металлическим пластинам для отвода тепла. Но пока как ни смотрел - нигде в магнитофоне таких резисторов не увидел.
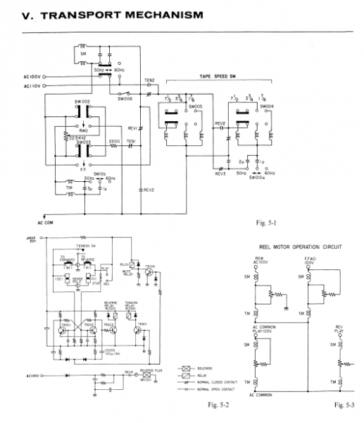
У ИИ-шицы глазок нет, она в схему не заглядывала. А если бы заглянула, то увидела бы вот эту схему транспортного механизма:
Изображение

Её и изучайте. Фигура 5-3 там все резисторы обозначены.

P.s. Кстати, прикреплённые фотки ни о чём. Сделайте одно общее качественное фото внутрянки с нормальным освещением.

_________________
Спасение утопающих дело рук самих утопающих.


Вернуться наверх
 
Не в сети
 Заголовок сообщения: Re: Катушечный магнитофон Akai GX-220 - ослабить подмотку
СообщениеДобавлено: Ср фев 04, 2026 18:24:23 
Опытный кот

Карма: -5
Рейтинг сообщений: 98
Зарегистрирован: Ср янв 02, 2013 21:32:54
Сообщений: 870
Рейтинг сообщения: 0
Мутные фотки это ритуал.
И даже качественные ничем не помогут.


Вернуться наверх
 
Не в сети
 Заголовок сообщения: Re: Катушечный магнитофон Akai GX-220 - ослабить подмотку
СообщениеДобавлено: Ср фев 04, 2026 21:41:24 
Родился

Зарегистрирован: Вт фев 03, 2026 12:37:16
Сообщений: 7
Рейтинг сообщения: 0
Изображение Изображение Изображение Изображение


Вернуться наверх
 
Не в сети
 Заголовок сообщения: Re: Катушечный магнитофон Akai GX-220 - ослабить подмотку
СообщениеДобавлено: Ср фев 04, 2026 22:32:18 
Друг Кота
Аватар пользователя

Карма: 107
Рейтинг сообщений: 3833
Зарегистрирован: Пн фев 09, 2009 22:19:49
Сообщений: 24972
Откуда: Когда-то был прекрасный город для людей
Рейтинг сообщения: 0
Цитата:
обычно залиты в белую керамику


Это что, ИИ так цементные сопротивления так называет ??


Вернуться наверх
 
Не в сети
 Заголовок сообщения: Re: Катушечный магнитофон Akai GX-220 - ослабить подмотку
СообщениеДобавлено: Чт фев 05, 2026 00:56:41 
Друг Кота
Аватар пользователя

Карма: 20
Рейтинг сообщений: 39
Зарегистрирован: Сб ноя 05, 2022 18:28:06
Сообщений: 5008
Рейтинг сообщения: 0
Не знал что японцы советский магнитофон Днипро 14 скопировали...

_________________
У меня Твёрдая Тройка по русскому, но, даже я иногда, делаю ошибки.


Вернуться наверх
 
Не в сети
 Заголовок сообщения: Re: Катушечный магнитофон Akai GX-220 - ослабить подмотку
СообщениеДобавлено: Чт фев 05, 2026 12:08:35 
Друг Кота
Аватар пользователя

Карма: 107
Рейтинг сообщений: 3833
Зарегистрирован: Пн фев 09, 2009 22:19:49
Сообщений: 24972
Откуда: Когда-то был прекрасный город для людей
Рейтинг сообщения: 0
Да нет, тот ламповый был...


Вернуться наверх
 
Не в сети
 Заголовок сообщения: Re: Катушечный магнитофон Akai GX-220 - ослабить подмотку
СообщениеДобавлено: Пт фев 06, 2026 11:21:46 
Родился

Зарегистрирован: Вт фев 03, 2026 12:37:16
Сообщений: 7
Рейтинг сообщения: 0
На соседнем форуме подсказали, что нет в нём никаких подстроечных резисторов.

Подскажите, пожалуйста, может, есть возможность установить дополнительный резистор в цепь перед пусковым конденсатором, чтобы уменьшить напряжение на моторе?


Вернуться наверх
 
Не в сети
 Заголовок сообщения: Re: Катушечный магнитофон Akai GX-220 - ослабить подмотку
СообщениеДобавлено: Пт фев 06, 2026 11:25:14 
Друг Кота
Аватар пользователя

Карма: 107
Рейтинг сообщений: 3833
Зарегистрирован: Пн фев 09, 2009 22:19:49
Сообщений: 24972
Откуда: Когда-то был прекрасный город для людей
Рейтинг сообщения: 0
Конечно есть. Провода ведь к мотору есть.


Вернуться наверх
 
Не в сети
 Заголовок сообщения: Re: Катушечный магнитофон Akai GX-220 - ослабить подмотку
СообщениеДобавлено: Пт фев 06, 2026 11:32:34 
Родился

Зарегистрирован: Вс фев 23, 2025 14:14:40
Сообщений: 8
Откуда: Санкт-Петербург
Рейтинг сообщения: 0
Разбирай узел торможения с правой стороны. При выходе плёнки после прижымного ролика плёнка натягивает рычажок и притормаживает правую бабышку.


Вернуться наверх
 
Не в сети
 Заголовок сообщения: Re: Катушечный магнитофон Akai GX-220 - ослабить подмотку
СообщениеДобавлено: Пт фев 06, 2026 11:40:41 
Родился

Зарегистрирован: Вт фев 03, 2026 12:37:16
Сообщений: 7
Рейтинг сообщения: 0
Конечно есть. Провода ведь к мотору есть.
Можете подсказать, как это правильно сделать, чтобы ничего не спалить? :)
ИИ советует использовать не резистор, а "балластный конденсатор": "Вам нужен неполярный пусковой/рабочий конденсатор (маркировка CBB60 или CBB65).
Номинал 70 мкФ на 400–450 В". - насколько такой совет верный?

Разбирай узел торможения с правой стороны. При выходе плёнки после прижымного ролика плёнка натягивает рычажок и притормаживает правую бабышку.
Нет, там этот рычажок просто на пружинке и не влияет на мотор никоим образом. Там топорная система и на моторы подаётся фиксированное напряжение вне зависимости от кол-ва ленты на катушках. Поэтому, когда на принимающей катушке прибавляется пару см ленты, то натяжение ослабевает и дефект вылезания ленты из-под ролика пропадает.


Вернуться наверх
 
Не в сети
 Заголовок сообщения: Re: Катушечный магнитофон Akai GX-220 - ослабить подмотку
СообщениеДобавлено: Пт фев 06, 2026 12:54:33 
Друг Кота
Аватар пользователя

Карма: 107
Рейтинг сообщений: 3833
Зарегистрирован: Пн фев 09, 2009 22:19:49
Сообщений: 24972
Откуда: Когда-то был прекрасный город для людей
Рейтинг сообщения: 0
Неполярный конденсатор 70 мкФ на 450 вольт...

А спроси-ка у своего ИИ, влезет ли он в этот магнитофон ?


Вернуться наверх
 
Не в сети
 Заголовок сообщения: Re: Катушечный магнитофон Akai GX-220 - ослабить подмотку
СообщениеДобавлено: Пт фев 06, 2026 13:35:32 
Родился

Зарегистрирован: Вт фев 03, 2026 12:37:16
Сообщений: 7
Рейтинг сообщения: 0
Муркиз, почему же он мой?) Я рад любому совету, особенно, если с ним согласятся несколько человек. И в магнитофон он влезет, там довольно много пространства.


Вернуться наверх
 
Не в сети
 Заголовок сообщения: Re: Катушечный магнитофон Akai GX-220 - ослабить подмотку
СообщениеДобавлено: Пт фев 06, 2026 15:06:54 
Друг Кота
Аватар пользователя

Карма: 59
Рейтинг сообщений: 694
Зарегистрирован: Вт сен 25, 2012 23:13:41
Сообщений: 5730
Откуда: г.Дзержинск Нижегородской обл.
Рейтинг сообщения: 0
:facepalm:
Я рад любому совету, особенно, если с ним согласятся несколько человек.
Типа, хоровое изнасилование винтажной техники с участием ИИ. :)))
Тогда мой Вам совет: не занимайтесь тем, в чём Вы ни черта не смыслите. Найдите специалиста которому доверяете и он Вам всё сделает как надо. Аминь!

_________________
Спасение утопающих дело рук самих утопающих.


Вернуться наверх
 
Не в сети
 Заголовок сообщения: Re: Катушечный магнитофон Akai GX-220 - ослабить подмотку
СообщениеДобавлено: Пт фев 06, 2026 17:57:03 
Электрический кот
Аватар пользователя

Карма: 7
Рейтинг сообщений: 37
Зарегистрирован: Ср дек 11, 2019 12:13:29
Сообщений: 1055
Откуда: Север М.О.
Рейтинг сообщения: 0
Если изучить мануал (для этого надо владеть техническим английским ) - всё чётко описано в нём,
внимательно познокомится со схемой (для этого читать схемы надо отменно),
будет ясно , что в питании моторов ( SUPPLY & TAKE-UP ) участвуют и реле и переключатели и хитрые
CR сборки (CR0201 CR0202 на плате MR504 ) там же стоит реле реверс
короче надо разбираться в радиоэлектронике.
Вам этот аппарат не по зубам ...
Вот совет от уже 2х человек.
P/S Оба мотора питаются по схеме автотрансформатора, т.е. по первичной обмотке трансформатора отвод посередине
при 220в там 110 в. Как можно получить при перемотке 150 в ? что в сети 300 в ?


Вернуться наверх
 
Показать сообщения за:  Сортировать по:  Вернуться наверх
Начать новую тему Ответить на тему  [ Сообщений: 30 ]  1,  

Часовой пояс: UTC + 3 часа


Кто сейчас на форуме

Сейчас этот форум просматривают: нет зарегистрированных пользователей и гости: 38


Вы не можете начинать темы
Вы не можете отвечать на сообщения
Вы не можете редактировать свои сообщения
Вы не можете удалять свои сообщения
Вы не можете добавлять вложения

Найти:
Перейти:  


Powered by phpBB © 2000, 2002, 2005, 2007 phpBB Group
Русская поддержка phpBB
Extended by Karma MOD © 2007—2012 m157y
Extended by Topic Tags MOD © 2012 m157y