Например TDA7294

Форум РадиоКот • Просмотр темы - Методика ремонта УМЗЧ (делюсь опытом)
Форум РадиоКот
Здесь можно немножко помяукать :)

Текущее время: Пт фев 20, 2026 04:39:28

Часовой пояс: UTC + 3 часа


ПРЯМО СЕЙЧАС:



Начать новую тему Ответить на тему  [ Сообщений: 210 ]     ... , , , 7, , , ,  
Автор Сообщение
Не в сети
 Заголовок сообщения: Re: Методика ремонта УМЗЧ (делюсь опытом)
СообщениеДобавлено: Вс сен 02, 2012 14:16:33 
Сверлит текстолит когтями
Аватар пользователя

Карма: 9
Рейтинг сообщений: 19
Зарегистрирован: Ср мар 10, 2010 22:28:34
Сообщений: 1292
Откуда: Запад Беларуси
Рейтинг сообщения: 0
Подскажите плиз, как разбирать тонкомпенсированный регулятор громкости, который на 2 (или 3) десятках резисторов. На одном канали при регулировке слышен треск. Есть там какие либо сложности?
Усилитель Амфитон 25У-002С.

_________________
Изображение
Изображение


Вернуться наверх
 
Не в сети
 Заголовок сообщения: Re: Методика ремонта УМЗЧ (делюсь опытом)
СообщениеДобавлено: Пт сен 07, 2012 22:32:15 
Встал на лапы
Аватар пользователя

Карма: 1
Рейтинг сообщений: 11
Зарегистрирован: Ср фев 29, 2012 19:10:31
Сообщений: 120
Откуда: Норильск
Рейтинг сообщения: 0
Нет там никаких сложностей, если есть прямые руки и желание. шорохи и трески такого РГ - следствие длительной эксплуатации, т.е. механический износ бегунка, который по этим резисторам бегает. разбери аккуратно, почисти стирательной резинкой, купи какую нибудь химию для восстановления контакта, смажь и собери. в 99% случаев помогает, но как надолго не скажет никто... все будет видно по месту..


Вернуться наверх
 
Не в сети
 Заголовок сообщения: Re: Методика ремонта УМЗЧ (делюсь опытом)
СообщениеДобавлено: Вс сен 16, 2012 00:08:29 
Родился

Зарегистрирован: Чт мар 25, 2010 10:02:15
Сообщений: 7
Откуда: Челябинская обл. г. Бакал
Рейтинг сообщения: 0
Данная статья Алексея, очень помогла в ремонте корректора предварительного усилителя Эстония УП 010С.


Вернуться наверх
 
Не в сети
 Заголовок сообщения: Re: Методика ремонта УМЗЧ (делюсь опытом)
СообщениеДобавлено: Вс сен 16, 2012 09:40:01 
Друг Кота
Аватар пользователя

Карма: 44
Рейтинг сообщений: 605
Зарегистрирован: Вс мар 04, 2007 11:39:00
Сообщений: 4470
Откуда: Ukraine, Kyiv
Рейтинг сообщения: 0
AlexNetwork просто отписался о факте. А надо было подробно изложить "историю болезни" и "методику её лечения".

В общем так. Ремонт был произведен дистанционно, по аське в течение 3-х минут. Цитата из переписки (надеюсь, AlexNetwork не обидится, если её приведу):
Цитата:
...ремонт предварительного усилителя из комплекса Эстония 010. В корректоре для винило-проигрывателя на левом канале транзистор КТ602 (VT25 к его эммитеру идет R31) греется так, что пальцы обжигает, а в правом канале все нормально. Сравнивал между собой каналы по напряжению на выводах транзисторов, все в норме. Лазил осциллографом на предмет возбуда и ступеньки и тоже ничего не нашел. Все питание в норме, и конденсаторы электролитические заменены. Я в недоумении что еще можно сделать?

Схема: http://savepic.su/2430070.htm

Теперь ход моих мыслей. VT25 является эмиттерным повторителем с нагрузкой в виде генератора тока на транзисторах VT26VT29. Если VT25 сильно греется, значит через него идет очень большой ток. Для проверки предложил поднять коллектор VT26 и замерить ток между ним и плюсом питания. Он оказался аж 70 мА(!!!). Т.е., ограничивается только R43 (43 Ома). Следовательно, транзистор VT26 полностью открыт. Следовательно, транзистор VT29 его не призакрывает, что возможно только из-за его обрыва.

Предложил проверить - так и оказалось. Транзистор был заменен - дефект "ушел".

_________________
Выслушай и противную сторону, даже если она и противна


Вернуться наверх
 
Эиком - электронные компоненты и радиодетали
Не в сети
 Заголовок сообщения: Re: Методика ремонта УМЗЧ (делюсь опытом)
СообщениеДобавлено: Вс сен 30, 2012 18:37:10 
Родился

Зарегистрирован: Пн ноя 21, 2011 20:40:49
Сообщений: 10
Рейтинг сообщения: 0
Здравствуйте, помогите мне пожалуйста разбить данный усилитель покаскадно, в ремонтах усилителей являюсь новичком, поэтому и выбрал Ваш сайт.
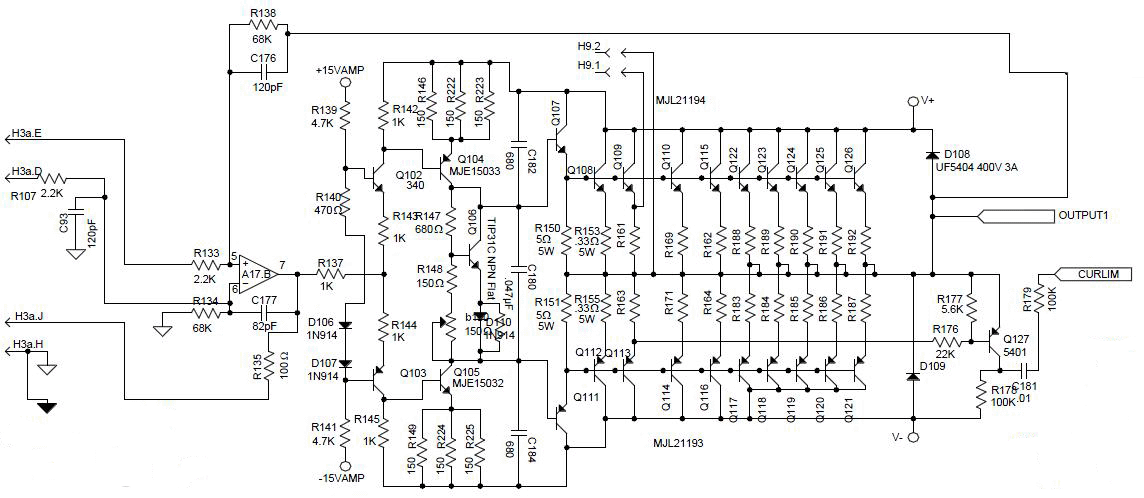
Принесли на ремонт усилитель Carvin DCM2570, (вот полная схема http://www.carvinservice.com/crg/schematic_finder.php) (прейдя по ссылке, в окошке "модель" написать 2570) по ходу проверки обнаружил сгоревший предохранитель, 3 пробитых выходных транзистора, в одном из каналов,заменил, через лампу 220х100Вт включаю усилитель, горит протекшн, неисправна сама микросхема NJM4565 (по схеме, А20) заменил.

На данный момент: Звука нет, сильно греются транзисторы (Q107,Q111 канал А) и (Q207,Q211 канал Б) больше минуты включенным лучше не держать, сдохнут. Через секунд 40-50, одновременно, плавно, загораются светодиоды "Сигнал" (на сколько я понимаю, происходит самовозбуждение усилителя)
Вот я собственно и хочу дальше действовать по "Методика ремонта УМЗЧ (делюсь опытом)" что и где конкретно нужно перерезать (отключить) что бы разбить данный усилитель покаскадно, просто боюсь пожечь выходные, живу на Сахалине, у нас их нет, а заказывать, около месяца ждать, да и не дешёвые они. Спасибо.


Вернуться наверх
 
Не в сети
 Заголовок сообщения: Re: Методика ремонта УМЗЧ (делюсь опытом)
СообщениеДобавлено: Вс сен 30, 2012 19:24:03 
Друг Кота
Аватар пользователя

Карма: 44
Рейтинг сообщений: 605
Зарегистрирован: Вс мар 04, 2007 11:39:00
Сообщений: 4470
Откуда: Ukraine, Kyiv
Рейтинг сообщения: 0
Надо подумкать. Из pdf-файла плоховато экспортировать рисунок. Очень нечетким получается.

Кое-как "вытащил" часть схемы оконечного усилителя. (вложение "АМР")

Начинать надо с проверки "выхлопа" (вложение "АМР01").

Соединить вместе базы драйверных транзисторов и через резистор 2.2...4,7 кОм подключить к общему проводу ("земляному"). Отключить датчик тока (красные кресты). Подать напряжение через лампы. Если "выхлопники" целые, на выходе должен быть ноль, лампы не горят. Подключаем нагрузку. Достаточно 20...50 Ом. Ноль остается, лампы не горят. Если одна из ламп загорается, а выход "перекашивает", ищем либо пробитый транзистор (К.З.), либо обрыв в противоположном плече!

При подаче синусоиды от генератора на красную линию на выходе (без нагрузки) должна тоже наблюдаться синусоида. С отечественными транзисторами она обычно имеет хорошо выраженную "ступеньку". А вот с импортными неоднократно наблюдал синусоиду без ступеньки. По-видимому, это зависит от качества транзисторов (очень малое напряжение насыщения при малых коллекторных токах). С нагрузкой ступенька будет обязательно. При этом начинают слабо гореть обе лампы. Поэтому амплитуда тестового сигнала должна быть максимально возможной для данного синусоидального генератора.

Следующим этапом идет проверка усилителя напряжения (вложение "АРМ02").

Перемыкается накоротко датчик температуры (красная линия) и к этой же точке подключается резистор ООС (тоже красная линия). На вход подается синусоида от генератора, но уже небольшой амплитуды (0,1...1 В). Проверка производится без какой-либо дополнительной нагрузки! На выходе должна быть усиленная синусоида.

Пока что достаточно, отпишитесь о результатах.


Вложения:
AMP02.gif [30.77 KiB]
Скачиваний: 1403
AMP01.gif [35.01 KiB]
Скачиваний: 1194
AMP.gif [118.55 KiB]
Скачиваний: 1197

_________________
Выслушай и противную сторону, даже если она и противна
Вернуться наверх
 
Не в сети
 Заголовок сообщения: Re: Методика ремонта УМЗЧ (делюсь опытом)
СообщениеДобавлено: Ср окт 03, 2012 18:46:14 
Друг Кота
Аватар пользователя

Карма: 44
Рейтинг сообщений: 605
Зарегистрирован: Вс мар 04, 2007 11:39:00
Сообщений: 4470
Откуда: Ukraine, Kyiv
Рейтинг сообщения: 0
Ну так шо? Не наблюдаю телодвижений...

_________________
Выслушай и противную сторону, даже если она и противна


Вернуться наверх
 
Не в сети
 Заголовок сообщения: Re: Методика ремонта УМЗЧ (делюсь опытом)
СообщениеДобавлено: Пн окт 08, 2012 20:49:41 
Первый раз сказал Мяу!

Зарегистрирован: Вс окт 07, 2012 18:42:30
Сообщений: 23
Рейтинг сообщения: 0
tohasadist писал(а):
ВАХ! позволь пожать лапу! кстати! внимние! не беритесь за ремонт веги 50у 122с-адски непродуманный аппарат и адски неоправданно усложненный! а еще, встречал транзисторы с перепутанной цоколевкой, был в шоке! так же попадаются новые дохлые транзисторы, так что проверяйте перед пайкой, и ещен, старайтесь ползоваться Цшкой, были случаи, что потекший транзистор мультиметром нормально звонился, а Цшкой- обнаружил утечку! тема-гуд, надо типа фака оформить

по поводу веги,ну не знаю вроде не такой уж и адский аппарат,ремонтировал один раз,и уже сколько лет проблем нет,хороший аппарат по моему,единственное-то что нет у него той неубиваемости,очень он уж нежный,КОМЕТА,РОСТОВ,РАДИОТЕХНИКА-вот они живучие


Вернуться наверх
 
Не в сети
 Заголовок сообщения: Re: Методика ремонта УМЗЧ (делюсь опытом)
СообщениеДобавлено: Чт окт 11, 2012 17:38:17 
Поставщик валерьянки для Кота

Карма: 48
Рейтинг сообщений: 508
Зарегистрирован: Вт фев 23, 2010 08:30:30
Сообщений: 2211
Откуда: Новосибирск
Рейтинг сообщения: 0
the_tolik, будь добр отпиши о результатах. Профессор для Вас старался, а Вы даже строчки не отписали, совесть надо иметь :shock:


Вернуться наверх
 
Не в сети
 Заголовок сообщения: Re: Методика ремонта УМЗЧ (делюсь опытом)
СообщениеДобавлено: Чт окт 11, 2012 17:46:11 
Друг Кота
Аватар пользователя

Карма: 44
Рейтинг сообщений: 605
Зарегистрирован: Вс мар 04, 2007 11:39:00
Сообщений: 4470
Откуда: Ukraine, Kyiv
Рейтинг сообщения: 0
Не надо лести! Не профессор. Всего лишь доцент.

_________________
Выслушай и противную сторону, даже если она и противна


Вернуться наверх
 
Не в сети
 Заголовок сообщения: Re: Методика ремонта УМЗЧ (делюсь опытом)
СообщениеДобавлено: Чт окт 11, 2012 17:49:10 
Поставщик валерьянки для Кота

Карма: 48
Рейтинг сообщений: 508
Зарегистрирован: Вт фев 23, 2010 08:30:30
Сообщений: 2211
Откуда: Новосибирск
Рейтинг сообщения: 0
Да ладно,я о статьях..., так, доцент, ничего не скажет для многих
Вы, профессор электроники. Вот кто согласится писать такие большие и позновательные статьи, только профессор.
И я не лестью тут выражаюсь, а уважением :)) :)) :))


Вернуться наверх
 
Не в сети
 Заголовок сообщения: Re: Методика ремонта УМЗЧ (делюсь опытом)
СообщениеДобавлено: Вт окт 16, 2012 10:10:28 
Вымогатель припоя
Аватар пользователя

Зарегистрирован: Вс апр 08, 2012 11:32:15
Сообщений: 556
Откуда: РБ
Рейтинг сообщения: 0
читая ваши статьи falkonist-доходчиво и по полочкам разложено--спасибо много интересного узнал


Вернуться наверх
 
Не в сети
 Заголовок сообщения: Re: Методика ремонта УМЗЧ (делюсь опытом)
СообщениеДобавлено: Ср янв 02, 2013 17:18:40 
Открыл глаза

Зарегистрирован: Ср янв 02, 2013 16:43:03
Сообщений: 47
Рейтинг сообщения: 0
Уважаемый falkonist можно ли при проверке выходного каскада повашей методике присодинять базы выходников к резистору 1 ком если у меня одно плечо дарлигтон,а другое шиклаи?И присоединение что это такое подача смещения и т.д ?Извините за дремучесть.


Вернуться наверх
 
Не в сети
 Заголовок сообщения: Re: Методика ремонта УМЗЧ (делюсь опытом)
СообщениеДобавлено: Чт янв 03, 2013 00:07:06 
Друг Кота
Аватар пользователя

Карма: 44
Рейтинг сообщений: 605
Зарегистрирован: Вс мар 04, 2007 11:39:00
Сообщений: 4470
Откуда: Ukraine, Kyiv
Рейтинг сообщения: 0
Пара транзисторов Дарлингтон/Шиклаи по сути являются аналогом одного транзистора. Поэтому соединять вместе можно базы не самых последних в цепочке, а предпоследних транзисторов.

По поводу "подачи смещения" - не понял, какое оно имеет отношение к методике.


Вложения:
1.GIF [2.54 KiB]
Скачиваний: 1192

_________________
Выслушай и противную сторону, даже если она и противна
Вернуться наверх
 
Не в сети
 Заголовок сообщения: Re: Методика ремонта УМЗЧ (делюсь опытом)
СообщениеДобавлено: Чт янв 03, 2013 20:25:10 
Открыл глаза

Зарегистрирован: Ср янв 02, 2013 16:43:03
Сообщений: 47
Рейтинг сообщения: 0
falkonist спасибо вам буду пробывать по вашей методе .


Вернуться наверх
 
Не в сети
 Заголовок сообщения: Re: Методика ремонта УМЗЧ (делюсь опытом)
СообщениеДобавлено: Чт янв 10, 2013 20:20:49 
Открыл глаза

Зарегистрирован: Ср янв 02, 2013 16:43:03
Сообщений: 47
Рейтинг сообщения: 0
Уважаемый falkonist нельзя ли вашу методу применить к наладке собранных усей , а то здесь ремонт заводских ?


Вернуться наверх
 
Не в сети
 Заголовок сообщения: Re: Методика ремонта УМЗЧ (делюсь опытом)
СообщениеДобавлено: Чт янв 10, 2013 21:04:09 
Открыл глаза

Зарегистрирован: Ср янв 02, 2013 16:43:03
Сообщений: 47
Рейтинг сообщения: 0
Tohasadist писал при проверке цешкой у новых транзисторов обнаруживается утечка нельзя ли поподробнее ?


Вернуться наверх
 
Не в сети
 Заголовок сообщения: Re: Методика ремонта УМЗЧ (делюсь опытом)
СообщениеДобавлено: Пт янв 11, 2013 08:55:35 
Друг Кота
Аватар пользователя

Карма: 44
Рейтинг сообщений: 605
Зарегистрирован: Вс мар 04, 2007 11:39:00
Сообщений: 4470
Откуда: Ukraine, Kyiv
Рейтинг сообщения: 0
matwei, возможно на 99%.

Более того, даже запаивать детали на плату при сборке и динамически проверять работоспособность получившегося целесообразно поблочно, в соответствии с методикой. Чтобы не было: собрал всё, включил - и "ба-бах!".

_________________
Выслушай и противную сторону, даже если она и противна


Вернуться наверх
 
Не в сети
 Заголовок сообщения: Re: Методика ремонта УМЗЧ (делюсь опытом)
СообщениеДобавлено: Пт янв 18, 2013 23:31:53 
Открыл глаза

Зарегистрирован: Ср янв 02, 2013 16:43:03
Сообщений: 47
Рейтинг сообщения: 0
Уважаемый falkonist без выходных транзисторов напряжения на электродах транзисторов пред.выходного,ус. напряжения,диф.ус и т.д рабочего уся должны соответствовать схеме или они изменяются ?Насколько?


Вернуться наверх
 
Не в сети
 Заголовок сообщения: Re: Методика ремонта УМЗЧ (делюсь опытом)
СообщениеДобавлено: Пт янв 18, 2013 23:41:29 
Друг Кота
Аватар пользователя

Карма: 44
Рейтинг сообщений: 605
Зарегистрирован: Вс мар 04, 2007 11:39:00
Сообщений: 4470
Откуда: Ukraine, Kyiv
Рейтинг сообщения: 0
Читал-читал... Нифига не понял вопроса.

_________________
Выслушай и противную сторону, даже если она и противна


Вернуться наверх
 
Показать сообщения за:  Сортировать по:  Вернуться наверх
Начать новую тему Ответить на тему  [ Сообщений: 210 ]     ... , , , 7, , , ,  

Часовой пояс: UTC + 3 часа


Кто сейчас на форуме

Сейчас этот форум просматривают: нет зарегистрированных пользователей и гости: 22


Вы не можете начинать темы
Вы не можете отвечать на сообщения
Вы не можете редактировать свои сообщения
Вы не можете удалять свои сообщения
Вы не можете добавлять вложения

Найти:
Перейти:  


Powered by phpBB © 2000, 2002, 2005, 2007 phpBB Group
Русская поддержка phpBB
Extended by Karma MOD © 2007—2012 m157y
Extended by Topic Tags MOD © 2012 m157y