Например TDA7294

Форум РадиоКот • Просмотр темы - Не работает Источник постоянного тока Б5-47
Форум РадиоКот
Здесь можно немножко помяукать :)

Текущее время: Ср фев 11, 2026 23:15:57

Часовой пояс: UTC + 3 часа


ПРЯМО СЕЙЧАС:



Начать новую тему Ответить на тему  [ Сообщений: 594 ]     ... , , , 8, , , ...  
Автор Сообщение
Не в сети
 Заголовок сообщения: Re: Не работает Источник постоянного тока Б5-47
СообщениеДобавлено: Чт мар 28, 2013 22:34:38 
Потрогал лапой паяльник

Зарегистрирован: Ср окт 27, 2010 01:19:02
Сообщений: 369
Откуда: Украина
Рейтинг сообщения: 0
Да,пишите в личку.


Вернуться наверх
 
Не в сети
 Заголовок сообщения: Re: Не работает Источник постоянного тока Б5-47
СообщениеДобавлено: Чт мар 28, 2013 22:35:36 
Вымогатель припоя
Аватар пользователя

Карма: -2
Рейтинг сообщений: 14
Зарегистрирован: Вс фев 24, 2013 17:50:51
Сообщений: 592
Рейтинг сообщения: 0
Платно или задаром


Вернуться наверх
 
Не в сети
 Заголовок сообщения: Re: Не работает Источник постоянного тока Б5-47
СообщениеДобавлено: Чт мар 28, 2013 22:41:46 
Потрогал лапой паяльник

Зарегистрирован: Ср окт 27, 2010 01:19:02
Сообщений: 369
Откуда: Украина
Рейтинг сообщения: 0
Надо глянуть ,что там от него осталась,т.к. видел его пару лет назад.Была сгоревшая первичка в трансе и транзисторы в той же цепи. Модули не паялись,вроде все целые.


Вернуться наверх
 
Не в сети
 Заголовок сообщения: Re: Не работает Источник постоянного тока Б5-47
СообщениеДобавлено: Чт апр 25, 2013 21:07:01 
Вымогатель припоя
Аватар пользователя

Карма: -2
Рейтинг сообщений: 14
Зарегистрирован: Вс фев 24, 2013 17:50:51
Сообщений: 592
Рейтинг сообщения: 0
За сколько и где?


Вернуться наверх
 
Эиком - электронные компоненты и радиодетали
Не в сети
 Заголовок сообщения: Re: Не работает Источник постоянного тока Б5-47
СообщениеДобавлено: Пт окт 11, 2013 21:32:01 
Встал на лапы

Карма: 3
Рейтинг сообщений: 49
Зарегистрирован: Вс сен 01, 2013 19:21:15
Сообщений: 106
Откуда: город К
Рейтинг сообщения: 0
Тоже столкнулся с неисправным Б5-47, а именно:
1) выходное напряжение выставляется не выше 12 В;
2) стабилизация тока есть;
3) переключатели не виноваты - попытка управления через разъём дистанционного управления успеха не принесла;
4) был момент, когда неисправность исчезла, но через пять минут прогрева вернулась. Уже насовсем;
5) конденсаторы, что удивительно, держатся - особых пульсаций на активной нагрузке не заметил;
6) подозреваю, дефект пустяковый, но где конкретно ? Не готов морально перерывать всю схему;

Времени на работе не так много, чтобы возиться с прибором. Где конкретно искать неисправность ? Нарушение пайки (платы все в лаке :( )? Герконовые реле плохо работают ? Было бы неплохо, если найдётся уже сталкивавшийся с подобным.

В крайнем случае, можно в обед "покурить" мануалы на блок питания.

_________________
Пушистый ? Ага... чёрный, чешуйчатый и крылатый !
---
Consulовед второго уровня.


Вернуться наверх
 
Не в сети
 Заголовок сообщения: Re: Не работает Источник постоянного тока Б5-47
СообщениеДобавлено: Пт окт 11, 2013 22:23:19 
Друг Кота
Аватар пользователя

Карма: 90
Рейтинг сообщений: 1503
Зарегистрирован: Вт сен 06, 2011 20:49:28
Сообщений: 26805
Откуда: оттуда
Рейтинг сообщения: 0
1Ж24Б писал(а):
6) подозреваю, дефект пустяковый, но где конкретно ? Не готов морально перерывать всю схему;
Времени на работе не так много, чтобы возиться с прибором.

Это жаль, придётся Вам найти того, у кого есть время и кто готов перерывать всю схему. Подозреваю, что небесплатно.

_________________
- Русским человеком может быть только тот, у кого чего-нибудь нет, но не так нет, чтобы обязательно было, а нет — и хрен с ним.
"Русский человек может жить как в одну сторону, так и в другую. И в обоих случаях останется цел" А. Платонов


Вернуться наверх
 
Не в сети
 Заголовок сообщения: Re: Не работает Источник постоянного тока Б5-47
СообщениеДобавлено: Пн окт 14, 2013 22:25:35 
Встал на лапы

Карма: 3
Рейтинг сообщений: 49
Зарегистрирован: Вс сен 01, 2013 19:21:15
Сообщений: 106
Откуда: город К
Рейтинг сообщения: 0
Деньги... заплатить... мы сами !

Дело заключалось в отошедших контактах в разъёмах под платы. Прочистил, напоил спиртом, подогнул и всё стало нормально. Тестовый прогон в режиме стабилизации тока и напряжения не выявил склонности к новому отказу. Особо в деле ремонта выручил второй Б5-47, неожиданно нашедшийся в углу - послужил временным донором и пациентом для глубокого прозектирования.

Теперь в лаборатории на одного "свистуна" больше :) *коих осталось на ходу крайне мало*

_________________
Пушистый ? Ага... чёрный, чешуйчатый и крылатый !
---
Consulовед второго уровня.


Вернуться наверх
 
Не в сети
 Заголовок сообщения: Re: Не работает Источник постоянного тока Б5-47
СообщениеДобавлено: Ср апр 23, 2014 19:17:26 
Встал на лапы

Зарегистрирован: Чт янв 17, 2013 21:25:30
Сообщений: 93
Откуда: Тула
Рейтинг сообщения: 0
Здраствуйте! Подскажите пожалуйста! Попался блок питания б5-47/1 на одном промежуточном транзисторе. Были заменены транзисторы преобразователя сети .Включил... не выдает больше 24 в(.Проверил все платы( поменял дохляков)проверил напряжение на стабилизаторах, работу генераторов... вроде все в порядке...заметил еще такую особенность . Взял реостат на 3 А (сопротивление макс стоит) подключил к клеммам - просело 3-4 В :shock: ...задался вопросом как можно проверить импульсный трансформатор...

Ryukenden писал(а):
Если не появится, попробуйте отпаять на плате преобразователя резистор МЛТ-1 1,5 кОм, который соединяется с подстроечным резистором. После замерьте напряжение между эмиттером регулирующего транзистора и минусовой клеммой блока. Равно ли 50В?

подстроечник я уже крутил) но попробуем отпаять и вынуть плату)а так напряжение на выходе моста вторичной обмотки импульсного транса транса как раз не поднимается выше 25 В) а вообще я пытался наблюдать как работают транзисторы преобразователя) но не очень понял пока))


Последний раз редактировалось Tenken Ср апр 23, 2014 21:12:41, всего редактировалось 1 раз.

Вернуться наверх
 
Не в сети
 Заголовок сообщения: Re: Не работает Источник постоянного тока Б5-47
СообщениеДобавлено: Ср апр 23, 2014 19:23:14 
Собутыльник Кота

Карма: 11
Рейтинг сообщений: 50
Зарегистрирован: Вт окт 30, 2007 20:53:15
Сообщений: 2781
Откуда: Россия,Челябинск
Рейтинг сообщения: 1
Ни разу не попадались блоки с неисправным импульсным трансом.
Попробуйте вынуть плату с кучей реле. Появится ли 50В на выходе блока? Если не появится, попробуйте отпаять на плате преобразователя резистор МЛТ-1 1,5 кОм, который соединяется с подстроечным резистором. После замерьте напряжение между эмиттером регулирующего транзистора и минусовой клеммой блока. Равно ли 50В?
Таким образом вычисляем, нормально ли работает преобразователь без управления или нет. Он и должен без управления выдать 50В на регулирующий транзистор.
Надо было мерить не на выходе моста, ибо после него дроссель, а на конденсаторах 2000 мкФх25В (они соединены последовательно), или, что то же самое, между эмиттером регулирующего транзистора и минусовой клеммой блока.

_________________
А где наш начальник транспортного цеха?


Вернуться наверх
 
Не в сети
 Заголовок сообщения: Re: Не работает Источник постоянного тока Б5-47
СообщениеДобавлено: Чт апр 24, 2014 19:26:17 
Встал на лапы

Зарегистрирован: Чт янв 17, 2013 21:25:30
Сообщений: 93
Откуда: Тула
Рейтинг сообщения: 0
Проверил, вынул плату, убрал резистор, проверил контакты плат, посмотрел на транзисторе и на кондере выпрямителя транса.. все равно 25 В( и напряжение проседает при подключении нагрузки(
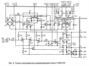
Счертил кусочек своего преобразователя Изображение
Посмотрел на схему он отличается от нее вроде как только на одно соединение.. но какое!Изображение
на схеме его нет, а преобразе есть.. оч странно...


Вернуться наверх
 
Не в сети
 Заголовок сообщения: Re: Не работает Источник постоянного тока Б5-47
СообщениеДобавлено: Чт апр 24, 2014 20:38:29 
Собутыльник Кота

Карма: 11
Рейтинг сообщений: 50
Зарегистрирован: Вт окт 30, 2007 20:53:15
Сообщений: 2781
Откуда: Россия,Челябинск
Рейтинг сообщения: 1
На заводской схеме действительно недочёт (встречал такое) - эмиттер верхнего по схеме транзистора должен соединяться с коллектором нижнего транзистора, и в это соединение включается один из выводов первички транса, ну и прочие детали.
Исправный инвертор должен выдать 50В в неуправляемом состоянии. Тщательно проверьте детали преобразователя (и плату тоже) - может, какое из плеч не фурычит, а то очень похоже на то - половина напряжения, нагрузка проседает...

_________________
А где наш начальник транспортного цеха?


Вернуться наверх
 
Не в сети
 Заголовок сообщения: Re: Не работает Источник постоянного тока Б5-47
СообщениеДобавлено: Вт апр 29, 2014 18:49:33 
Встал на лапы

Зарегистрирован: Чт янв 17, 2013 21:25:30
Сообщений: 93
Откуда: Тула
Рейтинг сообщения: 0
ну значит посмотрел я еще раз все... и все равно чего то не догоняю...отсоединил транс от инвертора(транс выдает 200 в ) , взял 60В(больше нету) постоянного стабильного напряжения с блока , включил починяемый блок , дабы проверить работу осциллографом полумостового инвертора. ну и вот собственного на базах транзисторов 0.2 в-дел ИзображениеИзображение
на первичной обмотке импульсного трансформатора, 10в-деление
Изображение
и на вторичной обмотке силового транса
Изображение
синхронизации лучше добиться не удалось)... ноо то нормально??


Вернуться наверх
 
Не в сети
 Заголовок сообщения: Re: Не работает Источник постоянного тока Б5-47
СообщениеДобавлено: Вт апр 29, 2014 19:40:10 
Собутыльник Кота

Карма: 11
Рейтинг сообщений: 50
Зарегистрирован: Вт окт 30, 2007 20:53:15
Сообщений: 2781
Откуда: Россия,Челябинск
Рейтинг сообщения: 1
Только одна осциллограмма лично меня смущает - на базах транзисторов напряжение около 0,5V в то время, как на схеме блока указано 3,5V.

_________________
А где наш начальник транспортного цеха?


Вернуться наверх
 
Не в сети
 Заголовок сообщения: Re: Не работает Источник постоянного тока Б5-47
СообщениеДобавлено: Ср апр 30, 2014 13:48:06 
Друг Кота
Аватар пользователя

Карма: 50
Рейтинг сообщений: 763
Зарегистрирован: Чт дек 29, 2005 00:18:30
Сообщений: 6597
Откуда: Москва
Рейтинг сообщения: 0
Может 3,5 вольта до выравнивающих резисторов? 3,5 вольта на чисте переходе Э-Б для транзистора как-то многовато, он уже на 0,5 вольта открываться должен полностью. Пока писал Б5-50 помер, формовал банку 6800 мкф 300 вольтами.. 12 вольт на выходе, ой не стоило мне это тему читать :) ...

_________________
Ничто так не укрепляет взаимное доверие, как 100% предоплата! Дмитрий, ex-RK3AOR.


Вернуться наверх
 
Не в сети
 Заголовок сообщения: Re: Не работает Источник постоянного тока Б5-47
СообщениеДобавлено: Ср апр 30, 2014 13:55:00 
Собутыльник Кота

Карма: 11
Рейтинг сообщений: 50
Зарегистрирован: Вт окт 30, 2007 20:53:15
Сообщений: 2781
Откуда: Россия,Челябинск
Рейтинг сообщения: 0
На схеме оно как раз ПОСЛЕ ограничительных резисторов указано было (причём вроде учитываются и резисторы между базой и эмиттером каждого из транзисторов). Скачайте в сети и увидите. :) Только ищите схему именно для БП Абовянского завода ИЗМЕРИТЕЛЬ, а то есть вариант Горьковского завода. Эту линейку блоков выпускали два завода, только в армянском варианте был вариант блоков без разъёма ДУ (и с ним), помеченных как Б5-хх/1, а в горьковских они всегда были. Это по моим наблюдениям. А до этих резисторов оно указано было 4V в данных по моточным изделиям.
Кстати, подобные ремонты, наверно, удобно бы было проводить через Скайп по видео. Видно, что да как. Конечно, если камера хорошая. Жаль только, что у меня камеры нет. Хотя, наверно, она и не нужна была бы в данном случае. Впрочем, и гарнитура тоже отсутствует...
0,5V, думаю, для полного открывания годится для маломощных транзисторов.

_________________
А где наш начальник транспортного цеха?


Вернуться наверх
 
Не в сети
 Заголовок сообщения: Re: Не работает Источник постоянного тока Б5-47
СообщениеДобавлено: Ср апр 30, 2014 14:47:37 
Друг Кота
Аватар пользователя

Карма: 50
Рейтинг сообщений: 763
Зарегистрирован: Чт дек 29, 2005 00:18:30
Сообщений: 6597
Откуда: Москва
Рейтинг сообщения: 0
Да у меня и книжки родные есть в большом количестве, как руки дойдут до ремонта своего посмотрю. Я ещё в институте начинал их чинить, обычно первый-второй тяжело идёт а потом как на конвейере, в НИИ и на производствах их в кладовках десятки обычно стояли битых :) . Насколько я помню из различий там в ключах стояли или 809 или 812 транзисторы для разных версий, ну и по низкой стороне ключ бывал на составном или на ГТ806+ещё что-то... Правда я по заводам не смотрел, думал модернизация просто прошла.

_________________
Ничто так не укрепляет взаимное доверие, как 100% предоплата! Дмитрий, ex-RK3AOR.


Вернуться наверх
 
Не в сети
 Заголовок сообщения: Re: Не работает Источник постоянного тока Б5-47
СообщениеДобавлено: Ср апр 30, 2014 14:55:01 
Собутыльник Кота

Карма: 11
Рейтинг сообщений: 50
Зарегистрирован: Вт окт 30, 2007 20:53:15
Сообщений: 2781
Откуда: Россия,Челябинск
Рейтинг сообщения: 0
Ставились поначалу КТ809А, а с середины 80-х КТ840, 841, но КТ840 и 841 на КТ812 легко меняются.
По моим наблюдениям - с 85г. абовянские Б5-46-48 включительно содержали только КТ825 (вообще считаю, что с 85г. абовянские стали делаться только с 46 по 48 включительно, а от 49 и 50 отказались, в силу этого позже пошли 46-48 с односторонним печатным монтажом, а горьковские всегда имели двусторонние платы), а горьковские - всегда содержали связку ГТ806+КТ808 (только горьковские 49 содержали ГТ813+КТ808, а 50 - два КТ808).

_________________
А где наш начальник транспортного цеха?


Вернуться наверх
 
Не в сети
 Заголовок сообщения: Re: Не работает Источник постоянного тока Б5-47
СообщениеДобавлено: Ср апр 30, 2014 18:18:54 
Встал на лапы

Зарегистрирован: Чт янв 17, 2013 21:25:30
Сообщений: 93
Откуда: Тула
Рейтинг сообщения: 0
все правильно) и в инструкции сказано потенциал транзисторов(инвертора) не более 3 в должен быть а у меня 0.4 на макс))Изображениепосмотрел на коллекторах Т1 Т2 Т3 Т4 .Положенное напряжение от 10 мин а у меня 7.5 и на стабилитроне Д14 столько же... отсоединил + от 2 точки Тр2(на схеме соединения нет , но оно есть) показывает 14 В...транзисторы вроде хорошие.как диоды резисторы и Тем более конденсаторы)). Импульсы на базу Т4 отрицательной полярности приходят.Что же так может "проседать" напругу??стабилитрон же не просто так там стоит( да еще такой мощный...?)на резисторе 100Ом ном аж 8 вольт падает, остаются как раз эти несчастные 7 В


Вернуться наверх
 
Не в сети
 Заголовок сообщения: Re: Не работает Источник постоянного тока Б5-47
СообщениеДобавлено: Ср апр 30, 2014 19:16:13 
Собутыльник Кота

Карма: 11
Рейтинг сообщений: 50
Зарегистрирован: Вт окт 30, 2007 20:53:15
Сообщений: 2781
Откуда: Россия,Челябинск
Рейтинг сообщения: 0
Да, там стабилитрон (он мощный, потому что ЗГ с промежуточным усилителем кушают немало) с резистором образуют стабилизатор на 15В.
Видать, садит как-то питание усилитель на Т1, Т2...
Можно попробовать подать 15В от внешнего мощного источника и посмотреть, что будет.

_________________
А где наш начальник транспортного цеха?


Вернуться наверх
 
Не в сети
 Заголовок сообщения: Re: Не работает Источник постоянного тока Б5-47
СообщениеДобавлено: Ср май 07, 2014 23:00:36 
Встал на лапы

Зарегистрирован: Чт янв 17, 2013 21:25:30
Сообщений: 93
Откуда: Тула
Рейтинг сообщения: 0
подать то подал) только толку ноль(от меня :))) )Вот простите за тупость)Пойду "с конца") Чтобы открыть транзисторы преобразователя на нужную величину , нужно чтобы в модуляторе длительности соответствующий потенциал с Эмиттера -коллектора регулирующего транзистора сравнивался с опорной пилой. Следовательно нужно чтобы напряжение эммитер-коллектор регулирующего транзистора имело достаточного значение , которые подпирается драйвером транзистора с платы управления (с операционниками).Значит даже с вынутой платой цап и отключенным инвертором должен уже поддерживаться необходимый потенциал на Э-К выходного транзисторы? или все не так?(


Вернуться наверх
 
Показать сообщения за:  Сортировать по:  Вернуться наверх
Начать новую тему Ответить на тему  [ Сообщений: 594 ]     ... , , , 8, , , ...  

Часовой пояс: UTC + 3 часа


Кто сейчас на форуме

Сейчас этот форум просматривают: нет зарегистрированных пользователей и гости: 33


Вы не можете начинать темы
Вы не можете отвечать на сообщения
Вы не можете редактировать свои сообщения
Вы не можете удалять свои сообщения
Вы не можете добавлять вложения

Найти:
Перейти:  


Powered by phpBB © 2000, 2002, 2005, 2007 phpBB Group
Русская поддержка phpBB
Extended by Karma MOD © 2007—2012 m157y
Extended by Topic Tags MOD © 2012 m157y