Например TDA7294

Форум РадиоКот • Просмотр темы - Методика ремонта УМЗЧ (делюсь опытом)
Форум РадиоКот
Здесь можно немножко помяукать :)

Текущее время: Ср мар 25, 2026 00:39:11

Часовой пояс: UTC + 3 часа


ПРЯМО СЕЙЧАС:



Начать новую тему Ответить на тему  [ Сообщений: 210 ]    , 2, , , ...  
Автор Сообщение
 Заголовок сообщения: Re: Методика ремонта УМЗЧ (делюсь опытом)
СообщениеДобавлено: Вс май 09, 2010 15:09:48 
Друг Кота
Аватар пользователя

Карма: 44
Рейтинг сообщений: 605
Зарегистрирован: Вс мар 04, 2007 11:39:00
Сообщений: 4471
Откуда: Ukraine, Kyiv
Рейтинг сообщения: 0
Статья весьма достойная! Её некоторая "сумбурность" обусловлена тем, что расчитана на достаточный опыт. Лично я в ней понял всё и со всем согласен, но, честно говоря, лично мне она и не особенно нужна. Опыта достаточно. А как быть малоопытным "котятам"? Для которых термины "диаграмма Боде", "Цобель" и др. - на уровне ещё китайской грамоты... Да и без схем понять, что к чему - тоже непросто.

А что, если открыть отдельную тему по "запуску" УМЗЧ и начать этой статьей "для затравки"? Кто возьмется?

_________________
Выслушай и противную сторону, даже если она и противна


Вернуться наверх
 
 Заголовок сообщения: Re: Методика ремонта УМЗЧ (делюсь опытом)
СообщениеДобавлено: Вс май 09, 2010 15:17:57 
Вымогатель припоя
Аватар пользователя

Зарегистрирован: Вс сен 06, 2009 13:05:34
Сообщений: 559
Рейтинг сообщения: 0
Цитата:
Кто возьмется?

:))) :))) :))) Ну Вы же первые начали! :))) Так Вам и карты в руки!
Да, в этой статье что-то расказано, а что-то очень сжато.. надо это разжевать.
Но это по мере востребования людьми! Кто-то может и так поймёт..
Переходить с простой сборки до покаскадного проектирования очень нелегко. Для этого и нужны подобные статьи. Может статься, что у кого-то есть надлежащий опыт и он сможет это нормально изложить... или просто поделиться подобными статьями.
Я считаю, что созданной Вами ветке самое место в Аналоговой технике :beer:

_________________
мой Бог меня рабом не называл


Вернуться наверх
 
 Заголовок сообщения: Re: Методика ремонта УМЗЧ (делюсь опытом)
СообщениеДобавлено: Вс май 09, 2010 15:52:44 
Друг Кота
Аватар пользователя

Карма: 44
Рейтинг сообщений: 605
Зарегистрирован: Вс мар 04, 2007 11:39:00
Сообщений: 4471
Откуда: Ukraine, Kyiv
Рейтинг сообщения: 0
VVX5510 писал(а):
:))) :))) :))) Ну Вы же первые начали! :)))
Вот так и всегда:
Цитата:
Всякая инициатива наказуема.
(армейская мудрость)

_________________
Выслушай и противную сторону, даже если она и противна


Вернуться наверх
 
 Заголовок сообщения: Re: Методика ремонта УМЗЧ (делюсь опытом)
СообщениеДобавлено: Вс май 09, 2010 16:01:06 
Вымогатель припоя
Аватар пользователя

Зарегистрирован: Вс сен 06, 2009 13:05:34
Сообщений: 559
Рейтинг сообщения: 0
falkonist, не обижайтесь плиз!
Просто для курирования такой ветки нужны люди с большИм опытом в данном направлении.
По ремонту я конечно могу давать советы, а вот тута мне и самому советы бывают ой как нужны..
Так что я могу только выкладывать некоторое доступное инфо :)

_________________
мой Бог меня рабом не называл


Вернуться наверх
 
Эиком - электронные компоненты и радиодетали
 Заголовок сообщения: Re: Методика ремонта УМЗЧ (делюсь опытом)
СообщениеДобавлено: Вс май 09, 2010 18:51:04 
Поставщик валерьянки для Кота

Карма: 48
Рейтинг сообщений: 513
Зарегистрирован: Вт фев 23, 2010 08:30:30
Сообщений: 2222
Откуда: Новосибирск
Рейтинг сообщения: 0
VVX5510,Моё мнение, ну зачем придираешься? Статья Falkonist-а - очень, я б так назвал - учебник для желающих(адекватных,) научитьсься(закрепить знания) он расписал всё толково, а вот если это читать никто не будет, или будут вопросы, типа, - что такое транзистор?, то и твои "отзывы" таким не помогут


Вернуться наверх
 
 Заголовок сообщения: Re: Методика ремонта УМЗЧ (делюсь опытом)
СообщениеДобавлено: Вс май 09, 2010 18:55:12 
Поставщик валерьянки для Кота

Карма: 48
Рейтинг сообщений: 513
Зарегистрирован: Вт фев 23, 2010 08:30:30
Сообщений: 2222
Откуда: Новосибирск
Рейтинг сообщения: 0
VVX5510 писал(а):
falkonist, не обижайтесь плиз!
Просто для курирования такой ветки нужны люди с большИм опытом в данном направлении.
По ремонту я конечно могу давать советы, а вот тута мне и самому советы бывают ой как нужны..
Так что я могу только выкладывать некоторое доступное инфо :)

Прости, вот у меня есть большой опыт, и мне статья нравится
Falkonist, ждём описание ремонта Веги
С большим уважением , to Falkonist


Вернуться наверх
 
 Заголовок сообщения: Re: Методика ремонта УМЗЧ (делюсь опытом)
СообщениеДобавлено: Вс май 09, 2010 21:24:43 
Друг Кота
Аватар пользователя

Карма: 44
Рейтинг сообщений: 605
Зарегистрирован: Вс мар 04, 2007 11:39:00
Сообщений: 4471
Откуда: Ukraine, Kyiv
Рейтинг сообщения: 0
Да разве ж я обижаюсь???
Цитата:
Назвался груздем - полезай в кузов.
Придется попыхтеть...

_________________
Выслушай и противную сторону, даже если она и противна


Вернуться наверх
 
 Заголовок сообщения: Re: Методика ремонта УМЗЧ (делюсь опытом)
СообщениеДобавлено: Вт май 11, 2010 15:19:00 
Поставщик валерьянки для Кота

Карма: 48
Рейтинг сообщений: 513
Зарегистрирован: Вт фев 23, 2010 08:30:30
Сообщений: 2222
Откуда: Новосибирск
Рейтинг сообщения: 0
Falkonist, здравствуйте!
Вот моё замечание, ну не замечание, а так - видение. может убрать начало с лампочками и т. д.
Я думаю, теория питания не такая интересная в данном разрезе. А вот по-подробнее расписать назначение каждого из узлов. Например, токовое зеркало - либо обясняете, либо даёте ссылку. Так новичкам будет комфортнее.
Спасибо!


Вернуться наверх
 
 Заголовок сообщения: Re: Методика ремонта УМЗЧ (делюсь опытом)
СообщениеДобавлено: Вт май 11, 2010 19:55:39 
Поставщик валерьянки для Кота
Аватар пользователя

Карма: 3
Рейтинг сообщений: 24
Зарегистрирован: Вс дек 27, 2009 17:17:38
Сообщений: 2208
Откуда: Глазов
Рейтинг сообщения: 0
та не, питание-тоже важно, сколько выхлопников пожгут?

_________________
не включайте аппаратуру в сеть, чтобы не выйти за границы ОБР


Вернуться наверх
 
 Заголовок сообщения: Re: Методика ремонта УМЗЧ (делюсь опытом)
СообщениеДобавлено: Чт май 13, 2010 09:49:40 
Модератор
Аватар пользователя

Карма: 46
Рейтинг сообщений: 236
Зарегистрирован: Чт окт 27, 2005 18:50:07
Сообщений: 11169
Откуда: из мест не столь отдалённых
Рейтинг сообщения: 0
Медали: 2
Получил миской по аватаре (1) Мявтор 3-й степени (1)
Дык, граждане критиканы. "Нельзя объять необъятное"- афоризм К. Пруткова.
Статья написано об основах ремонта, а не об идеологии построения усилителей. В этом направлении и дерзайте, а не дерзите!
Внимательный Сэр Мурр. :P


Вернуться наверх
 
 Заголовок сообщения: Re: Методика ремонта УМЗЧ (делюсь опытом)
СообщениеДобавлено: Чт май 13, 2010 15:55:08 
Друг Кота
Аватар пользователя

Карма: 44
Рейтинг сообщений: 605
Зарегистрирован: Вс мар 04, 2007 11:39:00
Сообщений: 4471
Откуда: Ukraine, Kyiv
Рейтинг сообщения: 2
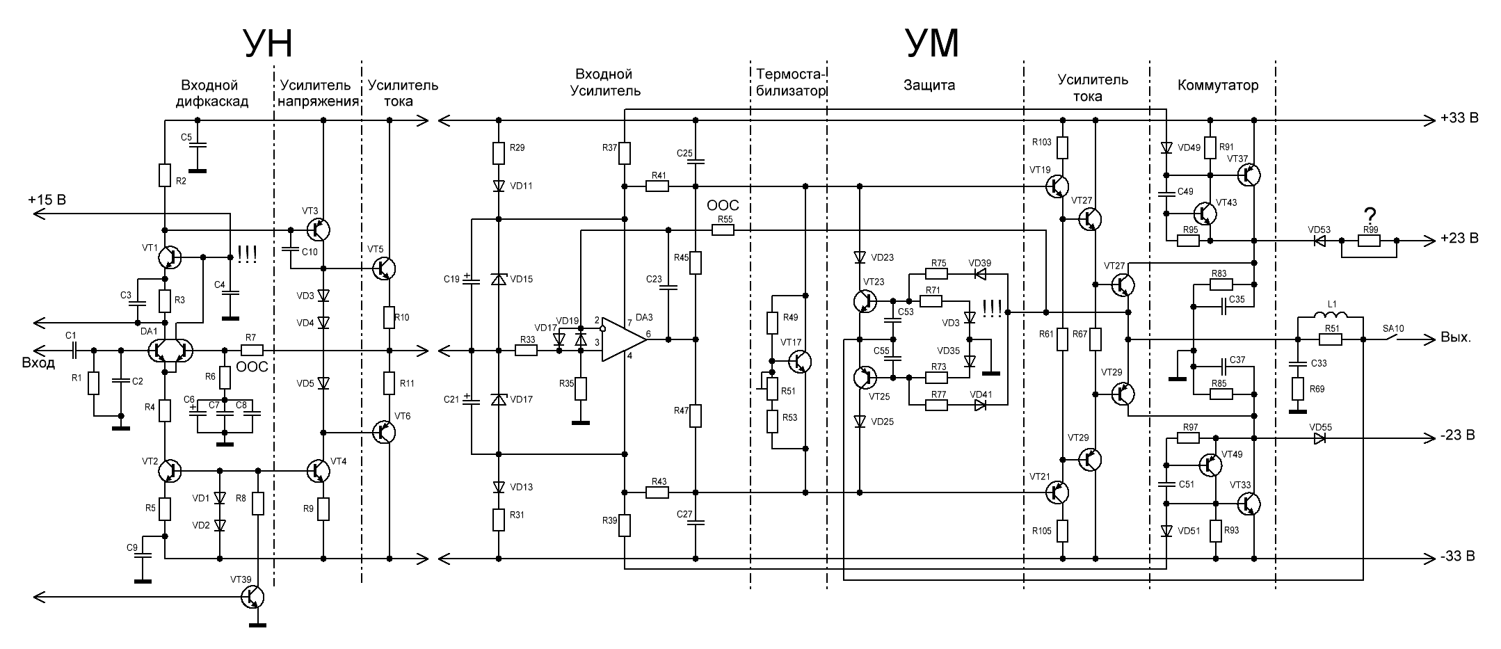
Выполняю данное перед праздниками обещание.

Анализ схемы усилителя мощности УМЗЧ ВЕГА 50У-12С я начал с п.3 своей статьи. Схема, вроде бы и есть, но так похабно начерчена, что разобрать по ней где какой каскад, даже мне сложно. А что уж говорить о "котятах"!.. Три часа потратил на перерисовывание. При этом выловил ошибку в оригинале (!!!): верхний вывод резистора R73 должен быть соединен не с выходом УМ, а с базой VT25!!! Так ДОЛЖНО быть! И никак иначе!

А теперь сравните эти две схемы (оригинал - во вложении к моему посту на 1-й странице). Какая более информативна? Думаю, ответ очевиден.

На своем варианте я выделил вертикальными линиями более-менее "самостоятельные" узлы. Как видите, за исключением входного каскада на ОУ DA3 усилителя мощности (УМ) и наличия каскада коммутаторов (VT33VT37VT43VT49), она не сильно отличается от приведенной в статье. Даже больше: (пред)Усилитель напряжения (УН) представляет собой совершенно самостоятельный маломощный УМЗЧ мощностью порядка нескольких ватт, который можно вынуть и использовать самостоятельно, только уменьшив номиналы эмиттерных резисторов R10 и R11. Со своей локальной ООС (резистор R7). Его покаскадная схемотехника практически повторяет приведенную в статье. Разве что в нагрузке дифкаскада стоИт не токовое зеркало, а каскод на транзисторе VT1 (поскольку сдвоенный транзистор DA1 слишком низковольтен), а нагрузкой является просто резистор R2.

Перед тем, как перейти к особенностям ремонта указанных "новых" каскадов, позвольте мал-мал поизгаляться над его схемотехникой. Ну не смог удержаться!

Со сказанным tohasadist'ом,
tohasadist писал(а):
...до кучи - не звучит он.
я совершенно согласен: не "звучал", не "звучит" и "звучать" не будет. При том, что "вживую" его не слышал :kill:. Поясню:
а) Плавающее питание для ОУ в усилителе мощности (УМ) организовано по входому сигналу. Следовательно, для раскачки нужен достаточно мощный предусилительный каскад, что мы и видим на схеме (УН). "Камнем преткновения" для звука является именно его умощнение!!! В пультах стоят последовательно по десятку-два ОУ - и ничего, звук не "портят", поскольку сигнал не умощняют, а только усиливают. А тут - одно умощнение, а за ним - второе (основное)...
Цитата:
Старые валенки дворника стояли в углу и воздуха тоже не озонировали.
И.Ильф и Е.Петров "12 стульев"

б) Базовое смещение каскода VT1 выполнено прямо от напряжения питания +15 В. Любая "грязь" (от сети через емкости обмоток трансформатора, импульсные помехи от выпрямительных диодов, от работы других каскадов, питающихся этим же напряжением и пр.) подмешивается к выходому сигналу входного дифкаскада (см. предыдущую цитату :))) ).
в) В усилителе мощности (УМ) - своя ООС. Искажения/нелинейности УН тупо суммируются с искажениями/нелинейностями УМ, поскольку отсутствует общая ООС.
г) Сильная зависимость базового смещения драйверов выходных транзисторов VT19VT21 от нестабильности питающих напряжений из-за резистивных делителей (R37R41R45 и R39R43R47) . Любые колебания сетевого напряжения вызовут изменения их режима.
д) Отсутствуют какие-либо явные органы подстройки нуля выходного напряжения отдельно в каждом из каналов. Полную схему я детально не анализировал :oops: , возможно, вывод от базы VT39 для этого и предназначен, но он общий для двух каналов. Скорее всего, это одна из защит. Могу ошибаться. В итоге: два усилителя соединены последовательно. Дисбаланс нуля любого из них суммируется на выходе. Подстроить нечем. СтОит ли говорить, как ухудшает работу динамиков постоянная составляющая в выходногм сигнале?
е) Каскад "защиты" (VT23VT25) неработоспособен в принципе! Правые выводы диодов VD39VD41 должны быть подключены к эмиттерам транзисторов VT27VT29, между которыми и ообщим выходом должны быть эмиттерные резисторы (которых просто нет). На этих резисторах и должно отслеживаться падение напряжения, пропорциональное току через "выхлопники" которое при превышении открывающего база-эмиттерного напряжения транзисторов VT23VT25 открывает последние, кот орые тем самым шунтируют на выходную шину сигнал, поступающий на базы драйверных транзисторов.
Вместо этого правые выводы диодов VD39VD41 подключены прямо к выходу(???). Я бы мог еще понять такое решение, не будь катушки L1, с сопротивлением сотые доли Ома. Т.е., данный каскад отслеживает не ток выходных транзисторов, а наличие постоянного напряжения на выходе. А оно появится уже тогда, когда из-за превышения допустимого тока "выхлопники" УЖЕ благополучно сгорят. По словам tohasadist'а, это весьма нередкое явление для данного УМЗЧ - теперь понятно, почему?..
Цитата:
Поздно, Вася, пить "Боржоми", когда почки уже отпали...

ж) Наконец, на кой ляд вообще нужны коммутаторы??? Разве что сэкономить на радиаторах для "выхлопников"?.. Ни для чего более не вижу никакого смысла при питающем напряжении всего 2х33 В (при таком достаточно даже КТ818В/819В).

Поскольку размер каждого поста ограничен 60 тыс. знаков,
продолжение следует.


Вложения:
ВЕГА_50У-12С-01.GIF [54.58 KiB]
Скачиваний: 2635

_________________
Выслушай и противную сторону, даже если она и противна
Вернуться наверх
 
 Заголовок сообщения: Re: Методика ремонта УМЗЧ (делюсь опытом)
СообщениеДобавлено: Чт май 13, 2010 17:02:11 
Друг Кота
Аватар пользователя

Карма: 44
Рейтинг сообщений: 605
Зарегистрирован: Вс мар 04, 2007 11:39:00
Сообщений: 4471
Откуда: Ukraine, Kyiv
Рейтинг сообщения: 1
Переходим к проверке "новых" каскадов (см. вложение).

Схемотехника УН повторяет в упрощенном варианте схему, изложенную в статье и, в принципе, ее проверка никаких особенностей не имеет. Бросаются перемычки "Б" и "В", разделяются входной дифкаскад с усилителем напряжения и оба каскада проверяются по изложенной ранее методике. Что же касается напряжения смещения на базе VT1, то лично я поставил бы показанную красным цепочку из резистора и стабилитрона, зашунтированного конденсатором ("А1") и так бы и оставил её на веки вечные. Но это - дело вкуса. Не настаиваю!

Особенностей не имеет также проверка термостабилизатора, узла защиты и усилителя тока в УМ. Бросаются перемычки "Д" и "Е", перемыкаются коммутаторы (перемычки "Ж"), а также разрываются связи, показанные красными крестиками. Дальше - по описанной в статье методике. Кроме того, при проверке усилителя тока нужно отключить напряжения +/- 23 В. Разрывы лучше всего организовать, выпаяв из платы один из выводов соответствующих элементов.

Коммутаторы на транзисторах VT43VT37 и VT49VT33 являются составными парами на комплементарных транзисторах по схеме Шиклаи с ОЭ. Их можно проверить, подав на базы транзисторов VT43 и VT49 напряжение с движка переменного резистора сопротивлением порядка 47...100 кОм, включенного между соответствующими шинами питания +/- 33 В и "землей", контролируя напряжение на их эмиттерах (нагрузочными при такой проверке являются R83 и R85). При вращении движка переменного резистора напряжение на эмиттерах VT43 и VT49 должно повторять входное, минус 2,1 В (p-n переход диодов VD49VD51 плюс 2 p-n-перехода VT43 и VT49, уже являющиеся составными Дарлингтонами).

Теперь переходим к главному: каскад на ОУ. В имеющемся включении он представляет собой банальный повторитель. Резистор R55 играет роль всего лишь защиты инвертирующего входа по току. Чтобы перевести его в режим усилителя, нужно поднять левый вывод резистора R33, оторвав вход от плавающей "земли" и подавать входной сигнал прямо на него. Для проверки работоспособности нам будет достаточно размаха выходного напряжения в пределах питающих напряжений (+/- 15 В), поэтому заземляем общую точку соединения стабилитронов VD15VD17 и добавляем резистор, показанный красным, на общую "землю" ("Г"). Получаем неинвертирующий усилитель с коэффициентом усиления около 10.

Обязательно проверить конденсаторы С19 и С21!!! При потере их емкости или обрыве (не говоря уж о К.З.) возможна некорректная работа ОУ (такое в моей практике было) в виде одностороннегог ограничения выходного сигнала. Опять же, лично я сделал бы соединение "А1" и тоже так и оставил бы на веки вечные. Классический вариант "следящего" питания по выходному сигналу, не требующий мощного предварительного каскада. Но опять повторяю: этого усилителя я не слушал и как будет влиять такая переделка на звук, не знаю!

И, наконец, выбросил бы нафик коммутаторы, оставив перемычки "Ж", добавил бы резисторы по 0,22...0,47 Ом (надо подбирать по порогу срабатывания узла защиты!) между эмиттерами VT27VT29 и общим выходом, к которым подключил бы правые выводы диодов VD39VD41. Коль скоро узел защиты имеется, то хоть заставить его работать, как положено!

Вот, собственно говоря, и все отличия от изложенной в статье методики. Как видите, их немного и, если не полениться и правильно выполнить п.3 рекомендаций статьи, то вся остальная работа резко облегчается. Правда, при этом приходится на полную мощность включать "8-й инструмент", но куда без этого!..

N.B.!!! Не забыть восстановить все порушенные соединения!!!!!!!!!

А теперь вопросы:
1. Насколько подробно изложено?
2. Что пропущено?
3. Какие варианты схемотехники каскадов УМЗЧ еще желательно рассмотреть?


Вложения:
ВЕГА_50У-12С-02.GIF [66.59 KiB]
Скачиваний: 2321

_________________
Выслушай и противную сторону, даже если она и противна


Последний раз редактировалось falkonist Пт май 14, 2010 18:13:38, всего редактировалось 1 раз.
Вернуться наверх
 
 Заголовок сообщения: Re: Методика ремонта УМЗЧ (делюсь опытом)
СообщениеДобавлено: Чт май 13, 2010 21:28:02 
Поставщик валерьянки для Кота
Аватар пользователя

Карма: 3
Рейтинг сообщений: 24
Зарегистрирован: Вс дек 27, 2009 17:17:38
Сообщений: 2208
Откуда: Глазов
Рейтинг сообщения: 0
класс! :beer: вот и я не врубил, зачем было усилитель напряжения, коммутацию городить при такой моще

_________________
не включайте аппаратуру в сеть, чтобы не выйти за границы ОБР


Вернуться наверх
 
 Заголовок сообщения: Re: Методика ремонта УМЗЧ (делюсь опытом)
СообщениеДобавлено: Вт май 18, 2010 15:28:16 
Сверлит текстолит когтями
Аватар пользователя

Карма: 4
Рейтинг сообщений: 10
Зарегистрирован: Пт фев 16, 2007 14:18:20
Сообщений: 1132
Откуда: Новосибирск
Рейтинг сообщения: 0
Отличная статья, достойная занять место на сайте за пределами форума.
:beer:

_________________
Теория — это когда все известно, но ничего не работает. Практика — это когда все работает, но никто не знает почему. Мы же объединяем теорию и практику: ничего не работает… и никто не знает почему!
© Альберт Эйнштейн


Вернуться наверх
 
 Заголовок сообщения: Re: Методика ремонта УМЗЧ (делюсь опытом)
СообщениеДобавлено: Пн май 24, 2010 12:05:09 
Друг Кота
Аватар пользователя

Карма: 44
Рейтинг сообщений: 605
Зарегистрирован: Вс мар 04, 2007 11:39:00
Сообщений: 4471
Откуда: Ukraine, Kyiv
Рейтинг сообщения: 0
Очено много полезной информации можно почерпнуть из книги Р.Милдтона "Наладка и ремонт радиоэлектронных устройств, не имеющих технического описания".- М.: Энергоатомиздат, 1994.- 304 с.

_________________
Выслушай и противную сторону, даже если она и противна


Вернуться наверх
 
 Заголовок сообщения: Re: Методика ремонта УМЗЧ (делюсь опытом)
СообщениеДобавлено: Пт июн 04, 2010 18:55:46 
Поставщик валерьянки для Кота

Карма: 48
Рейтинг сообщений: 513
Зарегистрирован: Вт фев 23, 2010 08:30:30
Сообщений: 2222
Откуда: Новосибирск
Рейтинг сообщения: 0
Модераторы, сделайте, плиз эту тему прилепленной.
Супер статья, а никто не читает, задолбали.


Вернуться наверх
 
 Заголовок сообщения: Re: Методика ремонта УМЗЧ (делюсь опытом)
СообщениеДобавлено: Сб июн 05, 2010 11:00:50 
Поставщик валерьянки для Кота
Аватар пользователя

Карма: 3
Рейтинг сообщений: 24
Зарегистрирован: Вс дек 27, 2009 17:17:38
Сообщений: 2208
Откуда: Глазов
Рейтинг сообщения: 0
да, надо сделать я ее сам терял

_________________
не включайте аппаратуру в сеть, чтобы не выйти за границы ОБР


Вернуться наверх
 
 Заголовок сообщения: Re: Методика ремонта УМЗЧ (делюсь опытом)
СообщениеДобавлено: Вс июн 20, 2010 19:15:34 
Поставщик валерьянки для Кота

Карма: 48
Рейтинг сообщений: 513
Зарегистрирован: Вт фев 23, 2010 08:30:30
Сообщений: 2222
Откуда: Новосибирск
Рейтинг сообщения: 0
tohasadist писал(а):
да, надо сделать я ее сам терял

Ну наконец-то!!!!
Вот когда начнут задавать вопросы по этой теме, вот тогда будет видно, что люди хотят чему-т научиться.
Это только моё мнение.


Вернуться наверх
 
 Заголовок сообщения: Re: Методика ремонта УМЗЧ (делюсь опытом)
СообщениеДобавлено: Вт июн 22, 2010 19:42:54 
Поставщик валерьянки для Кота
Аватар пользователя

Карма: 3
Рейтинг сообщений: 24
Зарегистрирован: Вс дек 27, 2009 17:17:38
Сообщений: 2208
Откуда: Глазов
Рейтинг сообщения: 0
это правильное мнение :beer:

_________________
не включайте аппаратуру в сеть, чтобы не выйти за границы ОБР


Вернуться наверх
 
 Заголовок сообщения: Re: Методика ремонта УМЗЧ (делюсь опытом)
СообщениеДобавлено: Вт июн 22, 2010 20:09:30 
Поставщик валерьянки для Кота

Карма: 48
Рейтинг сообщений: 513
Зарегистрирован: Вт фев 23, 2010 08:30:30
Сообщений: 2222
Откуда: Новосибирск
Рейтинг сообщения: 0
Спасибо, Тоха :beer:
А все равно, фиг их заставишь читать
Будут со своими, до безобразия, необычными "диодными мостами" тра...ть мозг


Вернуться наверх
 
Показать сообщения за:  Сортировать по:  Вернуться наверх
Начать новую тему Ответить на тему  [ Сообщений: 210 ]    , 2, , , ...  

Часовой пояс: UTC + 3 часа


Вы не можете начинать темы
Вы не можете отвечать на сообщения
Вы не можете редактировать свои сообщения
Вы не можете удалять свои сообщения
Вы не можете добавлять вложения

Найти:
Перейти:  


Powered by phpBB © 2000, 2002, 2005, 2007 phpBB Group
Русская поддержка phpBB
Extended by Karma MOD © 2007—2012 m157y
Extended by Topic Tags MOD © 2012 m157y