Например TDA7294

Форум РадиоКот • Просмотр темы - Вега 10У120С, валится в защиту левый канал
Форум РадиоКот
Здесь можно немножко помяукать :)

Текущее время: Ср мар 11, 2026 11:55:05

Часовой пояс: UTC + 3 часа


ПРЯМО СЕЙЧАС:



Начать новую тему Ответить на тему  [ Сообщений: 34 ]    , 2
Автор Сообщение
 Заголовок сообщения: Re: Вега 10У120С, валится в защиту левый канал
СообщениеДобавлено: Чт май 07, 2015 00:51:58 
Родился

Зарегистрирован: Чт апр 16, 2015 15:01:46
Сообщений: 11
Откуда: Мой адрес не дом и не улица...
Рейтинг сообщения: 0
Привет форумчанам и тем, кто болтается по форумам в поиске "правильных" советов! Кстати, РадиоКот действительно ТОТ сайт, который сможет дать ответ на ваш "нерешаемый вопрос - проверено)

Может быть кому-то пригодиться инфа по отключению защиты в 10у-120с временно (без следов вмешательства) или навсегда - выбор за вами...

Если сработала защита и ДАЖЕ сгорел предохранитель, (если он по каким-то причинам не успел сгореть, то могут начать дымиться резисторы в стабилизаторах - R3,R4), то каналы могут быть 100% рабочими! Это легко проверяется тыканием отверткой по базам (эмитерам - коллекторам) входных транзисторов - в колонках будет ФОН. После долгих поисков правильных решений в схемах, я полез в форумы за не совсем правильными решениями - это выяснилось позже, когда некоторая горстка транзов и резюков была спалена ))

Собственно, что сделал я. Вернувшись с дедовских грядок, и накопавшись вдоволь земли (мать ее так), я в очередной раз открыл схему и стал сверять напряжение в контрольных точках. Забыл сказать, что у меня дурил изначально правый канал - нагревался радиатор и при увеличении громкости уходил в защиту канал. После "обнуления" все играло снова, но не долго. А когда я решил "загрубить" защиту, то что-то пошло не так и уже левый канал отказался играть совсем, хотя, оставался в рабочем состоянии! Так вот, о точках... На 4 и 5 ногах "КР" я не обнаружил -0,7В. Я взял резистор примерно 5кОм и "приоткрыл" транзистор VT10, соединив коллектор с базой. О, чудо! Канал снова запел, но в связи с недостаточным открытием хрипел. Далее я подобрал резистор так, чтобы на 4 и 5 ногах "КР" были заданные -0,7В. Аналогичную операцию провел на правом канале с VT9. Теперь защита работает сама по себе, усилитель - сам по себе и звук великолепный)) Для поиска неисправностей самое ТО! Немного "загрубить" защиту можно подбором резистора R107, отодвинув порог срабатывания.

Кстати, сколько раз я ловил себя на мысли о том, что если долго бьешься над схемой и ничего не получается, то надо идти в магазин! За пивом) Буквально пара глотков может неплохо осветлить и без того отфильтрованную голову))

Всем удачи!


Вернуться наверх
 
 Заголовок сообщения: Re: Вега 10У120С, валится в защиту левый канал
СообщениеДобавлено: Чт май 07, 2015 01:07:04 
Родился

Зарегистрирован: Чт апр 16, 2015 15:01:46
Сообщений: 11
Откуда: Мой адрес не дом и не улица...
Рейтинг сообщения: 0
Забыл сказать! При искусственном открывании VT9, VT10 следует исключить из схемы резисторы R93, R94.


Вернуться наверх
 
 Заголовок сообщения: Re: Вега 10У120С, валится в защиту левый канал
СообщениеДобавлено: Пт апр 30, 2021 21:30:48 
Открыл глаза
Аватар пользователя

Зарегистрирован: Пт фев 03, 2017 08:30:07
Сообщений: 52
Рейтинг сообщения: 0
копала копала я сегодня это чудо, а в результате дело оказалось в банальнейшем КР159НТ1Е, можно было банально парой транзисторов заменить, даже КТ315 (только подобрать по hFE более менее одинаковые) и все бы работало, но оказалось было откуда снять)))


Вернуться наверх
 
 Заголовок сообщения: Re: Вега 10У120С, валится в защиту левый канал
СообщениеДобавлено: Чт янв 08, 2026 10:11:02 
Нашел транзистор. Понюхал.

Зарегистрирован: Ср апр 17, 2024 20:24:19
Сообщений: 196
Откуда: Курская область,
Рейтинг сообщения: 0
Доброго времени суток! Подскажите кто знает в плане ремонта. При выключении щелкает один канал, и он же подхрипывает на низких , как будто звуковая катушка динамика цепляет( динамик проверял исправный)


Вернуться наверх
 
Эиком - электронные компоненты и радиодетали
 Заголовок сообщения: Re: Вега 10У120С, валится в защиту левый канал
СообщениеДобавлено: Чт янв 08, 2026 11:13:32 
Друг Кота
Аватар пользователя

Карма: 90
Рейтинг сообщений: 1505
Зарегистрирован: Вт сен 06, 2011 20:49:28
Сообщений: 26902
Откуда: оттуда
Рейтинг сообщения: 1
А что подсказать-то?
Вверху есть тема по ремонту УМЗЧ (класса Б), вот по ней и ориентироваться... Тем более есть рабочий канал, как образец...

_________________
- Русским человеком может быть только тот, у кого чего-нибудь нет, но не так нет, чтобы обязательно было, а нет — и хрен с ним.
"Русский человек может жить как в одну сторону, так и в другую. И в обоих случаях останется цел" А. Платонов


Вернуться наверх
 
 Заголовок сообщения: Re: Вега 10У120С, валится в защиту левый канал
СообщениеДобавлено: Чт янв 08, 2026 13:38:18 
Нашел транзистор. Понюхал.

Зарегистрирован: Ср апр 17, 2024 20:24:19
Сообщений: 196
Откуда: Курская область,
Рейтинг сообщения: 0
проверил конденсаторы питания у одного 5000 мкф у второго 7200 мкф при номинале 5000 мкa ESR у обоих 0


Вернуться наверх
 
 Заголовок сообщения: Re: Вега 10У120С, валится в защиту левый канал
СообщениеДобавлено: Чт янв 08, 2026 16:07:04 
Друг Кота
Аватар пользователя

Карма: 107
Рейтинг сообщений: 3841
Зарегистрирован: Пн фев 09, 2009 22:19:49
Сообщений: 25340
Откуда: Когда-то был прекрасный город для людей
Рейтинг сообщения: 0
Это надо схему защиты проверять, она там на логике сделана. Без схемы не скажу, какие именно микросхемы.


Вернуться наверх
 
 Заголовок сообщения: Re: Вега 10У120С, валится в защиту левый канал
СообщениеДобавлено: Чт янв 08, 2026 17:49:07 
Нашел транзистор. Понюхал.

Зарегистрирован: Ср апр 17, 2024 20:24:19
Сообщений: 196
Откуда: Курская область,
Рейтинг сообщения: 0
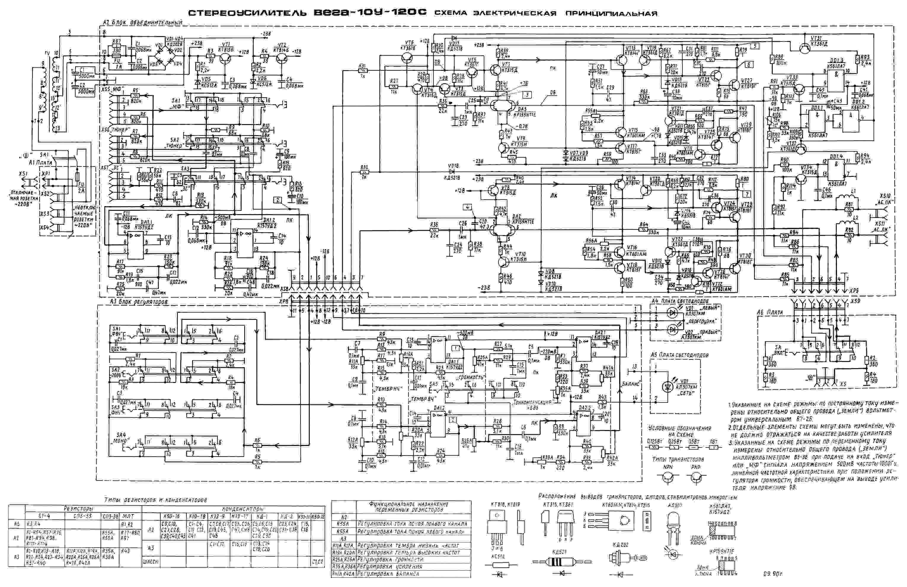
Изображение


Вложения:
vega10u120s3.jpg [255.69 KiB]
Скачиваний: 28
Вернуться наверх
 
 Заголовок сообщения: Re: Вега 10У120С, валится в защиту левый канал
СообщениеДобавлено: Чт янв 08, 2026 18:44:21 
Друг Кота
Аватар пользователя

Карма: 107
Рейтинг сообщений: 3841
Зарегистрирован: Пн фев 09, 2009 22:19:49
Сообщений: 25340
Откуда: Когда-то был прекрасный город для людей
Рейтинг сообщения: 0
561ЛА7 и транзисторы VT3 -VT6, VT31 - 34.


Вернуться наверх
 
 Заголовок сообщения: Re: Вега 10У120С, валится в защиту левый канал
СообщениеДобавлено: Чт янв 08, 2026 19:01:11 
Нашел транзистор. Понюхал.

Зарегистрирован: Ср апр 17, 2024 20:24:19
Сообщений: 196
Откуда: Курская область,
Рейтинг сообщения: 0
искажения по низким вроде победил поставив одинаковые конденсаторы в блоке питания, а щелчок при выключении остался, но если раньше он был цвырк, то теперь просто щелчок


Последний раз редактировалось Александр 62 Пт янв 09, 2026 08:58:44, всего редактировалось 1 раз.

Вернуться наверх
 
 Заголовок сообщения: Re: Вега 10У120С, валится в защиту левый канал
СообщениеДобавлено: Чт янв 08, 2026 21:21:00 
Друг Кота
Аватар пользователя

Карма: 107
Рейтинг сообщений: 3841
Зарегистрирован: Пн фев 09, 2009 22:19:49
Сообщений: 25340
Откуда: Когда-то был прекрасный город для людей
Рейтинг сообщения: 0
Так при выключении щелчок ? Лопухнулся, прочитал, что при включении.


Вернуться наверх
 
 Заголовок сообщения: Re: Вега 10У120С, валится в защиту левый канал
СообщениеДобавлено: Пт янв 09, 2026 09:01:21 
Нашел транзистор. Понюхал.

Зарегистрирован: Ср апр 17, 2024 20:24:19
Сообщений: 196
Откуда: Курская область,
Рейтинг сообщения: 0
Так при выключении щелчок ? Лопухнулся, прочитал, что при включении.


Да при выключении


Вернуться наверх
 
 Заголовок сообщения: Re: Вега 10У120С, валится в защиту левый канал
СообщениеДобавлено: Пт янв 09, 2026 09:47:17 
Друг Кота
Аватар пользователя

Карма: 107
Рейтинг сообщений: 3841
Зарегистрирован: Пн фев 09, 2009 22:19:49
Сообщений: 25340
Откуда: Когда-то был прекрасный город для людей
Рейтинг сообщения: 0
При выключении не доводилось искать причины, но я бы начал с проверки конденсаторов поблизости и в составе узла защиты, в районе названных выше деталей.
Да и их тоже проверить не мешает.

Схема защиты должна успеть заблокировать тракта усилителей до разряда конденсаторов питания, чтобы не было щелчка.


Вернуться наверх
 
 Заголовок сообщения: Re: Вега 10У120С, валится в защиту левый канал
СообщениеДобавлено: Ср янв 21, 2026 17:42:12 
Нашел транзистор. Понюхал.

Зарегистрирован: Вт июл 12, 2016 11:00:15
Сообщений: 169
Рейтинг сообщения: 1
Кондёры питания- общие на 2 канала, их замена идентично влияет на оба канала.
Прокрутить диоды моста- окись под крепежом.
Проверить кондёр в ОС УМ- или проще заменить все, их там аж 7 шт.
На щёлчок влияет VT7.
Подстроечники промыть. На А3 заменить R35 на постоянный.


Вернуться наверх
 
Показать сообщения за:  Сортировать по:  Вернуться наверх
Начать новую тему Ответить на тему  [ Сообщений: 34 ]    , 2

Часовой пояс: UTC + 3 часа


Вы не можете начинать темы
Вы не можете отвечать на сообщения
Вы не можете редактировать свои сообщения
Вы не можете удалять свои сообщения
Вы не можете добавлять вложения

Найти:
Перейти:  


Powered by phpBB © 2000, 2002, 2005, 2007 phpBB Group
Русская поддержка phpBB
Extended by Karma MOD © 2007—2012 m157y
Extended by Topic Tags MOD © 2012 m157y