Например TDA7294

Форум РадиоКот • Просмотр темы - Ремонт усилителя Одиссей 100у 021.неисправность в защите
Форум РадиоКот
Здесь можно немножко помяукать :)

Текущее время: Вт дек 30, 2025 05:12:31

Часовой пояс: UTC + 3 часа


ПРЯМО СЕЙЧАС:



Начать новую тему Ответить на тему  [ Сообщений: 124 ]    , , 3, , , ,  
Автор Сообщение
Не в сети
 Заголовок сообщения: Re: Ремонт усилителя Одиссей 100у 021.неисправность в защите
СообщениеДобавлено: Ср янв 22, 2025 05:11:02 
Открыл глаза

Зарегистрирован: Сб янв 18, 2025 17:38:33
Сообщений: 50
Откуда: Старый Оскол
Рейтинг сообщения: 0
SSkot, конечно же речь идёт о мили вольтах, я не правильно написал, только все всё поняли так как надо. У меня нет таких приборов, чтоб измерить мега вольты.
Поломка реальная, возбуждение присутствует на обоих каналах и защита срабатывает при указанном напряжении


Вернуться наверх
 
Не в сети
 Заголовок сообщения: Re: Ремонт усилителя Одиссей 100у 021.неисправность в защите
СообщениеДобавлено: Ср янв 22, 2025 10:13:14 
Друг Кота
Аватар пользователя

Карма: 20
Рейтинг сообщений: 31
Зарегистрирован: Сб ноя 05, 2022 18:28:06
Сообщений: 4741
Рейтинг сообщения: 0
Измерения до и в момент ухода в защиту, в указанных точках будут?
Возможно уже приближаясь к 18В. будет видно где начинает меняться напряжения... в схеме защиты.
Было бы интересно, перед самым срабатыванием, увидеть эти изменения..
и сравнить.

_________________
У меня Твёрдая Тройка по русскому, но, даже я иногда, делаю ошибки.


Вернуться наверх
 
Не в сети
 Заголовок сообщения: Re: Ремонт усилителя Одиссей 100у 021.неисправность в защите
СообщениеДобавлено: Ср янв 22, 2025 10:20:41 
Открыл глаза

Зарегистрирован: Сб янв 18, 2025 17:38:33
Сообщений: 50
Откуда: Старый Оскол
Рейтинг сообщения: 0
Да, всё будет. У меня нет постоянного доступа к аппарату, а по вечерам включают глушилки (живу в Белгородской области) и возникают проблемы со связью и инетом.


Вернуться наверх
 
Не в сети
 Заголовок сообщения: Re: Ремонт усилителя Одиссей 100у 021.неисправность в защите
СообщениеДобавлено: Ср янв 22, 2025 10:22:24 
Друг Кота
Аватар пользователя

Карма: 107
Рейтинг сообщений: 3804
Зарегистрирован: Пн фев 09, 2009 22:19:49
Сообщений: 24430
Откуда: Когда-то был прекрасный город для людей
Рейтинг сообщения: 0
С датчиков тока сигнал в первую очередь смотреть тут надо и с выхода их усилителей.
Схема, к сожалению, не для моих глаз уже, чтобы дать название деталей, куда нужно подключаться, уж извините.


Вернуться наверх
 
Эиком - электронные компоненты и радиодетали
Не в сети
 Заголовок сообщения: Re: Ремонт усилителя Одиссей 100у 021.неисправность в защите
СообщениеДобавлено: Ср янв 22, 2025 10:52:04 
Друг Кота
Аватар пользователя

Карма: 20
Рейтинг сообщений: 31
Зарегистрирован: Сб ноя 05, 2022 18:28:06
Сообщений: 4741
Рейтинг сообщения: 0
Муркиз,
Муркиз писал(а):
Схема, к сожалению, не для моих глаз уже,

так по ней кликнуть она в дисплей не влазиет, или ты с тросточкой уже в мониторе щупаешь (тупая шутка).
Вот скрин со схемы на экране -
открыл/клик на неё/ ещё больше станет/ делов-то. короче ты сам знаешь.


Вложения:
osso.png [55.17 KiB]
Скачиваний: 51

_________________
У меня Твёрдая Тройка по русскому, но, даже я иногда, делаю ошибки.
Вернуться наверх
 
Не в сети
 Заголовок сообщения: Re: Ремонт усилителя Одиссей 100у 021.неисправность в защите
СообщениеДобавлено: Ср янв 22, 2025 15:53:54 
Открыл глаза

Зарегистрирован: Сб янв 18, 2025 17:38:33
Сообщений: 50
Откуда: Старый Оскол
Рейтинг сообщения: 0
Произвел измерения, действительно отрабатывает защита по току VT18-19. На их базах нарастает постоянка с каждым щелчком РГ причем на одном канале она выше. Имеем вот, что : сигнал подается на оба канала, нагрузка не подключена

U вых / 1,3В / 2,2В / 4,2В / 5,7В / 8,1В / 9,8В / 11,8В / 14,5В / 17,9В защита на / 22,3В защита
б VT18 / 0,004 /0,042 / 0,125 / 0,188 / 0,29 / 0,36 / 0,45 / 0,56 / 0,7 грани сра- / 0,89 сработала
б VT19 / 0,045 / 0,088 / 0,165 / 0,23 / 0,33 / 0,4 / 0,49 / 0,6 / 0,74 батывания / 0,93

при этом на обоих выходах постоянка составляет 0,01В.
Измерения на КТ11 :

U вых / 5,7В / 8,1В / 9,8В / 11,8В / 14,5В / 18,2- защита отработала.
КТ11 / 4,18В / 4,16 / 4,15 / 4,15 / 4,1 / 3,75

КТ10 ( С32, база VT24 ) до срабатывания защиты 0, после Uвых. 22,3В - КТ10 -0,013В; 28,4В - -0,045В

С нагрузкой 8Ом защита отрабатывает на 1 вольт раньше. Показания те-же. Напряжение питания 55,4В без нагрузки не проседает, с нагрузкой по 8ОМ на каждый канал, при выходном сигнале 18В проседает до 52,3В


Вернуться наверх
 
Не в сети
 Заголовок сообщения: Re: Ремонт усилителя Одиссей 100у 021.неисправность в защите
СообщениеДобавлено: Ср янв 22, 2025 18:29:21 
Друг Кота
Аватар пользователя

Карма: 41
Рейтинг сообщений: 2990
Зарегистрирован: Пн июл 23, 2018 10:36:20
Сообщений: 3487
Откуда: Казань
Рейтинг сообщения: 0
Поломка реальная, возбуждение присутствует на обоих каналах

блок тембров в этом усилителе включен в цепь ОС усилителя мощности, поэтому для определения причины самовозбуждения я бы временно ТБ исключил.

защиту теребонтках при самовозбуде идея не очень, но на плате защиты установлены цепи цобеля, без которых некоторые УМ могут самовозбуждаться.
и самовозбуждение сопровождается генерацией на частотах порядка 10^6 Гц, но не как не в 10^3 как вы писали.

ня бы сверял режимы по постояному напряжегнию со схемой на предмет расхождения более чем на +/-20%.

_________________
ZZZ С Нами Бог ZZZ


Вернуться наверх
 
Не в сети
 Заголовок сообщения: Re: Ремонт усилителя Одиссей 100у 021.неисправность в защите
СообщениеДобавлено: Ср янв 22, 2025 18:51:51 
Друг Кота
Аватар пользователя

Карма: 20
Рейтинг сообщений: 31
Зарегистрирован: Сб ноя 05, 2022 18:28:06
Сообщений: 4741
Рейтинг сообщения: 0
Xander0779 писал(а):
при этом на обоих выходах постоянка составляет 0,01В.
Xander0779 писал(а):
22,3В - КТ10 -0,013В; 28,4В - -0,045В


не совсем понял- не стыкуется "на обоих выходах" это где? Тогда откуда на КТ10 взялось, а на выходах осталось???? Они же связаны.
Или другие выхода?

Я просил на базе VT20 замерить изменения- не увидел в замерах. И на его коллекторе не помешало бы.
Поскольку на КТ10 напряжение может появиться, как я вижу, только после открывания VT20 через VT23-вангую, это может показать замер на его эмитере должно показать около 0.7В.

Вопрос что делать? На выходе 4.7к настраивать ???? или симметрию.... не знаю
SSkot писал(а):
я бы временно ТБ исключил.

Так он, вроде говорил что, без него настраивает???


Вложения:
OS.png [139.95 KiB]
Скачиваний: 48

_________________
У меня Твёрдая Тройка по русскому, но, даже я иногда, делаю ошибки.
Вернуться наверх
 
Не в сети
 Заголовок сообщения: Re: Ремонт усилителя Одиссей 100у 021.неисправность в защите
СообщениеДобавлено: Ср янв 22, 2025 21:18:16 
Открыл глаза

Зарегистрирован: Сб янв 18, 2025 17:38:33
Сообщений: 50
Откуда: Старый Оскол
Рейтинг сообщения: 0
Напряжение выхода снимал с катушек, чтоб избежать потерю сигнала при размыкании реле.
Перемерил напряжение ещё раз и обнаружил, что постоянка на выходе, всё же появляется, но это заметно когда защита находится на грани срабатывания ( само включится- выключится, не отсекаясь до конца) и только в этот момент улавливается 250мВ на выходе. При сработанной защите на выходе 0.
На коллекторе VT20 при увеличении сигнала напряжение полднимается, перед срабатыванием, достигает 250мВ. Открытием VT20,23 управляют VT18,19 которые срабатывают от превышения напряжения на их переходе БЭ.
Значит Надо копать усилитель. Обнаружил, что на КТ5 0.31В а на КТ6. 0.51 На КТ5 , как-то маловато.
Замеры произвожу с выключенным ТБ, все регуляторы в среднем положении. Можно попробовать, сигнал подавать сразу на вход усилителя.


Вернуться наверх
 
Не в сети
 Заголовок сообщения: Re: Ремонт усилителя Одиссей 100у 021.неисправность в защите
СообщениеДобавлено: Ср янв 22, 2025 21:54:15 
Друг Кота
Аватар пользователя

Карма: 20
Рейтинг сообщений: 31
Зарегистрирован: Сб ноя 05, 2022 18:28:06
Сообщений: 4741
Рейтинг сообщения: 0
МЕХАНИКД писал(а):
???? или симметрию..
Xander0779 писал(а):
Обнаружил, что на КТ5 0.31В а на КТ6. 0.51 На КТ5 , как-то маловато.


А это для чего? Наверное выравнивать между точками 5 и6 ???
Выравнивай...


Вложения:
osos.png [58.93 KiB]
Скачиваний: 51

_________________
У меня Твёрдая Тройка по русскому, но, даже я иногда, делаю ошибки.
Вернуться наверх
 
Не в сети
 Заголовок сообщения: Re: Ремонт усилителя Одиссей 100у 021.неисправность в защите
СообщениеДобавлено: Вт фев 11, 2025 14:57:39 
Открыл глаза

Зарегистрирован: Сб янв 18, 2025 17:38:33
Сообщений: 50
Откуда: Старый Оскол
Рейтинг сообщения: 0
Всех приветствую!
Добрался я , всетаки , до аппарата. Проделал несколько манипуляций, поигрался с резисторами R55,57 , поменял VT3, добился в КТ5 0,57В, в КТ6 0,54В. Тоже самое во втором канале. Заменил один эмитерный резистор VT16 (оказался с большим сопротивлением). Все напряжения (согласно схемы) в пределах нормы, только в эмитерах выходников нет 0,03В. В одном из каналов на 8102 скачет от 0,01 до 0,02 на 8101 в пределах 0,001- 0,08, в другом канале на 8102 до 0,015 на 8101 до 0.005. На точках 19, 42 0,003В. Тут все выровнялось но ситуация с защитой осталась прежней. При достижении выходным сигналолм 18,3В срабатывает защита. Происходит следующее: При достижении переменки на выходе 18,3В на точках 19 и 42 постоянка достигает +0,72В ( начинает звенеть реле но еще не срабатывает) на эмитерах выходников все те-же показания ( 0,02; 0,005) При последующем щелчке регулятором громкости переменка на выходе 22,8 ( срабатывает защита) на выходе наблюдается скачок постоянки ( в момент срабатывания реле) 0,07В, на точках 19;42 постоянка вырастает до + 0,92В (одинаково на обоих каналах)на эмитерах все по прежнему. На эмитерах VT18-19, при +0,72на базе, наблюдаются скачки постоянки от -0,002 до -0,01В при постоянке +0,92 на базе, на эмитере +0,02. А вот между VD7 и R65 (VD8 и R66) возникает постоянка -7,3 В и -9,2В соответственно увеличению на базах VT18 (19).
Куда дальше двигаться и что копать не придумал.


Вернуться наверх
 
Не в сети
 Заголовок сообщения: Re: Ремонт усилителя Одиссей 100у 021.неисправность в защите
СообщениеДобавлено: Ср фев 12, 2025 12:17:42 
Друг Кота
Аватар пользователя

Карма: 20
Рейтинг сообщений: 31
Зарегистрирован: Сб ноя 05, 2022 18:28:06
Сообщений: 4741
Рейтинг сообщения: 0
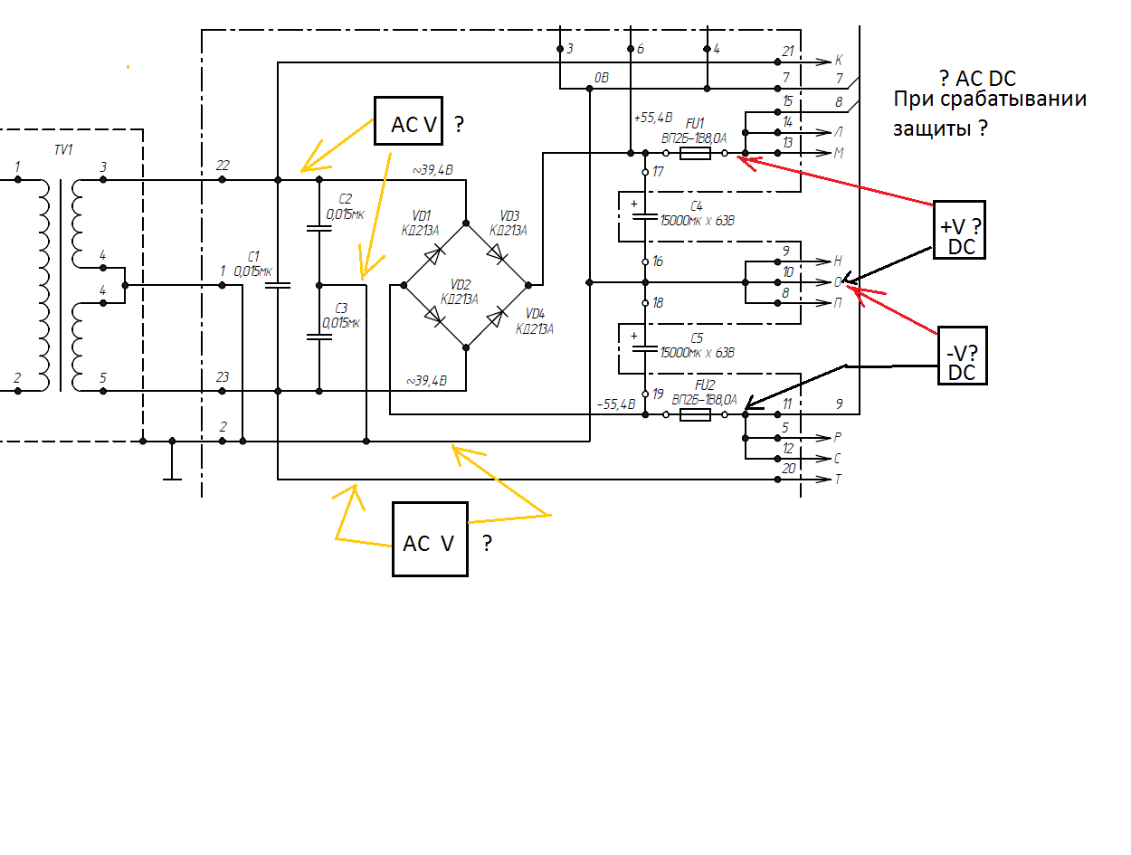
Все замеры указать на схеме, в точках замера, чтоб не рыскать между словами и схемой.
Меньше слов, работать со схемой. Только выводы и соображения, а замеры указывать на схеме!!!

В схеме защиты + 53В после диодов ещё замерь после срабатывания защиты.
Остальное по схеме.
С4 и С5 проверял- менял? 15000мкФ.
ESR?


Вложения:
Power_3 AC.png [67.75 KiB]
Скачиваний: 30
Power_2.png [79.09 KiB]
Скачиваний: 35

_________________
У меня Твёрдая Тройка по русскому, но, даже я иногда, делаю ошибки.
Вернуться наверх
 
Не в сети
 Заголовок сообщения: Re: Ремонт усилителя Одиссей 100у 021.неисправность в защите
СообщениеДобавлено: Чт фев 13, 2025 09:58:45 
Открыл глаза

Зарегистрирован: Сб янв 18, 2025 17:38:33
Сообщений: 50
Откуда: Старый Оскол
Рейтинг сообщения: 0
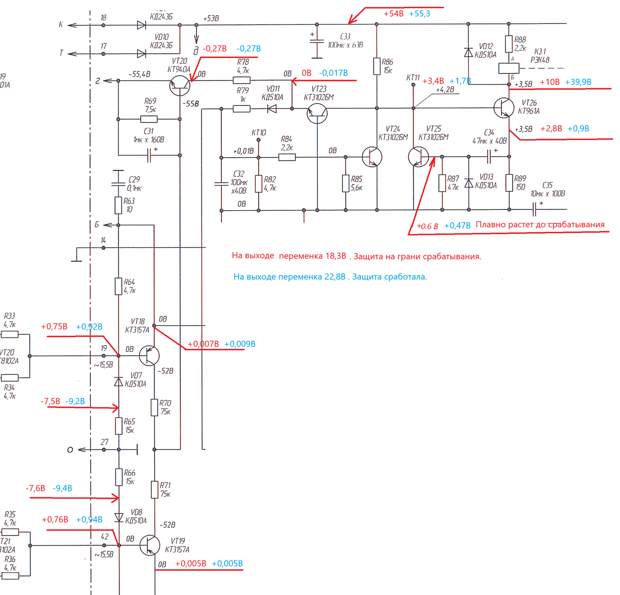
Произвел замеры. В схеме указал напряжения без нагрузки, при срабатывании защиты напряжение питания не падает, 55,6В С нагрузкой 8Ом защита срабатывает на один щелчек РГ раньше ( при 15,6В начинает звенеть реле, при 18,3В отключается, питание проседает до 52,6В . С4 иС5 проверял 14700 и 14860 мкФ


Вложения:
напр. защ..png [244.14 KiB]
Скачиваний: 47
напр мин.png [244.14 KiB]
Скачиваний: 38
Вернуться наверх
 
Не в сети
 Заголовок сообщения: Re: Ремонт усилителя Одиссей 100у 021.неисправность в защите
СообщениеДобавлено: Чт фев 13, 2025 13:37:54 
Друг Кота
Аватар пользователя

Карма: 20
Рейтинг сообщений: 31
Зарегистрирован: Сб ноя 05, 2022 18:28:06
Сообщений: 4741
Рейтинг сообщения: 0
Xander0779,
Круто всё "разрисовал" -теперь надо что-то делать.
Вторую картинку ты не проверил -до моста переменку в средней точке. АС 39,4- Пост выше . И ESR конденсаторов не микрофарады. 15000.
Как я вижу ситуацию, идёт перекос по напряжению, относительно средней точки питания.
Судя по ситуации, надо искать по какой цепи идёт отключение.
Исходя из моего предположения о перекосе напряжения, надо VT25 "выдернуть" и так же проверять как ты и делал.
Замеры теперь уже не надо делать. Только проверить сработает защита или нет без VT25.
Думаю из-за перекоса на его базу приходит напряжение открывания его.
VT23 на базу тоже будет приходить это же напряжения "перекоса" -пока так его назовём.
Но выпаять пока только VT25. Методом исключения.
Потом, исходя из результата, будем дальше "думать".

_________________
У меня Твёрдая Тройка по русскому, но, даже я иногда, делаю ошибки.


Вернуться наверх
 
Не в сети
 Заголовок сообщения: Re: Ремонт усилителя Одиссей 100у 021.неисправность в защите
СообщениеДобавлено: Чт фев 13, 2025 22:20:30 
Открыл глаза

Зарегистрирован: Сб янв 18, 2025 17:38:33
Сообщений: 50
Откуда: Старый Оскол
Рейтинг сообщения: 0
Срабатывание защиты на напряжение переменки и постоянки не влияет. Переменка до и после 41.3В в обоих плечах , постоянка 56В. Защита срабатывает даже без нагрузки. VT25 выпаял.,.. усилитель включается но защита не отключается, горит перегрузка и через несколько секунд начинает звенеть реле. VT 25 служит только для плавного пуска при включении, чтоб избежать щелчка в колонках. Меня тоже насторожило напряжение на его базе , но откуда оно берется понять не могу, как и напряжение в -7,2 вольта между VD7 и R 65 и в противоположном плече так-же. ESR С4-С5. 0,6. Vlos 1,2%


Вернуться наверх
 
Не в сети
 Заголовок сообщения: Re: Ремонт усилителя Одиссей 100у 021.неисправность в защите
СообщениеДобавлено: Чт фев 13, 2025 22:59:33 
Друг Кота
Аватар пользователя

Карма: 20
Рейтинг сообщений: 31
Зарегистрирован: Сб ноя 05, 2022 18:28:06
Сообщений: 4741
Рейтинг сообщения: 0
Xander0779 писал(а):
Защита срабатывает даже без нагрузки. VT25 выпаял.,.. усилитель включается но защита не отключается, горит перегрузка и через несколько секунд начинает звенеть реле. VT 25 служит только для плавного пуска при включении, чтоб избежать щелчка в колонках.


Поясни что ты написал?
Выпаял транзистор- усилитель включается но защита не отключается, горит перегрузка????
Для чего служит VT25 я знаю, в момент включения кратковременно отключать нагрузку.
Ты лучше обьясни что значит- усилитель включается но защита не отключается???? Ничего не пойму, как понимать?
Не срабатывает защита при включеном усилителе или она сработала и не отключается....
Перегрузка гореть может только если реле защиты не включилось. И как это понимать?
Или у тебя наоборот?

А выходные транзисторы не греются?

........

VT 25 пока не впаивай. R88 замени на меньший номинал... 1.2к-1.5к
Раз реле через несколько секунд пытается включиться ( дребезжит) то это значит, что току не хватает. И в момент включения реле должен погаснуть светодиод перегрузки. Если включиться реле, то останется ли включенным и дальше- это интересно.

_________________
У меня Твёрдая Тройка по русскому, но, даже я иногда, делаю ошибки.


Вернуться наверх
 
Не в сети
 Заголовок сообщения: Re: Ремонт усилителя Одиссей 100у 021.неисправность в защите
СообщениеДобавлено: Пт фев 14, 2025 09:47:59 
Открыл глаза

Зарегистрирован: Сб янв 18, 2025 17:38:33
Сообщений: 50
Откуда: Старый Оскол
Рейтинг сообщения: 0
При включении , как и положено горит светодиод перегрузки, через несколько секунд, когда реле должно отключиться оно начинает звенеть и ничего больше Выходные транзисторы не греются. Заменю резистор, отпишусь.
А то, что защита срабатывает даже без нагрузки, это значит, что при поданном сигнале , сразу на оба канала (музыка или сигнал с генератора) подключение нагрузки на выход , роли особой не играет. Защита срабатывает при достижении , 18.3 В на выходе. Разница лишь в том, что с подключенной нагрузкой она отключается в 18,3 В, радиаторы прогреваются в меру, как должно быть, питание проседает до 53,6 В, а без подключенной нагрузки при достижении 18,3 В реле начинает звенеть и отключается в следующем положении регулятора громкости но уже не наблюдается просадки в питании и радиаторы остаются холодными.

Добавлено after 3 hours 29 minutes 52 seconds:
R88 поставил 1,5К .После включения перегрузка гаснет в течении 0,5 сек. При достижении сигнала 18,3 В начинает звенеть реле, при увеличении сигнала звон усиливается но реле не срабатывает полностью. На выходе постоянка 0,005В и 0,003В


Вернуться наверх
 
Не в сети
 Заголовок сообщения: Re: Ремонт усилителя Одиссей 100у 021.неисправность в защите
СообщениеДобавлено: Пт фев 14, 2025 11:44:58 
Друг Кота
Аватар пользователя

Карма: 20
Рейтинг сообщений: 31
Зарегистрирован: Сб ноя 05, 2022 18:28:06
Сообщений: 4741
Рейтинг сообщения: 0
Xander0779 писал(а):
Защита срабатывает при достижении , 18.3 В на выходе. Разница лишь в том, что с подключенной нагрузкой она отключается в 18,3 В, радиаторы прогреваются в меру, как должно быть, питание проседает до 53,6 В,

То что радиаторы холодные- это хорошо.
То что проседает напряжение- это плохо :).
С 56В., как ты писал, после моста. До 53,6В. Разница охеренная. Ну да ладно. Одна из проблем этого усилка один мост,
питание обоих каналов от одного выпрямителя и двух электролитов.
Нужен очень точный подбор режимов ... Тут явно перекос напряжения из-за разного потребления тока в каждом канале. И поэтому вместо нуля на общем проводе появляется плюсовой потенциал, который в итоге и появляется на базе VT5.
И перекос, как мне это видится идёт от разницы усиления обоих каналов. то есть по "переменке". Думаю что надо прослеживать сигнал в обоих каналах по каскадно, начиная до регулятора громкости и дальше до выхода. Сам регулятор громкости тут, может уже разницу давать....
Грязь внутри, короче не регулятор, а сплошные контактные площадки.... выравнивать будет не легко :) .



Xander0779 писал(а):
R88 поставил 1,5К .После включения перегрузка гаснет в течении 0,5 сек. При достижении сигнала 18,3 В начинает звенеть реле, при увеличении сигнала звон усиливается но реле не срабатывает полностью. На выходе постоянка 0,005В и 0,003В


Поскольку просаживается напряжение питания, то и на реле приходит меньше.
Надо подобрать резистор R88 чтоб реле не звенело.
Замерь сперва режимы транзистора VT26 при 18,3 В.. На Базе,коллекторе и эмиттере. Если ничего критичного нет то ставь R88 на 1к и проверь ещё раз как будет реле работать.



Xander0779 писал(а):
но откуда оно берется понять не могу, как и напряжение в -7,2 вольта между VD7 и R 65 и в противоположном плече так-же.

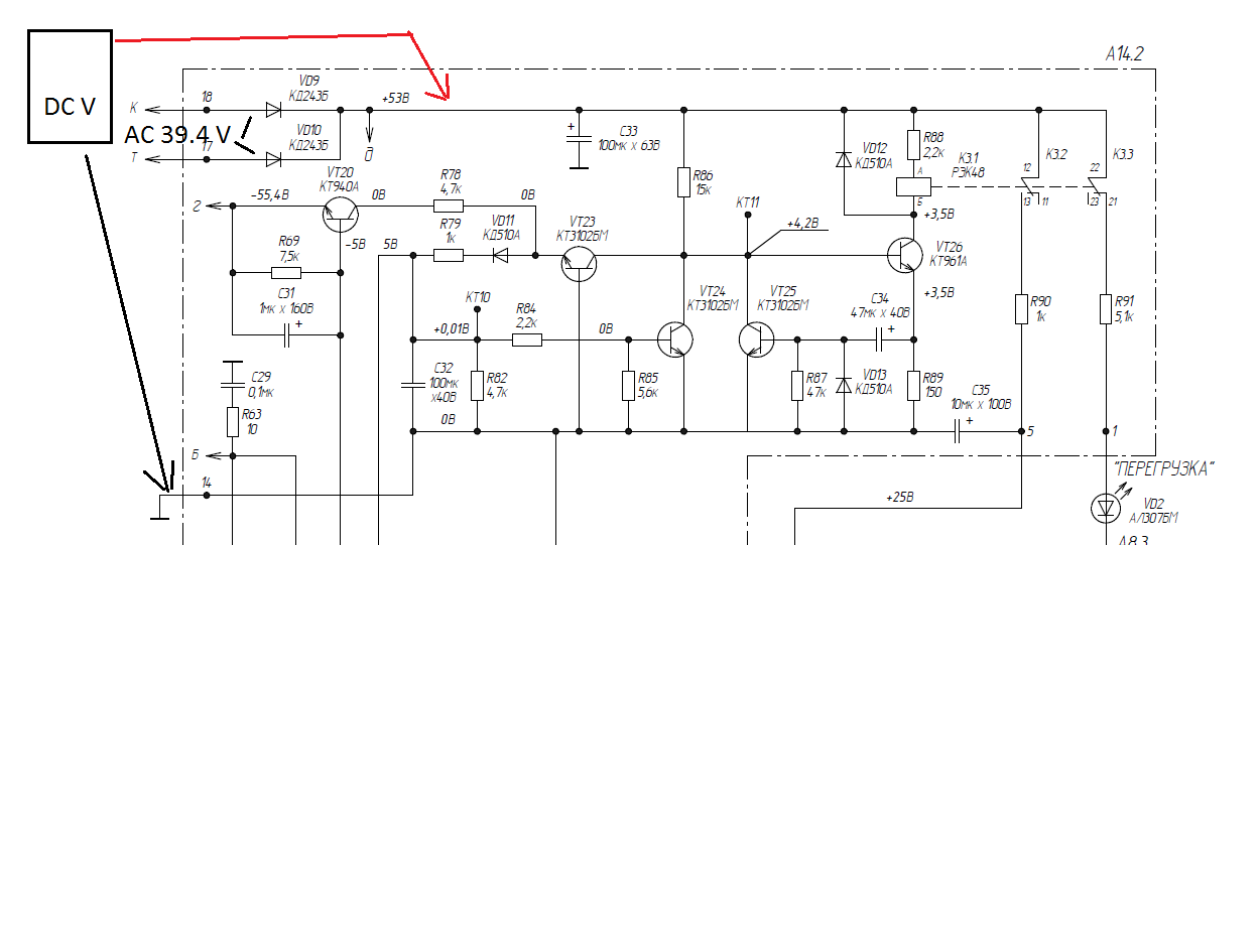
Ты же мериешь напряжения от общего- середины питания, Плюс и Минус 56В. Это значит что на Общем проводе Плюс 7.2 В. Это напряжение и приходит на Базу VT25, через общий провод. А питание защиты идёт от переменки (у тебя 41,3 В.) через два диода VD9, VD10 отдельно от моста.
Поэтому я и просил замерить относительно средней точки конденсаторы, до моста. Может от них уже перекос идёт по переменке.

_________________
У меня Твёрдая Тройка по русскому, но, даже я иногда, делаю ошибки.


Вернуться наверх
 
Не в сети
 Заголовок сообщения: Re: Ремонт усилителя Одиссей 100у 021.неисправность в защите
СообщениеДобавлено: Пт фев 14, 2025 12:42:07 
Открыл глаза

Зарегистрирован: Сб янв 18, 2025 17:38:33
Сообщений: 50
Откуда: Старый Оскол
Рейтинг сообщения: 0
[uquote="МЕХАНИКД",url="/forum/viewtopic.php?p=4682527#p4682527"]
Xander0779 писал(а):
Защита срабатывает при достижении , 18.3 В на выходе. Разница лишь в том, что с подключенной нагрузкой она отключается в 18,3 В, радиаторы прогреваются в меру, как должно быть, питание проседает до 53,6 В,


То что проседает напряжение- это плохо :).
С 56В., как ты писал, после моста. До 53,6В. Разница охеренная. Ну да ладно. Одна из проблем этого усилка один мост,
питание обоих каналов от одного выпрямителя и двух электролитов.
Нужен очень точный подбор режимов ... Тут явно перекос напряжения из-за разного потребления тока в каждом канале. И поэтому вместо нуля на общем проводе появляется плюсовой потенциал, который в итоге и появляется на базе VT5.
И перекос, как мне это видится идёт от разницы усиления обоих каналов. то есть по "переменке". Думаю что надо прослеживать сигнал в обоих каналах по каскадно, начиная до регулятора громкости и дальше до выхода. Сам регулятор громкости тут, может уже разницу давать....
Грязь внутри, короче не регулятор, а сплошные контактные площадки.... выравнивать будет не легко :) .

----------


Напряжение проседает только с резисторами в нагрузке, при пустом выходе защита срабатывает без проседания питания питание остается + - 56 и выше.

Сигнал на обоих каналах одинаковый до РГ 200мВ после , при выходном 18,3 , на одном 102мВ на втором 103мВ, дальше тоже все ровно отслеживал покаскадно. Сейчас ( после регулировки симметрии) даже на точках 19 и 42 ,при увеличении громкости, напряжение повышается равномерно на обоих каналах.
Регулятор разбирал промывал, потертости залил автомобильным лаком, предварительно заклеив контактные площадки, при его вращении не издается шумов ( на экране осцилографа).
Этот усилитель достался мне много лет назад с данной болячкой, но я грешил на то, что подключал 4 Омную акустику, но когда появилась 8 Омная, ничего не изменилось. В один прекрасный день он перестал работать. Мне все удалось востановить и отрегулировать кроме вот этого недуга.


Вернуться наверх
 
Не в сети
 Заголовок сообщения: Re: Ремонт усилителя Одиссей 100у 021.неисправность в защите
СообщениеДобавлено: Пт фев 14, 2025 13:15:16 
Друг Кота
Аватар пользователя

Карма: 20
Рейтинг сообщений: 31
Зарегистрирован: Сб ноя 05, 2022 18:28:06
Сообщений: 4741
Рейтинг сообщения: 0
Xander0779 писал(а):
В один прекрасный день он перестал работать. Мне все удалось востановить и отрегулировать кроме вот этого недуга.


До этого защита работала нормально и не отключалась- до твоего ремонта?
Если так то ищи что ремонтировал и какие детали ставил, как в схеме или "свои- аналоги"

R88 что ?
Ещё раз проверить с 1к. или подобрать до срабатывания реле, при изменившемся питании....
Сперва режимы проверить на VT26...

_________________
У меня Твёрдая Тройка по русскому, но, даже я иногда, делаю ошибки.


Вернуться наверх
 
Показать сообщения за:  Сортировать по:  Вернуться наверх
Начать новую тему Ответить на тему  [ Сообщений: 124 ]    , , 3, , , ,  

Часовой пояс: UTC + 3 часа


Кто сейчас на форуме

Сейчас этот форум просматривают: нет зарегистрированных пользователей и гости: 28


Вы не можете начинать темы
Вы не можете отвечать на сообщения
Вы не можете редактировать свои сообщения
Вы не можете удалять свои сообщения
Вы не можете добавлять вложения

Найти:
Перейти:  


Powered by phpBB © 2000, 2002, 2005, 2007 phpBB Group
Русская поддержка phpBB
Extended by Karma MOD © 2007—2012 m157y
Extended by Topic Tags MOD © 2012 m157y