Например TDA7294

Форум РадиоКот • Просмотр темы - Ремонт Океан-205
Форум РадиоКот
Здесь можно немножко помяукать :)

Текущее время: Пт фев 06, 2026 01:55:32

Часовой пояс: UTC + 3 часа


ПРЯМО СЕЙЧАС:



Начать новую тему Ответить на тему  [ Сообщений: 101 ]    , , , 4, ,  
Автор Сообщение
Не в сети
 Заголовок сообщения: Re: Ремонт Океан-205
СообщениеДобавлено: Пт окт 25, 2019 20:26:15 
Первый раз сказал Мяу!

Зарегистрирован: Ср июл 17, 2019 11:20:35
Сообщений: 22
Рейтинг сообщения: 4
Да дорожки в Океане начинают слезать с гетинакса уже при виде паяльника, до включения его в розетку! :)))
Это да! намаялся пока УМЗЧ чинил :solder:
Enman писал(а):
Иначе по-вашему способу надо проверить все резисторы, все конденсаторы, все индуктивности......А потом
Я воспользовался вашим советом. Нашелся еще конденсатор с оборваным выводом. На блоке УКВ.
gsmart писал(а):
Гетеродин работает?
Теперь точно знаю - работает!!! :)) Скажу больше, вообще заговорил "дедуля"! УРА! На КВ диапазонах удалось прослушать с десяток станций. Причина (помимо всего прочего):
kentgaryk писал(а):
Там надо искать трещину, непропай, обрыв...
на транзисторе Т6 стабилизатора от старости отвалилась пайка одного из выводов. Надо сказать, очень коварно отвалилась. Так сразу и не заметишь. Обратил внимание что корпус транзистора как-то странно "болтается".

Спасибо огромное всем, кто отписался в теме! :beer:

gsmart Индикатор тоже посмотрел. Стрелка при включении отклоняется на максимум, но не зашкаливает. А вот при настройке на станцию, обратно отклоняется очень незначительно. Остается в красном секторе. Может станции такие или еще что ? Как у вас ? Прием на КВ не сказать чтоб уж сильно уверенный, но в целом удовлетворительный. УКВ пока не работает у меня. Не проверить.

_________________
Учиться не стыдно, стыдно оставаться неучем


Вернуться наверх
 
Не в сети
 Заголовок сообщения: Re: Ремонт Океан-205
СообщениеДобавлено: Пт окт 25, 2019 21:33:27 
Друг Кота
Аватар пользователя

Карма: 107
Рейтинг сообщений: 3317
Зарегистрирован: Сб фев 11, 2017 15:59:13
Сообщений: 14894
Откуда: 57 RUS
Рейтинг сообщения: 1
Fedor2019 писал(а):
на транзисторе Т6 стабилизатора от старости отвалилась пайка одного из выводов. Надо сказать, очень коварно отвалилась. Так сразу и не заметишь. Обратил внимание что корпус транзистора как-то странно "болтается".

Проконтролируйте напряжение 4.4В на выходе стабилизатора, при необходимости подстройте. Не стоит выставлять больше 4.4 В, так как радиотракт выходит из режима.
Ещё бывает отгнивают выводы транзисторов с корпусами "в металле", типа МП39, особенно этим страдают приёмники ВЭФ.

Fedor2019 писал(а):
Стрелка при включении отклоняется на максимум, но не зашкаливает. А вот при настройке на станцию, обратно отклоняется очень незначительно. Остается в красном секторе. Может станции такие или еще что ? Как у вас ?

Вот так на моём Океан-209 отклоняется стрелка индикатора при приёме Вести FM (частота 1413 кГц, по шкале в районе 200 метров) на СВ диапазоне (на СВ у нас приём возможен только в тёмное время суток), это одна и самых мощных АМ станций у меня в регионе:
Изображение
Ваш регион не указан в профиле, но в России местных АМ станций нет, а при приёме дальних не будет сильного сигнала.
Да и параметры контуров по прошествии стольких лет могли уплыть, и требуют подстройки, но без опыта крутить контура лучше не лезть.
Fedor2019 писал(а):
Прием на КВ не сказать чтоб уж сильно уверенный, но в целом удовлетворительный.

Своих местных станций на КВ у России нет, а приём дальних станций не будет устойчивым, будут проявлятся замирания сигнала. Может пригодится:
Частотные расписания радиостанций на русском языке:
http://www.novosibdx.info/schedules.html
Fedor2019 писал(а):
УКВ пока не работает у меня. Не проверить.

УКВ практически везде отключили в пользу FM, найдите и посмотрите свой регион на наличие УКВ вещания:
http://radiomap.eu/ru/oryol
Для приёма FM можно использовать УКВ/FM конвертер (купить или собрать самому) или пестроить блок УКВ приёмника на FM.

_________________
НАРОДОВЛАСТИЕ а не кланово-олигархическая дерьмократия!!!
Цифровому рабству, навязываемому цифровым олигархатом - НЕТ!


Вернуться наверх
 
Не в сети
 Заголовок сообщения: Re: Ремонт Океан-205
СообщениеДобавлено: Пт окт 25, 2019 22:42:50 
Друг Кота
Аватар пользователя

Карма: 127
Рейтинг сообщений: 11154
Зарегистрирован: Ср янв 08, 2014 04:21:09
Сообщений: 32325
Откуда: Москва
Рейтинг сообщения: 0
gsmart писал(а):
УКВ практически везде отключили в пользу FM
УКВ и FM это одно и тож, только диапазон немного отличается. И ты это отлично знаешь! :))) Тебя сегодня что, пиндосы покусали в пользу FM? :)))


Вернуться наверх
 
Не в сети
 Заголовок сообщения: Re: Ремонт Океан-205
СообщениеДобавлено: Сб окт 26, 2019 08:53:00 
Первый раз сказал Мяу!

Зарегистрирован: Ср июл 17, 2019 11:20:35
Сообщений: 22
Рейтинг сообщения: 0
gsmart писал(а):
Проконтролируйте напряжение 4.4В на выходе стабилизатора, при необходимости подстройте. Не стоит выставлять больше 4.4 В, так как радиотракт выходит из режима.
Померил = 3.9V там. А как(чем) его подстроить ? :shock:
gsmart писал(а):
Для приёма FM можно использовать УКВ/FM конвертер (купить или собрать самому) или пестроить блок УКВ приёмника на FM.
Да у меня сам блок УКВ "молчит". Конденсатор С8 там оборван. А нужного пока нет :( . Да и думаю все равно на УКВ-ЧМ никого не будет. Все в FM вещают. Но проверю.

_________________
Учиться не стыдно, стыдно оставаться неучем


Вернуться наверх
 
Эиком - электронные компоненты и радиодетали
Не в сети
 Заголовок сообщения: Re: Ремонт Океан-205
СообщениеДобавлено: Сб окт 26, 2019 15:21:47 
Друг Кота
Аватар пользователя

Карма: 107
Рейтинг сообщений: 3317
Зарегистрирован: Сб фев 11, 2017 15:59:13
Сообщений: 14894
Откуда: 57 RUS
Рейтинг сообщения: 0
Fedor2019 писал(а):
Померил = 3.9V там. А как(чем) его подстроить ?

Пардон, 4.4В это я со стабилизатором Океан-209 перепутал, у которого есть подстройка выходного напряжения. У Океан-205 на выходе стабилизатора должно быть фиксированное напряжение в районе 4В, так что у вас всё в норме.

_________________
НАРОДОВЛАСТИЕ а не кланово-олигархическая дерьмократия!!!
Цифровому рабству, навязываемому цифровым олигархатом - НЕТ!


Вернуться наверх
 
Не в сети
 Заголовок сообщения: Re: Ремонт Океан-205
СообщениеДобавлено: Пн янв 13, 2020 22:33:14 
Сверлит текстолит когтями

Зарегистрирован: Сб май 14, 2011 18:24:14
Сообщений: 1165
Откуда: Пермь
Рейтинг сообщения: 0
Я одно заметил, при питании от двух литий 3.7в = 8.1в ток покоя усилителя до 39 ма, а от родного бп приемника зашкаливает за 140 и стоит большой гул, выходник транзисторы тепленькие около 35-40 через 15 минут работы в минимум громкости, температура больше не растет. Но с питанием от акб не регулируется половина напряжения а ток покоя регулируется и мин 20 макс 60 что ли, а от бп мин 100 макс 200ма, но половина напряжения регулируется нормально. Основную плату отключал. Еще кто может подсказать куда подключается стрелка к плате основной? на какой резистор, кондер? А то отпаял и теперь не помню куда припаивать. Если можно лучше фото что бы наглядно было. А то на схемах не понятен, там резистор используется пару килоОм, а его не было в родном приемнике. Уже не знаю какую схему открывать что бы посмотреть куда подключать индикатор стрелочный, везде резистор в оригинале его вроде бы нету.
В моем экземпляре выход стабилизатора около 9.56в. Без нагрузки 10в. Все кондеры новые стоят. Остальное родное. Еще при токе 150ма нагревается транзистор блока питания, не много горячий, тракт плата потребляет мало.
На днях запишу видео.


Последний раз редактировалось Netu.tima Пн янв 13, 2020 23:02:07, всего редактировалось 1 раз.

Вернуться наверх
 
Не в сети
 Заголовок сообщения: Re: Ремонт Океан-205
СообщениеДобавлено: Пн янв 13, 2020 23:01:56 
Друг Кота
Аватар пользователя

Карма: 107
Рейтинг сообщений: 3317
Зарегистрирован: Сб фев 11, 2017 15:59:13
Сообщений: 14894
Откуда: 57 RUS
Рейтинг сообщения: 0
Netu.tima писал(а):
Я одно заметил, при питании от двух литий 3.7в = 8.1в ток покоя усилителя до 39 ма, а от родного бп приемника зашкаливает за 140 и стоит большой гул

Лампочки подсветки не меняли, они там на мизерный ток 0,068А стоят последовательно, а то лампы могли поставить от фонариков, на большой ток, вот они и перегружают блок питания.
Netu.tima писал(а):
выходник транзисторы тепленькие около 35-40 через 15 минут работы в минимум громкости, температура больше не растет. Но с питанием от акб не регулируется половина напряжения а ток покоя регулируется и мин 20 макс 60 что ли, а от бп мин 100 макс 200ма, но половина напряжения регулируется нормально.

Возможно транзисторы УНЧ в утечки, или полярность электр лита попутали, вот и имеет место повышенный ток покоя, как следствие невозможность его уменьшить, и выставить половинку питания в средней точки, выложите схему вашего УНЧ, а то они имели разные схемы в зависимости от года выпуска.
Netu.tima писал(а):
Еще кто может подсказать куда подключается стрелка к плате основной? на какой резистор, кондер? А ито отпаял и теперь не помню куда припаивать. Если можно лучше фото что бы наглядно было

Ну а тут фото не смотрели:
http://rw6ase.narod.ru/00/rp_p1/okean205.html
Netu.tima писал(а):
В моем экземпляре выход стабилизатора около 9.56в. Без нагрузки 10в. Все кондеры новые стоят.

Полярность электролитов не перепутали? У Океан-20х общий провод (корпус, земля, масса, шасси) плюс, а не минус.

_________________
НАРОДОВЛАСТИЕ а не кланово-олигархическая дерьмократия!!!
Цифровому рабству, навязываемому цифровым олигархатом - НЕТ!


Последний раз редактировалось gsmart Пн янв 13, 2020 23:10:38, всего редактировалось 1 раз.

Вернуться наверх
 
Не в сети
 Заголовок сообщения: Re: Ремонт Океан-205
СообщениеДобавлено: Пн янв 13, 2020 23:10:07 
Сверлит текстолит когтями

Зарегистрирован: Сб май 14, 2011 18:24:14
Сообщений: 1165
Откуда: Пермь
Рейтинг сообщения: 0
Нет не путал, лампочки и все остальное отключено, полярность не путал, у усилителя плюс у всех семи электролитов с одной стороны которые были сигарообразной формы. Утечка возможно есть но при бп только, но половина питания то регулируется.


Вложения:
Рис1.jpg [220.65 KiB]
Скачиваний: 1071
Рис.jpg [246.6 KiB]
Скачиваний: 3180
Вернуться наверх
 
Не в сети
 Заголовок сообщения: Re: Ремонт Океан-205
СообщениеДобавлено: Пн янв 13, 2020 23:26:52 
Друг Кота
Аватар пользователя

Карма: 107
Рейтинг сообщений: 3317
Зарегистрирован: Сб фев 11, 2017 15:59:13
Сообщений: 14894
Откуда: 57 RUS
Рейтинг сообщения: 0
Netu.tima писал(а):
Утечка возможно есть но при бп только, но половина питания то регулируется.

Общий потребляемый ток приёмника от БП должен быть в районе 18-22 mА. А у вам он 100 mА, значит ищите неисправный элемент в УНЧ.
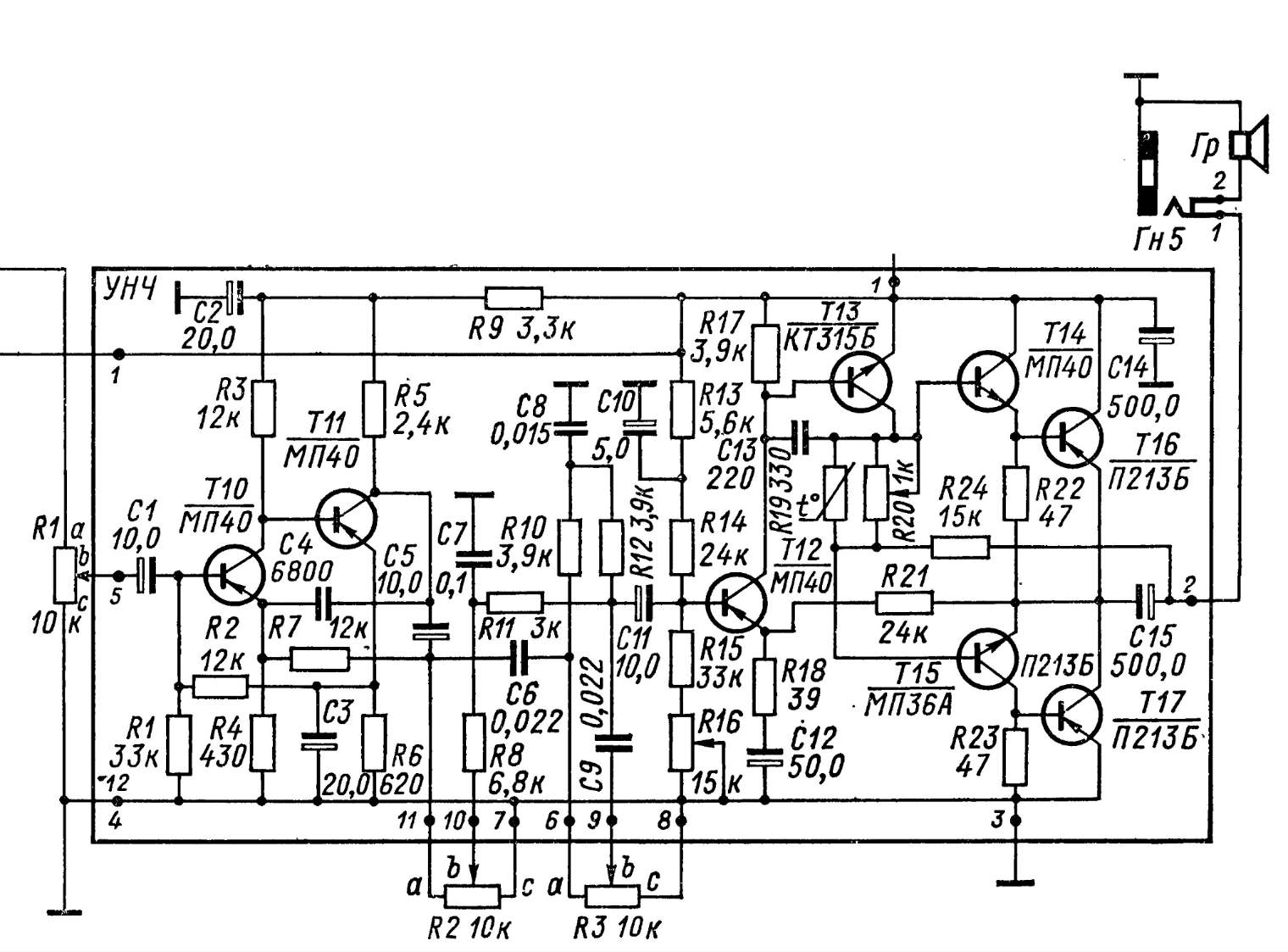
Выложите картинкой схему УНЧ вашего приёмника, подскажу что подкорректировать для снижения тока покоя.

Добавлено after 3 minutes 46 seconds:
Ага, схема УНЧ есть, час гляну.
СпойлерИзображение
Изображение

_________________
НАРОДОВЛАСТИЕ а не кланово-олигархическая дерьмократия!!!
Цифровому рабству, навязываемому цифровым олигархатом - НЕТ!


Вернуться наверх
 
Не в сети
 Заголовок сообщения: Re: Ремонт Океан-205
СообщениеДобавлено: Пн янв 13, 2020 23:28:34 
Сверлит текстолит когтями

Зарегистрирован: Сб май 14, 2011 18:24:14
Сообщений: 1165
Откуда: Пермь
Рейтинг сообщения: 0
Да я ток крутил от мин до макс картина не меняется когда питание от собственного бп, при прослушивании музыки на мин и макс регуляторе тока покоя появляются большие искажения и хрипы, выставил середину тока покоя. Грешу на утечку транзисторов, с питанием от акб все нормально с токами. Плечи получилось 4.48в от плюса питания, от минуса 4.82в. Позже попробую как вы советовали.
От бп идет сильный гул, кондеры менял, осталась утечка транзисторов?
Придет осциллограф замерю блок питания, остался вопрос, у бп масса это плюс питания, если осциллограф usb , можно будет соединиться с бп?


Вернуться наверх
 
Не в сети
 Заголовок сообщения: Re: Ремонт Океан-205
СообщениеДобавлено: Пн янв 13, 2020 23:42:22 
Друг Кота
Аватар пользователя

Карма: 107
Рейтинг сообщений: 3317
Зарегистрирован: Сб фев 11, 2017 15:59:13
Сообщений: 14894
Откуда: 57 RUS
Рейтинг сообщения: 0
Как там резистор термокомпенсации R19 поживает?
Проверте прибором с транзистортестером типа ТЛ4М:
Изображение
токи утечки, или подкинте заведомо исправные Т12, Т14, Т15, у какого либо от времени кристал мог деградировать.
Если их нет в запасе, то поменяйте Т10 и Т11 местами с Т12 и Т14.
Если не поможет, так-же проверте прибором с транзистортестером типа ТЛ-4М на утечку, или замените на заведомоисправные выходные Т16, Т17.
Netu.tima писал(а):
остался вопрос, у бп масса это плюс питания, если осциллограф usb , можно будет соединиться с бп?

Можно, без разницы что на массе, плюс или минус.

_________________
НАРОДОВЛАСТИЕ а не кланово-олигархическая дерьмократия!!!
Цифровому рабству, навязываемому цифровым олигархатом - НЕТ!


Последний раз редактировалось gsmart Пн янв 13, 2020 23:50:47, всего редактировалось 1 раз.

Вернуться наверх
 
Не в сети
 Заголовок сообщения: Re: Ремонт Океан-205
СообщениеДобавлено: Пн янв 13, 2020 23:48:56 
Сверлит текстолит когтями

Зарегистрирован: Сб май 14, 2011 18:24:14
Сообщений: 1165
Откуда: Пермь
Рейтинг сообщения: 0
Еще бы был стрелочный советский. Таких ТЛ-4М не купишь.


Вернуться наверх
 
Не в сети
 Заголовок сообщения: Re: Ремонт Океан-205
СообщениеДобавлено: Пн янв 13, 2020 23:59:34 
Друг Кота
Аватар пользователя

Карма: 107
Рейтинг сообщений: 3317
Зарегистрирован: Сб фев 11, 2017 15:59:13
Сообщений: 14894
Откуда: 57 RUS
Рейтинг сообщения: 0
Netu.tima писал(а):
Еще бы был стрелочный советский

Ну новодельныыми электронными транзистор-тестерами германиевые транзисторы не прозвонишь, с их бешенными разитными токами утечки.
Если есть стрелочный тестер, то можно собрать такую схемку:
СпойлерИзображение
Изображение

_________________
НАРОДОВЛАСТИЕ а не кланово-олигархическая дерьмократия!!!
Цифровому рабству, навязываемому цифровым олигархатом - НЕТ!


Вернуться наверх
 
Не в сети
 Заголовок сообщения: Re: Ремонт Океан-205
СообщениеДобавлено: Вт янв 14, 2020 00:03:16 
Друг Кота
Аватар пользователя

Карма: 127
Рейтинг сообщений: 11154
Зарегистрирован: Ср янв 08, 2014 04:21:09
Сообщений: 32325
Откуда: Москва
Рейтинг сообщения: 0
В Океане очень простой УНЧ и очень говняный источник питания включая трансформатор. Я бы подал с внешнего нормального ЛБП 9-10В и проверил как будет работать. Если без изменений тогда уже усилитель ковырять. Гетинакс океанический это пиздец просто, двух шансов на перепайку деталей он не даст!


Вернуться наверх
 
Не в сети
 Заголовок сообщения: Re: Ремонт Океан-205
СообщениеДобавлено: Вт янв 14, 2020 12:15:53 
Сверлит текстолит когтями

Зарегистрирован: Сб май 14, 2011 18:24:14
Сообщений: 1165
Откуда: Пермь
Рейтинг сообщения: 0
Оба подстроечника по краске около 20ма, записал видео при закороченном входе и регулировки подстроечников. С R16 регулируется резко а с R20 плавнее но на много меньше, можно только подстроить чуть-чуть. Динамик шуршит если регулировать R16. https://yadi.sk/i/OPzpoZ_Oj5hONw
Когда усилитель ставил на место видимо не так спаял массу питания и ток был большой что грело транзисторы выходного каскада унч и транзистор бп.
на камеру шум в динамике не передается. он ели слышен ухом.
R16 выставляет половину напряжения а R20 ток покоя, выставил половину, осталось ток, не могу прогреть, подскажите как прогреть? Дать синус 1 килогерц через телефон и на выход резистор 4 ом?
На минимальном токе покоя усилителя (выкручен R20 на минимум) ток всего приемника 14ма. А номинальный ток не могу найти сколько должно быть.


Вернуться наверх
 
Не в сети
 Заголовок сообщения: Re: Ремонт Океан-205
СообщениеДобавлено: Вт янв 14, 2020 18:38:31 
Друг Кота
Аватар пользователя

Карма: 107
Рейтинг сообщений: 3317
Зарегистрирован: Сб фев 11, 2017 15:59:13
Сообщений: 14894
Откуда: 57 RUS
Рейтинг сообщения: 0
Netu.tima писал(а):
Когда усилитель ставил на место видимо не так спаял массу питания и ток был большой что грело транзисторы выходного каскада унч и транзистор бп.

Мдя. Дело было не в бабине.... ;)
Netu.tima писал(а):
R16 выставляет половину напряжения а R20 ток покоя, выставил половину, осталось ток, не могу прогреть, подскажите как прогреть?

Включить любую вещалку на средней громкости минут на 15ть.
Netu.tima писал(а):
На минимальном токе покоя усилителя (выкручен R20 на минимум) ток всего приемника 14ма. А номинальный ток не могу найти сколько должно быть.

На сколько помню по мануалу, номинальный ток приёмника в режиме громкость в ноль не должен превышать 25 mА.
Час померил общий ток покоя на своём Океане, в режиме "тишина" с отключенной подсветкой при напряжении питания 9V на диапазонах ДВ/СВ/КВ - 19mА, УКВ - 21 mА.
С включенной подсветкой ток поднимается до 81 mA.

_________________
НАРОДОВЛАСТИЕ а не кланово-олигархическая дерьмократия!!!
Цифровому рабству, навязываемому цифровым олигархатом - НЕТ!


Вернуться наверх
 
Не в сети
 Заголовок сообщения: Re: Ремонт Океан-205
СообщениеДобавлено: Ср янв 15, 2020 00:06:39 
Сверлит текстолит когтями

Зарегистрирован: Сб май 14, 2011 18:24:14
Сообщений: 1165
Откуда: Пермь
Рейтинг сообщения: 0
У меня на одной станции УКВ нашло радио орфей что ли, очень громко с искажениями но чисто без помех. Стрелка отклонилась всего на середину что мало для такого качества сигнала. Видимо надо настраивать контура. Дать громкость больше чем 1% не могу, так орать начинает, это ужас. Так только на одной станции в режиме УКВ, АПЧ не работает или не настроены контура. Пошевелил все детали результата ни какого. Стрелка не много отклоняется к красной зоне. ток выставил 25 на всех ДВ, КВ, СВ волнах.
На УКВ крутили один контур L5.


Вернуться наверх
 
Не в сети
 Заголовок сообщения: Re: Ремонт Океан-205
СообщениеДобавлено: Ср янв 15, 2020 00:58:13 
Друг Кота
Аватар пользователя

Карма: 127
Рейтинг сообщений: 11154
Зарегистрирован: Ср янв 08, 2014 04:21:09
Сообщений: 32325
Откуда: Москва
Рейтинг сообщения: 0
Подкрутка контуров без знаний и при отсутствии ГСС будет последним добивающем ударом! Ну пожалей ты старика! :evil:

Добавлено after 31 minute 19 seconds:
Netu.timaВопросы по теме пиши в тему, а не в личку. Г4-116 вроде с 4МГц начинается. УПЧ 465кГц настроить не удастся. Да и генераторы эти без частотомера не дадут точного значения частот. Понадобится еще частотомер, навряд ли оно того стоит.


Вернуться наверх
 
Не в сети
 Заголовок сообщения: Re: Ремонт Океан-205
СообщениеДобавлено: Ср янв 15, 2020 09:42:41 
Друг Кота
Аватар пользователя

Карма: 107
Рейтинг сообщений: 3317
Зарегистрирован: Сб фев 11, 2017 15:59:13
Сообщений: 14894
Откуда: 57 RUS
Рейтинг сообщения: 0
Netu.tima писал(а):
Стрелка отклонилась всего на середину что мало для такого качества сигнала. Видимо надо настраивать контура.

Сначала АРУ отрегулируй, прежде чем контура крутить.

Netu.tima писал(а):
АПЧ не работает или не настроены контура.

Как не работает, что происходит при нажатии на кнопку АПЧГ? Ноль при точной настройки на станцию на выходе ЧМ детектора есть?:
http://www.radteh.ru/radiopriyomniki/70.html
Netu.tima писал(а):
Пошевелил все детали результата ни какого.

Напомнило анекдот :)))
- Машина заглохла.
- А по колесу стучал?
- Стучал.
- А фары протирал?
- Протирал.
- Ну тогда хер его знает.
Netu.tima писал(а):
На УКВ крутили один контур L5.

Кто крутил, зачем?
kentgaryk писал(а):
Подкрутка контуров без знаний и при отсутствии ГСС будет последним добивающем ударом!

Уже не раз писал, в качестве ВЧ генератора для подстройки контуров можно использовать второй исправный супергетеродинный приёмник, принимая сигнал его гетеродина, так-же второй приёмник можно использовать в качестве частотометра:
Спойлер
gsmart писал(а):
За неимением ВЧ генератора для настройки АМ приёмников можно использовать любой старый бытовой супергетеродинный приёмник (не современный DSP), желательно с сплошным диапазоном, типа такого:
Изображение
Просто включаете его и ставите рядом как можно ближе с настраиваемым приёмником и ловите сигнал его гетеродина. Частота гетеродина будет выше частоты принимаемой станции выбранной на шкале приёмника на частоту ПЧ, у Советских АМ супергетеродинов ПЧ 456 кГц, импортных 455 кГц.
Пример - включаете рабочий супергетеродинный приёмник допустим на средние волны, настраиваете его по шкале примерно в районе 300 метров (1000 кГц), ставите рядом приёмник требующий настройки контуров, включаете на нём тоже средние волны и ловите им гетеродин первого исправного приёмника, он должен пойматся в районе 200 метров (1465 кГц), на выход АМ детекта цепляете стрелочный тестер, и по максимальному отклонению стрелки подстраиваете входные контура и контура блока ПЧ, результаты настройки получаются вполне себе удолетворительные.
Так-же второй приёмник можно использовать как частотометр, принимая сигнал гетеродина ремонтируемого приёмника.

Для оценки исправности блока
ПЧ приёмника можно поднести к нему пульт от телевизора и понажимать на нём кнопки, при исправном радиотракте будут слышны в динамике импульсы с пульта.

_________________
НАРОДОВЛАСТИЕ а не кланово-олигархическая дерьмократия!!!
Цифровому рабству, навязываемому цифровым олигархатом - НЕТ!


Вернуться наверх
 
Не в сети
 Заголовок сообщения: Re: Ремонт Океан-205
СообщениеДобавлено: Ср янв 15, 2020 12:16:24 
Сверлит текстолит когтями

Зарегистрирован: Сб май 14, 2011 18:24:14
Сообщений: 1165
Откуда: Пермь
Рейтинг сообщения: 0
Крутил хозяин а не я, я такой приобрел на половину рабочий.


Вернуться наверх
 
Показать сообщения за:  Сортировать по:  Вернуться наверх
Начать новую тему Ответить на тему  [ Сообщений: 101 ]    , , , 4, ,  

Часовой пояс: UTC + 3 часа


Кто сейчас на форуме

Сейчас этот форум просматривают: нет зарегистрированных пользователей и гости: 15


Вы не можете начинать темы
Вы не можете отвечать на сообщения
Вы не можете редактировать свои сообщения
Вы не можете удалять свои сообщения
Вы не можете добавлять вложения

Найти:
Перейти:  


Powered by phpBB © 2000, 2002, 2005, 2007 phpBB Group
Русская поддержка phpBB
Extended by Karma MOD © 2007—2012 m157y
Extended by Topic Tags MOD © 2012 m157y