Например TDA7294

Форум РадиоКот • Просмотр темы - Усилитель Вега 50у-122с повторно включается при отключении
Форум РадиоКот
Здесь можно немножко помяукать :)

Текущее время: Вт янв 27, 2026 10:07:39

Часовой пояс: UTC + 3 часа


ПРЯМО СЕЙЧАС:



Начать новую тему Ответить на тему  [ Сообщений: 17 ] 
Автор Сообщение
Не в сети
 Заголовок сообщения: Усилитель Вега 50у-122с повторно включается при отключении
СообщениеДобавлено: Ср сен 20, 2023 14:08:17 
Родился

Карма: 4
Рейтинг сообщений: 4
Зарегистрирован: Ср сен 20, 2023 13:37:24
Сообщений: 11
Рейтинг сообщения: 0
Доброго дня Всем!
Пред история, Вега 50у-122с в плачевном состоянии, со следами неудачных ремонтов. Восстановлена до состояния включил и слушай. Но одно но, при отключении надо держать кнопку выкл. 3-4 секунды. Если отпустить раньше, то усилитель снова включается. Орентиром времени отпускания служат индикаторы перегрузки которые горят примерно это же время. Погасли можно отпускать кнопку. Прошу помощи. Заранее спасибо.


Вернуться наверх
 
Не в сети
 Заголовок сообщения: Re: Усилитель Вега 50у-122с повторно включается при отключен
СообщениеДобавлено: Ср сен 20, 2023 18:51:45 
Друг Кота
Аватар пользователя

Карма: 127
Рейтинг сообщений: 6124
Зарегистрирован: Вс дек 25, 2011 18:43:00
Сообщений: 24323
Откуда: г.Москва
Рейтинг сообщения: 0
..проверь распайку размыкающих контактов КУЦ-1 на плате коммутации сети - возможно, перепутаны местами контакты 7 и 8.. :tea:


Вернуться наверх
 
Не в сети
 Заголовок сообщения: Re: Усилитель Вега 50у-122с повторно включается при отключен
СообщениеДобавлено: Ср сен 20, 2023 19:37:02 
Друг Кота
Аватар пользователя

Карма: 107
Рейтинг сообщений: 3816
Зарегистрирован: Пн фев 09, 2009 22:19:49
Сообщений: 24703
Откуда: Когда-то был прекрасный город для людей
Рейтинг сообщения: 0
А разве выключаться он должен без задержки ?


Вернуться наверх
 
В сети
 Заголовок сообщения: Re: Усилитель Вега 50у-122с повторно включается при отключен
СообщениеДобавлено: Ср сен 20, 2023 21:11:54 
Друг Кота
Аватар пользователя

Карма: 59
Рейтинг сообщений: 2233
Зарегистрирован: Чт янв 26, 2012 16:44:29
Сообщений: 19742
Откуда: Таксимо
Рейтинг сообщения: 0
Если это ааа, то там счетчик хитрый стоит, проверяй его

_________________
Мои поставщики запчастей с отличной репутацией
texnomag.ru
radioremont.com
pl-1.org
4ip.info
elitan.ru


Вернуться наверх
 
Эиком - электронные компоненты и радиодетали
Не в сети
 Заголовок сообщения: Re: Усилитель Вега 50у-122с повторно включается при отключен
СообщениеДобавлено: Чт сен 21, 2023 05:41:38 
Родился

Карма: 4
Рейтинг сообщений: 4
Зарегистрирован: Ср сен 20, 2023 13:37:24
Сообщений: 11
Рейтинг сообщения: 0
Доброго дня всем! Вега с ААА.
1) Проводку к КУЦ проверил все соответствует;
2) Задержка на включение точно есть (защита от хлопков) на время переходного периода. vt39, на плате а15 и vt3, vt4 на плате а2. Воздействует на УН. Она же видимо и на отключение работает, что бы не было хлопка в ДГ. Задержку на включение я регулировал уменьшая емкость с29 в блоке а2. На время отключения не влияет;
3) счетчик это dd2 в блоке коммутации? Отключение усилителя после пропадания сигнала. У него есть связь с блоком защиты. Не проверял пока его работоспособность. Включать усилитель он не запрещает. В этом блоке горела dd1, я ее менял и dd2 за одно(пробой по +15 В). На выводе 10 dd2 устойчивая генерация. Хотя сигнал больше пилу напоминает.

lДополню: После 10 минут простоя, начали поочередно моргать перегрузка и светодиод выбранного канала. Еще через 10 минут выключился и сразу включился в рабочий режим.


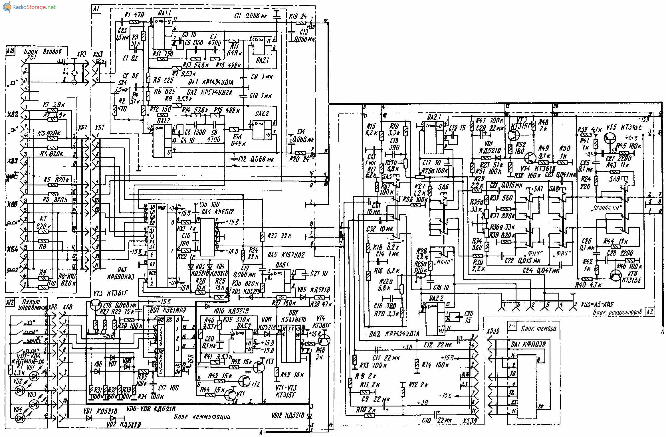
Схему самую похожую прикрепил. Качество не очень и не соответствует немного, но думаю все понятно.


Вложения:
Комментарий к файлу: Вега 50у-122с
201.png [139.05 KiB]
Скачиваний: 95
Комментарий к файлу: Вега 50у-122с
200.png [156.86 KiB]
Скачиваний: 82


Последний раз редактировалось fikssn Чт сен 21, 2023 06:09:51, всего редактировалось 1 раз.
Вернуться наверх
 
В сети
 Заголовок сообщения: Re: Усилитель Вега 50у-122с повторно включается при отключен
СообщениеДобавлено: Чт сен 21, 2023 06:07:40 
Друг Кота
Аватар пользователя

Карма: 59
Рейтинг сообщений: 2233
Зарегистрирован: Чт янв 26, 2012 16:44:29
Сообщений: 19742
Откуда: Таксимо
Рейтинг сообщения: 0
Мб питание логики конденсатор высох и при отключении куц резко питание пропадает и сбррс происходит. Запитай логику от отлельного питальника

_________________
Мои поставщики запчастей с отличной репутацией
texnomag.ru
radioremont.com
pl-1.org
4ip.info
elitan.ru


Вернуться наверх
 
Не в сети
 Заголовок сообщения: Re: Усилитель Вега 50у-122с повторно включается при отключен
СообщениеДобавлено: Чт сен 21, 2023 15:57:25 
Родился

Карма: 4
Рейтинг сообщений: 4
Зарегистрирован: Ср сен 20, 2023 13:37:24
Сообщений: 11
Рейтинг сообщения: 0
Мб питание логики конденсатор высох и при отключении куц резко питание пропадает и сбррс происходит. Запитай логику от отлельного питальника
попробую. Конденсторы эл.литические заменены кроме 10000Х50В. Отключение после пропадани сигнала проверил. Через 10 минут начинает моргать светодиоды перегрузки и выбранного канала. Еще через 10 минут усилитель выключается и сразу включается в рабочий режим.

Сильно смущает напряжение на колекторе vt10 0.9В должно быть 0.

Добавлено after 3 hours 40 minutes 14 seconds:
Re: Усилитель Вега 50у-122с повторно включается при отключении
Попробовал отключить от платы коммутации +15 и -15В , запитал от стороннего источника - тоже самое.

Добавлено after 6 hours 1 minute 29 seconds:
Re: Усилитель Вега 50у-122с повторно включается при отключении
Всем спасибо, проблема решена. Можно закрывать.


Вернуться наверх
 
Не в сети
 Заголовок сообщения: Re: Усилитель Вега 50у-122с повторно включается при отключен
СообщениеДобавлено: Чт сен 21, 2023 19:00:00 
Друг Кота
Аватар пользователя

Карма: 83
Рейтинг сообщений: 1083
Зарегистрирован: Ср мар 25, 2015 15:25:51
Сообщений: 5935
Откуда: ст. Новоминская
Рейтинг сообщения: 0
Ну и что же было?


Вернуться наверх
 
Не в сети
 Заголовок сообщения: Re: Усилитель Вега 50у-122с повторно включается при отключен
СообщениеДобавлено: Пт сен 22, 2023 12:01:51 
Родился

Карма: 4
Рейтинг сообщений: 4
Зарегистрирован: Ср сен 20, 2023 13:37:24
Сообщений: 11
Рейтинг сообщения: 0
Причина была в vt8 блока защиты. Обрыв перехода БК и БЭ. Когда я начал ремонтировать этот усилитель поверял не выпаивая транзисторы, нашел у этого транзистора обрыв перехода БЭ, заменил. После этого на него и не думал. Получается пока ремонтировал УН и УВ, он повторно вышел из строя. Пока все работает, наблюдаю.
Вылезла другая проблема пропал звук в левом канале, на подстроечнике синус есть на контакте 3 мс da2 нет. Регулятор громкости ??? Голову сломал уже об этот усилитель.


Последний раз редактировалось fikssn Пт сен 22, 2023 14:31:50, всего редактировалось 1 раз.

Вернуться наверх
 
Не в сети
 Заголовок сообщения: Re: Усилитель Вега 50у-122с повторно включается при отключен
СообщениеДобавлено: Пт сен 22, 2023 12:48:53 
Друг Кота
Аватар пользователя

Карма: 107
Рейтинг сообщений: 3816
Зарегистрирован: Пн фев 09, 2009 22:19:49
Сообщений: 24703
Откуда: Когда-то был прекрасный город для людей
Рейтинг сообщения: 0
Цитата:
синус есть на контакте 3 мс da2 нет.


????
Чинить нельзя выкинуть

Где поставить запятую ....


Вернуться наверх
 
Не в сети
 Заголовок сообщения: Re: Усилитель Вега 50у-122с повторно включается при отключен
СообщениеДобавлено: Пт сен 22, 2023 14:30:49 
Родился

Карма: 4
Рейтинг сообщений: 4
Зарегистрирован: Ср сен 20, 2023 13:37:24
Сообщений: 11
Рейтинг сообщения: 0
Цитата:
синус есть на контакте 3 мс da2 нет.


????
Чинить нельзя выкинуть

Где поставить запятую ....

Каюсь. Поспешил. Извините.Запятую после "...синус есть,..."


Вернуться наверх
 
Не в сети
 Заголовок сообщения: Re: Усилитель Вега 50у-122с повторно включается при отключен
СообщениеДобавлено: Пт сен 22, 2023 18:26:47 
Электрический кот

Карма: 7
Рейтинг сообщений: 37
Зарегистрирован: Ср дек 11, 2019 12:13:29
Сообщений: 1038
Откуда: Север М.О.
Рейтинг сообщения: 0
А ззамкнуть нельзя?
Усилок такой пользую 30 лет!
За всё это время имел только 1 маленькую проблему - непроапай вертикальной платы темброблока.


Вернуться наверх
 
Не в сети
 Заголовок сообщения: Re: Усилитель Вега 50у-122с повторно включается при отключен
СообщениеДобавлено: Сб сен 23, 2023 13:06:17 
Родился

Карма: 4
Рейтинг сообщений: 4
Зарегистрирован: Ср сен 20, 2023 13:37:24
Сообщений: 11
Рейтинг сообщения: 0
А ззамкнуть нельзя?
Усилок такой пользую 30 лет!
За всё это время имел только 1 маленькую проблему - непроапай вертикальной платы темброблока.

Не понял немного - что замкнуть?
Что за вертикальная плата темброблока?


Вернуться наверх
 
Не в сети
 Заголовок сообщения: Re: Усилитель Вега 50у-122с повторно включается при отключен
СообщениеДобавлено: Сб сен 23, 2023 13:16:02 
Электрический кот

Карма: 7
Рейтинг сообщений: 37
Зарегистрирован: Ср дек 11, 2019 12:13:29
Сообщений: 1038
Откуда: Север М.О.
Рейтинг сообщения: 0
А ззамкнуть нельзя?
Усилок такой пользую 30 лет!
За всё это время имел только 1 маленькую проблему - непроапай вертикальной платы темброблока.

Не понял немного - что замкнуть?
Что за вертикальная плата темброблока?

Про плату это так к слову.
Замкнуть регулятор громкости.


Вернуться наверх
 
В сети
 Заголовок сообщения: Re: Усилитель Вега 50у-122с повторно включается при отключен
СообщениеДобавлено: Сб сен 23, 2023 14:04:47 
Друг Кота
Аватар пользователя

Карма: 59
Рейтинг сообщений: 2233
Зарегистрирован: Чт янв 26, 2012 16:44:29
Сообщений: 19742
Откуда: Таксимо
Рейтинг сообщения: 0
Там регулятор не по обычной схеме, в цепь обратной связи оу сделано

_________________
Мои поставщики запчастей с отличной репутацией
texnomag.ru
radioremont.com
pl-1.org
4ip.info
elitan.ru


Вернуться наверх
 
Не в сети
 Заголовок сообщения: Re: Усилитель Вега 50у-122с повторно включается при отключен
СообщениеДобавлено: Сб сен 23, 2023 15:17:43 
Родился

Карма: 4
Рейтинг сообщений: 4
Зарегистрирован: Ср сен 20, 2023 13:37:24
Сообщений: 11
Рейтинг сообщения: 0
Там регулятор не по обычной схеме, в цепь обратной связи оу сделано
!!!
Проблема где то за DA2 или в обвязке DA2. Микросхема исправна, регулятор исправен, что то не дает микросхеме выйти в рабочий режим. Пока не нашел. Ищу.


Вернуться наверх
 
Не в сети
 Заголовок сообщения: Re: Усилитель Вега 50у-122с повторно включается при отключен
СообщениеДобавлено: Чт сен 28, 2023 09:31:19 
Родился

Карма: 4
Рейтинг сообщений: 4
Зарегистрирован: Ср сен 20, 2023 13:37:24
Сообщений: 11
Рейтинг сообщения: 4
Причина найдена. Микротрещина в цепи земли da2.2 в районе разъема эквалайзера.Всем спасибо.


Вернуться наверх
 
Показать сообщения за:  Сортировать по:  Вернуться наверх
Начать новую тему Ответить на тему  [ Сообщений: 17 ] 

Часовой пояс: UTC + 3 часа


Кто сейчас на форуме

Сейчас этот форум просматривают: нет зарегистрированных пользователей и гости: 28


Вы не можете начинать темы
Вы не можете отвечать на сообщения
Вы не можете редактировать свои сообщения
Вы не можете удалять свои сообщения
Вы не можете добавлять вложения

Найти:
Перейти:  


Powered by phpBB © 2000, 2002, 2005, 2007 phpBB Group
Русская поддержка phpBB
Extended by Karma MOD © 2007—2012 m157y
Extended by Topic Tags MOD © 2012 m157y