Например TDA7294

Форум РадиоКот • Просмотр темы - Нужна помощь о проигрывателе электроника д1-012 стерео
Форум РадиоКот
Здесь можно немножко помяукать :)

Текущее время: Чт фев 05, 2026 23:52:29

Часовой пояс: UTC + 3 часа


ПРЯМО СЕЙЧАС:



Начать новую тему Ответить на тему  [ Сообщений: 57 ]  1, ,  
Автор Сообщение
Не в сети
 Заголовок сообщения: Нужна помощь о проигрывателе электроника д1-012 стерео
СообщениеДобавлено: Вт авг 12, 2025 20:04:59 
Вымогатель припоя

Зарегистрирован: Ср фев 28, 2024 14:52:34
Сообщений: 648
Рейтинг сообщения: 0
Приветствую всех форумчан! Есть данный проигрыватель, проблема что индикаторы то замирают на зашкале, или вообще нет ничего, нет даже 1 чёрточки, только цифры светятся ( при этом в динамиках тишина, при подаче звук хороший, проблем нет при касании внешнего входа унч индикатор реагирует, бегает). Конденсаторы заменил все на новые! Скажите пожалуйста, из-за чего такое может быть, и что нужно проверить?


Вернуться наверх
 
Не в сети
 Заголовок сообщения: Re: Нужна помощь о проигрывателе электроника д1-012 стерео
СообщениеДобавлено: Вт авг 12, 2025 21:48:45 
Друг Кота
Аватар пользователя

Карма: 65
Рейтинг сообщений: 802
Зарегистрирован: Чт апр 19, 2007 16:10:43
Сообщений: 9893
Откуда: г.Москва
Рейтинг сообщения: 0
В качестве вступления:

Приводит мама своего сына к врачу:
— Доктор посмотрите, у моего сына что-то с писей.
Доктор смотрит:
— Так, с этого момента писю называем членом и начинаем лечить триппер.

Теперь по сути :

Находим ( причем самостоятельно, без нытья, что ну никак невозможно ) схему аппарата, вооружаемся мультиметром и начинаем проверять режимы. Начинаем с БП.

_________________
Правило для российского гражданина: Во всем принимай сторону России, независимо от того, кто Россию возглавляет в данный момент, и какая страна или страны ей противостоят. Руководствуйся мудростью: "Россия, - всё, остальное - ничто!"


Вернуться наверх
 
Не в сети
 Заголовок сообщения: Re: Нужна помощь о проигрывателе электроника д1-012 стерео
СообщениеДобавлено: Вт авг 12, 2025 22:10:52 
Вымогатель припоя

Зарегистрирован: Ср фев 28, 2024 14:52:34
Сообщений: 648
Рейтинг сообщения: 0
Ну схема имеется, вопросов нет, судя по схеме за индикатор отвечают 2 микрухи, , надо проверить режимы около нее, и напряжение бп, верно? Просто интересно при касании канала, фон есть, и индикатор работает, а при подаче сигнала, он молчит

Изображение Изображение

Вот так он работает, то зашкал, то молчит


Вернуться наверх
 
Не в сети
 Заголовок сообщения: Re: Нужна помощь о проигрывателе электроника д1-012 стерео
СообщениеДобавлено: Ср авг 13, 2025 08:42:05 
Потрогал лапой паяльник
Аватар пользователя

Карма: 5
Рейтинг сообщений: 170
Зарегистрирован: Пт апр 17, 2020 17:32:23
Сообщений: 362
Откуда: Краснодар
Рейтинг сообщения: 1
Ох уж эти радиополюблятели (как говорил наш незабвенный Димитрий) - любители перепайки всех конденсаторов...
От внешнего источника работает нормально, а при проигрывании пластинки - тишина в акустике и индикатор работает неадекватно? Я правильно понял бессвязный поток сознания из стартпоста?
Тогда проверять нужно не индикатор, а фонокорректор с переключателями (модуль У1).


Вернуться наверх
 
Эиком - электронные компоненты и радиодетали
Не в сети
 Заголовок сообщения: Re: Нужна помощь о проигрывателе электроника д1-012 стерео
СообщениеДобавлено: Ср авг 13, 2025 20:32:34 
Вымогатель припоя

Зарегистрирован: Ср фев 28, 2024 14:52:34
Сообщений: 648
Рейтинг сообщения: 0
Calm72, нет, не правильно! Индикатор не работает ни от проигрывателя ни от внешнего источника сигнала. Индикатор без сигнала живёт своей жизнью, может в зашкал уйти, может молчать ( фото выше, у него 2 вида работы) и что интересно, что когда я касаюсь внешнего входа, то индикатор реагирует, но реакция только на руку, ни на сигнал, ни на проигрыватель реакции нет)

Добавлено after 2 minutes 3 seconds:
Calm72, а конденсаторы были все в утечке, и в обрыве, поэтому заменил всё разом, чтобы не думать


Вернуться наверх
 
Не в сети
 Заголовок сообщения: Re: Нужна помощь о проигрывателе электроника д1-012 стерео
СообщениеДобавлено: Ср авг 13, 2025 21:00:25 
Друг Кота
Аватар пользователя

Карма: 20
Рейтинг сообщений: 39
Зарегистрирован: Сб ноя 05, 2022 18:28:06
Сообщений: 4968
Рейтинг сообщения: 0
Сергеевич 1 писал(а):
что когда я касаюсь внешнего входа, то индикатор реагирует, но реакция только на руку, ни на сигнал, ни на проигрыватель реакции нет)


Тебе
Calm72, русским языком написал вокруг чего ты спотыкаешся!!!
А со мной только по БУКВАМ!
Ты говоришь, у тебя схема есть?
А почему я должен гадать какого "внешнего входа" ты касаешься?
Имя у него есть, номер разъёма на схеме же указан.
Индикатор реагирует только на "руку" и "ни на сигнал".
А чем касание руки отличается от сигнала? Включи логику- уровнем сигнала?
А если "рука" проходит, то или головка дохлая или в ней контакты нарушены или, или, или... Тестер в руки и прозванивай от входа до первой деталюшки-конденсатора.... Пищалка есть на 1000Гц? Пищи! :) и слушай по каскадно.
Там куча говно переключателей....
Только Пищи в обратную сторону от транзисторов в сторону входа...
Мозг то надо тоже ,между барыжничанием, включать, схемы читать умеешь- давай по схеме.

_________________
У меня Твёрдая Тройка по русскому, но, даже я иногда, делаю ошибки.


Вернуться наверх
 
Не в сети
 Заголовок сообщения: Re: Нужна помощь о проигрывателе электроника д1-012 стерео
СообщениеДобавлено: Ср авг 13, 2025 21:18:34 
Вымогатель припоя

Зарегистрирован: Ср фев 28, 2024 14:52:34
Сообщений: 648
Рейтинг сообщения: 0
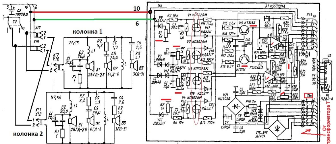
Изображение Изображение Изображение Изображение

Добавлено after 35 seconds:
Вот схема данного проигрывателя

Добавлено after 2 minutes 7 seconds:
МЕХАНИКД, насчёт внешнего входа реакция одна и та же ( что от магнитофона, что от универсального)

Добавлено after 1 minute 25 seconds:
МЕХАНИКД, головка не причём, она новая, контакты есть, звук с нее хороший

Добавлено after 1 minute 18 seconds:
Пищалки увы нету :))


Вернуться наверх
 
Не в сети
 Заголовок сообщения: Re: Нужна помощь о проигрывателе электроника д1-012 стерео
СообщениеДобавлено: Ср авг 13, 2025 21:42:54 
Электрический кот
Аватар пользователя

Карма: 7
Рейтинг сообщений: 37
Зарегистрирован: Ср дек 11, 2019 12:13:29
Сообщений: 1047
Откуда: Север М.О.
Рейтинг сообщения: 0
Схема есть? В ней разбираться умеете? Приборы какие есть?
Фотографировать любой ребёнок умеет сейчас, а надо почитать в литературе, что этот индикатор измеряет!
А схема показывает, что он измеряет переменное напряжение на выходе УНЧ на нагрузке 4 Ом
Номинальная выходная мощность УНЧ 20 Вт на 4 Ом, значит на выходе переменных 9в для полного отклонения индикатора


Вернуться наверх
 
Не в сети
 Заголовок сообщения: Re: Нужна помощь о проигрывателе электроника д1-012 стерео
СообщениеДобавлено: Ср авг 13, 2025 21:44:50 
Друг Кота
Аватар пользователя

Карма: 20
Рейтинг сообщений: 39
Зарегистрирован: Сб ноя 05, 2022 18:28:06
Сообщений: 4968
Рейтинг сообщения: 0
Сергеевич 1, Ну Слава Богу.
Разродил.
Как я понял звук идёт нормальный только индикатор не реагирует по уровню.
А на "руку" всё таки и индикатор реагирует....
Если так то уже меньше рыть надо.
Схему гляну позже

_________________
У меня Твёрдая Тройка по русскому, но, даже я иногда, делаю ошибки.


Вернуться наверх
 
Не в сети
 Заголовок сообщения: Re: Нужна помощь о проигрывателе электроника д1-012 стерео
СообщениеДобавлено: Ср авг 13, 2025 21:49:46 
Вымогатель припоя

Зарегистрирован: Ср фев 28, 2024 14:52:34
Сообщений: 648
Рейтинг сообщения: 0
МЕХАНИКД, да, звук отличный, все верно


Вернуться наверх
 
Не в сети
 Заголовок сообщения: Re: Нужна помощь о проигрывателе электроника д1-012 стерео
СообщениеДобавлено: Ср авг 13, 2025 22:26:18 
Друг Кота
Аватар пользователя

Карма: 65
Рейтинг сообщений: 802
Зарегистрирован: Чт апр 19, 2007 16:10:43
Сообщений: 9893
Откуда: г.Москва
Рейтинг сообщения: 0
как говорил наш незабвенный Димитрий -


Дмитрий Олегыч все еще жив и здоров, слава Богу. Чего и вам желаю. :shock:

_________________
Правило для российского гражданина: Во всем принимай сторону России, независимо от того, кто Россию возглавляет в данный момент, и какая страна или страны ей противостоят. Руководствуйся мудростью: "Россия, - всё, остальное - ничто!"


Вернуться наверх
 
Не в сети
 Заголовок сообщения: Re: Нужна помощь о проигрывателе электроника д1-012 стерео
СообщениеДобавлено: Ср авг 13, 2025 23:33:11 
Друг Кота
Аватар пользователя

Карма: 20
Рейтинг сообщений: 39
Зарегистрирован: Сб ноя 05, 2022 18:28:06
Сообщений: 4968
Рейтинг сообщения: 0
ссс


Вложения:
el24.djvu [107.33 KiB]
Скачиваний: 79

_________________
У меня Твёрдая Тройка по русскому, но, даже я иногда, делаю ошибки.
Вернуться наверх
 
Не в сети
 Заголовок сообщения: Re: Нужна помощь о проигрывателе электроника д1-012 стерео
СообщениеДобавлено: Чт авг 14, 2025 00:37:14 
Друг Кота
Аватар пользователя

Карма: 26
Рейтинг сообщений: 835
Зарегистрирован: Сб янв 28, 2006 22:47:24
Сообщений: 5877
Рейтинг сообщения: 0
Вместо чтобы тыкать пальцем подаем на вход индикатора сигнал с регулируемым уровнем, регулируем и наблюдаем как он себя ведет.

_________________
Астролябия-сама меряет, было бы что мерять!!!


Вернуться наверх
 
Не в сети
 Заголовок сообщения: Re: Нужна помощь о проигрывателе электроника д1-012 стерео
СообщениеДобавлено: Чт авг 14, 2025 08:00:40 
Друг Кота
Аватар пользователя

Карма: 59
Рейтинг сообщений: 2237
Зарегистрирован: Чт янв 26, 2012 16:44:29
Сообщений: 19839
Откуда: Таксимо
Рейтинг сообщения: 0
Емнип там хитрый индикатор еще с переключением входов

_________________
Мои поставщики запчастей с отличной репутацией
texnomag.ru
radioremont.com
pl-1.org
4ip.info
elitan.ru


Вернуться наверх
 
Не в сети
 Заголовок сообщения: Re: Нужна помощь о проигрывателе электроника д1-012 стерео
СообщениеДобавлено: Чт авг 14, 2025 09:21:52 
Вымогатель припоя

Зарегистрирован: Ср фев 28, 2024 14:52:34
Сообщений: 648
Рейтинг сообщения: 0
Asmodey, я же выше писал, что если подать источник звука, с регулируемым входом, индикатор молчит, что от слабого сигнала, что от сильного ( 2в примерно)

Добавлено after 32 seconds:
МЕХАНИКД, что-то фото не открывается, исправьте пожалуйста


Вернуться наверх
 
Не в сети
 Заголовок сообщения: Re: Нужна помощь о проигрывателе электроника д1-012 стерео
СообщениеДобавлено: Чт авг 14, 2025 09:32:42 
Друг Кота
Аватар пользователя

Карма: 20
Рейтинг сообщений: 39
Зарегистрирован: Сб ноя 05, 2022 18:28:06
Сообщений: 4968
Рейтинг сообщения: 0
Сергеевич 1, Это не фото.

_________________
У меня Твёрдая Тройка по русскому, но, даже я иногда, делаю ошибки.


Вернуться наверх
 
Не в сети
 Заголовок сообщения: Re: Нужна помощь о проигрывателе электроника д1-012 стерео
СообщениеДобавлено: Чт авг 14, 2025 10:29:42 
Электрический кот
Аватар пользователя

Карма: 7
Рейтинг сообщений: 37
Зарегистрирован: Ср дек 11, 2019 12:13:29
Сообщений: 1047
Откуда: Север М.О.
Рейтинг сообщения: 0
Asmodey, я же выше писал, что если подать источник звука, с регулируемым входом, индикатор молчит, что от слабого сигнала, что от сильного ( 2в примерно)

:) Спрошу для смеха, куда же подавался сигнал ~ 2в ? Кто же является "источником звука" ?


Вернуться наверх
 
Не в сети
 Заголовок сообщения: Re: Нужна помощь о проигрывателе электроника д1-012 стерео
СообщениеДобавлено: Чт авг 14, 2025 10:57:27 
Друг Кота
Аватар пользователя

Карма: 26
Рейтинг сообщений: 835
Зарегистрирован: Сб янв 28, 2006 22:47:24
Сообщений: 5877
Рейтинг сообщения: 0
что-то фото не открывается, исправьте пожалуйста

Сразу видно кто книжков не читает, документацию не просматривает.

_________________
Астролябия-сама меряет, было бы что мерять!!!


Вернуться наверх
 
Не в сети
 Заголовок сообщения: Re: Нужна помощь о проигрывателе электроника д1-012 стерео
СообщениеДобавлено: Чт авг 14, 2025 11:10:32 
Друг Кота
Аватар пользователя

Карма: 20
Рейтинг сообщений: 39
Зарегистрирован: Сб ноя 05, 2022 18:28:06
Сообщений: 4968
Рейтинг сообщения: 0
ФОТО- :)
Сам индикатор ножки/ пропай или не контачат, особо 1 и 10. Индикатор ИВЛШУ-11/2 ( П280- А)

На этой плате куча подстроечников- проверить.
Разъём 14 от Трансформатора идёт.
Проверить всё что "разукрасил" и Питание мкиросехем.


Вложения:
el.jpg [145.53 KiB]
Скачиваний: 61

_________________
У меня Твёрдая Тройка по русскому, но, даже я иногда, делаю ошибки.
Вернуться наверх
 
Не в сети
 Заголовок сообщения: Re: Нужна помощь о проигрывателе электроника д1-012 стерео
СообщениеДобавлено: Чт авг 14, 2025 11:28:56 
Электрический кот
Аватар пользователя

Карма: 7
Рейтинг сообщений: 37
Зарегистрирован: Ср дек 11, 2019 12:13:29
Сообщений: 1047
Откуда: Север М.О.
Рейтинг сообщения: 0
Сам индикатор ножки/ пропай или не контачат, особо 1 и 10. Индикатор ИВЛШУ-11/2 ( П280- А)

1 и 10 накал, индикатор просто ничего не индицирует если его нет
Худо объяснять что либо, если человек схему не читает...
У автора что не тема - бомба


Последний раз редактировалось OlegO Чт авг 14, 2025 11:34:58, всего редактировалось 1 раз.

Вернуться наверх
 
Показать сообщения за:  Сортировать по:  Вернуться наверх
Начать новую тему Ответить на тему  [ Сообщений: 57 ]  1, ,  

Часовой пояс: UTC + 3 часа


Кто сейчас на форуме

Сейчас этот форум просматривают: Vangog66 и гости: 27


Вы не можете начинать темы
Вы не можете отвечать на сообщения
Вы не можете редактировать свои сообщения
Вы не можете удалять свои сообщения
Вы не можете добавлять вложения

Найти:
Перейти:  


Powered by phpBB © 2000, 2002, 2005, 2007 phpBB Group
Русская поддержка phpBB
Extended by Karma MOD © 2007—2012 m157y
Extended by Topic Tags MOD © 2012 m157y