Например TDA7294

Форум РадиоКот • Просмотр темы - Союз-110 стерео постоянно находится в режиме записи
Форум РадиоКот
Здесь можно немножко помяукать :)

Текущее время: Ср дек 31, 2025 11:40:56

Часовой пояс: UTC + 3 часа


ПРЯМО СЕЙЧАС:



Начать новую тему Ответить на тему  [ Сообщений: 22 ]  1,  
Автор Сообщение
Не в сети
 Заголовок сообщения: Союз-110 стерео постоянно находится в режиме записи
СообщениеДобавлено: Чт окт 09, 2025 12:44:47 
Родился

Зарегистрирован: Ср фев 01, 2023 15:09:10
Сообщений: 5
Рейтинг сообщения: 0
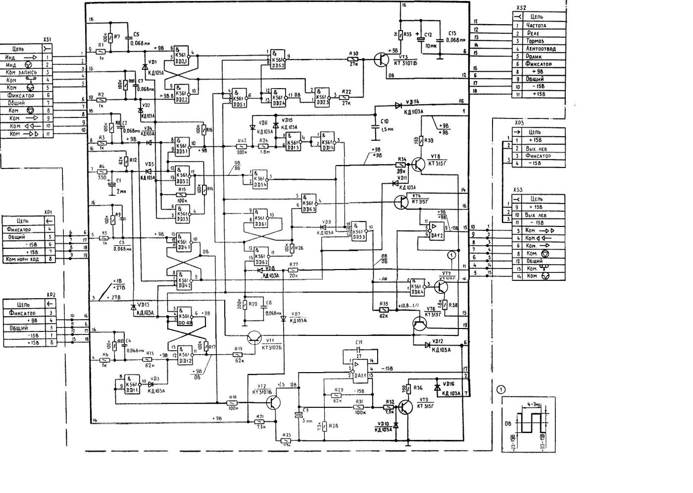
Добрый день, уважаемые форумчане! Прошу помощи в ремонте СОЮЗ-110 стерео. Проблема в следующем. Аппарат вообще не включался, заменил все электролиты, напряжения с БП в норме (+9, -15, +15). Начал включаться, перемотка включается в обе стороны, воспроизведение включается. При включении кнопки СЕТЬ, сразу включается режим записи и не отключается совсем. Пайка вся проверена, микросхемы в УУ все менял. Отключить получается режим записи только отпаяв резистор R19 в плате УУ, но хочу чтобы запись работала в штатном режиме, включалась и выключалась кнопкой записи. ГСП получается постоянно включен, транзистор VT25 в плате ГСП менял, безрезультатно.


Вложения:
УУ.png [208.05 KiB]
Скачиваний: 55
Вернуться наверх
 
Не в сети
 Заголовок сообщения: Re: Союз-110 стерео постоянно находится в режиме записи
СообщениеДобавлено: Чт окт 09, 2025 14:17:22 
Электрический кот

Карма: 7
Рейтинг сообщений: 37
Зарегистрирован: Ср дек 11, 2019 12:13:29
Сообщений: 1026
Откуда: Север М.О.
Рейтинг сообщения: 0
На rt22.ru не сложилось "починить" решили здесь счастья попытать?
Разберитесь почему на XS1 нога 3 нет положенных 27в
Попытайтесь внимательно изучить инструкцию по ремонту на сей аппарат!


Вернуться наверх
 
Не в сети
 Заголовок сообщения: Re: Союз-110 стерео постоянно находится в режиме записи
СообщениеДобавлено: Чт окт 09, 2025 14:33:22 
Родился

Зарегистрирован: Ср фев 01, 2023 15:09:10
Сообщений: 5
Рейтинг сообщения: 0
Вот и прошу помощи, не могу найти причину, почему на 3 ноге XS1 вместо 27в, присутствует всего 0,8в. В кнопке КЗ нет, провода не коротят, VD13 целый. На rt22.ru не сложилось "починить", так как тамошние "спецы" только могут посоветовать почитать инструкцию и все! Если бы все читали инструкции, и этого было бы достаточно, то эти форумы не нужны бы были ни кому! Я в самом первом посту на том форуме написал, что у меня на 3 ноге XS1 вместо 27в, присутствует всего 0,8в, и написал, что не могу найти причину, на что мне ответили "спецы" фрагментом схемы УУ на этом разъеме, на 3 ноге, "вот и ищи почему там нет 27в" - это считаете помощью?


Вернуться наверх
 
Не в сети
 Заголовок сообщения: Re: Союз-110 стерео постоянно находится в режиме записи
СообщениеДобавлено: Чт окт 09, 2025 20:20:33 
Друг Кота
Аватар пользователя

Карма: 83
Рейтинг сообщений: 1077
Зарегистрирован: Ср мар 25, 2015 15:25:51
Сообщений: 5840
Откуда: ст. Новоминская
Рейтинг сообщения: 0
Вы бы схему ещё помельче выложили.


Вернуться наверх
 
Эиком - электронные компоненты и радиодетали
В сети
 Заголовок сообщения: Re: Союз-110 стерео постоянно находится в режиме записи
СообщениеДобавлено: Чт окт 09, 2025 20:32:55 
Друг Кота
Аватар пользователя

Карма: 90
Рейтинг сообщений: 1502
Зарегистрирован: Вт сен 06, 2011 20:49:28
Сообщений: 26672
Откуда: оттуда
Рейтинг сообщения: 0
Схема огонь- - ни хрена не разберёшь!

_________________
- Русским человеком может быть только тот, у кого чего-нибудь нет, но не так нет, чтобы обязательно было, а нет — и хрен с ним.
"Русский человек может жить как в одну сторону, так и в другую. И в обоих случаях останется цел" А. Платонов


Вернуться наверх
 
Не в сети
 Заголовок сообщения: Re: Союз-110 стерео постоянно находится в режиме записи
СообщениеДобавлено: Чт окт 09, 2025 21:21:53 
Друг Кота
Аватар пользователя

Карма: 83
Рейтинг сообщений: 1077
Зарегистрирован: Ср мар 25, 2015 15:25:51
Сообщений: 5840
Откуда: ст. Новоминская
Рейтинг сообщения: 0
И схему полную выложить. А то тут нам про XS1 ногу 3 Вы что-то недоговариваете. Нужно посмотреть.


Вернуться наверх
 
Не в сети
 Заголовок сообщения: Re: Союз-110 стерео постоянно находится в режиме записи
СообщениеДобавлено: Чт окт 09, 2025 22:04:00 
Друг Кота
Аватар пользователя

Карма: 20
Рейтинг сообщений: 31
Зарегистрирован: Сб ноя 05, 2022 18:28:06
Сообщений: 4746
Рейтинг сообщения: 0
Может немного лучше- должна быть.
Логика долго манипулировать ... цифрами.
+ 9В везде проверить и С1 в первую очередь. определяет состояние Триггеров, первоначально.
Паузу -клавишу... короче логику.


Вложения:
SoJuS-110.5.jpg [213.92 KiB]
Скачиваний: 56

_________________
У меня Твёрдая Тройка по русскому, но, даже я иногда, делаю ошибки.
Вернуться наверх
 
Не в сети
 Заголовок сообщения: Re: Союз-110 стерео постоянно находится в режиме записи
СообщениеДобавлено: Пт окт 10, 2025 08:59:53 
Друг Кота
Аватар пользователя

Карма: 107
Рейтинг сообщений: 3804
Зарегистрирован: Пн фев 09, 2009 22:19:49
Сообщений: 24434
Откуда: Когда-то был прекрасный город для людей
Рейтинг сообщения: 4
Смотреть надо раньше. На XS1 приходит сигнал для управления ленторротяжкой, а переключение режимов УЗ здесь отсутствует.

На этом куске схемы их нет.


Вернуться наверх
 
Не в сети
 Заголовок сообщения: Re: Союз-110 стерео постоянно находится в режиме записи
СообщениеДобавлено: Пт окт 10, 2025 09:42:03 
Друг Кота
Аватар пользователя

Карма: 20
Рейтинг сообщений: 31
Зарегистрирован: Сб ноя 05, 2022 18:28:06
Сообщений: 4746
Рейтинг сообщения: 0
Муркиз, смотреть надо раньше :). Только кому интересно кусочками листать страницы???
Смотреть, думаю, надо от "печки" которые обозначил автор R19-VT1 / почему триггер DD43-DD12 выдаёт лог 1 на выходе.
И садит 27В на диод через -VT1.
Короче С1 стоит уже проверить ( момент нажатия "сеть"-лог 0 на входе триггера) и дальше в обратном направлении искать источник, от XS1 к коммутаторам -почему и какие ,на входах DD43-DD12 появляются уровни и через что?
Чесно слово Логика писать много, а хозяин хочет не думать и получить ответ.
Схема есть вся, только с ней работы ....

_________________
У меня Твёрдая Тройка по русскому, но, даже я иногда, делаю ошибки.


Вернуться наверх
 
Не в сети
 Заголовок сообщения: Re: Союз-110 стерео постоянно находится в режиме записи
СообщениеДобавлено: Пт окт 10, 2025 09:58:31 
Друг Кота
Аватар пользователя

Карма: 107
Рейтинг сообщений: 3804
Зарегистрирован: Пн фев 09, 2009 22:19:49
Сообщений: 24434
Откуда: Когда-то был прекрасный город для людей
Рейтинг сообщения: 0
Все легко проверяется - достаточно 3 ножку на разбиение этом вытащить и посмотреть, что будет на проводе.

А насчёт точности оценки - разумеется, по куску схемы, да ещё выполненной в худших традициях подражанию запада, без патронташа сменных очков и карандашей, не разберёшься.


Вернуться наверх
 
Не в сети
 Заголовок сообщения: Re: Союз-110 стерео постоянно находится в режиме записи
СообщениеДобавлено: Пт окт 10, 2025 10:02:46 
Друг Кота
Аватар пользователя

Карма: 20
Рейтинг сообщений: 31
Зарегистрирован: Сб ноя 05, 2022 18:28:06
Сообщений: 4746
Рейтинг сообщения: 0
27В -будет- чего её отключать....

_________________
У меня Твёрдая Тройка по русскому, но, даже я иногда, делаю ошибки.


Вернуться наверх
 
Не в сети
 Заголовок сообщения: Re: Союз-110 стерео постоянно находится в режиме записи
СообщениеДобавлено: Пт окт 10, 2025 10:13:48 
Друг Кота
Аватар пользователя

Карма: 107
Рейтинг сообщений: 3804
Зарегистрирован: Пн фев 09, 2009 22:19:49
Сообщений: 24434
Откуда: Когда-то был прекрасный город для людей
Рейтинг сообщения: 0
Для того, чтобы убедиться в исправности платы управления лентопротяжный и исключить ее из поисков неисправности.


Вернуться наверх
 
Не в сети
 Заголовок сообщения: Re: Союз-110 стерео постоянно находится в режиме записи
СообщениеДобавлено: Пт окт 10, 2025 11:25:33 
Электрический кот

Карма: 7
Рейтинг сообщений: 37
Зарегистрирован: Ср дек 11, 2019 12:13:29
Сообщений: 1026
Откуда: Север М.О.
Рейтинг сообщения: 0
Для того, чтобы убедиться в исправности платы управления лентопротяжный и исключить ее из поисков неисправности.

:) Замечательные слова.
Ну не дураки писали инструкцию по ремонту этого аппарата, аж на 80 листах (в открытом доступе в инете)
По плате УУ в книге всего 5 станиц , автор так и не сказал прочёл он их или нет.
Если после их прочтения ничего не понятно - не надо заниматься не своим делом!
Вложение:
союз.jpg [88.97 KiB]
Скачиваний: 27


Вернуться наверх
 
Не в сети
 Заголовок сообщения: Re: Союз-110 стерео постоянно находится в режиме записи
СообщениеДобавлено: Пт окт 10, 2025 13:13:59 
Друг Кота
Аватар пользователя

Карма: 20
Рейтинг сообщений: 31
Зарегистрирован: Сб ноя 05, 2022 18:28:06
Сообщений: 4746
Рейтинг сообщения: 0
bevg писал(а):
В кнопке КЗ нет, провода не коротят,
:)
Он же пишет... что КЗ нет.
И ещё он пишет- напряжения в норме...
bevg писал(а):
напряжения с БП в норме (+9, -15, +15)


Значит надо на логике мерить ещё - состояние входов и выходов. по ним определять по какой цепи идти.
Осилит- не знаю.
Слова замечательные :) но делать всё равно надо ....

_________________
У меня Твёрдая Тройка по русскому, но, даже я иногда, делаю ошибки.


Вернуться наверх
 
Не в сети
 Заголовок сообщения: Re: Союз-110 стерео постоянно находится в режиме записи
СообщениеДобавлено: Пт окт 10, 2025 14:14:35 
Родился

Зарегистрирован: Ср фев 01, 2023 15:09:10
Сообщений: 5
Рейтинг сообщения: 0
Изображение

Добавлено after 33 seconds:
Изображение

Добавлено after 26 seconds:
Изображение

Добавлено after 28 seconds:
Вот все замеры на плате УУ


Вернуться наверх
 
Не в сети
 Заголовок сообщения: Re: Союз-110 стерео постоянно находится в режиме записи
СообщениеДобавлено: Пт окт 10, 2025 14:37:22 
Друг Кота
Аватар пользователя

Карма: 107
Рейтинг сообщений: 3804
Зарегистрирован: Пн фев 09, 2009 22:19:49
Сообщений: 24434
Откуда: Когда-то был прекрасный город для людей
Рейтинг сообщения: 0
А собственно - что означает по автору, что магнитофон находится в режиме записи ?

А может быть, это произвольное состояние исполнительных устройств магнитофона ?


Вернуться наверх
 
Не в сети
 Заголовок сообщения: Re: Союз-110 стерео постоянно находится в режиме записи
СообщениеДобавлено: Пт окт 10, 2025 14:41:34 
Родился

Зарегистрирован: Ср фев 01, 2023 15:09:10
Сообщений: 5
Рейтинг сообщения: 0
При включении кнопки СЕТЬ, сразу включается режим записи и не отключается совсем.


Вернуться наверх
 
Не в сети
 Заголовок сообщения: Re: Союз-110 стерео постоянно находится в режиме записи
СообщениеДобавлено: Пт окт 10, 2025 16:27:05 
Друг Кота
Аватар пользователя

Карма: 107
Рейтинг сообщений: 3804
Зарегистрирован: Пн фев 09, 2009 22:19:49
Сообщений: 24434
Откуда: Когда-то был прекрасный город для людей
Рейтинг сообщения: 0
Откуда известно, что это режим записи ? Просто светодиод горит, и все ?


Вернуться наверх
 
Не в сети
 Заголовок сообщения: Re: Союз-110 стерео постоянно находится в режиме записи
СообщениеДобавлено: Пт окт 10, 2025 17:04:48 
Друг Кота
Аватар пользователя

Карма: 20
Рейтинг сообщений: 31
Зарегистрирован: Сб ноя 05, 2022 18:28:06
Сообщений: 4746
Рейтинг сообщения: 0
bevg писал(а):
При включении кнопки СЕТЬ, сразу включается режим записи и не отключается совсем.

При включении в сеть- клавиша СТОП нажата :) .
Проверь в нажатом сотоянии, триггер не должен включаться на запись. Так как клавиша через контакт садит на общий .
Сам проследи по моим выложеным фрагментам и раньше и теперь. И сам контак проверь- при нажатой СТОП.
Писать не охота...
Даю :) направление до С1 поиска.


Вложения:
SoJus 1107.jpg [125.88 KiB]
Скачиваний: 29

_________________
У меня Твёрдая Тройка по русскому, но, даже я иногда, делаю ошибки.
Вернуться наверх
 
Не в сети
 Заголовок сообщения: Re: Союз-110 стерео постоянно находится в режиме записи
СообщениеДобавлено: Пт окт 10, 2025 17:17:20 
Электрический кот

Карма: 7
Рейтинг сообщений: 37
Зарегистрирован: Ср дек 11, 2019 12:13:29
Сообщений: 1026
Откуда: Север М.О.
Рейтинг сообщения: 0
Откуда известно, что это режим записи ? Просто светодиод горит, и все ?

Вопрос не в бровь, а в глаз !
Согласно таблице напряжений на разъемах XS1 и XS2 блока УУ
аппарат находится в состоянии СТОП кроме нога 3 у XS1
Прочитав схему понятно, что это выходной сигнал для зажигания только светодиода "запись" ,
27в там появиться, если закроется транзистор VT1 ( убрать R19 например)
Автор утверждал , что С1 он поменял.


Вернуться наверх
 
Показать сообщения за:  Сортировать по:  Вернуться наверх
Начать новую тему Ответить на тему  [ Сообщений: 22 ]  1,  

Часовой пояс: UTC + 3 часа


Кто сейчас на форуме

Сейчас этот форум просматривают: redish и гости: 30


Вы не можете начинать темы
Вы не можете отвечать на сообщения
Вы не можете редактировать свои сообщения
Вы не можете удалять свои сообщения
Вы не можете добавлять вложения

Найти:
Перейти:  


Powered by phpBB © 2000, 2002, 2005, 2007 phpBB Group
Русская поддержка phpBB
Extended by Karma MOD © 2007—2012 m157y
Extended by Topic Tags MOD © 2012 m157y