Например TDA7294

Форум РадиоКот • Просмотр темы - Какой сюда можно поставить оптрон?
Форум РадиоКот
Здесь можно немножко помяукать :)

Текущее время: Ср дек 31, 2025 16:30:26

Часовой пояс: UTC + 3 часа


ПРЯМО СЕЙЧАС:



Начать новую тему Ответить на тему  [ Сообщений: 4 ] 
Автор Сообщение
Не в сети
 Заголовок сообщения: Какой сюда можно поставить оптрон?
СообщениеДобавлено: Вт окт 14, 2025 11:04:50 
Родился

Зарегистрирован: Сб июл 06, 2024 09:57:31
Сообщений: 5
Рейтинг сообщения: 0
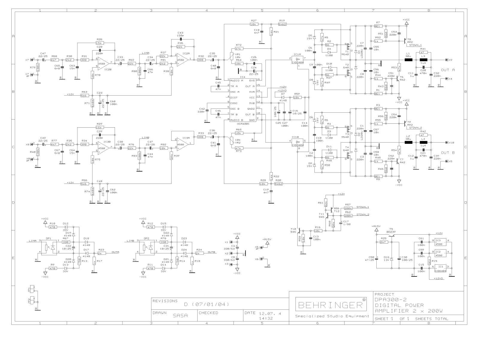
надписей никаких нету на них на схеме OP1 OP2
Почему то сгорели резисторы r41 r42 и два оптрона OP1 OP2


Вложения:
img-04-XVHeQ32zAv (1).png [234.86 KiB]
Скачиваний: 86
Вернуться наверх
 
Не в сети
 Заголовок сообщения: Re: Какой сюда можно поставить оптрон?
СообщениеДобавлено: Вт окт 14, 2025 13:47:48 
Друг Кота
Аватар пользователя

Карма: 197
Рейтинг сообщений: 8600
Зарегистрирован: Пн ноя 30, 2009 03:00:01
Сообщений: 43174
Откуда: Нерезиновая
Рейтинг сообщения: 0
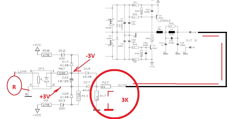
Кажется, "отечественные" это АОР124, и, кажется, ОЭП-1 и ОЭП-2, импортных аналогов не знаю. "импорт" VTL5C1, VTL5C2.
https://pdf2.datasheet.su/perkinelmer%2 ... vtl5c2.pdf
Как-то раз, я, подобный оптрон сам делал:
Изображение Изображение Изображение Изображение
В этой схеме, как я понимаю, параметры оптопары не очень важны, это "ограничитель сигнала"- как только уровени сигнала на выходе превысит какой-то уровень, "сработает" оптрон, и "немного закоротит" сигнал на входе.

https://aliexpress.ru/item/1005008704481428.html
https://aliexpress.ru/item/1005008533485366.html
https://aliexpress.ru/item/1005009379034687.html
https://aliexpress.ru/item/1005008767097512.html
https://aliexpress.ru/item/1005009326679287.html


Вернуться наверх
 
Не в сети
 Заголовок сообщения: Re: Какой сюда можно поставить оптрон?
СообщениеДобавлено: Вт окт 14, 2025 18:53:56 
Друг Кота
Аватар пользователя

Карма: 20
Рейтинг сообщений: 31
Зарегистрирован: Сб ноя 05, 2022 18:28:06
Сообщений: 4745
Рейтинг сообщения: 0
Ты оптроны сам проверял и как?
А то непонятна их одновременная кончина... у меня сомнения в этом.

Выпаять- На вывод 1 м 2(плюс) подать около 3 В через ограничивающий резистор (300 Ом)и на выводвх 3,4 измерять изменения сопротивления.

Может по питанию косяк?


Вложения:
Op.jpg [77.99 KiB]
Скачиваний: 28

_________________
У меня Твёрдая Тройка по русскому, но, даже я иногда, делаю ошибки.
Вернуться наверх
 
Не в сети
 Заголовок сообщения: Re: Какой сюда можно поставить оптрон?
СообщениеДобавлено: Вт окт 14, 2025 19:24:51 
Друг Кота
Аватар пользователя

Карма: 59
Рейтинг сообщений: 2218
Зарегистрирован: Чт янв 26, 2012 16:44:29
Сообщений: 19576
Откуда: Таксимо
Рейтинг сообщения: 0
Да тролль очередной

_________________
Мои поставщики запчастей с отличной репутацией
texnomag.ru
radioremont.com
pl-1.org
4ip.info
elitan.ru


Вернуться наверх
 
Эиком - электронные компоненты и радиодетали
Показать сообщения за:  Сортировать по:  Вернуться наверх
Начать новую тему Ответить на тему  [ Сообщений: 4 ] 

Часовой пояс: UTC + 3 часа


Кто сейчас на форуме

Сейчас этот форум просматривают: нет зарегистрированных пользователей и гости: 25


Вы не можете начинать темы
Вы не можете отвечать на сообщения
Вы не можете редактировать свои сообщения
Вы не можете удалять свои сообщения
Вы не можете добавлять вложения

Найти:
Перейти:  


Powered by phpBB © 2000, 2002, 2005, 2007 phpBB Group
Русская поддержка phpBB
Extended by Karma MOD © 2007—2012 m157y
Extended by Topic Tags MOD © 2012 m157y