Например TDA7294

Форум РадиоКот • Просмотр темы - Приемник Россия 303 как отключить ДВ
Форум РадиоКот
Здесь можно немножко помяукать :)

Текущее время: Вт дек 30, 2025 23:18:53

Часовой пояс: UTC + 3 часа


ПРЯМО СЕЙЧАС:



Начать новую тему Ответить на тему  [ Сообщений: 113 ]  1, , , , ,  
Автор Сообщение
Не в сети
 Заголовок сообщения: Приемник Россия 303 как отключить ДВ
СообщениеДобавлено: Вс ноя 16, 2025 15:53:58 
Встал на лапы
Аватар пользователя

Зарегистрирован: Ср мар 27, 2024 07:33:06
Сообщений: 119
Рейтинг сообщения: 0
Подскажите пожалуйста как отключить ДВ диапазон. Хочу вместо него впаять модуль блютуз, то есть в положении ДВ галетного переключателя ДВ отключается, а звук с блютуз модуля идёт на усилитель.

Добавлено after 5 minutes 55 seconds:
Схема


Вложения:
IMG-20251116-WA0000.jpg [193.07 KiB]
Скачиваний: 105
IMG_20251116_154655_953.jpg [141.27 KiB]
Скачиваний: 69
IMG_20251116_154653_034.jpg [180.9 KiB]
Скачиваний: 79
Вернуться наверх
 
Не в сети
 Заголовок сообщения: Re: Приемник Россия 303 как отключить ДВ
СообщениеДобавлено: Вс ноя 16, 2025 17:53:21 
Друг Кота
Аватар пользователя

Карма: 107
Рейтинг сообщений: 3311
Зарегистрирован: Сб фев 11, 2017 15:59:13
Сообщений: 14823
Откуда: 57 RUS
Рейтинг сообщения: 1
то есть в положении ДВ галетного переключателя ДВ отключается, а звук с блютуз модуля идёт на усилитель.

Галетный переключатель коммутирует только входные контура и контура гетеродина.
Вам нужно будет отключать питание радиотракта ПЧ и коммутировать вход УНЧ, то есть нужны переключающие контакты, в данном случае с галетником это не реализуемо.
Врежте сторонний переключатель, например маленький тумблер с двумя группами контактов, типа такого:
Изображение
Либо движковый переключатель:
Изображение
Можно поставить кнопочный с фиксацией, типа П2К:
Изображение
Есле не хотите врезать переключатель в корпус, можно спарить пару микриков, и к валу переключения диапазонов приладить какой либо рычаг или тягу, которые будут давить на микрики при включении ДВ диапазона.
Изображение

_________________
НАРОДОВЛАСТИЕ а не дерьмократия!!!
Суверенным и независимым может считаться только то государство, против которого англосаксонские разносчики кланово-олигархической дерьмократии и еврогейских "ценностей" со своими пособниками ввели санкции!


Вернуться наверх
 
Не в сети
 Заголовок сообщения: Re: Приемник Россия 303 как отключить ДВ
СообщениеДобавлено: Вс ноя 16, 2025 18:20:07 
Друг Кота
Аватар пользователя

Карма: 26
Рейтинг сообщений: 823
Зарегистрирован: Сб янв 28, 2006 22:47:24
Сообщений: 5757
Рейтинг сообщения: 0
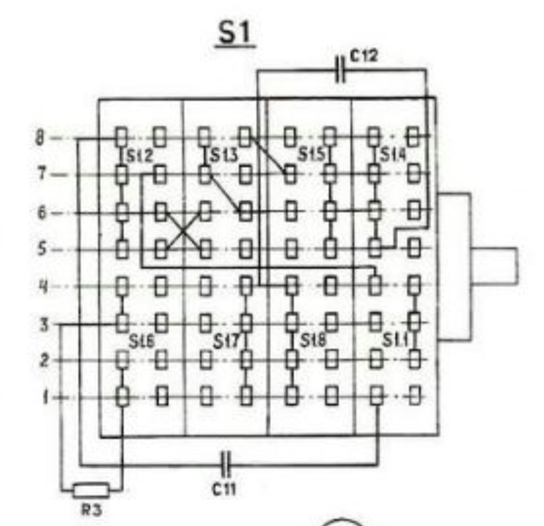
С отпаиванием проводка от контакта 1 секции 8 переключателя В1 гетеродин должен заглохнуть на ДВ.

_________________
Астролябия-сама меряет, было бы что мерять!!!


Вернуться наверх
 
Не в сети
 Заголовок сообщения: Re: Приемник Россия 303 как отключить ДВ
СообщениеДобавлено: Вс ноя 16, 2025 20:49:47 
Встал на лапы
Аватар пользователя

Зарегистрирован: Ср мар 27, 2024 07:33:06
Сообщений: 119
Рейтинг сообщения: 0
От 1 контакта, 8 секции идёт перемычка на 1 контакт, 5,6,7 секции и конденсатор С11 на 7 контакт 1ой секции. Отпаял и конденсатор и перемычку, а ДВ продолжает шипеть

Добавлено after 2 minutes 26 seconds:
то есть в положении ДВ галетного переключателя ДВ отключается, а звук с блютуз модуля идёт на усилитель.

Галетный переключатель коммутирует только входные контура и контура гетеродина.
Вам нужно будет отключать питание радиотракта ПЧ и коммутировать вход УНЧ, то есть нужны переключающие контакты, в данном случае с галетником это не реализуемо.
Врежте сторонний переключатель, например маленький тумблер с двумя группами контактов, типа такого:
Изображение
Либо движковый переключатель:
Изображение
Можно поставить кнопочный с фиксацией, типа П2К:
Изображение
Есле не хотите врезать переключатель в корпус, можно спарить пару микриков, и к валу переключения диапазонов приладить какой либо рычаг или тягу, которые будут давить на микрики при включении ДВ диапазона.
Изображение




А не подскажите в разрыв чего ставить переключатель, желательно на схеме ?


Вернуться наверх
 
Эиком - электронные компоненты и радиодетали
Не в сети
 Заголовок сообщения: Re: Приемник Россия 303 как отключить ДВ
СообщениеДобавлено: Пн ноя 17, 2025 18:24:38 
Друг Кота
Аватар пользователя

Карма: 107
Рейтинг сообщений: 3311
Зарегистрирован: Сб фев 11, 2017 15:59:13
Сообщений: 14823
Откуда: 57 RUS
Рейтинг сообщения: 1
А не подскажите в разрыв чего ставить переключатель, желательно на схеме ?

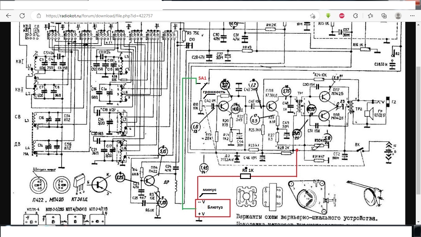
Во первых разорвать вход УНЧ, красный крестик на схеме, отпаять провод с регулятора громкости R18, припаять к нему другой провод и организовать переключение входа регулятора громкости между радиотрактом приёмника и вашим MP3 модулем.
Во вторых организовать отключение питания радиотракта во время подключения MP3 модуля - зелёный крестик.
Если есть третья секция на переключателе, можно организовать отключение смещения на базы транзисторов при включении MP3 модуля, но это необязательно - синий крестик на схеме, как то так.
Картинка кликабельна.

Изображение

_________________
НАРОДОВЛАСТИЕ а не дерьмократия!!!
Суверенным и независимым может считаться только то государство, против которого англосаксонские разносчики кланово-олигархической дерьмократии и еврогейских "ценностей" со своими пособниками ввели санкции!


Вернуться наверх
 
Не в сети
 Заголовок сообщения: Re: Приемник Россия 303 как отключить ДВ
СообщениеДобавлено: Пн ноя 17, 2025 18:31:42 
Друг Кота
Аватар пользователя

Карма: 20
Рейтинг сообщений: 31
Зарегистрирован: Сб ноя 05, 2022 18:28:06
Сообщений: 4743
Рейтинг сообщения: 1
На всех каналах слушай. Или Радио или блютуз.
Если питание отключать ? не думаю намного меньше жрать будет. Но, как вариант, можно будет дополнить отключение.


Изображение

https://img.radiokot.ru/files/151056//3x2cbky3dz.jpg

_________________
У меня Твёрдая Тройка по русскому, но, даже я иногда, делаю ошибки.


Вернуться наверх
 
Не в сети
 Заголовок сообщения: Re: Приемник Россия 303 как отключить ДВ
СообщениеДобавлено: Пн ноя 17, 2025 23:22:41 
Встал на лапы
Аватар пользователя

Зарегистрирован: Ср мар 27, 2024 07:33:06
Сообщений: 119
Рейтинг сообщения: 0
Есть 4 секторный переключатель. 1 секцией отключаем УНЧ радио, и подключаем УНЧ мр3, второй секцией отключаем радиотракт, третьей смещения на базы транзисторов, а четвертой подача питания на мр3. Подскажите УНЧ мы разъединям чтобы сигнал с радио не проскочил на мр3(чтобы не сгорело)? А смещение базы транзисторов для чего нужно, более правильный режим работы УНЧ? И ещё вопрос, получается плюсовой сигнал с мр3 идёт на общий + приемника, а минусовой сигнал идёт на регулятор громкости R18 через 1 секцию переключателя?


Вернуться наверх
 
Не в сети
 Заголовок сообщения: Re: Приемник Россия 303 как отключить ДВ
СообщениеДобавлено: Пн ноя 17, 2025 23:33:06 
Друг Кота
Аватар пользователя

Карма: 20
Рейтинг сообщений: 31
Зарегистрирован: Сб ноя 05, 2022 18:28:06
Сообщений: 4743
Рейтинг сообщения: 0
iCCCP, Тебе нужен ОДИН тумблер!
Ты схему смотрел?

Какое смещение транзисторов, откуда ты чего берёшь?

Бредятины написал тут.....
Сигнал с Радио..... СХЕМУ посмотри!
Радио и МР3 только общее питание имеют.
Правильно распаять только надо, так как Германиевые транзисторы полярность НАОБОРОТ!
Свой МР3 подключить надо ПЛЮС на Общий Радиоприёмника!
Читай схему.

_________________
У меня Твёрдая Тройка по русскому, но, даже я иногда, делаю ошибки.


Вернуться наверх
 
Не в сети
 Заголовок сообщения: Re: Приемник Россия 303 как отключить ДВ
СообщениеДобавлено: Пн ноя 17, 2025 23:36:49 
Друг Кота
Аватар пользователя

Карма: 26
Рейтинг сообщений: 823
Зарегистрирован: Сб янв 28, 2006 22:47:24
Сообщений: 5757
Рейтинг сообщения: 0
От 1 контакта, 8 секции идёт перемычка на 1 контакт, 5,6,7 секции и конденсатор С11 на 7 контакт 1ой секции. Отпаял и конденсатор и перемычку, а ДВ продолжает шипеть
Значит УПЧ шибко шумный. Тогда указанной группой контактов (после их отсоединения от цепей гетеродина) либо выход детектора закорачивать, либо АРУ запирать.

Подскажите УНЧ мы разъединям чтобы сигнал с радио не проскочил на мр3(чтобы не сгорело)?
Ничего там не сгорит, мощности сигналов микроскопические. По идее выход эмпэтрешника может шунтировать выход детектора приемника, но последний подключается к входу УНЧ (и выходу детектора) через резистор 10-100 кОм, в силу очень большой амплитуды сигнала на выходе проигрывателя. Благодаря этому резистору шунтирования не будет.

на 1 контакт, 5,6,7 секции и конденсатор С11 на 7 контакт 1ой секции
Вы где-то ошиблись. C11 не имеет отношения к ДВ диапазону.

_________________
Астролябия-сама меряет, было бы что мерять!!!


Последний раз редактировалось Asmodey Пн ноя 17, 2025 23:50:42, всего редактировалось 1 раз.

Вернуться наверх
 
Не в сети
 Заголовок сообщения: Re: Приемник Россия 303 как отключить ДВ
СообщениеДобавлено: Пн ноя 17, 2025 23:47:27 
Друг Кота
Аватар пользователя

Карма: 20
Рейтинг сообщений: 31
Зарегистрирован: Сб ноя 05, 2022 18:28:06
Сообщений: 4743
Рейтинг сообщения: 0
:) Один тумблер! И нету никаких детекторов, никаких АРУ.
Или у меня сегодня что-то с головой, или вы думаете как угробить приёмник совсем.
:)
Ладно, не буду мешать.
А то ещё ночью приснитесь :).

_________________
У меня Твёрдая Тройка по русскому, но, даже я иногда, делаю ошибки.


Вернуться наверх
 
Не в сети
 Заголовок сообщения: Re: Приемник Россия 303 как отключить ДВ
СообщениеДобавлено: Пн ноя 17, 2025 23:50:01 
Встал на лапы
Аватар пользователя

Зарегистрирован: Ср мар 27, 2024 07:33:06
Сообщений: 119
Рейтинг сообщения: 0
iCCCP, Тебе нужен ОДИН тумблер!
Ты схему смотрел?

Какое смещение транзисторов, откуда ты чего берёшь?

Смотрел схему Уважаемого gsmart

Добавлено after 1 minute 14 seconds:
[uquote="МЕХАНИКД",url="/forum/viewtopic.php?p=4764984#p4764984"]iCCCP, Тебе нужен ОДИН тумблер!
Ты схему смотрел?

Какое смещение транзисторов, откуда ты чего берёшь?
.

Смотрел схему Уважаемого gsmart


Вернуться наверх
 
Не в сети
 Заголовок сообщения: Re: Приемник Россия 303 как отключить ДВ
СообщениеДобавлено: Пн ноя 17, 2025 23:50:47 
Друг Кота
Аватар пользователя

Карма: 20
Рейтинг сообщений: 31
Зарегистрирован: Сб ноя 05, 2022 18:28:06
Сообщений: 4743
Рейтинг сообщения: 0
iCCCP, смотри дальше.

Но, это тебе не надо!
удачи.

_________________
У меня Твёрдая Тройка по русскому, но, даже я иногда, делаю ошибки.


Вернуться наверх
 
Не в сети
 Заголовок сообщения: Re: Приемник Россия 303 как отключить ДВ
СообщениеДобавлено: Пн ноя 17, 2025 23:52:45 
Друг Кота
Аватар пользователя

Карма: 26
Рейтинг сообщений: 823
Зарегистрирован: Сб янв 28, 2006 22:47:24
Сообщений: 5757
Рейтинг сообщения: 0
:) Один тумблер! И нету никаких детекторов, никаких АРУ.

Торчащий из корпуса нештатный тумблер, это залет и косяк.

_________________
Астролябия-сама меряет, было бы что мерять!!!


Вернуться наверх
 
Не в сети
 Заголовок сообщения: Re: Приемник Россия 303 как отключить ДВ
СообщениеДобавлено: Пн ноя 17, 2025 23:55:03 
Встал на лапы
Аватар пользователя

Зарегистрирован: Ср мар 27, 2024 07:33:06
Сообщений: 119
Рейтинг сообщения: 0
:) Один тумблер! И нету никаких детекторов, никаких АРУ.
Или у меня сегодня что-то с головой, или вы думаете как угробить приёмник совсем.
:)
Ладно, не буду мешать.
А то ещё ночью приснитесь :).

Логика вашего метода ясна, но не ясно как будет отключаться радиотракт. Разве диапазоны не будут продолжать работать при таком включении? Да мы сигнал с них на УНЧ не будем подавать. Но радиотракт продолжит же работать ? Возможно я чего то не понимаю...


Вернуться наверх
 
Не в сети
 Заголовок сообщения: Re: Приемник Россия 303 как отключить ДВ
СообщениеДобавлено: Вт ноя 18, 2025 00:01:42 
Друг Кота
Аватар пользователя

Карма: 26
Рейтинг сообщений: 823
Зарегистрирован: Сб янв 28, 2006 22:47:24
Сообщений: 5757
Рейтинг сообщения: 1
Даже если будет работать, прослушиваться в динамической головке не будет. О потреблении можно не беспокоиться, один эмпе3 модуль жрет как 10 таких УВЧ-УПЧ.

_________________
Астролябия-сама меряет, было бы что мерять!!!


Вернуться наверх
 
Не в сети
 Заголовок сообщения: Re: Приемник Россия 303 как отключить ДВ
СообщениеДобавлено: Вт ноя 18, 2025 00:11:47 
Встал на лапы
Аватар пользователя

Зарегистрирован: Ср мар 27, 2024 07:33:06
Сообщений: 119
Рейтинг сообщения: 0
на 1 контакт, 5,6,7 секции и конденсатор С11 на 7 контакт 1ой секции Вы где-то ошиблись. C11 не имеет отношения к ДВ диапазону.

1 Контакт, восьмая секция. Один конец конденсатора С11 весит на ней

Добавлено after 4 minutes 28 seconds:
Даже если будет работать, прослушиваться в динамической головке не будет. О потреблении можно не беспокоиться, один эмпе3 модуль жрет как 10 таких УВЧ-УПЧ.

Понял, а подскажите зачем мы с минуса «эмпэ3»:) тянем резистор 1кОм?

Добавлено after 2 minutes 14 seconds:
Просто понижаем сигнал на вход УНЧ ?


Вложения:
Screenshot_20251118-000208_1.jpg [105.48 KiB]
Скачиваний: 34
Вернуться наверх
 
Не в сети
 Заголовок сообщения: Re: Приемник Россия 303 как отключить ДВ
СообщениеДобавлено: Вт ноя 18, 2025 00:20:46 
Друг Кота
Аватар пользователя

Карма: 20
Рейтинг сообщений: 31
Зарегистрирован: Сб ноя 05, 2022 18:28:06
Сообщений: 4743
Рейтинг сообщения: 0
Asmodey писал(а):
Торчащий из корпуса нештатный тумблер, это залет и косяк.


Тумблеры разные бывают.
Есть которые ногтём переключают и с внутренней стороны приделаны/приклеены.
Залёт и косяк -это то что вы тут "разрабатываете" :).

_________________
У меня Твёрдая Тройка по русскому, но, даже я иногда, делаю ошибки.


Вернуться наверх
 
Не в сети
 Заголовок сообщения: Re: Приемник Россия 303 как отключить ДВ
СообщениеДобавлено: Вт ноя 18, 2025 00:21:50 
Друг Кота
Аватар пользователя

Карма: 26
Рейтинг сообщений: 823
Зарегистрирован: Сб янв 28, 2006 22:47:24
Сообщений: 5757
Рейтинг сообщения: 0
1 Контакт, восьмая секция. Один конец конденсатора С11 весит на ней

Имелась ввиду 8_я секция по принципиальной схеме, Б1/8. В районе подключения резистора R3.
Залёт и косяк -это то что вы тут "разрабатываете" :).

Мои решения как правило красивы и элегантны. Дополнительный орган управления, пусть даже ногтем подцепляемый - некрасиво. Только на крайний случай, когда других вариантов нет. А здесь хренова группа контактов свободных получается, вариантов сколько угодно.

Понял, а подскажите зачем мы с минуса «эмпэ3»:) тянем резистор 1кОм?

не 1, а 10-100. Не с минуса, с выхода. Между выходом проигрывателя и выходом детектора (он же вход УНЧ). Верхнее плечо делителя для уменьшения амплитуды сигнала. Нижним плечом будет служить переменный резистор регулятора громкости. Кроме того этот же резистор будет "антишунтирующим", не позволит плееру закоротить довольно высокоомный выходе детектора. Без чего, возможно, приемник будет молчать и на СВ-КВ тоже.

_________________
Астролябия-сама меряет, было бы что мерять!!!


Вернуться наверх
 
Не в сети
 Заголовок сообщения: Re: Приемник Россия 303 как отключить ДВ
СообщениеДобавлено: Вт ноя 18, 2025 01:07:24 
Встал на лапы
Аватар пользователя

Зарегистрирован: Ср мар 27, 2024 07:33:06
Сообщений: 119
Рейтинг сообщения: 0
Имелась ввиду 8_я секция по принципиальной схеме, Б1/8. В районе подключения резистора R3.

Аа Понял, накосячил. А про минус это я действительно не так выразился, выход эмпэ3 . Хотя в моём случае в mp3 земля общая( минусовое питание и выход звонятся)


Вернуться наверх
 
Не в сети
 Заголовок сообщения: Re: Приемник Россия 303 как отключить ДВ
СообщениеДобавлено: Вт ноя 18, 2025 01:28:44 
Друг Кота
Аватар пользователя

Карма: 26
Рейтинг сообщений: 823
Зарегистрирован: Сб янв 28, 2006 22:47:24
Сообщений: 5757
Рейтинг сообщения: 0
Там куда R3 подключен на переключателе (1 контакт), должен быть еще один провод припаян. Резистор и провод от контакта переключателя отпаяйте, соедините их (резистор и провод) вместе и заизолируйте.

_________________
Астролябия-сама меряет, было бы что мерять!!!


Вернуться наверх
 
Показать сообщения за:  Сортировать по:  Вернуться наверх
Начать новую тему Ответить на тему  [ Сообщений: 113 ]  1, , , , ,  

Часовой пояс: UTC + 3 часа


Кто сейчас на форуме

Сейчас этот форум просматривают: нет зарегистрированных пользователей и гости: 48


Вы не можете начинать темы
Вы не можете отвечать на сообщения
Вы не можете редактировать свои сообщения
Вы не можете удалять свои сообщения
Вы не можете добавлять вложения

Найти:
Перейти:  


Powered by phpBB © 2000, 2002, 2005, 2007 phpBB Group
Русская поддержка phpBB
Extended by Karma MOD © 2007—2012 m157y
Extended by Topic Tags MOD © 2012 m157y