Например TDA7294

Форум РадиоКот • Просмотр темы - Ремонт авто-вентилятора.
Форум РадиоКот
Здесь можно немножко помяукать :)

Текущее время: Пт апр 03, 2026 07:54:33

Часовой пояс: UTC + 3 часа


ПРЯМО СЕЙЧАС:



Начать новую тему Ответить на тему  [ Сообщений: 6 ] 
Автор Сообщение
 Заголовок сообщения: Ремонт авто-вентилятора.
СообщениеДобавлено: Сб июн 07, 2025 15:50:05 
Родился

Зарегистрирован: Сб июн 07, 2025 15:33:55
Сообщений: 2
Рейтинг сообщения: 0
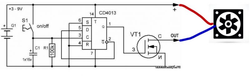
Добрый день. Пытаюсь запускать два авто-вентилятора (5v, 2A, 10W) с кнопок без фиксации. У каждого своя кнопка. Оригинальная плата сгорела, поэтому решил сделать всё на триггере CD4013BE. Запитал от блока питания на 5.5V 500mA.
Нашёл схему в сети и делал по ней. Только конденсаторы заменил на керамические 0.2мкф, а резисторы - 150Ком.
Суть проблемы в том, что левый вентилятор отлично работает, реагирует на кнопку вполне адекватно. А вот второй включается сразу, причём с явными прерываниями, но со временем они проходят, на кнопку не реагирует.
На макетной плате всё работало, паял навесным монтажом, всё перепроверил, прозвонил. Подскажите пожалуйста, в чём может быть проблема, уже много времени потратил на поиски решения, и сразу скажу что я образования не имею, когда-то давно интересовался электроникой, впервые использую триггер.
Изображение


Вложения:
my.jpg [55.96 KiB]
Скачиваний: 58
Вернуться наверх
 
 Заголовок сообщения: Re: Ремонт авто-вентилятора.
СообщениеДобавлено: Сб июн 07, 2025 21:01:17 
Друг Кота
Аватар пользователя

Карма: 83
Рейтинг сообщений: 1085
Зарегистрирован: Ср мар 25, 2015 15:25:51
Сообщений: 6138
Откуда: ст. Новоминская
Рейтинг сообщения: 0
У Вас:
Darnov писал(а):
авто-вентилятора (5v, 2A, 10W)

А блок питания:
Darnov писал(а):
блока питания на 5.5V 500mA

Ну и что будет если к БП с выходом 5,5х0,5=2,75 Вт подключить нагрузку (вентилятор) 10 Вт? :dont_know:


Вернуться наверх
 
 Заголовок сообщения: Re: Ремонт авто-вентилятора.
СообщениеДобавлено: Сб июн 07, 2025 21:48:12 
Друг Кота
Аватар пользователя

Карма: 197
Рейтинг сообщений: 8655
Зарегистрирован: Пн ноя 30, 2009 03:00:01
Сообщений: 43725
Откуда: Нерезиновая
Рейтинг сообщения: 0
Darnov писал(а):
А вот второй включается сразу, причём с явными прерываниями, но со временем они проходят, на кнопку не реагирует.

У вас нет цепочки установки триггера в "ноль", поэтому триггер, при подаче питания, может "встать" в любое положение. Цепочка установки в ноль- делается вот так:
СпойлерИзображение
Вложение:
триггер4013.png [209.91 KiB]
Скачиваний: 412

Можно даже одну цепочку на оба триггера. Резистор.. Ну, 10 кОм вполне достаточно.

зы.. Вообще- гораздо стабильнее работает подобный переключатель на 555 таймере (искать включение одной кнопкой)
СпойлерИзображение


зы.. По поводу малой мощности вашего БП - полностью поддерживаю АлександрNZ

зызы.. Странный какой-то "автовентилятор" - на 5 вольт.. Обычно всё "авто" это 12 вольт.

И ещё- от 5 вольт, не каждый МОСФЕТ может полностью открыться, какой стоит у вас? При чём- одинаковые транзисторы могут иметь разброс по напряжению полного открытия (параметр в даташите- Gate Threshold Voltage)


Вернуться наверх
 
 Заголовок сообщения: Re: Ремонт авто-вентилятора.
СообщениеДобавлено: Вс июн 08, 2025 09:48:54 
Друг Кота
Аватар пользователя

Карма: 107
Рейтинг сообщений: 3343
Зарегистрирован: Сб фев 11, 2017 15:59:13
Сообщений: 15040
Откуда: 57 RUS
Рейтинг сообщения: 0
Для питания моторов использовать поляризационное реле, приводимое кнопкой без фиксации, не?

_________________
НАРОДОВЛАСТИЕ а не кланово-олигархическая дерьмократия!!!
Цифровому рабству, навязываемому цифровым олигархатом - НЕТ!


Вернуться наверх
 
Эиком - электронные компоненты и радиодетали
 Заголовок сообщения: Re: Ремонт авто-вентилятора.
СообщениеДобавлено: Вс июн 08, 2025 14:10:25 
Друг Кота
Аватар пользователя

Карма: 107
Рейтинг сообщений: 3852
Зарегистрирован: Пн фев 09, 2009 22:19:49
Сообщений: 25696
Откуда: Когда-то был прекрасный город для людей
Рейтинг сообщения: 0
Сколько стоит, то реле-то...


Вернуться наверх
 
 Заголовок сообщения: Re: Ремонт авто-вентилятора.
СообщениеДобавлено: Вс июн 08, 2025 15:38:55 
Родился

Зарегистрирован: Сб июн 07, 2025 15:33:55
Сообщений: 2
Рейтинг сообщения: 0
Добрый день. Благодаря вашим советам всё исправно заработало, спасибо большое.
Схему не менял, взял блок питания на 5v, 1.5А, и всё стало как нужно. При подаче питания вентиляторы не запускаются, как и должно быть, пока не будет нажата кнопка. Есть небольшое неудобство, чтоб остановить вентилятор нужно слегка удержать палец на кнопке, иначе не срабатывает. Думаю что это связано с ёмкостью конденсатора, поправьте, если не прав. Да, на вентиляторах написано 2А, но я сомневаюсь, что это так, не измерял. Вентилятор предполагается подключать в машине, там 12В, но я не рискнул пробовать, боюсь что погорят вентиляторы, не знаю что там внутри. Пробовал пускать 12В через китайскую понижайку, но они так не работают, при удержании кнопки вращаются только, отпускаешь - останавливаются. Да и понижайка греется. Пробовал диапазон от 4-7В. Не знаю с чем связано. Мосфеты у меня IRFZ44n, возможно он не полностью открыт при 5В, но они не греются вообще.
Так что нужно искать подходящий источник в машине.


Вернуться наверх
 
Показать сообщения за:  Сортировать по:  Вернуться наверх
Начать новую тему Ответить на тему  [ Сообщений: 6 ] 

Часовой пояс: UTC + 3 часа


Вы не можете начинать темы
Вы не можете отвечать на сообщения
Вы не можете редактировать свои сообщения
Вы не можете удалять свои сообщения
Вы не можете добавлять вложения

Найти:
Перейти:  


Powered by phpBB © 2000, 2002, 2005, 2007 phpBB Group
Русская поддержка phpBB
Extended by Karma MOD © 2007—2012 m157y
Extended by Topic Tags MOD © 2012 m157y