Например TDA7294

Форум РадиоКот • Просмотр темы - А кто тут занимается ремонтом компьютерных БП? Есть вопрос.
Форум РадиоКот
Здесь можно немножко помяукать :)

Текущее время: Пт дек 19, 2025 15:32:36

Часовой пояс: UTC + 3 часа


ПРЯМО СЕЙЧАС:



Начать новую тему Ответить на тему  [ Сообщений: 2672 ]     ... , , , 130, , , ,  
Автор Сообщение
Не в сети
 Заголовок сообщения: Re: А кто тут занимается ремонтом компьютерных БП? Есть вопр
СообщениеДобавлено: Ср авг 12, 2020 10:23:29 
Друг Кота

Карма: 27
Рейтинг сообщений: 1283
Зарегистрирован: Ср фев 11, 2009 20:35:58
Сообщений: 7853
Рейтинг сообщения: 0
Стоял на 100в , заменил на 40в и вся причина.


Вернуться наверх
 
Не в сети
 Заголовок сообщения: Re: А кто тут занимается ремонтом компьютерных БП? Есть вопр
СообщениеДобавлено: Ср авг 12, 2020 12:18:46 
Родился

Зарегистрирован: Чт июн 09, 2016 11:16:13
Сообщений: 2
Рейтинг сообщения: 0
Спасибо за ответ. Сразу возникла два вопроса. Зачем там диод на 100 вольт если с трансформатора выходит 12. И Второй. После предыдущего аналогичного ремонта блок проработал пол года, а сейчас диоды горяд один за другим. В чем может быть причина.
P/S
Оригинальные диоды выписал, жду доставку.


Вернуться наверх
 
Не в сети
 Заголовок сообщения: Re: А кто тут занимается ремонтом компьютерных БП? Есть вопр
СообщениеДобавлено: Ср авг 12, 2020 23:04:33 
Родился
Аватар пользователя

Зарегистрирован: Пн янв 06, 2020 15:38:38
Сообщений: 18
Откуда: Смоленск
Рейтинг сообщения: 0
Уважаемые Радиокоты. Подскажите. Сгорел у меня разьем 8 pin. В продаже на Чипе есть mf2x4mr и mf2x4ma. Какой из них для питания cpu и gpu? Не могу разобраться. В одном треугольники снизу по краям, а сверху шестиугольники пины, в другом квадрат шестиугольник снизу, шестиугольник квадрат сверху. Какой из них какой по маркировке? Мне нужен как на фото.
Изображение

Добавлено after 1 hour 47 minutes 35 seconds:
Re: А кто тут занимается ремонтом компьютерных БП? Есть вопрос.
winorun, у 1N5819 28 В максимальное среднеквадратичное на переменке. Возможно выбросы с первички тр-ра. У Вас -12 вольт после стабилизатора, на диоде выше отрицательное напряжение. Надо проверять. Как вариант еще неисправность снаббера, утечка конденсаторов, превышен ток диода неисправностью цепи -12В или неисправность шим/ключей/стабилизатора отриц. полярности, банальный брак (перемаркировка) диода.


Последний раз редактировалось -nikoolas- Ср авг 12, 2020 23:31:49, всего редактировалось 1 раз.

Вернуться наверх
 
Не в сети
 Заголовок сообщения: Re: А кто тут занимается ремонтом компьютерных БП? Есть вопр
СообщениеДобавлено: Ср авг 12, 2020 23:17:12 
Друг Кота
Аватар пользователя

Карма: 182
Рейтинг сообщений: 8322
Зарегистрирован: Пт фев 04, 2011 17:57:51
Сообщений: 20012
Откуда: Рыбинск
Рейтинг сообщения: 0
Медали: 1
Лучший человек Форума 2017 (1)
-nikoolas- писал(а):
Надо проверять. Как вариант еще неисправность
В ИИП любой топологии, применяемой в АТХ, обратное напряжение диода выпрямителя многократно превышает выходное напряжение выпрямителя, тем более там не -12 на выходе, а вольт -15, тк потом стоит 7912 стаб еще. Поэтому нормально, когда в 12 Выпрямителе стоят диоды на 60-100-200В.
Даже в обычном однополупериодном выпрямителе на 12В с железного транса 50Гц, 40 В диод быстро убьется ,тк обратное там будет как раз эти почти 40В (3U).
Кстати, шоттки в этом выпрямителе не обязательно ставить, он маломощный, поэтому падение не имеет большого значения, можно ультрафасты ставить, к том у же они более живучие и их легко найти хоть на 1000В.


Вернуться наверх
 
Эиком - электронные компоненты и радиодетали
Не в сети
 Заголовок сообщения: Ремонт Блока Питания
СообщениеДобавлено: Ср авг 19, 2020 15:06:12 
Родился

Зарегистрирован: Ср авг 19, 2020 14:53:42
Сообщений: 2
Рейтинг сообщения: 0
Всем привет. Сразу хочу сказать что я новенький в этом деле.
Достался БП от друга, который судя по черной плате и неработающему вентилятору перегрелся и сгорел.
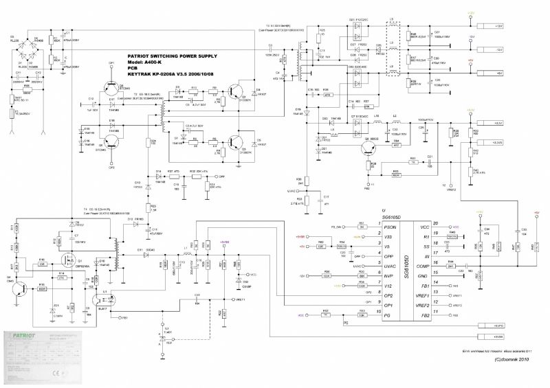
Не нашел конкретно на свой БП схему, но нашел идентичную
Спойлер[img][img]http://img.radiokot.ru/files/141482/thumbnail/2adpgekt66.jpg[/img][/img]

https://i.imgur.com/NqRhARJ.jpg
Потыкав мультиметром нашел нерабочий биполярный транзистор 13007 и обгоревшие резисторы, заменил.
Но штука в том что на месте резистора R14 ничего небыло впаяно хотя на схеме он есть, я его впаял согласно схеме.
И при включении БП обгорел резистор R15 прям возле этого R14 и так же сгорел полевой транзистор CM20N60F
Что я делаю не так? Впаять новый транзистор, но не впаивать резистор R14 т.е сделать как было раньше? Но он же есть на схеме.
Еще на выходе блока питания конденсаторы в коротком замыкании, почему?


Вернуться наверх
 
Не в сети
 Заголовок сообщения: Re: А кто тут занимается ремонтом компьютерных БП? Есть вопр
СообщениеДобавлено: Чт авг 20, 2020 00:01:35 
Родился

Зарегистрирован: Ср авг 19, 2020 14:53:42
Сообщений: 2
Рейтинг сообщения: 0
как проверить шим этот SG6105ADZ?


Вернуться наверх
 
Не в сети
 Заголовок сообщения: Re: А кто тут занимается ремонтом компьютерных БП? Есть вопр
СообщениеДобавлено: Сб авг 22, 2020 18:56:29 
Друг Кота

Карма: 62
Рейтинг сообщений: 750
Зарегистрирован: Пт авг 04, 2017 19:36:00
Сообщений: 5635
Откуда: постнурсултанат Боратистан
Рейтинг сообщения: 0
ШИМ скорее всего жива. Тебе чинить по частям надо.
Сначала дежурку сделать. Там надо проверять все резисторы и полупроводники. R7 скорее всего в обрыве. Пробное включение блока делать через обычную лампу накаливания в разрыве сетевого провода.


Вернуться наверх
 
Не в сети
 Заголовок сообщения: Re: А кто тут занимается ремонтом компьютерных БП? Есть вопр
СообщениеДобавлено: Ср окт 14, 2020 23:37:34 
Потрогал лапой паяльник

Карма: 1
Рейтинг сообщений: 13
Зарегистрирован: Вс мар 13, 2016 15:47:30
Сообщений: 324
Откуда: Брянская область
Рейтинг сообщения: 0
здравствуйте, имеется блок питания hiper type k700, с диагнозом - не включается. Дежурка есть, ps on тоже в норме 5 вольт. При закорачивании pson напряжения поднимаются (3,3в до 2,4; 12в до 0,1в; 5в до 3,5вольт) и тут же блок тухнет. Пробовал подпаивать входной электролит параллельно стоящему, выпаивал диодные сборки на выходе - одна из них, которая выходит на 5 вольтовую линию, была с падением 54 милливольта. Остальные около 100. Ее я заменил, правда, поставил на меньший ток (стояла stp s60 l45, взамен поставил s40d45c).Никаких изменений в работе блока. Также запуск и тут же тухнет. На микросхеме cm6806 8 вывод (vcc) 1,2в. 2 нога 0,7в. 5,7 ноги по 1,8 вольта. Схемы на блок не нашел. На сетевой банке 320 вольт. Транзисторы в горячей части прозвонил -целые. Страховочная лампа при запуске мигает один раз как положено.

Добавлено after 10 minutes 33 seconds:
Re: А кто тут занимается ремонтом компьютерных БП? Есть вопрос.
супервизор hy510n
в дежурном режиме 3,4 ноги 5,1 вольта. 7 нога 4,6в.
После нажатия кнопки на 3 и 7 ногах напряжение такое же, на 4 ноге 0,3 вольта становится.


Вернуться наверх
 
Не в сети
 Заголовок сообщения: Re: А кто тут занимается ремонтом компьютерных БП? Есть вопр
СообщениеДобавлено: Чт окт 15, 2020 03:02:33 
Мучитель микросхем
Аватар пользователя

Карма: 7
Рейтинг сообщений: 101
Зарегистрирован: Ср сен 16, 2020 20:38:41
Сообщений: 435
Откуда: Краснодарский край, г.Абинск
Рейтинг сообщения: 0
san250590, посмотри внимательнее цепи 12 В выпрямителя, судя по твоему описанию там короткое может быть.

_________________
Лучше сделать и жалеть, чем жалеть, что не сделал ...


Вернуться наверх
 
Не в сети
 Заголовок сообщения: Re: А кто тут занимается ремонтом компьютерных БП? Есть вопр
СообщениеДобавлено: Чт окт 15, 2020 08:55:12 
Друг Кота

Карма: 62
Рейтинг сообщений: 750
Зарегистрирован: Пт авг 04, 2017 19:36:00
Сообщений: 5635
Откуда: постнурсултанат Боратистан
Рейтинг сообщения: 0
Проверьте выход 12в на отсутствие КЗ. Если КЗ нету то для начала тупо поменять конденсатор там.


Вернуться наверх
 
Не в сети
 Заголовок сообщения: Re: А кто тут занимается ремонтом компьютерных БП? Есть вопр
СообщениеДобавлено: Чт окт 15, 2020 13:34:55 
Потрогал лапой паяльник

Карма: 1
Рейтинг сообщений: 13
Зарегистрирован: Вс мар 13, 2016 15:47:30
Сообщений: 324
Откуда: Брянская область
Рейтинг сообщения: 0
Схему бы найти


Вернуться наверх
 
Не в сети
 Заголовок сообщения: Re: А кто тут занимается ремонтом компьютерных БП? Есть вопр
СообщениеДобавлено: Чт окт 15, 2020 14:26:01 
Мучитель микросхем
Аватар пользователя

Карма: 7
Рейтинг сообщений: 101
Зарегистрирован: Ср сен 16, 2020 20:38:41
Сообщений: 435
Откуда: Краснодарский край, г.Абинск
Рейтинг сообщения: 0
san250590, со схемой именно К700 туго ... :cry:
Вообще этот блок, это разработка Andyson (линейка Performance). K700 по схемотехнике практически повторяет М700. На этой платформе (Andyson) существуют блоки под брендами Hyper, Aerocool, Raidmax ... покопайте Интернет :))
Я бы не стал много времени тратить -- мультиметр, карандаш, листочек бумаги и вперёд, начиная с конца :))

Тем более, что блок у Вас всё-таки запускается, ищите причину перегрузки по выходу. Начните с отключения вентилятора с подсветкой.

_________________
Лучше сделать и жалеть, чем жалеть, что не сделал ...


Вернуться наверх
 
Не в сети
 Заголовок сообщения: Re: А кто тут занимается ремонтом компьютерных БП? Есть вопр
СообщениеДобавлено: Чт окт 15, 2020 17:02:59 
Потрогал лапой паяльник

Карма: 1
Рейтинг сообщений: 13
Зарегистрирован: Вс мар 13, 2016 15:47:30
Сообщений: 324
Откуда: Брянская область
Рейтинг сообщения: 0
вентилятор отключен, в общем сопротивление по выходу 12в 47 ом. по 3,3в 33 ома. При замыкании ps on страховочная лампочка 60 ватт вспыхивает.

Добавлено after 16 minutes 33 seconds:
Re: А кто тут занимается ремонтом компьютерных БП? Есть вопрос.
напряжение 12в при попытке старта поднимается до 1,2 вольта


Вернуться наверх
 
Не в сети
 Заголовок сообщения: Re: А кто тут занимается ремонтом компьютерных БП? Есть вопр
СообщениеДобавлено: Чт окт 15, 2020 17:57:33 
Мучитель микросхем
Аватар пользователя

Карма: 7
Рейтинг сообщений: 101
Зарегистрирован: Ср сен 16, 2020 20:38:41
Сообщений: 435
Откуда: Краснодарский край, г.Абинск
Рейтинг сообщения: 0
напряжение 12в при попытке старта поднимается до 1,2 вольта


От это-то и смущает ...

При измерении сопротивления по выходу, полярность пробовали менять? Что видно?
Сопротивление при отключенной нагрузке меряете?
А по каналу + 5 В что мультиметр говорит?


Стоит проверить цепь питания ШИМ (от 8 ноги), питание идёт на неё через транзисторные ключи, с "разрешением" от +5 Standby через оптопару. Посмотреть всё нужно подробненько :)

_________________
Лучше сделать и жалеть, чем жалеть, что не сделал ...


Вернуться наверх
 
Не в сети
 Заголовок сообщения: Re: А кто тут занимается ремонтом компьютерных БП? Есть вопр
СообщениеДобавлено: Чт окт 15, 2020 20:20:57 
Потрогал лапой паяльник

Карма: 1
Рейтинг сообщений: 13
Зарегистрирован: Вс мар 13, 2016 15:47:30
Сообщений: 324
Откуда: Брянская область
Рейтинг сообщения: 0
Сопротивление линий без нагрузки. Полярность щупов не изменяет показания, 46 ом в обе стороны. По 5в линии сопротивление начинается с 40 (заряжаются электролиты) и растет до 150 ом.


Вернуться наверх
 
Не в сети
 Заголовок сообщения: Re: А кто тут занимается ремонтом компьютерных БП? Есть вопр
СообщениеДобавлено: Чт окт 15, 2020 20:44:07 
Друг Кота
Аватар пользователя

Карма: 182
Рейтинг сообщений: 8322
Зарегистрирован: Пт фев 04, 2011 17:57:51
Сообщений: 20012
Откуда: Рыбинск
Рейтинг сообщения: 0
Медали: 1
Лучший человек Форума 2017 (1)
Там вообще то резисторы нагрузочные стоят по 3,3В , 5В и 12 В , иногда по несколько штук в параллель.


Вернуться наверх
 
Не в сети
 Заголовок сообщения: Re: А кто тут занимается ремонтом компьютерных БП? Есть вопр
СообщениеДобавлено: Чт окт 15, 2020 21:04:57 
Мучитель микросхем
Аватар пользователя

Карма: 7
Рейтинг сообщений: 101
Зарегистрирован: Ср сен 16, 2020 20:38:41
Сообщений: 435
Откуда: Краснодарский край, г.Абинск
Рейтинг сообщения: 0
san250590, вот-вот, и 12 В, и 3,3 В каналы должны вести себя подобным образом (заряд / разряд конденсатора до определённого "потолка").

Начиная с выходного конденсатора проверить все элементы канала. Неисправные / подозрительные -- заменить, посмотреть, что получится. Если ESR-метра нет, конденсаторы заменой проверить.

Там вообще то резисторы нагрузочные стоят по 3,3В , 5В и 12 В , иногда по несколько штук в параллель.

... и в любом случае, при исправных конденсаторах мультиметр сначала в минус улетит при смене полярности :))

_________________
Лучше сделать и жалеть, чем жалеть, что не сделал ...


Вернуться наверх
 
Не в сети
 Заголовок сообщения: Re: А кто тут занимается ремонтом компьютерных БП? Есть вопр
СообщениеДобавлено: Пт окт 16, 2020 16:59:45 
Потрогал лапой паяльник

Карма: 1
Рейтинг сообщений: 13
Зарегистрирован: Вс мар 13, 2016 15:47:30
Сообщений: 324
Откуда: Брянская область
Рейтинг сообщения: 0
Про резисторы забыл, посмотрю


Вернуться наверх
 
Не в сети
 Заголовок сообщения: Re: А кто тут занимается ремонтом компьютерных БП? Есть вопр
СообщениеДобавлено: Пн окт 19, 2020 20:54:12 
Потрогал лапой паяльник

Карма: 1
Рейтинг сообщений: 13
Зарегистрирован: Вс мар 13, 2016 15:47:30
Сообщений: 324
Откуда: Брянская область
Рейтинг сообщения: 0
В общем снял конденсаторы на выходе бп по 12в линии и резистор нагрузки на 46 ом. Все также блок не пускается, 22 килоом где-то сопротивление на этой линии. Надо проверять, почему нет питания на ШИМ 6806


Вернуться наверх
 
Не в сети
 Заголовок сообщения: Re: А кто тут занимается ремонтом компьютерных БП? Есть вопр
СообщениеДобавлено: Пт ноя 27, 2020 14:54:43 
Открыл глаза

Зарегистрирован: Ср янв 17, 2018 17:38:51
Сообщений: 65
Рейтинг сообщения: 0
Здравствуйте товарищи. Запорол БП Foxconn-FX450. Работал хорошо. Но так получилось, что нечаянно закоротил или +12в или +5в на корпус. Искра и писец. Дежурка есть (на DM311). ШИМ 3528 на отдельной плате.
+5V SB - 5.04
PC-ON - 4.55
PG - 0.01
+12V - 2.15
+5V - 0.59
+3.3V - 0.46
-12V - 1.54
Куда рыть?


Вернуться наверх
 
Показать сообщения за:  Сортировать по:  Вернуться наверх
Начать новую тему Ответить на тему  [ Сообщений: 2672 ]     ... , , , 130, , , ,  

Часовой пояс: UTC + 3 часа


Кто сейчас на форуме

Сейчас этот форум просматривают: нет зарегистрированных пользователей и гости: 14


Вы не можете начинать темы
Вы не можете отвечать на сообщения
Вы не можете редактировать свои сообщения
Вы не можете удалять свои сообщения
Вы не можете добавлять вложения

Найти:
Перейти:  


Powered by phpBB © 2000, 2002, 2005, 2007 phpBB Group
Русская поддержка phpBB
Extended by Karma MOD © 2007—2012 m157y
Extended by Topic Tags MOD © 2012 m157y