Например TDA7294

Форум РадиоКот • Просмотр темы - LC-метр my-6243 сильно врёт на замерах индуктивности
Форум РадиоКот
Здесь можно немножко помяукать :)

Текущее время: Вт мар 03, 2026 19:47:54

Часовой пояс: UTC + 3 часа


ПРЯМО СЕЙЧАС:



Начать новую тему Ответить на тему  [ Сообщений: 5 ] 
Автор Сообщение
 Заголовок сообщения: LC-метр my-6243 сильно врёт на замерах индуктивности
СообщениеДобавлено: Вс окт 12, 2025 22:35:44 
Родился

Зарегистрирован: Ср дек 04, 2013 14:43:20
Сообщений: 7
Рейтинг сообщения: 0
Всем добра! Спалил я когдато давно свой LC-метр - скорее всего замером заряженного кондёра, не помню точно. Пытался тогда его починить, заменив 4 операционника TL062 на входе , но так и не довёл дело до конца. Вчера достал его с полки, стряхнул многолетнюю пыль и частично вылечил, заменив CS7106AGP на К572ПВ5 советского разлива. Так вот - ёмкости прибор меряет нормально, а вот с индуктивностью беда - полная хрень в показаниях. Мало того, при замкнутых щупах вместо нолей кажет 0.191-0.202. Заметил ещё, что при переключении режимов измерений нет совпадения между абревиатурами на корпусе и отображением оных на дисплее. Так, при положении переключателя в диапазонах 2nF-20nF-200nF в правом нижнем углу дисплея высвечивается абревиатура pF а не nF. Соответственно вместо mF высвечивается nF. То же самое тварится и на индуктивностях - вместо H светится mH и т.д. Помимо замены микросхем, указанных выше, были проверены входные диоды и стабилитроны, включая опорный на 1.2 вольта. Нужен пинок, куда копать дальше.


Вложения:
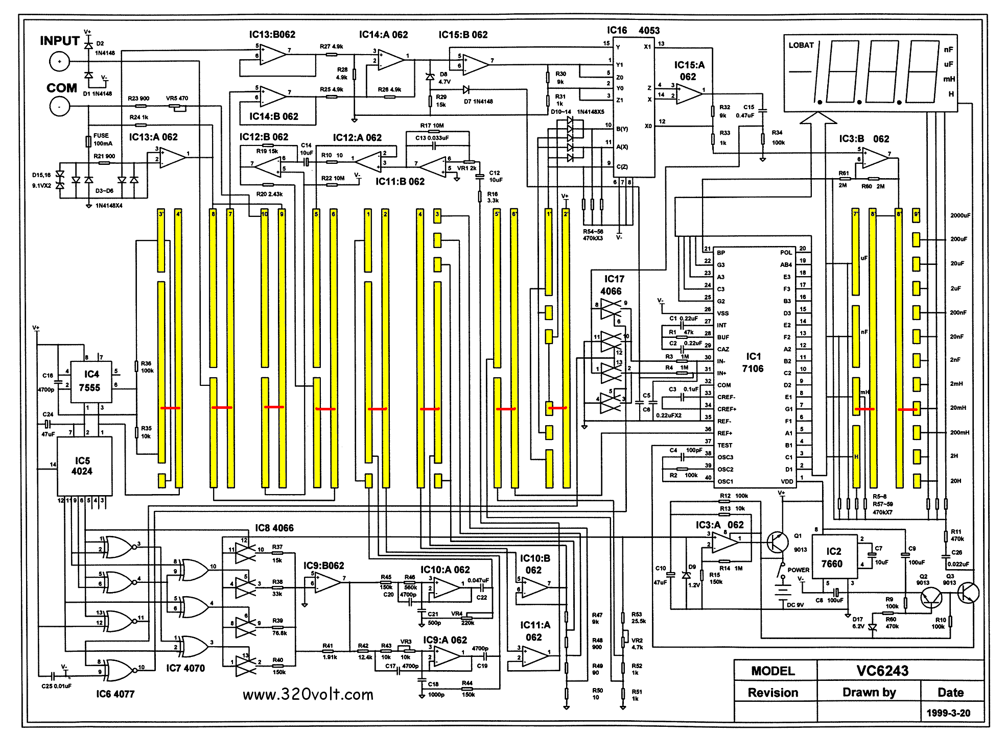
Комментарий к файлу: Похожая схема
1142336118_Victor-VC6243-LC-Meter-VC6243-circuit-VC6243-scehemam.PNG.16f49413989acde301ea17b3e096eae1.png [145.2 KiB]
Скачиваний: 87
Вернуться наверх
 
 Заголовок сообщения: Re: LC-метр my-6243 сильно врёт на замерах индуктивности
СообщениеДобавлено: Вс окт 12, 2025 22:45:59 
Друг Кота
Аватар пользователя

Карма: 182
Рейтинг сообщений: 8343
Зарегистрирован: Пт фев 04, 2011 17:57:51
Сообщений: 20120
Откуда: Рыбинск
Рейтинг сообщения: 0
Медали: 1
Лучший человек Форума 2017 (1)
фан писал(а):
Нужен пинок, куда копать дальше.
Чтобы копать нужна лопата или экскаватор, а чтобы помочь починить что либо, схему надо в первую очередь. А иначе будете только советы, как копать или пинки получать.


Вернуться наверх
 
 Заголовок сообщения: Re: LC-метр my-6243 сильно врёт на замерах индуктивности
СообщениеДобавлено: Пн окт 13, 2025 13:24:23 
Друг Кота
Аватар пользователя

Карма: 4
Рейтинг сообщений: 342
Зарегистрирован: Ср мар 31, 2010 09:33:22
Сообщений: 4920
Откуда: Владивосток
Рейтинг сообщения: 0
Самую большую заменил , меняй тогда по очереди . Ведь все они распространены и дешевы .
Схема в основном есть , просто много коммутирующих крутилкой элементов . А мелочевку можно тестером проверять не выпаивая .

_________________
«Когда у общества нет цветовой дифференциации штанов, то нет цели!»

- Позвольте-с вас спросить, почему от вас так отвратительно пахнет?
- Ну, что ж, пахнет... известно. По специальности. Вчера котов душили, душили. (с)


Вернуться наверх
 
 Заголовок сообщения: Re: LC-метр my-6243 сильно врёт на замерах индуктивности
СообщениеДобавлено: Пт окт 24, 2025 16:27:08 
Родился

Зарегистрирован: Ср дек 04, 2013 14:43:20
Сообщений: 7
Рейтинг сообщения: 0
Менять всё как то не наш метод.... На замерах индуктивности на входном щупе INPUT есть шим-модулированный меандр с частотой в районе 900 герц на разомкнутых щупах. если повесить на них катушку или замкнуть меж собой, то он пропадает. Должен ли он пропадать?


Вернуться наверх
 
Эиком - электронные компоненты и радиодетали
 Заголовок сообщения: Re: LC-метр my-6243 сильно врёт на замерах индуктивности
СообщениеДобавлено: Пт окт 24, 2025 18:14:33 
Друг Кота
Аватар пользователя

Карма: 4
Рейтинг сообщений: 342
Зарегистрирован: Ср мар 31, 2010 09:33:22
Сообщений: 4920
Откуда: Владивосток
Рейтинг сообщения: 0
Твой метод задавать вопросы на коте , на которые могут и не ответить .
Или пустить по ложному пути :))

_________________
«Когда у общества нет цветовой дифференциации штанов, то нет цели!»

- Позвольте-с вас спросить, почему от вас так отвратительно пахнет?
- Ну, что ж, пахнет... известно. По специальности. Вчера котов душили, душили. (с)


Вернуться наверх
 
Показать сообщения за:  Сортировать по:  Вернуться наверх
Начать новую тему Ответить на тему  [ Сообщений: 5 ] 

Часовой пояс: UTC + 3 часа


Вы не можете начинать темы
Вы не можете отвечать на сообщения
Вы не можете редактировать свои сообщения
Вы не можете удалять свои сообщения
Вы не можете добавлять вложения

Найти:
Перейти:  


Powered by phpBB © 2000, 2002, 2005, 2007 phpBB Group
Русская поддержка phpBB
Extended by Karma MOD © 2007—2012 m157y
Extended by Topic Tags MOD © 2012 m157y