Например TDA7294

Форум РадиоКот • Просмотр темы - Хитро-умный аккумулятор.
Форум РадиоКот
Здесь можно немножко помяукать :)

Текущее время: Пт фев 13, 2026 01:29:16

Часовой пояс: UTC + 3 часа


ПРЯМО СЕЙЧАС:



Начать новую тему Ответить на тему  [ Сообщений: 3787 ]     ... , , , 15, , , ...  
Автор Сообщение
Не в сети
 Заголовок сообщения: Re: Хитро-умный аккумулятор.
СообщениеДобавлено: Ср авг 21, 2019 13:33:47 
Друг Кота
Аватар пользователя

Карма: 4
Рейтинг сообщений: 341
Зарегистрирован: Ср мар 31, 2010 09:33:22
Сообщений: 4856
Откуда: Владивосток
Рейтинг сообщения: 0
Цитата:
Софт дольше проживет )

Тем , кому это действительно надо - он уже есть )
И какой смысл заманивать на сторонние ресурсы ?

_________________
«Когда у общества нет цветовой дифференциации штанов, то нет цели!»

- Позвольте-с вас спросить, почему от вас так отвратительно пахнет?
- Ну, что ж, пахнет... известно. По специальности. Вчера котов душили, душили. (с)


Вернуться наверх
 
Не в сети
 Заголовок сообщения: Re: Хитро-умный аккумулятор.
СообщениеДобавлено: Вс авг 25, 2019 15:16:46 
Открыл глаза
Аватар пользователя

Карма: 2
Рейтинг сообщений: 6
Зарегистрирован: Вс авг 25, 2019 14:38:35
Сообщений: 62
Откуда: Беларусь
Рейтинг сообщения: 0
Эээх жаль нет нормального BE2Works, а две батареи полечить оочень охота. программатор китайский читает их, но демкой не сбросить(((.
Изображение


Вернуться наверх
 
Не в сети
 Заголовок сообщения: Re: Хитро-умный аккумулятор.
СообщениеДобавлено: Пт окт 04, 2019 20:55:08 
Открыл глаза
Аватар пользователя

Зарегистрирован: Сб дек 12, 2009 13:17:09
Сообщений: 42
Откуда: Санкт-Петербург
Рейтинг сообщения: 0
Получил с Али SMBUS адаптер на SIL2112 (как в мессаге выше). Есть BE2Works demo (запускается под Windows 7 и Windows XP, скачена с официального сайта) и "не жадная" BE2Works (запускается только под Windows XP). Обе увидели адаптер. И обе же запрашивают номер лицензии. Ввожу любой (как в описании к не жадной, к примеру, 123), перезапускаю... И так по кругу. Т.е. окно программы так и не увидел. Или BE2Works нужно обязательно подключить батарею по SMBUS?

_________________
МГТФ - любимый провод!


Вернуться наверх
 
Не в сети
 Заголовок сообщения: Re: Хитро-умный аккумулятор.
СообщениеДобавлено: Пт окт 04, 2019 23:16:44 
Грызет канифоль

Карма: 15
Рейтинг сообщений: 8
Зарегистрирован: Вс мар 25, 2012 19:07:16
Сообщений: 274
Откуда: Питер
Рейтинг сообщения: 0
нужна чистая WIN XP, сборки и виртуалки не подходят , для запуска программы нужно только Подключённый Адаптер (батарею не надо) , Ввод серийного номера нужен только один раз после установки (любые цифры) , после прога попросит рестарт , и далее все работает ) "не жадную" ставили по инструкции ,,,? 1. Install application.
2. Replace original BE2Works.exe on BE2Works.exe from this folder.
3. Run and enter any serial.
4. Restart programm.


Вернуться наверх
 
Эиком - электронные компоненты и радиодетали
Не в сети
 Заголовок сообщения: Re: Хитро-умный аккумулятор.
СообщениеДобавлено: Сб окт 05, 2019 13:59:39 
Открыл глаза
Аватар пользователя

Зарегистрирован: Сб дек 12, 2009 13:17:09
Сообщений: 42
Откуда: Санкт-Петербург
Рейтинг сообщения: 0
Все попытки запустить "не жадную" версию на нетбуке eMachines EM350 с полностью оригинальной версией Windows XP SP3 x86 RU RTM не увенчались успехом - цикличный запрос кода лицензии. Рез пять переустанавливал (с заменой exe'шника), отключал антивирус (Касперский free), запускал в режиме совместимости... Понять бы, из-за чего такое...

"Не жадная" нормально заработала только на домашнем стареньком десктопе (440BX, PIII Tualatin 1.3GHz) с Windows XP SP3 точно такого же дистрибутива, как и на нетбуке. Батарея нормально прочиталась (BQ8030) и сбросилась с прописью новой ёмкости, т.к. заместо родных 2200 мА/ч ещё три года тому назад были установлены оригинальные элементы Panasoinc на 3400 мА/ч.

Поводом для всех этих манипуляций, послужил факт, что на новых элементах батарея не верно считала остаточную ёмкость. Т.е. заряжалась всего на 67% (индикатор зарядки нетбука так и не менял цвет с оранжевого на синий - полная зарядка) и Windows сообщала о полном разряде акка где-то за 1.5 часа. В то время, как в том же BIOS'е, нетбук мог ещё проработать 1.5 - 2 часа.

Сейчас после сброса и первой зарядки, батарея впервые зарядилась на 100% и правильно показывает остаточную ёмкость в %%% и время работы.

http://vlab.su/viewtopic.php?p=704082#p704082

_________________
МГТФ - любимый провод!


Вернуться наверх
 
Не в сети
 Заголовок сообщения: Re: Хитро-умный аккумулятор.
СообщениеДобавлено: Пт окт 25, 2019 10:28:03 
Потрогал лапой паяльник

Карма: 5
Рейтинг сообщений: 12
Зарегистрирован: Чт апр 02, 2015 17:04:07
Сообщений: 337
Откуда: Тольятти
Рейтинг сообщения: 0
Разобрал батарею на контроллере BQ2084,был запаролен предохранитель сгорел.Поставил перемычку вместо предохранителя,пароль сбросил eeprom прочитал.Но ток заряда сбросить не могу стоит 200ма и не сбрасывается программой be2work demo при сбросе пишет error at address $0076.С батареи напряжения нет.Как сбросить флаг TDA напишите кто знает что нужно прописать в eeprom или SMB командой.Чет в даташите на bq2084 не нашел как сбросить этот флаг.

PS/Вопрос снят сам разобрался.


Последний раз редактировалось ncbelov Пт окт 25, 2019 22:27:35, всего редактировалось 1 раз.

Вернуться наверх
 
Не в сети
 Заголовок сообщения: Re: Хитро-умный аккумулятор.
СообщениеДобавлено: Пт окт 25, 2019 17:17:07 
Открыл глаза

Зарегистрирован: Вт фев 02, 2016 23:41:27
Сообщений: 41
Рейтинг сообщения: 0
Цитата:
R2J240 20F020 LGC Lenovo 6-cells
Нашел адреса блокировки и FCC . Очень трудоемкое дело этот поиск на одной батареи :o . А khseal пропал давно :)
А счетчик циклов правится с демки бетуворкс по адресу 62 в явном виде )
После сборки корпуса и полных двух циклов заряд-разряд - батарея держит 3 часа

Надо было в личку писать, я сюда редко захожу. Т.к. перепаковал свои батареи и успокоился. Надо было скинуть адреса блокировки. Я какой-то кусок динамического дампа менял и заленился точно искать блокировку =) Хотя мне удалось понизить напряжение заряда. Т.к. в этом аккуме использовались батареи 4.35В, а я поставил 4.2В.


Вернуться наверх
 
Не в сети
 Заголовок сообщения: Re: Хитро-умный аккумулятор.
СообщениеДобавлено: Пн окт 28, 2019 19:35:03 
Родился

Зарегистрирован: Пн окт 28, 2019 19:26:22
Сообщений: 3
Откуда: Минск
Рейтинг сообщения: 0
Приветствую всех ! ну так есть хоть одно рабочее решение как прошить BQ2045 может кто нить напишет подробную инструкцию и приложит все ссылки. будет очень полезно для пользователей сайта. А то я пока прочитал все 15 страниц "мурлыканий" так не чего и не понял:) найдись Умный человек!


Вернуться наверх
 
Не в сети
 Заголовок сообщения: Re: Хитро-умный аккумулятор.
СообщениеДобавлено: Ср окт 30, 2019 17:07:55 
Потрогал лапой паяльник

Карма: 5
Рейтинг сообщений: 12
Зарегистрирован: Чт апр 02, 2015 17:04:07
Сообщений: 337
Откуда: Тольятти
Рейтинг сообщения: 0
Приветствую всех ! ну так есть хоть одно рабочее решение как прошить BQ2045 может кто нить напишет подробную инструкцию и приложит все ссылки. будет очень полезно для пользователей сайта. А то я пока прочитал все 15 страниц "мурлыканий" так не чего и не понял:) найдись Умный человек!

Чет не нашел даташит на ваш контроллер есть только BQ2040.Поскольку контроллер старый то можно выпаять(или подпаяться проводками) 24с01 считать с нее прошивку программатором,и поправить прошивку в hex редакторе согласно даташиту-количество циклов,и емкость.


Вернуться наверх
 
Не в сети
 Заголовок сообщения: Re: Хитро-умный аккумулятор.
СообщениеДобавлено: Ср окт 30, 2019 19:09:24 
Родился

Зарегистрирован: Пн окт 28, 2019 19:26:22
Сообщений: 3
Откуда: Минск
Рейтинг сообщения: 0
Приветствую всех ! ну так есть хоть одно рабочее решение как прошить BQ2045 может кто нить напишет подробную инструкцию и приложит все ссылки. будет очень полезно для пользователей сайта. А то я пока прочитал все 15 страниц "мурлыканий" так не чего и не понял:) найдись Умный человек!

Чет не нашел даташит на ваш контроллер есть только BQ2040.Поскольку контроллер старый то можно выпаять(или подпаяться проводками) 24с01 считать с нее прошивку программатором,и поправить прошивку в hex редакторе согласно даташиту-количество циклов,и емкость.

это я балда не так указал маркировку... BQ20z45 вот правильная! может у вас будут ссылки на программатор и программы?


Вернуться наверх
 
Не в сети
 Заголовок сообщения: Re: Хитро-умный аккумулятор.
СообщениеДобавлено: Ср окт 30, 2019 19:35:49 
Потрогал лапой паяльник

Карма: 5
Рейтинг сообщений: 12
Зарегистрирован: Чт апр 02, 2015 17:04:07
Сообщений: 337
Откуда: Тольятти
Рейтинг сообщения: 0
Вы хотя бы обозначили что у вас с батареей,предохранитель цел?Батарея заряжается?Be2work не подходит?Если чип не заблокирован то можно демкой обнулить контроллер батареи,для этого нужен i2c интерфейс на CP2112 стоит 320руб на алиэкспресс. Фирмовый програматор от BQ20z45 EV2300 стоит как крыло от боинга,даже клон на алиэкспресс стоит не малых денег.


Вернуться наверх
 
Не в сети
 Заголовок сообщения: Re: Хитро-умный аккумулятор.
СообщениеДобавлено: Чт окт 31, 2019 19:06:26 
Родился

Зарегистрирован: Пн окт 28, 2019 19:26:22
Сообщений: 3
Откуда: Минск
Рейтинг сообщения: 0
Вы хотя бы обозначили что у вас с батареей,предохранитель цел?Батарея заряжается?Be2work не подходит?Если чип не заблокирован то можно демкой обнулить контроллер батареи,для этого нужен i2c интерфейс на CP2112 стоит 320руб на алиэкспресс. Фирмовый програматор от BQ20z45 EV2300 стоит как крыло от боинга,даже клон на алиэкспресс стоит не малых денег.

Пред целый, перепаивал две банки одна была в КЗ вторая сработала защита по перегреву, i2c интерфейс на CP2112 заказал на али, ещё не пришел(( Be2work это прога которая устанавливается прямо на ноутбук? просто мой ноут даже не видит батареи, потому что с нее не чего не выходит:)


Вернуться наверх
 
Не в сети
 Заголовок сообщения: Re: Хитро-умный аккумулятор.
СообщениеДобавлено: Ср ноя 06, 2019 13:49:03 
Открыл глаза
Аватар пользователя

Зарегистрирован: Вс май 15, 2016 20:34:53
Сообщений: 66
Рейтинг сообщения: 0
Такой вопрос, а если взять допустим акб с износом 90+ процентов и припаять другие банки, возможно как то отпаять, потом обратно припаять плату с контроллером что бы он не залочился?

_________________
.


Вернуться наверх
 
Не в сети
 Заголовок сообщения: Re: Хитро-умный аккумулятор.
СообщениеДобавлено: Вс ноя 10, 2019 18:57:03 
Родился
Аватар пользователя

Зарегистрирован: Вт фев 26, 2019 10:53:59
Сообщений: 10
Рейтинг сообщения: 0
Драсте. Писал давно, что пришла с али мне cp2112 аж 2 шт(ибо при опросе любой из версий - контроллеры переподключаются к пк и be2 сходит с ума... ).
Имею на руках аккумулятор SQU-1310 с микрухой BQ30Z55 2 банки 7.4v 4Ah, был разряжен в 0(зарядил каждую банку до номинальных ~4.1в при помощи tp4056), bq залочился. (новый акб стоит от 2х т.р. на али,купить нет возможности.)
Подключил gnd,D,C,+(vcc вообще надо подключать?) к 2112,получил картину описанную выше(переподключение к пк 2112ой при опросе).
Что можно поделать? (имею дополнительно: ch341a pro(be2 не видит её), arduino uno)

_________________

Радиолюбитель



Вернуться наверх
 
Не в сети
 Заголовок сообщения: Re: Хитро-умный аккумулятор.
СообщениеДобавлено: Ср дек 25, 2019 00:17:05 
Родился

Зарегистрирован: Вт дек 24, 2019 22:49:11
Сообщений: 6
Рейтинг сообщения: 0
Привет всем. Приехал с Китая Адаптер СР2112. При запуске без СР2112 любая из BE2Works требовала адаптер и писала “No adapter found” Подпаял три проводка на точки GND, SDA, SCL c пластинами на концах, для вставления в щели АКБ. Подключил телефонный кабель micro-usb (от нокии, фирменный, качественный) в гнездо адаптера, воткнул в задний USB-порт настольного ПК (Asus P5QC/Core2Duo/DDR3_8Gb/Win7UltX64) и программа BE2Works_v4.52_Bohol_fu11 открылась. Ну все думаю, пусть все так стоит, пойду поем, приду и продолжу. Вернулся, подготовил платку АКБ для коннекта напаяв резисторы по 470Ом вместо банок. С ЛБП подал 9.1V 50mA на плату, с самого старшего плюса на 2 сек подал на плюсовую клемму АКБ, чтоб вывести его из спящего режима. Соединил GND-провод адаптера с минусом АКБ и стал искать остальными SDA, SCL проводами адаптера по остальным контактам АКБ, переставляя их в следующие щели кроме Больших два плюса. При этом в программе BE2Works горел первый зеленый квадратик, а остальные два периодически помигивали, но чтения так и не произошло, а потом вспомнил, – Блин! Я же контроллер не выбрал из списка. Нажимаю на STOP, не реагирует, нажимаю на закрыть тоже не отвечает, про Диспетчер задач чет не вспомнил, и дал Выход из системы их Пуска. Зашел снова, запускаю BE2Works, а она пишет “No adapter found”, хотя он воткнут. Закрываю BE2Works, перевтыкаю адаптер в другой порт, запускаю BE2Works, а снова она пишет “No adapter found” и все. После этого, какую бы BE2Works я не запускал full/demo, как бы удалял из Диспетчера устройств, HID-совместимое устройство (USB-устройство ввода) и с помощью Driver Genius программа тупо не видит адаптер и пишет “No adapter found”. Хотя когда вставляешь его в любой USB-порт на нескольких машинах десктоп/лэптоп, Win7X32, WinXPХ32 дает звук соединения и нормально авто-устанавливаются драйвера HID-совместимое устройство (USB-устройство ввода). Походу контроллер адаптера СР2112 тупо завис и не хочет отвечать на запросы BE2Works любой версии. И я не знаю как его ресетнуть.
Подскажите пжл. для чего предназначены остальные точки выводов VCC, WAK, INT (, RST-для чего этот ресет, может его на GND коротнуть для сброса CP2112. И с обратной стороны платы адаптера IO5 - IO7 (Input output X), SUS, SUS- (Suspend)
Ребят прошу помощи/подсказки, кто сталкивался с такой проблемой ступора/зависания CP2112 или какие точки питания проверить? Заранее спасибо… и за прочтения текста с терпением ))
P.S. Пока жду помощи, читаю datasheet на него…


Вернуться наверх
 
Не в сети
 Заголовок сообщения: Re: Хитро-умный аккумулятор.
СообщениеДобавлено: Ср дек 25, 2019 00:44:55 
Первый раз сказал Мяу!
Аватар пользователя

Зарегистрирован: Вт апр 30, 2019 08:06:55
Сообщений: 36
Рейтинг сообщения: 0
C Win7 не должно работать, только winXP_32


Вернуться наверх
 
Не в сети
 Заголовок сообщения: Re: Хитро-умный аккумулятор.
СообщениеДобавлено: Чт дек 26, 2019 00:27:47 
Родился

Зарегистрирован: Вт дек 24, 2019 22:49:11
Сообщений: 6
Рейтинг сообщения: 0
C Win7 не должно работать, только winXP_32

Не у меня она на Win7 заработала, но завила т.к. я забыл выбрать контроллер из списка и нажал "Читать батарею". Проблема в том, что BE2Works теперь никакая, даже demo версия не на какой винде не видит СР2112, а комп и винда его видят и определяют нормально, как устройство.

Добавлено after 2 minutes 54 seconds:
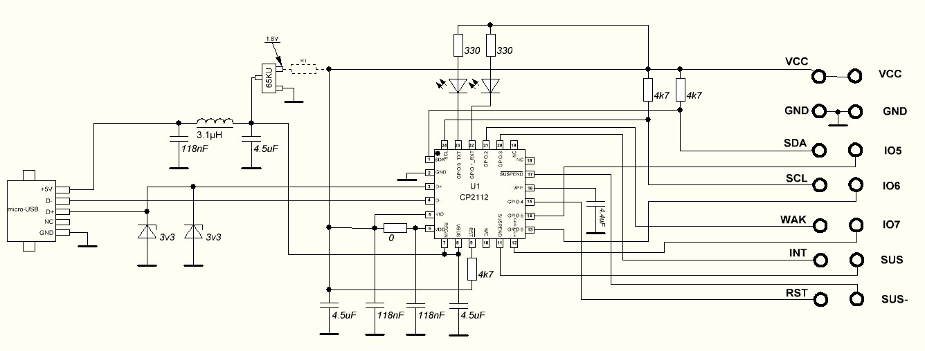
Ребят, кто использует этот адаптер с такой платой, вы точку VCC не к чему не подключаете или сюда тоже даете +5V ?

Вот нарисовал в (Splan70) схему этой платы, все SMD детали замерены лично... Если кому надо, могу в формате .slp7 поделиться.
Изображение


Вложения:
2019-12-26_020545.jpg [80.75 KiB]
Скачиваний: 1067
Вернуться наверх
 
Не в сети
 Заголовок сообщения: Re: Хитро-умный аккумулятор.
СообщениеДобавлено: Чт дек 26, 2019 01:10:16 
Первый раз сказал Мяу!
Аватар пользователя

Зарегистрирован: Вт апр 30, 2019 08:06:55
Сообщений: 36
Рейтинг сообщения: 0
Что за батарея? Какой контроллер, схему нашли контроллера? Посмотрите сколько напряжение на выводах батареи, если где есть выше 5В - могли сжечь входы контроллера.
Цитата:
даже demo версия не на какой винде не видит СР2112, а комп и винда его видят и определяют нормально

Би2Ворк при подключении к иннету обменивается данными, у меня он подменял файлы и 2.52 версия не работала, запускал с файрволом с новой папки. Нужна чистая винХП_32 без иннета. То, что вы там запустили на вин7 так и должно тупить, он просто окно показывает и не загружается данные.
Питание CP2112 берет с USB, дополнительно ничего не надо. Соберите LPT Philips адаптер или на ардуино есть скетч I2C SMBus.


Вернуться наверх
 
Не в сети
 Заголовок сообщения: Re: Хитро-умный аккумулятор.
СообщениеДобавлено: Чт дек 26, 2019 01:32:41 
Родился
Аватар пользователя

Зарегистрирован: Вт фев 26, 2019 10:53:59
Сообщений: 10
Рейтинг сообщения: 0
на ардуино есть скетч I2C SMBus.

Поделитесь скетчем и схемой подключения, пожалуйста :))

_________________

Радиолюбитель



Вернуться наверх
 
Не в сети
 Заголовок сообщения: Re: Хитро-умный аккумулятор.
СообщениеДобавлено: Чт дек 26, 2019 14:10:34 
Родился

Зарегистрирован: Вт дек 24, 2019 22:49:11
Сообщений: 6
Рейтинг сообщения: 0
Что за батарея? Какой контроллер, схему нашли контроллера?

Батарея от нетбука Asus EeePC 1005HA Модель: AL32-1005(LG22) Три таких батареек, у той что разобрал контроллер:bq20Z45
Изображение

Добавлено after 54 minutes 38 seconds:
Посмотрите сколько напряжение на выводах батареи, если где есть выше 5В - могли сжечь входы контроллера.

Повторю, банки были отсоединены, вместо них резисторы 470Ом и на крайние точки банок 9.1V 50mA (проверял еще последовательно пропуская через мультиметр и замыкая выходы перед подключением) подавал от ЛБП, вставлял в щели кроме двух крайних плюсов, разве такой малый ток может сжечь SDA или SCL ? Да эти входы всегда можно проверить сопротивление по отношению к земле... У меня замеры в режиме Омметра -если минусом на землю, то SDA и SCL=10,1МОм, если плюсовым щюпом на землю, то SDA=307кОм, a SCL=1.12МОм. Если ли бы были сгоревшими эти входы, то показывало бы десятки или сотни Омов. Но ведь CP2112 общается с компом по D+ и D- , причем тут SDA и SCL? Мы ведь пока стыкуем Адаптер с софтом без АКБ.

Добавлено after 14 minutes 18 seconds:
LPT Philips и Arduino могут с нежадной Be2Works работать, или придется месяц учить консольные командные, выдирать бинарник из контроллера или EEPROM и WinHex-ом конвертировать и искать в таблице зону с динамическими битами?


Вложения:
2019-12-26_145950.jpg [51.49 KiB]
Скачиваний: 942
Вернуться наверх
 
Показать сообщения за:  Сортировать по:  Вернуться наверх
Начать новую тему Ответить на тему  [ Сообщений: 3787 ]     ... , , , 15, , , ...  

Часовой пояс: UTC + 3 часа


Кто сейчас на форуме

Сейчас этот форум просматривают: HotShot и гости: 58


Вы не можете начинать темы
Вы не можете отвечать на сообщения
Вы не можете редактировать свои сообщения
Вы не можете удалять свои сообщения
Вы не можете добавлять вложения

Найти:
Перейти:  


Powered by phpBB © 2000, 2002, 2005, 2007 phpBB Group
Русская поддержка phpBB
Extended by Karma MOD © 2007—2012 m157y
Extended by Topic Tags MOD © 2012 m157y