Например TDA7294

Форум РадиоКот • Просмотр темы - Linkwitz Riley
Форум РадиоКот
Здесь можно немножко помяукать :)

Текущее время: Сб фев 14, 2026 06:36:48

Часовой пояс: UTC + 3 часа


ПРЯМО СЕЙЧАС:



Начать новую тему Ответить на тему  [ Сообщений: 14 ] 
Автор Сообщение
Не в сети
 Заголовок сообщения: Linkwitz Riley
СообщениеДобавлено: Вт май 09, 2023 14:47:13 
Родился

Зарегистрирован: Вт май 09, 2023 14:40:31
Сообщений: 3
Рейтинг сообщения: 0
Всем добрый день, только начинаю вливаться в тему усилителей, мне достался фильтр частот, высокие, средние, низкие
Так вот каким образом его подключить к УМ? Куда припаивать сигнальный провод( источник звука)
Подавать на усилитель мощности и дублировать на фильтр? Я просто до конца не понимаю куда что подавать
Изображение


Вернуться наверх
 
Не в сети
 Заголовок сообщения: Re: Linkwitz Riley
СообщениеДобавлено: Вт май 09, 2023 17:28:33 
Друг Кота

Карма: 3
Рейтинг сообщений: 724
Зарегистрирован: Чт окт 20, 2016 13:51:03
Сообщений: 3702
Рейтинг сообщения: 0
Лучше выброси его. Тебе оно не надо, надписи на картинке неправильные, не разберёшься.

Тем более, чтобы использовать это, нужен 6-канальный усилитель с 6-ю отдельными входами, по сути шесть усилителей мощности
и колонки без фильтров внутри, с отдельными выводами от каждого динамика.


Вернуться наверх
 
Не в сети
 Заголовок сообщения: Re: Linkwitz Riley
СообщениеДобавлено: Вт май 09, 2023 19:14:15 
Поставщик валерьянки для Кота
Аватар пользователя

Карма: 61
Рейтинг сообщений: 952
Зарегистрирован: Чт июн 26, 2014 17:05:10
Сообщений: 1969
Откуда: -Моск-
Рейтинг сообщения: 0
Активный 3-х полосный кроссовер
Слева вход, дальше выходы, высоких, средних и низких частот.
Питание двухполярное, от трансформатора с отводом от середины.

На заклание потребуется трёхполосная АС.

Ещё с этого можно запилить цветомузыку.


Вернуться наверх
 
Не в сети
 Заголовок сообщения: Re: Linkwitz Riley
СообщениеДобавлено: Вт май 09, 2023 22:08:19 
Родился

Зарегистрирован: Вт май 09, 2023 14:40:31
Сообщений: 3
Рейтинг сообщения: 0
Про питание это все понятно, вход тоже понятно.
Просто мне не понятен порядок подключения . От источника сигнала на усилитель мощности, а от УМ как подавать сигнал на этот фильтр ?


Вернуться наверх
 
Эиком - электронные компоненты и радиодетали
Не в сети
 Заголовок сообщения: Re: Linkwitz Riley
СообщениеДобавлено: Вт май 09, 2023 23:11:21 
Поставщик валерьянки для Кота
Аватар пользователя

Карма: 61
Рейтинг сообщений: 952
Зарегистрирован: Чт июн 26, 2014 17:05:10
Сообщений: 1969
Откуда: -Моск-
Рейтинг сообщения: 0
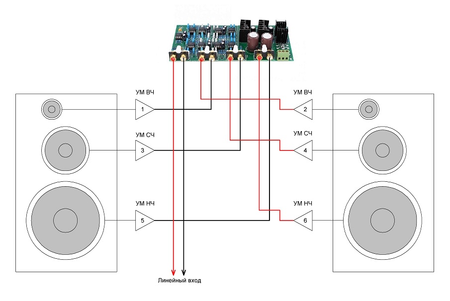
Активный кроссовер слабосигнальное устройство.
Подключается между источником сигнала (звуковая карта, CD, MP3 проигрыватели и т. п.) и усилителями мощности динамических головок 3-х полосных АС.
Изображение


Вернуться наверх
 
Не в сети
 Заголовок сообщения: Re: Linkwitz Riley
СообщениеДобавлено: Вт май 09, 2023 23:57:23 
Родился

Зарегистрирован: Вт май 09, 2023 14:40:31
Сообщений: 3
Рейтинг сообщения: 0
То есть, если я все правильно понял , то сигнал с носителя подаётся на плату усилителя, выход с усилителя( которые на динамики уже идёт) я подключаю ко входу на фильтр и с фильтра уже раскидываю по динамикам?
Мне вот был не понятен тот момент, что подключать надо на вход фильтра, но за рисунок все равно спасибо!


Вернуться наверх
 
Не в сети
 Заголовок сообщения: Re: Linkwitz Riley
СообщениеДобавлено: Ср май 10, 2023 01:56:53 
Друг Кота

Карма: 3
Рейтинг сообщений: 724
Зарегистрирован: Чт окт 20, 2016 13:51:03
Сообщений: 3702
Рейтинг сообщения: 0
Активный кроссовер слабосигнальное устройство.

После твоей картинки у саши нет шансов.
На ней сигнал берётся с динамиков и подаётся на бедную нещасную плату.


Вернуться наверх
 
Не в сети
 Заголовок сообщения: Re: Linkwitz Riley
СообщениеДобавлено: Ср май 10, 2023 11:50:57 
Друг Кота
Аватар пользователя

Карма: 11
Рейтинг сообщений: 36
Зарегистрирован: Чт июл 03, 2014 21:06:30
Сообщений: 3370
Рейтинг сообщения: 0
Ну, конечно, опустим тот факт, что сие фильтры имеют очень конкретные частоты срезов, предназначенные для очень конкретного дизайна АС... :tea: Хотя звуки издавать будут.

А так "любители хорошего звука" чтят разделы по Линквиц-Райли, все повально делают, потому что все делают. А потом еще СЧ динамик по больше, чтобы в режим узкой направленности заходил... АС, у которой средние частоты есть только на главной оси. :wink:

_________________
умная подпись такая с умным изречением, как у умных умников, на умном языке


Вернуться наверх
 
Не в сети
 Заголовок сообщения: Re: Linkwitz Riley
СообщениеДобавлено: Ср май 10, 2023 19:15:32 
Поставщик валерьянки для Кота
Аватар пользователя

Карма: 61
Рейтинг сообщений: 952
Зарегистрирован: Чт июн 26, 2014 17:05:10
Сообщений: 1969
Откуда: -Моск-
Рейтинг сообщения: 0
12943 писал(а):
На ней сигнал берётся с динамиков и подаётся на бедную нещасную плату.

Это да, как элемент лежал в библиотеке, так и поклал.
Однако это не умаляет масштаба проблем.
- Уколхозить две трёхполосные колонки (или, что во сто крат сложнее, построить таковые), вывести из них пучок из шести проводов.
- Получить в распоряжение шесть усилителей мощности (мощностью ни как не меньше потребной для динамиков).
- Остроумно запитать всё это хозяйство.
- Рационально развести слабосигнальные цепи.

Метафорически, постановка задачи выглядит примерно так:
еже ли у меня есть вешалка для прихожей, то как вокруг неё построить квартиру?


Вернуться наверх
 
Не в сети
 Заголовок сообщения: Re: Linkwitz Riley
СообщениеДобавлено: Ср май 10, 2023 20:15:47 
Модератор
Аватар пользователя

Карма: 159
Рейтинг сообщений: 4079
Зарегистрирован: Пт янв 23, 2009 19:20:05
Сообщений: 45622
Рейтинг сообщения: 0
Медали: 1
Получил миской по аватаре (1)
...Колонки можно не колхозить - попадаются 50АС-107 или 25АС-123, их можно без переделки... Но, необходимость использования шести отдельных усилителей это не отменяет... :)


Вернуться наверх
 
Не в сети
 Заголовок сообщения: Re: Linkwitz Riley
СообщениеДобавлено: Ср май 10, 2023 20:18:40 
Друг Кота
Аватар пользователя

Карма: 59
Рейтинг сообщений: 2240
Зарегистрирован: Чт янв 26, 2012 16:44:29
Сообщений: 19873
Откуда: Таксимо
Рейтинг сообщения: 0
Низкий канал тогда уж на усилок с эмос переделывать. Но даже и так демпфирование динамиков будет неплохое и улучшится звук

_________________
Мои поставщики запчастей с отличной репутацией
texnomag.ru
radioremont.com
pl-1.org
4ip.info
elitan.ru


Вернуться наверх
 
Не в сети
 Заголовок сообщения: Re: Linkwitz Riley
СообщениеДобавлено: Ср май 17, 2023 12:25:03 
Друг Кота
Аватар пользователя

Карма: 11
Рейтинг сообщений: 36
Зарегистрирован: Чт июл 03, 2014 21:06:30
Сообщений: 3370
Рейтинг сообщения: 0
их можно без переделки

как минимум писчалке надо какой-то подвес оформить, ибо у нее исторически вместо подвеса плоская шайба

и акустическое оформление в виде кубиков с динамиком в центре - похабщина еще та, причем даже в акустическом плане

_________________
умная подпись такая с умным изречением, как у умных умников, на умном языке


Вернуться наверх
 
Не в сети
 Заголовок сообщения: Re: Linkwitz Riley
СообщениеДобавлено: Ср май 17, 2023 19:09:25 
Модератор
Аватар пользователя

Карма: 159
Рейтинг сообщений: 4079
Зарегистрирован: Пт янв 23, 2009 19:20:05
Сообщений: 45622
Рейтинг сообщения: 0
Медали: 1
Получил миской по аватаре (1)
Те динамики, что применяются, мало каким оформлением можно испортить... :)))
...Хотя, назначение "акустических линз" перед диффузором каждого динамика я так и не понял...


Вернуться наверх
 
Не в сети
 Заголовок сообщения: Re: Linkwitz Riley
СообщениеДобавлено: Чт май 18, 2023 13:30:44 
Друг Кота
Аватар пользователя

Карма: 11
Рейтинг сообщений: 36
Зарегистрирован: Чт июл 03, 2014 21:06:30
Сообщений: 3370
Рейтинг сообщения: 0
В основном, всё портится за счет оформления, а еще ВЧ головки не дотягивают достаточно низко (2-3 кГц), чтобы поделить с 20гдс нормально, а тягать 20гдс до 5-6 кГц - ну такое...

_________________
умная подпись такая с умным изречением, как у умных умников, на умном языке


Вернуться наверх
 
Показать сообщения за:  Сортировать по:  Вернуться наверх
Начать новую тему Ответить на тему  [ Сообщений: 14 ] 

Часовой пояс: UTC + 3 часа


Кто сейчас на форуме

Сейчас этот форум просматривают: нет зарегистрированных пользователей и гости: 21


Вы не можете начинать темы
Вы не можете отвечать на сообщения
Вы не можете редактировать свои сообщения
Вы не можете удалять свои сообщения
Вы не можете добавлять вложения

Найти:
Перейти:  


Powered by phpBB © 2000, 2002, 2005, 2007 phpBB Group
Русская поддержка phpBB
Extended by Karma MOD © 2007—2012 m157y
Extended by Topic Tags MOD © 2012 m157y