Например TDA7294

Форум РадиоКот • Просмотр темы - Управление TDA7297
Форум РадиоКот
Здесь можно немножко помяукать :)

Текущее время: Чт янв 29, 2026 17:36:32

Часовой пояс: UTC + 3 часа


ПРЯМО СЕЙЧАС:



Начать новую тему Ответить на тему  [ Сообщений: 19 ] 
Автор Сообщение
Не в сети
 Заголовок сообщения: Управление TDA7297
СообщениеДобавлено: Сб май 09, 2020 14:45:37 
Прорезались зубы

Зарегистрирован: Пн сен 09, 2019 12:35:08
Сообщений: 222
Рейтинг сообщения: 0
Здравствуйте. Нужно управлять входами MUTE и ST-BY микросхемы TDA7297
Изображение Изображение
Из правой схемы видно, что на эти входа подаётся половина питания, т.е. 6 Вольт.
Достаточно ли будет 5 Вольт от МК ? (потребление ан этих входах неизвестно)


Вернуться наверх
 
Не в сети
 Заголовок сообщения: Re: Управление TDA7297
СообщениеДобавлено: Сб май 09, 2020 15:17:31 
Модератор
Аватар пользователя

Карма: 159
Рейтинг сообщений: 4079
Зарегистрирован: Пт янв 23, 2009 19:20:05
Сообщений: 45528
Рейтинг сообщения: 0
Медали: 1
Получил миской по аватаре (1)
А что, в даташит заглянуть не судьба? На четвёртой странице все Ваши вопросы расписаны в графическом виде! :) Максимальное управляющее напряжение, которое может потребоваться, 4,1 вольта, реально - порядка 2,9, т.е. стандартные логические уровни ТТЛ...


Вернуться наверх
 
Не в сети
 Заголовок сообщения: Re: Управление TDA7297
СообщениеДобавлено: Сб май 09, 2020 15:55:49 
Прорезались зубы

Зарегистрирован: Пн сен 09, 2019 12:35:08
Сообщений: 222
Рейтинг сообщения: 0
Спасибо


Вернуться наверх
 
Не в сети
 Заголовок сообщения: Re: Управление TDA7297
СообщениеДобавлено: Пт сен 23, 2022 17:05:58 
Прорезались зубы

Зарегистрирован: Пн сен 09, 2019 12:35:08
Сообщений: 222
Рейтинг сообщения: 0
Здравствуйте.

С АлиЭкспресс заказал несколько модулей на базе TDA7297 (КИТ набор стоил дешевле чем одна микросхема)
Изображение

На моей плате разведена схема

Изображение

Проверяю - тишина...
Смотрю на плату из КИТ набора, там ножки 4-5 и 11-12 соединяются, в таком варианте работает.

Изображение

Добавлено after 30 seconds:
Так и должно быть? Или подделка?


Вернуться наверх
 
Эиком - электронные компоненты и радиодетали
В сети
 Заголовок сообщения: Re: Управление TDA7297
СообщениеДобавлено: Пт сен 23, 2022 17:14:02 
Друг Кота
Аватар пользователя

Карма: 59
Рейтинг сообщений: 2237
Зарегистрирован: Чт янв 26, 2012 16:44:29
Сообщений: 19782
Откуда: Таксимо
Рейтинг сообщения: 0
NC означает никуда не подключено

_________________
Мои поставщики запчастей с отличной репутацией
texnomag.ru
radioremont.com
pl-1.org
4ip.info
elitan.ru


Вернуться наверх
 
Не в сети
 Заголовок сообщения: Re: Управление TDA7297
СообщениеДобавлено: Пт сен 23, 2022 17:28:05 
Прорезались зубы

Зарегистрирован: Пн сен 09, 2019 12:35:08
Сообщений: 222
Рейтинг сообщения: 0
Это понятно, именно поэтому на моей плате три пина не разведено, а для удобства я их отломал.
Изображение
В таком варианте не работает.


Вернуться наверх
 
Не в сети
 Заголовок сообщения: Re: Управление TDA7297
СообщениеДобавлено: Сб сен 24, 2022 19:17:32 
Прорезались зубы

Зарегистрирован: Пн сен 09, 2019 12:35:08
Сообщений: 222
Рейтинг сообщения: 0
Жду ответа от продавца


Вернуться наверх
 
Не в сети
 Заголовок сообщения: Re: Управление TDA7297
СообщениеДобавлено: Сб сен 24, 2022 20:43:08 
Мудрый кот

Карма: 10
Рейтинг сообщений: 278
Зарегистрирован: Пт мар 26, 2010 17:16:52
Сообщений: 1806
Откуда: Kazan
Рейтинг сообщения: 0
А вы ему это
Цитата:
для удобства я их отломал.
тоже написали. :)))
Гениальный метод, надо наверное взять на вооружение.


Вернуться наверх
 
Не в сети
 Заголовок сообщения: Re: Управление TDA7297
СообщениеДобавлено: Вс сен 25, 2022 14:00:17 
Прорезались зубы

Зарегистрирован: Пн сен 09, 2019 12:35:08
Сообщений: 222
Рейтинг сообщения: 0
Не написал, у меня две микросхемы, одна то целая). А проверял на той что уже отломаны ножки, припаялся )

Добавлено after 2 hours 25 minutes 21 second:
Нашёл ещё одну плату, заказывал давно, там эти контакты не используются.


Вернуться наверх
 
Не в сети
 Заголовок сообщения: Re: Управление TDA7297
СообщениеДобавлено: Вс сен 25, 2022 14:11:27 
Модератор
Аватар пользователя

Карма: 159
Рейтинг сообщений: 4079
Зарегистрирован: Пт янв 23, 2009 19:20:05
Сообщений: 45528
Рейтинг сообщения: 0
Медали: 1
Получил миской по аватаре (1)
...Когда сравниваете микросхемы, учитывайте производителя! Не так уж редко под одной и той же маркировкой могут встретиться разные варианты микросхем... Этим даже в Союзе грешили, К174УН9, помнится, разных вариантов была... И это - не считая перемаркированных!


Вернуться наверх
 
Не в сети
 Заголовок сообщения: Re: Управление TDA7297
СообщениеДобавлено: Вс сен 25, 2022 14:15:49 
Прорезались зубы

Зарегистрирован: Пн сен 09, 2019 12:35:08
Сообщений: 222
Рейтинг сообщения: 0
Изображение
Это новая печатная плата, на ней NC выходы используются.
Изображение
А это старая плата, на ней всё как надо.
Продавец молчит.


Вернуться наверх
 
Не в сети
 Заголовок сообщения: Re: Управление TDA7297
СообщениеДобавлено: Пн сен 26, 2022 20:17:47 
Мудрый кот

Карма: 10
Рейтинг сообщений: 278
Зарегистрирован: Пт мар 26, 2010 17:16:52
Сообщений: 1806
Откуда: Kazan
Рейтинг сообщения: 0
А я не понял :))) .
Так работает усилитель или всё же не работает.
SerAl писал(а):
в таком варианте работает.
SerAl писал(а):
В таком варианте не работает.
.
Если работает так и оставьте, а от китайца вы ничего не добьётесь, он только продавАЕТ :)) , ни в схемах ни в платах не разбирается.


Вернуться наверх
 
В сети
 Заголовок сообщения: Re: Управление TDA7297
СообщениеДобавлено: Пн сен 26, 2022 20:25:30 
Друг Кота
Аватар пользователя

Карма: 197
Рейтинг сообщений: 8618
Зарегистрирован: Пн ноя 30, 2009 03:00:01
Сообщений: 43336
Откуда: Нерезиновая
Рейтинг сообщения: 0
SerAl писал(а):
Изображение
Это новая печатная плата, на ней NC выходы используются.

Так вы попробуйте собрать-то!
Вывод, подписанный "NC" в самой микросхеме- обычно никуда не подключён! Просто "стандартный корпус", а эти выводы просто могут быть подключены на плате куда угодно!
Если вас соединённые выводы раздражают, то можно:
1- перерезать на плате дорожки, идущие к выводам 5 и 11
2- обкусить 5 и 11 ноги у микросхемы.


Вернуться наверх
 
Не в сети
 Заголовок сообщения: Re: Управление TDA7297
СообщениеДобавлено: Вт сен 27, 2022 11:03:13 
Прорезались зубы

Зарегистрирован: Пн сен 09, 2019 12:35:08
Сообщений: 222
Рейтинг сообщения: 0
При подключении выходов NC, как сказал выше, усилитель работает, без них - не работает.
Дорожки перерезал - не работает.


Вернуться наверх
 
Не в сети
 Заголовок сообщения: Re: Управление TDA7297
СообщениеДобавлено: Пт сен 30, 2022 19:04:37 
Мудрый кот

Карма: 10
Рейтинг сообщений: 278
Зарегистрирован: Пт мар 26, 2010 17:16:52
Сообщений: 1806
Откуда: Kazan
Рейтинг сообщения: 0
Ну так делайте так как работает и морочте себе башку.


Вернуться наверх
 
В сети
 Заголовок сообщения: Re: Управление TDA7297
СообщениеДобавлено: Сб окт 01, 2022 02:19:24 
Друг Кота
Аватар пользователя

Карма: 59
Рейтинг сообщений: 2237
Зарегистрирован: Чт янв 26, 2012 16:44:29
Сообщений: 19782
Откуда: Таксимо
Рейтинг сообщения: 0
Я тут посравнивал. У тебя TDA7377 и плата под нее

_________________
Мои поставщики запчастей с отличной репутацией
texnomag.ru
radioremont.com
pl-1.org
4ip.info
elitan.ru


Вернуться наверх
 
Не в сети
 Заголовок сообщения: Re: Управление TDA7297
СообщениеДобавлено: Пт дек 08, 2023 17:00:39 
Грызет канифоль

Зарегистрирован: Сб мар 19, 2022 09:49:45
Сообщений: 250
Рейтинг сообщения: 0
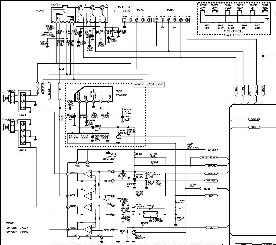
Добрый вечер. Плата от телека LG, МС-022А. Пощипана, но БП в порядке. На микросхему TDA7297 поступает питание 15.7в, на ноги 3 и 13. На ноге 7, ST-BY 2.46в, на ноге 6, MUTE, напряжения нет. На ноги 4 и 12, перед кондерами 0.22мФ, подавал сигнал, один канал поочереди, на выходы динамиков цеплял динамик 8 Ом. Не работает, на полной громкости сигнала, в динамике чуть шуршит. Этот же сигнал на другой усь, всё Ок.
Подскажите пожалуйста, что можно сделать, чтоб запустить усилок.


Вложения:
ить.jpg [144.25 KiB]
Скачиваний: 170
срь.jpg [132.5 KiB]
Скачиваний: 141
схема 7297.jpg [205.8 KiB]
Скачиваний: 162
Вернуться наверх
 
Не в сети
 Заголовок сообщения: Re: Управление TDA7297
СообщениеДобавлено: Сб дек 09, 2023 20:49:10 
Вымогатель припоя

Зарегистрирован: Пт май 20, 2022 12:28:46
Сообщений: 630
Рейтинг сообщения: 0
Подозреваю, что там принцип примерно такой же, как и у 7294.
а в 7294 подавать надо от 4 до 5 вольт То-есть стандартную логику.
если подать меньше, то можно попасть в нелинейный участок, когда звук есть, но он уже начал придушиваться.

См график снижения ку в зависимости от напряжения на выводах.

Цитата:
MUTE, напряжения нет
а должно быть. Если эта нога в воздухе или на земле, то у вас включен mute


Вложения:
Screenshot 2023-12-09 at 20-47-41 15 15W dual bridge amplifier - tda7297.pdf.png [31.89 KiB]
Скачиваний: 219
Вернуться наверх
 
Не в сети
 Заголовок сообщения: Re: Управление TDA7297
СообщениеДобавлено: Чт дек 04, 2025 21:19:52 
Прорезались зубы

Карма: 5
Рейтинг сообщений: 10
Зарегистрирован: Вс окт 19, 2014 14:15:57
Сообщений: 219
Рейтинг сообщения: 0
В моем наборе 6 нога не соединена с 7.
Но если она висит в воздухе, сигнал проходит. Снижение звука происходит, если ногу сажаешь на землю, начиная с 2к и ниже. При этом на открытой ноге чуть больше 0,5в. Это дефектный корпус?


Вернуться наверх
 
Показать сообщения за:  Сортировать по:  Вернуться наверх
Начать новую тему Ответить на тему  [ Сообщений: 19 ] 

Часовой пояс: UTC + 3 часа


Кто сейчас на форуме

Сейчас этот форум просматривают: Bing [Bot] и гости: 25


Вы не можете начинать темы
Вы не можете отвечать на сообщения
Вы не можете редактировать свои сообщения
Вы не можете удалять свои сообщения
Вы не можете добавлять вложения

Найти:
Перейти:  


Powered by phpBB © 2000, 2002, 2005, 2007 phpBB Group
Русская поддержка phpBB
Extended by Karma MOD © 2007—2012 m157y
Extended by Topic Tags MOD © 2012 m157y