Например TDA7294

Форум РадиоКот • Просмотр темы - Мелкие вопросы по УНЧ.
Форум РадиоКот
Здесь можно немножко помяукать :)

Текущее время: Чт мар 12, 2026 12:08:31

Часовой пояс: UTC + 3 часа


ПРЯМО СЕЙЧАС:



Начать новую тему Ответить на тему  [ Сообщений: 13577 ]     ... , , , 678,  
Автор Сообщение
 Заголовок сообщения: Re: Мелкие вопросы по УНЧ.
СообщениеДобавлено: Чт фев 05, 2026 12:34:30 
Друг Кота
Аватар пользователя

Карма: 107
Рейтинг сообщений: 3841
Зарегистрирован: Пн фев 09, 2009 22:19:49
Сообщений: 25365
Откуда: Когда-то был прекрасный город для людей
Рейтинг сообщения: 0
Тренироваться Экспериментировать лучше на кошках ! У них жизней больше !


Вернуться наверх
 
 Заголовок сообщения: Re: Мелкие вопросы по УНЧ.
СообщениеДобавлено: Чт фев 05, 2026 18:09:25 
Вымогатель припоя
Аватар пользователя

Карма: 1
Рейтинг сообщений: 0
Зарегистрирован: Пт июн 05, 2015 14:20:56
Сообщений: 619
Откуда: Попасная
Рейтинг сообщения: 0
Приветствую! Нужна помощь знающих.
Есть такая пищалка
Изображение
Все работает, но есть маленькое НО , горят динамики,те которые маленькие плавится пластиковый диффузор, бумажный тоже накрылся.
Изображение
Каким образом ограничить ток не уменьшая сильно громкость?


Вернуться наверх
 
 Заголовок сообщения: Re: Мелкие вопросы по УНЧ.
СообщениеДобавлено: Чт фев 05, 2026 18:25:05 
Поставщик валерьянки для Кота
Аватар пользователя

Карма: -22
Рейтинг сообщений: -26
Зарегистрирован: Чт апр 06, 2023 19:15:37
Сообщений: 2207
Откуда: пришелец из созвездия КОТА
Рейтинг сообщения: 0
повысив напряжение питания до разрешенного предела и применив более омный динамик.
Можно 2 или 3 последовательно, если их характеристики примерно подобны.
Не забыть согласовать +-

_________________
«Кто к нам с мечом придет, тот от меча и погибнет! На том стояла и стоит русская земля!»


Вернуться наверх
 
 Заголовок сообщения: Re: Мелкие вопросы по УНЧ.
СообщениеДобавлено: Чт фев 05, 2026 18:47:45 
Вымогатель припоя
Аватар пользователя

Карма: 1
Рейтинг сообщений: 0
Зарегистрирован: Пт июн 05, 2015 14:20:56
Сообщений: 619
Откуда: Попасная
Рейтинг сообщения: 0
Пробовал последовательно с динамиком ставить резистор 10 ом, греется изрядно, рукой держать можно, но на грани, а пластик в диффузоре от такой температуры плывет. Резистор в 50 ом на громкости сказывается.
Пробовал по такой схеме
Изображение
Громкость намного меньше.


Вернуться наверх
 
Эиком - электронные компоненты и радиодетали
 Заголовок сообщения: Re: Мелкие вопросы по УНЧ.
СообщениеДобавлено: Чт фев 05, 2026 18:48:32 
Друг Кота
Аватар пользователя

Карма: 107
Рейтинг сообщений: 3841
Зарегистрирован: Пн фев 09, 2009 22:19:49
Сообщений: 25365
Откуда: Когда-то был прекрасный город для людей
Рейтинг сообщения: 0
Так она на 5 вольт вроде бы... И орать сильно и не должна.


Вернуться наверх
 
 Заголовок сообщения: Re: Мелкие вопросы по УНЧ.
СообщениеДобавлено: Чт фев 05, 2026 18:53:43 
Друг Кота
Аватар пользователя

Карма: 95
Рейтинг сообщений: 1819
Зарегистрирован: Ср дек 07, 2011 18:17:50
Сообщений: 6458
Откуда: Western Siberia
Рейтинг сообщения: 0
Пробовал последовательно с динамиком ставить резистор 10 ом, греется изрядно, рукой держать можно, но на грани, а пластик в диффузоре от такой температуры плывет. Резистор в 50 ом на громкости сказывается.
Пробовал по такой схеме[/url]
Громкость намного меньше.

А что это за игрушка , для чего ?
Это зуммер или что ?


Вернуться наверх
 
 Заголовок сообщения: Re: Мелкие вопросы по УНЧ.
СообщениеДобавлено: Чт фев 05, 2026 19:25:05 
Вымогатель припоя
Аватар пользователя

Карма: 1
Рейтинг сообщений: 0
Зарегистрирован: Пт июн 05, 2015 14:20:56
Сообщений: 619
Откуда: Попасная
Рейтинг сообщения: 0
Генератор мелодий, на заднюю в авто хочу подцепить.

Добавлено after 3 minutes 21 second:
Так она на 5 вольт вроде бы... И орать сильно и не должна.

Сама микра на 1,5-3В, а дальше усилок , сама играет на пьезо но слабовато. Для аудио открытки сойдет, а для пищалки слабовато.


Вернуться наверх
 
 Заголовок сообщения: Re: Мелкие вопросы по УНЧ.
СообщениеДобавлено: Чт фев 05, 2026 19:35:38 
Вымогатель припоя

Зарегистрирован: Пт май 20, 2022 12:28:46
Сообщений: 653
Рейтинг сообщения: 0
Если вы схему на 12 вольт цепанули, то она в нагрузку совершенно спокойно может 7 ватт привезти, при 4Ом нагрузке. (а на 14 вольтах - 10Вт) Неудивительно, что 0,25 ваттные динамики горят )))
тут или надо дуделку ставить мощней или напряжение снижать. А чтоб громкость сильно меньше не снижалась брать динамики с большей чувствительностью


Вернуться наверх
 
 Заголовок сообщения: Re: Мелкие вопросы по УНЧ.
СообщениеДобавлено: Чт фев 05, 2026 20:39:02 
Друг Кота
Аватар пользователя

Карма: 11
Рейтинг сообщений: 47
Зарегистрирован: Чт июл 03, 2014 21:06:30
Сообщений: 3476
Рейтинг сообщения: 0
Если цобель отключить - заводится на пиках.

цобель и выходной фильтр - это стабилизация импеданса нагрузки на радиочастоте, потому что стабильность схемы определяется фазовыми сдвигами именно там, где усиление в петле оос близко к 1

соответственно, где оно не близко (очень большое усиление, 20+ дБ, либо ослабление тоже дБ 20), там сдвиг фазы уже может быть хоть 180

As писал(а):
Изображение
Я такой делал, на современных транзисторах свистит аж на ДМВ, пришлось давить коррекцией... :dont_know: :))
ДМВ это еще померить надо, а так это похоже на то, что сам повторитель каким-то образом свистнул, то есть транзюки все ВЧ, и у них граничные частоты одного порядка, плюс монтаж где-то косячный

я вообще заметил, что на симуль ругаются люди, которые лично вот они не тянут сделать нормальный конструктив

Добавлено after 23 minutes 14 seconds:
Приветствую! Нужна помощь знающих.
Есть такая пищалка
Изображение
Все работает, но есть маленькое НО , горят динамики,те которые маленькие плавится пластиковый диффузор, бумажный тоже накрылся.

через динамики постоянная составляющая бежит еще здесь

_________________
умная подпись такая с умным изречением, как у умных умников, на умном языке


Вернуться наверх
 
 Заголовок сообщения: Re: Мелкие вопросы по УНЧ.
СообщениеДобавлено: Сб фев 07, 2026 23:46:39 
Вымогатель припоя

Зарегистрирован: Пт май 20, 2022 12:28:46
Сообщений: 653
Рейтинг сообщения: 0
as265, Спасибо за подсказку про петлевое.
Построил Боде и Найквиста (благо Тина это умеет) для схемы и понял, в чем была моя фатальная ошибка. Оказалось, что замена opa1641 (которых у меня не было) на NE5534 привело схему в нестабильное состояние. Даже скорее так. Если бы я добавил конденсатор коррекции в 47пик на ОУ, то было бы скорее всего Ок, но без внешнего конденсатора ne5534 в этой схеме заведется в УКВ диапазоне почти со 100% гарантией. В общем, пока я разбирался с проблемой, приехали 1641. Ну а возбуждение Шиклаи в одном плече описал еще Род Элиотт в своей статье и подсказал способ решения.

Короче говоря схема в первом приближении работает.
Из того, что удалось сегодня намерить, получилось 20в/мкс для 1641. Вполне неплохой результат.


Вернуться наверх
 
 Заголовок сообщения: Re: Мелкие вопросы по УНЧ.
СообщениеДобавлено: Вс фев 08, 2026 08:07:04 
Друг Кота
Аватар пользователя

Карма: 11
Рейтинг сообщений: 47
Зарегистрирован: Чт июл 03, 2014 21:06:30
Сообщений: 3476
Рейтинг сообщения: 0
ограничение скорости нарастания начнет влиять, если после оу со встроенной коррекцией будет ВК с большими коммутационными искажениями, которые оу своей оос не сможет на входе ВК "отработать" так, чтобы на выходе их не было

но на самом деле не столь проблема скорости, сколько в величине петлевого, а скорость (перегрузочная) может требоваться меньшая

Добавлено after 1 minute 35 seconds:
то есть для фактического наличия величины чего-то на выходе нужен не только высокий предел, но и входной стимул, помноженный на величину усиления

Добавлено after 3 minutes 34 seconds:
в ОУ проблемой может быть встроенная коррекция, которая однополюсная, а наклон -20 дБ/декада может быть просто слишком мал

ОУ это универсальный девайс, он сделан, чтобы Ку можно быпо покрутить вверх в широких пределах, а если бы там было петлевое с -60 дБ/декада например, достаточно было бы резисторами Ку задать больше, чем оптимальный, и схема бы завелась, но с другой стороны, если ОУ будет полностью с внешней коррекцией... а не как 5534, который без внешнего кондера лишь скорректирован под ку 4 и выше

Добавлено after 1 hour 13 minutes 5 seconds:
вообще как бы и до ограничения скорости нарастания величина нелинейности может быть разная

_________________
умная подпись такая с умным изречением, как у умных умников, на умном языке


Вернуться наверх
 
 Заголовок сообщения: Re: Мелкие вопросы по УНЧ.
СообщениеДобавлено: Сб фев 14, 2026 20:47:22 
Электрический кот
Аватар пользователя

Карма: 13
Рейтинг сообщений: 313
Зарегистрирован: Сб мар 27, 2010 13:19:45
Сообщений: 1028
Откуда: Moskau
Рейтинг сообщения: 0
Пробовал по такой схеме
Изображение
Громкость намного меньше.
у меня первая мысль была такая же.
Похоже, что тише из-за ступеньки. С питания на базу верхего транзистора кинуть 10 килоОм, между базами транзисторов сунуть два последовательных диода, германиевый и кремниевый, с базы нижнего транзистора на землю кинуть ещё 10 килоОм.
Между мелкосхемой и базами попробовать ёмкость сунуть...

_________________
У кошки четыре ноги - вход, выход, земля и питание.


Вернуться наверх
 
 Заголовок сообщения: Re: Мелкие вопросы по УНЧ.
СообщениеДобавлено: Вс фев 15, 2026 18:42:20 
Друг Кота
Аватар пользователя

Карма: 32
Рейтинг сообщений: 968
Зарегистрирован: Пт сен 10, 2021 15:19:36
Сообщений: 6537
Откуда: Протвино
Рейтинг сообщения: 0
сергей999,
Изображение
между выходом um66t и базой Q1 в разрыв ставь 10nF и 10k от базы на землю.
(впринципе достаточно и одного транзистора с hfe 400+, Q1,R2 можно выкинуть)

это даст максимум громкости в немостовом включении при данном напряжении питания и при минимуме постоянной составляющей.


двухтактный общий коллектор (эмиттерный повторитель) - конечно тише, плечи до насыщения не могут дойти, фактически эта схема срубает ~1.4V от размаха.

можно сделать 2тактный общий эмиттер:
pnp эмиттер -- +P
npn эмиттер -- -P
коллекторы соединены и через электролит на динамик
между своими базой-эмиттером по 10k на каждый
от выхода um66t -- 1k резистор а от него - 2 конденсатора 100nF на каждую из баз.
это точно громче эмиттерного повторителя,
но врядли существенно громче чем однотактная.


Вернуться наверх
 
 Заголовок сообщения: Re: Мелкие вопросы по УНЧ.
СообщениеДобавлено: Вс фев 15, 2026 22:06:30 
Вымогатель припоя
Аватар пользователя

Карма: 1
Рейтинг сообщений: 0
Зарегистрирован: Пт июн 05, 2015 14:20:56
Сообщений: 619
Откуда: Попасная
Рейтинг сообщения: 0
Благодарю за подсказки, пока в ящике, может поэкспериментирую.


Вернуться наверх
 
 Заголовок сообщения: Re: Мелкие вопросы по УНЧ.
СообщениеДобавлено: Пн фев 16, 2026 02:46:30 
Друг Кота
Аватар пользователя

Карма: 11
Рейтинг сообщений: 47
Зарегистрирован: Чт июл 03, 2014 21:06:30
Сообщений: 3476
Рейтинг сообщения: 0
из схемы JLH 1969 тиснуть ВК и предыдущий каскад и использовать его в чисто ключевом режиме

_________________
умная подпись такая с умным изречением, как у умных умников, на умном языке


Вернуться наверх
 
 Заголовок сообщения: Re: Мелкие вопросы по УНЧ.
СообщениеДобавлено: Вт фев 17, 2026 22:17:08 
Опытный кот
Аватар пользователя

Карма: 7
Рейтинг сообщений: 39
Зарегистрирован: Ср апр 13, 2011 02:13:43
Сообщений: 859
Рейтинг сообщения: 0
Здрасьте. ))
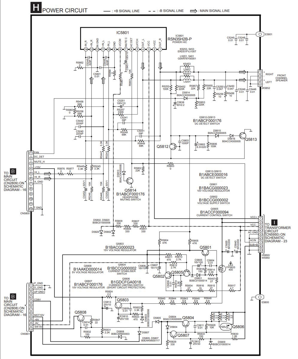
Я хочу на оригинальных деталях собрать усилитель из мц Panasonic SA-VK62D на RSN35H2.
Нужен совет, правильно ли я вырезал основное из схемы(2е фото).

Изображение Изображение


Вернуться наверх
 
 Заголовок сообщения: Re: Мелкие вопросы по УНЧ.
СообщениеДобавлено: Вт фев 17, 2026 22:23:12 
Электрический кот
Аватар пользователя

Карма: 13
Рейтинг сообщений: 313
Зарегистрирован: Сб мар 27, 2010 13:19:45
Сообщений: 1028
Откуда: Moskau
Рейтинг сообщения: 1
Похоже, что картинка 2 - это оно и есть. Разрешение маловато.
По моему, проще взять ножницы по металлу и вырезать из этого порнослонега значащую часть. Я всегда так делаю.

_________________
У кошки четыре ноги - вход, выход, земля и питание.


Вернуться наверх
 
 Заголовок сообщения: Re: Мелкие вопросы по УНЧ.
СообщениеДобавлено: Вт фев 17, 2026 22:28:44 
Опытный кот
Аватар пользователя

Карма: 7
Рейтинг сообщений: 39
Зарегистрирован: Ср апр 13, 2011 02:13:43
Сообщений: 859
Рейтинг сообщения: 0
Вот более качественные:

СпойлерИзображение

СпойлерИзображение


Я хочу распаять 2 усилителя 2х канальных - RSN35H2 + STK403-120 на одной плате, чтобы максимально компактно было.
Деталей не так уж много.


Вернуться наверх
 
 Заголовок сообщения: Re: Мелкие вопросы по УНЧ.
СообщениеДобавлено: Вт фев 17, 2026 22:38:55 
Электрический кот
Аватар пользователя

Карма: 13
Рейтинг сообщений: 313
Зарегистрирован: Сб мар 27, 2010 13:19:45
Сообщений: 1028
Откуда: Moskau
Рейтинг сообщения: 1
R5804, R5805, Q5801 и всё, что ниже него - тоже можно выкинуть. Это какая-то защита, сдаётца мне, она без процессора или ещё чегонть работать всё равно не будет.

_________________
У кошки четыре ноги - вход, выход, земля и питание.


Вернуться наверх
 
 Заголовок сообщения: Re: Мелкие вопросы по УНЧ.
СообщениеДобавлено: Вт фев 17, 2026 23:12:39 
Опытный кот
Аватар пользователя

Карма: 7
Рейтинг сообщений: 39
Зарегистрирован: Ср апр 13, 2011 02:13:43
Сообщений: 859
Рейтинг сообщения: 0
На нижней схеме я это всё и выкинул. )
Переменка вот не уверен что нужна, 6 нога это мут, сколько читал вроде её просто не используют и всё работает.

Добавлено after 11 minutes 24 seconds:
R5252 R5452 вот не уверен нужно ли оставлять, они первые идут на выходе(перед катушками индуктивности), и с них как раз на защиту шло.

R5861 R5862 R5863 R5864 R5876 R5877 R5803
Эти понятно не нужны, перемычки грубо говоря.


Вернуться наверх
 
Показать сообщения за:  Сортировать по:  Вернуться наверх
Начать новую тему Ответить на тему  [ Сообщений: 13577 ]     ... , , , 678,  

Часовой пояс: UTC + 3 часа


Вы не можете начинать темы
Вы не можете отвечать на сообщения
Вы не можете редактировать свои сообщения
Вы не можете удалять свои сообщения
Вы не можете добавлять вложения

Найти:
Перейти:  


Powered by phpBB © 2000, 2002, 2005, 2007 phpBB Group
Русская поддержка phpBB
Extended by Karma MOD © 2007—2012 m157y
Extended by Topic Tags MOD © 2012 m157y