Например TDA7294

Форум РадиоКот • Просмотр темы - УНЧ 1000Вт на IRFP240
Форум РадиоКот
Здесь можно немножко помяукать :)

Текущее время: Сб мар 14, 2026 10:42:20

Часовой пояс: UTC + 3 часа


ПРЯМО СЕЙЧАС:



Начать новую тему Ответить на тему  [ Сообщений: 43 ]  1, ,  
Автор Сообщение
 Заголовок сообщения: УНЧ 1000Вт на IRFP240
СообщениеДобавлено: Чт мар 07, 2013 00:05:58 
Встал на лапы

Зарегистрирован: Сб апр 14, 2012 19:15:41
Сообщений: 105
Откуда: Беларусь Витебская обл
Рейтинг сообщения: 0
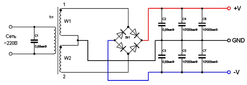
Делаю усилитель по 1кВт на канал но не силен в теоретической части.Подскажите пожалуйста по данной схеме:
1.Заменял как-то сгоревшие транзисторы в УМ и собран он был на парах IRFP240 IRFP9240,а здесь только IRFP240 это не опечатка?
2.Конденсаторы которые на картинке возле каждого транзистора отсутствуют в схеме,но на печатке прорисованы.Я так понимаю что они просто дублируют конденсаторы блока питания.Какой примерно они могут быть емкости,вернее ниже какого предела их не имеет смысла ставить.У меня есть 100V470мкф.покупатьбольшей емкости на такую напругу сильно дорого.
3.Болты с красным верхом и двумя усами-это терморезисторы?Между чем они должны подключаться?
4.Конденсаторов для БП к данному УМ достаточно на 80V?Ведь они подключаются к +95 и -95 между средней точкой.
Вложение:
УсилительСхема 1000.jpg [73.15 KiB]
Скачиваний: 2130

Вложение:
Усилитель картинка.jpg [154.85 KiB]
Скачиваний: 1621

Вложение:
1000Watt печатка.pdf [93.45 KiB]
Скачиваний: 936

Вложение:
Блок питания.jpg [38.94 KiB]
Скачиваний: 1302


Вернуться наверх
 
 Заголовок сообщения: Re: УНЧ 1000Вт на IRFP240
СообщениеДобавлено: Чт мар 07, 2013 00:32:32 
Друг Кота
Аватар пользователя

Карма: 40
Рейтинг сообщений: 114
Зарегистрирован: Пн янв 18, 2010 21:41:09
Сообщений: 3464
Откуда: Краснодарский край
Рейтинг сообщения: 0
Цитата:
это не опечатка?

Нет.
Цитата:
Я так понимаю что они просто дублируют конденсаторы блока питания.

Нет. Это конденсаторы байпаса.

Цитата:
100V470мкф.покупатьбольшей емкости на такую напругу сильно дорого.

Главное, чтобы влезли на плату.
Цитата:
3.Болты с красным верхом и двумя усами-это терморезисторы?Между чем они должны подключаться?

Нет. На термореле похожи. Отключают питание.

Цитата:
.Конденсаторов для БП к данному УМ достаточно на 80V?

Нет.


Вернуться наверх
 
 Заголовок сообщения: Re: УНЧ 1000Вт на IRFP240
СообщениеДобавлено: Чт мар 07, 2013 12:26:18 
Друг Кота
Аватар пользователя

Карма: 95
Рейтинг сообщений: 967
Зарегистрирован: Пт дек 03, 2010 13:13:39
Сообщений: 7724
Откуда: Россия, Тула и пгт Городищи, Владимирская обл.
Рейтинг сообщения: 0
Интересно, кто бы из знающих окинул схемку прищуренным взглядом, и сказал, насколько примерно этот усь хорош, приемлемое ли качество ожидается, или он, как Мосфит, чисто для долбежки :tea:

_________________
Не всегда есть комп, или скорость интернета, но чем смогу-помогу.

И да пребудет с вами Сила тока!


Вернуться наверх
 
 Заголовок сообщения: Re: УНЧ 1000Вт на IRFP240
СообщениеДобавлено: Чт мар 07, 2013 13:33:55 
Встал на лапы

Зарегистрирован: Сб апр 14, 2012 19:15:41
Сообщений: 105
Откуда: Беларусь Витебская обл
Рейтинг сообщения: 0
Качество должно быть приемлимое даже для концертов если использовать нормальный микшер и АС.Тем более что можно поставить хорошие электролиты и пленку,посмотреть входные транзисторы покачественнее и будет супер.Сделаю расскажу есть ли смысл повторять.В любом случае загоню его халтурщикам им на свадьбах лишь бы погромче.


Вернуться наверх
 
Эиком - электронные компоненты и радиодетали
 Заголовок сообщения: Re: УНЧ 1000Вт на IRFP240
СообщениеДобавлено: Чт мар 07, 2013 14:55:23 
Друг Кота
Аватар пользователя

Карма: 127
Рейтинг сообщений: 6124
Зарегистрирован: Вс дек 25, 2011 18:43:00
Сообщений: 24341
Откуда: г.Москва
Рейтинг сообщения: 0
AcousticManiac писал(а):
... или он, как Мосфит, чисто для долбежки :tea:

Именно так и есть..осваивайте программные симуляторы, AcousticManiac...но самое интересное-это блок питания к нему, особенно силовой(силовые) транс, если импульсник не мутить.. :)))


Вернуться наверх
 
 Заголовок сообщения: Re: УНЧ 1000Вт на IRFP240
СообщениеДобавлено: Чт мар 07, 2013 15:28:16 
Друг Кота
Аватар пользователя

Карма: 95
Рейтинг сообщений: 967
Зарегистрирован: Пт дек 03, 2010 13:13:39
Сообщений: 7724
Откуда: Россия, Тула и пгт Городищи, Владимирская обл.
Рейтинг сообщения: 0
Изображение Такенную схемищу я дня три только рисовать буду :)) А трансформаторы, ну, подумаешь, размером в два кирпича :roll: А импульсник на такую мощь косолапых новичков будет убивать даже на расстоянии :))

_________________
Не всегда есть комп, или скорость интернета, но чем смогу-помогу.

И да пребудет с вами Сила тока!


Вернуться наверх
 
 Заголовок сообщения: Re: УНЧ 1000Вт на IRFP240
СообщениеДобавлено: Чт мар 07, 2013 16:50:21 
Друг Кота
Аватар пользователя

Карма: 127
Рейтинг сообщений: 6124
Зарегистрирован: Вс дек 25, 2011 18:43:00
Сообщений: 24341
Откуда: г.Москва
Рейтинг сообщения: 0
AcousticManiac писал(а):
...будет убивать даже на расстоянии :))

Эт истчо не все-а представьте себе выходные клеммы и силовые кабели на такую мощу...если плохо затянешь, искрить будет.. :)))

З.Ы.Как не странно, но импульсник мне более практичным видится, его хоть можно одному чело..упс, коту унести, это лучше, чем силовой(ые) транс(сы) на тележке катить... :)))
З.Ы.2..добавим сюда еще ну прям скажем немаленькие радиаторы для выхлопа, и получаем мечту приемщика цветмета :)))


Вернуться наверх
 
 Заголовок сообщения: Re: УНЧ 1000Вт на IRFP240
СообщениеДобавлено: Чт мар 07, 2013 20:08:24 
Друг Кота
Аватар пользователя

Карма: 95
Рейтинг сообщений: 967
Зарегистрирован: Пт дек 03, 2010 13:13:39
Сообщений: 7724
Откуда: Россия, Тула и пгт Городищи, Владимирская обл.
Рейтинг сообщения: 0
Я тут вот что подумал 8) Это что ж получается, единственный нормальный околокиловаттный усь-это Холтон?

_________________
Не всегда есть комп, или скорость интернета, но чем смогу-помогу.

И да пребудет с вами Сила тока!


Вернуться наверх
 
 Заголовок сообщения: Re: УНЧ 1000Вт на IRFP240
СообщениеДобавлено: Чт мар 07, 2013 21:25:27 
Встал на лапы

Зарегистрирован: Сб апр 14, 2012 19:15:41
Сообщений: 105
Откуда: Беларусь Витебская обл
Рейтинг сообщения: 0
Не стоит сгущать краски.Усилитель с виду не такой уж и большой.Ясно дело он будет больше и тяжелее чем для домашних S-90.Забыл где я выдрал эту схему там были и фото.БП у меня будет на 2-х трансформаторах так как импульсник в УМ не есть гут,а одного транса на такую мощность нет.Радиаторы тож не такие уж большие поскольку будут куллеры от компьютерных БП.Зато по себестоимости этот Ум обойдется от50 до100$.А продают такой мощности можете посмотреть за сколько.


Вернуться наверх
 
 Заголовок сообщения: Re: УНЧ 1000Вт на IRFP240
СообщениеДобавлено: Чт мар 07, 2013 21:45:41 
Друг Кота
Аватар пользователя

Карма: 40
Рейтинг сообщений: 114
Зарегистрирован: Пн янв 18, 2010 21:41:09
Сообщений: 3464
Откуда: Краснодарский край
Рейтинг сообщения: 0
С такими вопросами ты врядли его соберешь.

VovanL писал(а):
у меня будет на 2-х трансформаторах так как импульсник в УМ не есть гут,

В твоем случае все наоборот. Не обобщай все и вся.


Вернуться наверх
 
 Заголовок сообщения: Re: УНЧ 1000Вт на IRFP240
СообщениеДобавлено: Чт мар 07, 2013 22:20:56 
Друг Кота
Аватар пользователя

Карма: 95
Рейтинг сообщений: 967
Зарегистрирован: Пт дек 03, 2010 13:13:39
Сообщений: 7724
Откуда: Россия, Тула и пгт Городищи, Владимирская обл.
Рейтинг сообщения: 0
Да усилки фигня по деньгам, трансы-вот где финансовый пипец притаился :)) А "импульсник в УНЧ не есть гут"-болтовня незнаек и отмазки неумех. Все гут, если руки растут откуда надо. У меня вот лично пока не растут, я и не суюсь. Но скоро, наверное, начну пытаться) Не на 2+ киловатта, конечно (тут уже надо быть мастером Йодой в энергетике :)) ), но.. ИИП бывает сложен настройкой, зато размеры и масса просто незаменимы для киловаттных проектов.

_________________
Не всегда есть комп, или скорость интернета, но чем смогу-помогу.

И да пребудет с вами Сила тока!


Вернуться наверх
 
 Заголовок сообщения: Re: УНЧ 1000Вт на IRFP240
СообщениеДобавлено: Чт мар 07, 2013 22:34:42 
Первый раз сказал Мяу!

Зарегистрирован: Вт янв 17, 2012 23:39:52
Сообщений: 24
Рейтинг сообщения: 0
Такие мощности надо делать на лампах, хотябы на ги7 но трансформаторы, сказочные получатся. Собирал на транзисторах в 1989 году 1 канал 1 кв Транзисторы 20 штук 210 убили на 10минут 10 кинаповских динамиков. Стёкла и ряды шатались.


Вернуться наверх
 
 Заголовок сообщения: Re: УНЧ 1000Вт на IRFP240
СообщениеДобавлено: Чт мар 07, 2013 22:41:06 
Первый раз сказал Мяу!

Зарегистрирован: Вт янв 17, 2012 23:39:52
Сообщений: 24
Рейтинг сообщения: 0
Как скажет наш диж хакей в деревне даёш частоты.


Вернуться наверх
 
 Заголовок сообщения: Re: УНЧ 1000Вт на IRFP240
СообщениеДобавлено: Чт мар 07, 2013 22:55:40 
Друг Кота
Аватар пользователя

Карма: 95
Рейтинг сообщений: 967
Зарегистрирован: Пт дек 03, 2010 13:13:39
Сообщений: 7724
Откуда: Россия, Тула и пгт Городищи, Владимирская обл.
Рейтинг сообщения: 0
Уж если +-95 - вольтный блок питания вполне может убить, то киловаттному ламповику и вовсе надо небось питальник на напряг больше киловольта (ну или я хз, сколько, но дохрена точно :)) ). Такой агрегат при неуважительном обращении и убьет, и зажарит с дымком и хрустящей корочкой :)) Даже бывалые трижды подумают, прежде чем браться за такое :tea:

_________________
Не всегда есть комп, или скорость интернета, но чем смогу-помогу.

И да пребудет с вами Сила тока!


Вернуться наверх
 
 Заголовок сообщения: Re: УНЧ 1000Вт на IRFP240
СообщениеДобавлено: Чт мар 07, 2013 23:08:02 
Встал на лапы

Зарегистрирован: Сб апр 14, 2012 19:15:41
Сообщений: 105
Откуда: Беларусь Витебская обл
Рейтинг сообщения: 0
Я бы собрал и на лампах но возникает вопрос стоимости.Хотел сначала подобный УМ на 2SC5200 и 2SA1942 но они в 2 раза дороже.А это самый бюджетный вариант.Насчет сборки не вижу проблем.Печатка есть вставляй нужные детали,а что не знаешь спроси у специалистов.Ток покоя можно пробовать выставлять подключив только одну пару выходников,иначе можно хорошо прогореть.Трансформаторный БП надежней при нашей долбаной сети.На днях на работе было115V.


Вернуться наверх
 
 Заголовок сообщения: Re: УНЧ 1000Вт на IRFP240
СообщениеДобавлено: Чт мар 07, 2013 23:16:29 
Друг Кота
Аватар пользователя

Карма: 10
Рейтинг сообщений: 22
Зарегистрирован: Сб янв 16, 2010 20:35:46
Сообщений: 7087
Откуда: Воронеж
Рейтинг сообщения: 0
Киловатт (пардон, два по киловатту) в AB или B классе? Это же печка.

Если нужны высокие звуковые давления, то расти надо еще и в плане КПД.

Усилок в классе D и высокочувствительная АС.

_________________
ааааааааааааа


Вернуться наверх
 
 Заголовок сообщения: Re: УНЧ 1000Вт на IRFP240
СообщениеДобавлено: Пт мар 08, 2013 01:14:54 
Друг Кота
Аватар пользователя

Карма: 127
Рейтинг сообщений: 6124
Зарегистрирован: Вс дек 25, 2011 18:43:00
Сообщений: 24341
Откуда: г.Москва
Рейтинг сообщения: 0
AcousticManiac писал(а):
Да усилки фигня по деньгам, трансы-вот где финансовый пипец притаился

Я бы даже сказал-габаритно финансовый...у меня сварочник 1,6кВт....не сказать чтоб прям особо мощный, есть и поболее, так вот ведь на тележке катаю. :dont_know: :) Здесь если брать стереоверсию то по трансу получится около 2,5кВт, с учетом КПД рассматриваемого усилителя, и теперь представьте себе, сколько потратится на обогрев атмосферы. :))) Другими словами, постройка такого усилителя целесообразна в местах крайнего севера с целью совместить приятное с полезным-музычку послушать и чтоб дома холодно не было.. :)))
VovanL писал(а):
Не стоит сгущать краски.Усилитель с виду не такой уж и большой.

Чтобы понять, большой усилитель будет или маленький, смотрите габаритные данные по трансику ТС-270, стоявщему когда-то в цветных ящиках.От такого транса можно запитать стереоусилитель с мощностью "всего-то" 100..120 Вт на канал..теперь вам все ясно?? Еще на что придется серьезно потратиться, это система охлаждения усилителя.В случае работы усилителя в кл."АВ" "В" (про кл. "А" я по понятным причинам даже заикаться не буду) даже при принудительном охлаждении вам потребуется просто охерительный радиатор, купить такой вы наврядли сможете, придется делать под заказ.Я даже не хочу приблизительно посчитывать его площадь-смысла не вижу.Да, вам еще потребуется как минимум с десяток кулеров для обдува теплоотвода и для осуществления конвекции воздуха в корпусе.
VovanL писал(а):
Печатка есть вставляй нужные детали

Ага...сначала тепловые режимы ПП приборов посчитайте, ОБР, да с монтажом определитесь...Рассчитайте хотя бы нужную площадь теплоотводов.Не было ни одного дельного вопроса еще по теме..
VovanL писал(а):
...а что не знаешь спроси у специалистов

...ну не тусуются они здесь, разве что иногда...
VovanL писал(а):
Я бы собрал и на лампах но возникает вопрос стоимости.Хотел сначала подобный УМ на 2SC5200 и 2SA1942 но они в 2 раза дороже.А это самый бюджетный вариант.

Какой бы он ни был бюджетный, на комплектацию, фурнитуру для монтажа-клеммы, провод, колодки и т.п а так же на систему охлаждения придется потратить около 700 грина.Извините, но это не карманная "Селга"..придется потратиться.Если надумете делать традиционное трансформаторное питание, то готовьте еще столько же на трасформатор мощностью 2квТ (!) с блоком питания (пацталом) :))).Не прибегая к сложным рассчетам, я уже сейчас вижу, что стереофонический вариант с мощностью 1кВт на канал и питанием от трансформаторного БП реализовать не получится, т.к будут просто растоптаны разумные эргономические нормы по массо-габаритным показателям, видится мне, что вес такого усилителя будет весьма близок к центнеру :))) а перемещать его в пространстве придется на тачке :))) Да и производитетели таких монстров сами придерживаются принципа "дискретное моно"

Импульсный источник питания и класс D в этом случае смотрятся единственно разумным вариантом и альтернативы не имеют.


Вернуться наверх
 
 Заголовок сообщения: Re: УНЧ 1000Вт на IRFP240
СообщениеДобавлено: Пт мар 08, 2013 04:24:45 
Модератор
Аватар пользователя

Карма: 159
Рейтинг сообщений: 4081
Зарегистрирован: Пт янв 23, 2009 19:20:05
Сообщений: 45784
Рейтинг сообщения: 0
Медали: 1
Получил миской по аватаре (1)
На счёт рассеиваемой мощности - кулеры процессорные легко справятся, даже максимальные обороты не потребуются, если ставить на каждый по паре выходников! :))) Далее, по питанию... Трансформатор на три киловатта совсем не обязателен, хватит и киловаттного, но просадки напряжения будут заметнее... Опять же, конденсаторы фильтра... Нужны на 160 вольт, да и ёмкость потребуется в десятки тысяч микрофарад, места займут сравнимо с трансформатором... :dont_know:

А вам не кажется, что тема в очередной раз повторяется? :)))
И снова, дело ограничится прожектами, до осуществления точно не дойдёт...
Опять же, киловаттному усилителю нужна будет соответствующая АС, как с этим дела обстоят?
И, не проще ли будет собрать групповой излучатель из десятка стоваттных широкополосников, каждый из которых снабдить "персональным" усилителем? Тут уже и "стандартные" TDA7293 будут вполне достаточны! :))) (А уж эффект от такой АС будет просто сногсшибательный! :))) )

Кстати, ёмкости конденсаторов фильтра можно снизить раз в десять, если применить питание от трёхфазной сети. А если немного подумать, и от трёхфазного выпрямителя перейти к 12-фазному - проблема электролитов отпадает, ёмкость нужна будет не выше, чем для импульсного БП! :)))


Вернуться наверх
 
 Заголовок сообщения: Re: УНЧ 1000Вт на IRFP240
СообщениеДобавлено: Пт мар 08, 2013 05:28:21 
Встал на лапы

Зарегистрирован: Сб апр 14, 2012 19:15:41
Сообщений: 105
Откуда: Беларусь Витебская обл
Рейтинг сообщения: 0
Хоть один человек разбирающийся попался,а то все про печи да сварки.Поотстали маленько.Дело будет продвигаться фото обязательно выложу.БП уже собственно готов.Транзисторы пока только нашел где подешевле приобрести.


Вернуться наверх
 
 Заголовок сообщения: Re: УНЧ 1000Вт на IRFP240
СообщениеДобавлено: Пт мар 08, 2013 10:46:03 
Открыл глаза

Зарегистрирован: Чт июн 16, 2011 17:03:12
Сообщений: 78
Рейтинг сообщения: 0
ИМХО схема бредовая, будет работать но грязно и не надежно.

Цитата:
Делаю усилитель по 1кВт на канал но не силен в теоретической части

Это не правильный подход.

Схема блока питания из учебника по радиотехнике. Полный бред в данном случае.
надо применить 2 моста.

Цитата:
У меня есть 100V470мкф.покупатьбольшей емкости на такую напругу сильно дорого.

Киловатт это вообще не дешево.
Кондеры нужны на 200в. :shock:

Цитата:
приемлемое ли качество ожидается, или он, как Мосфит, чисто для долбежки
Интересно, кто бы из знающих окинул схемку прищуренным взглядом, и сказал, насколько примерно этот усь хорош, приемлемое ли качество ожидается, или он, как Мосфит, чисто для долбежки :tea:
Качество будет гуано, только для долбежки.
СПАРЕННЫЕ, строенные или многократно запараллеленные транзисторы ведут к засиранию звука, но мощность получишь. Еще получишь высокое тепловыделение, схема выходного каскада уся вообще-то нормально может работать до 50вт.

ssc
Цитата:
импульсник мне более практичным видится

Это напрасно!
Схема сама по себе дрянь, если еще импульсник применить то будет гауно в квадратуре.
Полуторакиловаттный силовик не такой уж большой, килограмм 8 всего-то. Но если 2 канала то два транса!

Вот выбор диодов интереснее, хотелось бы шотку, но на высокое напряжение а это не дешево.
Изначально дурацкая схема диктует дальнейшие дурацкие решения.

Цитата:
Даже бывалые трижды подумают, прежде чем браться за такое

Бывалые НЕ БЕРУТСЯ! 8)

Цитата:
Усилок в классе D

Это он не соберет да и звучит D отвратительно. Но там же дросселя надо мотать а это новичку не под силу!! :))) Да и вообще D-класс помойка, особенно при нынешней реализации. Раздолбаи уже смекнули и делают на D-классе только НЧ звено а для ВЧ ставят отдельный усилитель на микре. Но вот например
усь PROMETHEAN P500H сделан для широкой полосы. В результате звук гауно тоскливое.
Ремонтировал такой усь... его придумали психи.

Цитата:
Импульсный источник питания и класс D в этом случае смотрятся единственно разумным вариантом и альтернативы не имеют.

Нет, нет, не выдумывай. Про разумность лучше умолчать. :))


Вернуться наверх
 
Показать сообщения за:  Сортировать по:  Вернуться наверх
Начать новую тему Ответить на тему  [ Сообщений: 43 ]  1, ,  

Часовой пояс: UTC + 3 часа


Вы не можете начинать темы
Вы не можете отвечать на сообщения
Вы не можете редактировать свои сообщения
Вы не можете удалять свои сообщения
Вы не можете добавлять вложения

Найти:
Перейти:  


Powered by phpBB © 2000, 2002, 2005, 2007 phpBB Group
Русская поддержка phpBB
Extended by Karma MOD © 2007—2012 m157y
Extended by Topic Tags MOD © 2012 m157y