Например TDA7294

Форум РадиоКот • Просмотр темы - D-class для сабвуфера
Форум РадиоКот
Здесь можно немножко помяукать :)

Текущее время: Сб янв 10, 2026 03:36:47

Часовой пояс: UTC + 3 часа


ПРЯМО СЕЙЧАС:



Начать новую тему Ответить на тему  [ Сообщений: 493 ]     ... , , , 7, , , ...  
Автор Сообщение
Не в сети
 Заголовок сообщения: Re: D-class для сабвуфера
СообщениеДобавлено: Вс ноя 15, 2015 10:55:57 
Друг Кота
Аватар пользователя

Карма: 175
Рейтинг сообщений: 7680
Зарегистрирован: Чт апр 04, 2013 12:46:59
Сообщений: 17234
Откуда: Тюмень
Рейтинг сообщения: 0
А если эти платы осмотреть на предмет поиска микросхем с такой (УД2) надписью?
Вообще, можно и с TL082 (TL072) работать, но частоту преобразования не задирать выше 100 кГц. В принципе, даже 100 кГц для сабвуфера более чем достаточно, а если (что у меня в планах) использовать как преобразователь 12/24/48 -> 220 с синусом на выходе, то и 35 кГц частоты будет достаточно.

_________________
Общением на форуме подпитываю свою эгоистичную, склонную к самолюбованию сущность.


Вернуться наверх
 
Не в сети
 Заголовок сообщения: Re: D-class для сабвуфера
СообщениеДобавлено: Вс ноя 15, 2015 11:01:07 
Собутыльник Кота
Аватар пользователя

Карма: 113
Рейтинг сообщений: 1537
Зарегистрирован: Пт мар 18, 2011 14:30:20
Сообщений: 2994
Откуда: Lugansk ЛНР
Рейтинг сообщения: 0
Пошукаю КР544УД2.
А TL082, TL072 у меня есть и знаю где взять :)))


Вернуться наверх
 
Не в сети
 Заголовок сообщения: Re: D-class для сабвуфера
СообщениеДобавлено: Вс ноя 15, 2015 11:35:09 
Собутыльник Кота
Аватар пользователя

Карма: 113
Рейтинг сообщений: 1537
Зарегистрирован: Пт мар 18, 2011 14:30:20
Сообщений: 2994
Откуда: Lugansk ЛНР
Рейтинг сообщения: 0
Slabovik писал(а):
Зарубежный аналог LF357.

Нашел парочку LF355. Это не пойдет?


Вернуться наверх
 
Не в сети
 Заголовок сообщения: Re: D-class для сабвуфера
СообщениеДобавлено: Вс ноя 15, 2015 11:47:25 
Друг Кота
Аватар пользователя

Карма: 175
Рейтинг сообщений: 7680
Зарегистрирован: Чт апр 04, 2013 12:46:59
Сообщений: 17234
Откуда: Тюмень
Рейтинг сообщения: 0
Это то же самое.
От 544УД2 отличие в цоколёвке.

_________________
Общением на форуме подпитываю свою эгоистичную, склонную к самолюбованию сущность.


Вернуться наверх
 
Эиком - электронные компоненты и радиодетали
Не в сети
 Заголовок сообщения: Re: D-class для сабвуфера
СообщениеДобавлено: Вс ноя 15, 2015 14:12:41 
Встал на лапы
Аватар пользователя

Зарегистрирован: Сб июл 10, 2010 15:14:46
Сообщений: 119
Откуда: с 2004г., г. Минск
Рейтинг сообщения: 4
Првет всем!!! Сергей Проверил идею питание IR2153 без транзистора, все получилось и работает прекрасно. Резистор от + на Ирку поставил 3,3 к, напаял три 10к-1ват друг на друга , можно еще чуть уменьшить, питание олучилось 10,8 вольта (маловато) но у меня +- 38 питание. Скажу про стабилитроны на 13 вольт. 1N4743 - 1W
BZV55C13 – 0.5 W
BZX55C13 – 0.5 W
KC213Б - 0,150 W
По этому лучше использовать 1N4743 на 1 ват. Еще сопротивление в цепи светодиода пришлось увеличит 5,1к , потому что с 22 диод сгорел


Вернуться наверх
 
Не в сети
 Заголовок сообщения: Re: D-class для сабвуфера
СообщениеДобавлено: Вс ноя 15, 2015 18:40:34 
Собутыльник Кота
Аватар пользователя

Карма: 113
Рейтинг сообщений: 1537
Зарегистрирован: Пт мар 18, 2011 14:30:20
Сообщений: 2994
Откуда: Lugansk ЛНР
Рейтинг сообщения: 4
Подпаял как по схеме(обозначение номиналов красным), на ИРке 15,5вольт и через минуту дымил R4. поменял С3 на 4700р, на ИР стало 14,8 вольт.
Потом уменьшил сопротивлен R1, уменьшил R4 и уменьшил С3. На ИР 14,5 вольт.(обозначено синим)
Щас как на схеме синим.
Напруга питания усила +/-40 вольт. частота 100 кГц.

Изображение

Изображение


Вернуться наверх
 
Не в сети
 Заголовок сообщения: Re: D-class для сабвуфера
СообщениеДобавлено: Вс ноя 15, 2015 19:41:21 
Встал на лапы
Аватар пользователя

Зарегистрирован: Сб июл 10, 2010 15:14:46
Сообщений: 119
Откуда: с 2004г., г. Минск
Рейтинг сообщения: 0
Молодец! Меньше будет в схеме транзисторов с радиаторами.


Вернуться наверх
 
Не в сети
 Заголовок сообщения: Re: D-class для сабвуфера
СообщениеДобавлено: Пн ноя 16, 2015 09:44:19 
Друг Кота
Аватар пользователя

Карма: 175
Рейтинг сообщений: 7680
Зарегистрирован: Чт апр 04, 2013 12:46:59
Сообщений: 17234
Откуда: Тюмень
Рейтинг сообщения: 3
Да, хорошая коррекция схемы. Замечу только, что использованные ключевые транзисторы имеют меньшее значение полного заряда затвора от максимально допустимого производителем, поэтому ёмкость конденсатора в итоге получилась меньше расчётной. Методика подбора - вполне.

У меня же пара мыслей. Первая - о рабочей частоте. IR2153 имеет дедтайм порядка 1,2 мкс (есть варианты этой микросхемы с дедтаймом 0,6 мкс). За один период дедтайм случается два раза. Т.е. общее время дедтайма 2,4 мкс. Если вдруг выбрать рабочую частоту 200 кГц, то длина периода 5 мкс, из которых 2.4 мкс - чистый дедтайм. Что это значит? Это значит, что максимальная амплитуда напряжения на выходе не сможет превысить Uпит*(1-2.4/5)= 45*(1-2,4/5)=23,4 вольта. И чем больше будет частота - тем меньше максимальное напряжение на выходе.

IR2184 имеет дедтайм 0,5 мкс. Для тех же условий 45*(1-1/5)=36 вольт

Однако замечу, что это верно для условия работы блока с фиксированной частотой. Если блок с самоосцилляцией, то для него эти утверждения не верны.

Что делать? Очень просто - не задирать частоту. В ИМС усилителей D-класса частоты конечно большие, но это за счёт точно выверенный параметров внутренних компонент, благодаря этому дедтайм там минимизирован почти в ноль. Чисто теоретически, для воспроизведения сигнала с частотой 20 кГц достаточно, чтобы частота сэмплирования превышала 40 кГц. 100 кГц - это уже до 50 кГц. 200 кГц - соответственно, до 100. Здесь есть лишь проблема в фильтрации на выходе - очень трудно сделать фильтр с большой крутизной. Повышение частоты снижает требования к фильтру, но только при условии, что высшая частота усиливаемого сигнала так и остаётся 20 кГц.

Да, и напомню, что подача сигналов на вход такого УНЧ, имеющего в своём составе частоты выше, чем половина частоты семплирования - это есть табу. Почему? Ну, тут помолчу - оно длинно. Легче отослать к теории о преобразовании частот. На уровне радиоприёмников это хорошо в любом учебнике расписано, здесь процесс тот же самый.

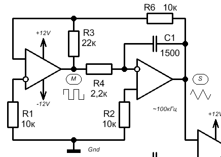
Мысль вторая. Что-то у меня пока нифига не получается :shock: О, но ведь это прекрасно! :) За выходные удалось смакетировать основной узел преобразователя. Поскольку самоосциллирующий блок я чисто по идеологическим соображениям не хочу, а применение спец.микросхем - это такое внутреннее табу, то возился с ОУ и транзисторами. Очень хорошо показал себя генератор треугольного сигнала на ОУ, а на 544УД2 удалось "разогнать" его до 170 кГц без видимых искажений (при 5 вольтах амплитуды !!! пилы)

    Изображение


После 170 кГц, правда, становится видимым "затупление" вначале верхнего кончика зуба, а после 200 кГц и нижнего. Связано это с конечной скоростью нарастания сигнала на выходе левого по схеме ОУ.

В данной схеме амплитуда на выходе зависит от питающего напряжения и соотношения пары резисторов (R3, R6), а частота зависит уже от амплитуды и ещё одного R4 и одного C1. Так что для начала можно настроить амплитуду, а затем подкорректировать частоту.

Что не получилось? А не получилось у меня красиво организовать дедтайм. Обычно в спец. микросхемах после компаратора стоит логический блок, которые и формирует импульсы для выходных ключей. Попытка обойтись без этого блока у меня приводит к небольшому перехлёсту открывающих импульсов. Происхождение перехлёста - это задержки в транзисторах. Ведь биполярный транзистор - это штука такая, что открывается он практически сразу, а вот закрываться не торопится - пока не рассосутся носители в базе, он будет продолжать проводить.

Вариантов решения может быть несколько. Первый - это, не наворачивая схему сдвига уровней на ключи, установить не один, а два компаратора, каждый для своего плеча, а входы их чуть сместить каждый в свою сторону на пяток милливольт. Относительно просто, и можно регулировать. Дедтайм при этом будет определяться процентным соотношением к Duty Cycle.

Другой вариант - тормознуть компаратор, чтобы получить на его выходе трапецию, а дедтайм формировать сдвигом порогового уровня узла сдвига уровня (Level Shift). Вариант интересный, и позволяет навесить ещё и такую штуку, как защита - можно просто выключить все ключи, "которнув" выход компаратора на землю (коротить - это отдельный узел).

И третий вариант - использовать гораздо более навороченный узел сдвига уровня. У меня прорисовывается что-то, но... блин, шесть транзисторов в дифкаскаде в каждое плечо... При этом конечно сохраняется достоинство варианта второго - возможность выключить всё, но сложно для повторения кем-то начинающим - просто много деталей...

_________________
Общением на форуме подпитываю свою эгоистичную, склонную к самолюбованию сущность.


Вернуться наверх
 
Не в сети
 Заголовок сообщения: Re: D-class для сабвуфера
СообщениеДобавлено: Пн ноя 16, 2015 10:49:42 
Собутыльник Кота
Аватар пользователя

Карма: 113
Рейтинг сообщений: 1537
Зарегистрирован: Пт мар 18, 2011 14:30:20
Сообщений: 2994
Откуда: Lugansk ЛНР
Рейтинг сообщения: 0
Андрюша :beer: , выходные прошли не зря.
Я только против третьего варианта, ненужно усложнять схему. Я сам начинающий радиолюбитель и понимаю таких же. навороченные схемы сразу отпугивают. К примеру навороченную схему повторит 1 человек, а простую 10.

Вторая твоя мысль мне понравилась.


Вернуться наверх
 
Не в сети
 Заголовок сообщения: Re: D-class для сабвуфера
СообщениеДобавлено: Пн ноя 16, 2015 12:17:05 
Друг Кота
Аватар пользователя

Карма: 175
Рейтинг сообщений: 7680
Зарегистрирован: Чт апр 04, 2013 12:46:59
Сообщений: 17234
Откуда: Тюмень
Рейтинг сообщения: 0
Пытаюсь параллельно освоить LTspice (Multisim замучил своими проблемами со схождением) - вроде ничего, но отсутствие моделей удручает. Самостоятельно же их делать что-то разуму не хватает :dont_know:

_________________
Общением на форуме подпитываю свою эгоистичную, склонную к самолюбованию сущность.


Вернуться наверх
 
Не в сети
 Заголовок сообщения: Re: D-class для сабвуфера
СообщениеДобавлено: Пн ноя 16, 2015 20:32:11 
Встал на лапы
Аватар пользователя

Зарегистрирован: Сб июл 10, 2010 15:14:46
Сообщений: 119
Откуда: с 2004г., г. Минск
Рейтинг сообщения: 0
(извините за вторжение) Посмотрите, может в этих схемах что, нибудь пригодиться


Вложения:
на BD139.jpg [117.57 KiB]
Скачиваний: 1247
Вернуться наверх
 
Не в сети
 Заголовок сообщения: Re: D-class для сабвуфера
СообщениеДобавлено: Пн ноя 16, 2015 20:36:16 
Встал на лапы
Аватар пользователя

Зарегистрирован: Сб июл 10, 2010 15:14:46
Сообщений: 119
Откуда: с 2004г., г. Минск
Рейтинг сообщения: 0
И вот еще


Вложения:
Klass-D IR2153.GIF [8.5 KiB]
Скачиваний: 1308


Последний раз редактировалось aen Вт ноя 17, 2015 15:02:54, всего редактировалось 1 раз.
Нарушение Правил форума п. 2.2
Вернуться наверх
 
Не в сети
 Заголовок сообщения: Re: D-class для сабвуфера
СообщениеДобавлено: Вт ноя 17, 2015 12:18:02 
Друг Кота
Аватар пользователя

Карма: 175
Рейтинг сообщений: 7680
Зарегистрирован: Чт апр 04, 2013 12:46:59
Сообщений: 17234
Откуда: Тюмень
Рейтинг сообщения: 3
Да не, наоборот - информация к размышлению.
Правда, схемы эти маленько того. Первая ещё интересна, а вторая на IR весьма унылая.
У простых схем есть один серьёзный недостаток - они имеют в основе своей работы много неявных нюансов. очень хороший пример такой простой схемы - мультивибратор, работу которого можно разбирать и разбирать, удивляясь вдруг всплывающим моментам.

Получилось сделать узел LevelShift на четырёх транзисторах с автоматическим формированием дедтайма, в основе которого использована конечная скорость нарастания сигнала на выходе УО-компаратора. Четыре транзистора - это в одно плечо. Два плеча - восемь транзисторов :dont_know: Но сквозняка в силе, по крайней мере в модели, нет!

У меня просто другой вопрос возник. Сергеj, а расскажи, как ты считал выходной фильтр. Я имею в виду дроссель и конденсатор. Что-то у меня есть сомнения в том, что на схемах он как-то посчитан. Я попытался засунуть фильтр с такими данными в модель и получил довольно приличный ток на частоте преобразования в нагрузке. Ну, не нужно много думать, чтобы понять, что весь этот ток через ВЧ секцию АС пойдёт.

_________________
Общением на форуме подпитываю свою эгоистичную, склонную к самолюбованию сущность.


Вернуться наверх
 
Не в сети
 Заголовок сообщения: Re: D-class для сабвуфера
СообщениеДобавлено: Вт ноя 17, 2015 12:34:19 
Собутыльник Кота
Аватар пользователя

Карма: 113
Рейтинг сообщений: 1537
Зарегистрирован: Пт мар 18, 2011 14:30:20
Сообщений: 2994
Откуда: Lugansk ЛНР
Рейтинг сообщения: 0
Вот этим калькулятором:


Вложения:
Расчёт фильтра.rar [195.32 KiB]
Скачиваний: 623
Вернуться наверх
 
Не в сети
 Заголовок сообщения: Re: D-class для сабвуфера
СообщениеДобавлено: Чт ноя 19, 2015 10:38:00 
Первый раз сказал Мяу!

Зарегистрирован: Вс фев 09, 2014 22:08:20
Сообщений: 25
Рейтинг сообщения: 0
всем привет ! скажите с 22 ферритовых чашек можно 100 ватт снять ? проницаемость 2000нм


Вернуться наверх
 
Не в сети
 Заголовок сообщения: Re: D-class для сабвуфера
СообщениеДобавлено: Чт ноя 19, 2015 10:41:50 
Друг Кота
Аватар пользователя

Карма: 175
Рейтинг сообщений: 7680
Зарегистрирован: Чт апр 04, 2013 12:46:59
Сообщений: 17234
Откуда: Тюмень
Рейтинг сообщения: 0
С двадцати двух ферритовых чашек можно снять сорок четыре получашки, выручку на рынке, или обнаглевшую кошку.
Для всего остального необходим расчёт :dont_know:

_________________
Общением на форуме подпитываю свою эгоистичную, склонную к самолюбованию сущность.


Вернуться наверх
 
Не в сети
 Заголовок сообщения: Re: D-class для сабвуфера
СообщениеДобавлено: Чт ноя 19, 2015 10:42:53 
Собутыльник Кота
Аватар пользователя

Карма: 113
Рейтинг сообщений: 1537
Зарегистрирован: Пт мар 18, 2011 14:30:20
Сообщений: 2994
Откуда: Lugansk ЛНР
Рейтинг сообщения: 0
sanekvazl1
А ты его вбей в программу, а она тебе подскажет.


Вернуться наверх
 
Не в сети
 Заголовок сообщения: Re: D-class для сабвуфера
СообщениеДобавлено: Чт ноя 19, 2015 11:12:47 
Первый раз сказал Мяу!

Зарегистрирован: Вс фев 09, 2014 22:08:20
Сообщений: 25
Рейтинг сообщения: 0
.


Последний раз редактировалось sanekvazl1 Чт ноя 19, 2015 14:20:18, всего редактировалось 1 раз.

Вернуться наверх
 
Не в сети
 Заголовок сообщения: Re: D-class для сабвуфера
СообщениеДобавлено: Чт ноя 19, 2015 11:13:26 
Первый раз сказал Мяу!

Зарегистрирован: Вс фев 09, 2014 22:08:20
Сообщений: 25
Рейтинг сообщения: 0
.


Последний раз редактировалось sanekvazl1 Чт ноя 19, 2015 14:19:53, всего редактировалось 1 раз.

Вернуться наверх
 
Не в сети
 Заголовок сообщения: Re: D-class для сабвуфера
СообщениеДобавлено: Чт ноя 19, 2015 13:26:27 
Друг Кота
Аватар пользователя

Карма: 175
Рейтинг сообщений: 7680
Зарегистрирован: Чт апр 04, 2013 12:46:59
Сообщений: 17234
Откуда: Тюмень
Рейтинг сообщения: 0
Через интернет купить... Это хорошо. А поискать через интернет? Размеры Ч-22. Опа! Первая же ссылка!

По технологии забивки сердечника - это сюда.

p.s. Я тут вторую неделю сижу, опух уже, пытаюсь разобраться с симуляцией, а конца-краю не видно - на каждый мелочный вопрос уходит по дню-другому. Может, стоит тоже заголосить "мужики, ну дайте уже"... Мужики не дадут. И будут правы...

_________________
Общением на форуме подпитываю свою эгоистичную, склонную к самолюбованию сущность.


Вернуться наверх
 
Показать сообщения за:  Сортировать по:  Вернуться наверх
Начать новую тему Ответить на тему  [ Сообщений: 493 ]     ... , , , 7, , , ...  

Часовой пояс: UTC + 3 часа


Кто сейчас на форуме

Сейчас этот форум просматривают: нет зарегистрированных пользователей и гости: 25


Вы не можете начинать темы
Вы не можете отвечать на сообщения
Вы не можете редактировать свои сообщения
Вы не можете удалять свои сообщения
Вы не можете добавлять вложения

Найти:
Перейти:  


Powered by phpBB © 2000, 2002, 2005, 2007 phpBB Group
Русская поддержка phpBB
Extended by Karma MOD © 2007—2012 m157y
Extended by Topic Tags MOD © 2012 m157y