Например TDA7294

Форум РадиоКот • Просмотр темы - Усилитель на TDA7386
Форум РадиоКот
Здесь можно немножко помяукать :)

Текущее время: Ср мар 11, 2026 13:26:22

Часовой пояс: UTC + 3 часа


ПРЯМО СЕЙЧАС:



Начать новую тему Ответить на тему  [ Сообщений: 230 ]     ... , , , 7, , , ...  
Автор Сообщение
 Заголовок сообщения: Re: Усилитель на TDA7386
СообщениеДобавлено: Вс май 06, 2012 20:50:36 
Друг Кота
Аватар пользователя

Карма: 95
Рейтинг сообщений: 967
Зарегистрирован: Пт дек 03, 2010 13:13:39
Сообщений: 7724
Откуда: Россия, Тула и пгт Городищи, Владимирская обл.
Рейтинг сообщения: 0
Да хоть и аккумулятор с подводной лодки на 100500 ампер/часов :roll: Микруха сама возьмет ровно столько тока, сколько нужно. Напряжение тоже не беда, потолок у ТДА2822М 15 вольт, единственная проблема-нагрев на полной мощности. Небольшой радиатор спасет положение. Очень клевые радики выходят из кусков радиатора чипсета с материнки
Изображение или можно классику - "П"-образную пластинку из алюминия
..хм, хотя, на всякий пожарный можно и заморочиться со стабилизацией напряжения, применив, например, микруху 7809, а то мало ли что может случиться при работающем генераторе :roll: Снижение питания до 9 вольт не освобождает от надобности радиатора, хоть и меньшем, чем при 12 вольтах. Также, маленький радик может понадобиться для 7809.

_________________
Не всегда есть комп, или скорость интернета, но чем смогу-помогу.

И да пребудет с вами Сила тока!


Вернуться наверх
 
 Заголовок сообщения: Re: Усилитель на TDA7386
СообщениеДобавлено: Вс май 06, 2012 22:40:58 
Первый раз сказал Мяу!
Аватар пользователя

Зарегистрирован: Чт апр 26, 2012 08:51:04
Сообщений: 30
Рейтинг сообщения: 0
про 7809 можно по подробнее?

_________________
У всякой проблемы есть решение - простое, удобное и ошибочное


Вернуться наверх
 
 Заголовок сообщения: Re: Усилитель на TDA7386
СообщениеДобавлено: Пн май 07, 2012 00:00:09 
Друг Кота
Аватар пользователя

Карма: 95
Рейтинг сообщений: 967
Зарегистрирован: Пт дек 03, 2010 13:13:39
Сообщений: 7724
Откуда: Россия, Тула и пгт Городищи, Владимирская обл.
Рейтинг сообщения: 0
:shock: ??? Популярная микруха-стабилизатор из серии 78** (например, 7805 на 5в., 7806-6в., 7809-9в., и т.д.) ! Бегом в Яндекс!

..и если будут в дальнейшем вопросы по ТДА2822, пишите в посвященную ей тему - ТЫЦ или мне в личку :)

_________________
Не всегда есть комп, или скорость интернета, но чем смогу-помогу.

И да пребудет с вами Сила тока!


Вернуться наверх
 
 Заголовок сообщения: Re: Усилитель на TDA7386
СообщениеДобавлено: Вс май 13, 2012 15:31:04 
Держит паяльник хвостом
Аватар пользователя

Зарегистрирован: Сб янв 16, 2010 15:34:57
Сообщений: 920
Откуда: Sevsk/Moscow
Рейтинг сообщения: 0
У tda7386 по даташиту 18В нормальное. А здесь писали, что 12 :shock:

_________________
:idea:


Вернуться наверх
 
Эиком - электронные компоненты и радиодетали
 Заголовок сообщения: Re: Усилитель на TDA7386
СообщениеДобавлено: Вс май 13, 2012 16:56:41 
Друг Кота
Аватар пользователя

Карма: 95
Рейтинг сообщений: 967
Зарегистрирован: Пт дек 03, 2010 13:13:39
Сообщений: 7724
Откуда: Россия, Тула и пгт Городищи, Владимирская обл.
Рейтинг сообщения: 0
18 вольт-это не нормальное, а вообще самое максимальное, при котором можно подавать сигнал и слушать музыку. При питании выше 18в. сработает защита, и микросхема не включится. И такая фигня не только у TDA7386, а вообще поголовно у всех автомобильных микросхем. Типовое питание, опять же у всех, 14,4в., при этом напряжении замеряют характеристики "по умолчанию", которые пишутся в даташитах. Нормальным можно считать питание в пределах 12-15 вольт, меньше 12 уже будет слишком тухлая мощность, больше 15-немного рискованно, ибо при этом наоборот, мощность и, соответственно, нагрев выше нормы (однако, большой радиатор может нейтрализовать риск :tea: ).

_________________
Не всегда есть комп, или скорость интернета, но чем смогу-помогу.

И да пребудет с вами Сила тока!


Вернуться наверх
 
 Заголовок сообщения: Re: Усилитель на TDA7386
СообщениеДобавлено: Вс май 13, 2012 19:28:37 
Держит паяльник хвостом
Аватар пользователя

Зарегистрирован: Сб янв 16, 2010 15:34:57
Сообщений: 920
Откуда: Sevsk/Moscow
Рейтинг сообщения: 0
А в даташите указано - что максимум - 28, а нормальное - как раз 18!
Вот ссылка.
Operating Supply Voltage = 18V. A DC - 28. Что же тогда
это обозначает??

_________________
:idea:


Вернуться наверх
 
 Заголовок сообщения: Re: Усилитель на TDA7386
СообщениеДобавлено: Вс май 13, 2012 20:10:41 
Друг Кота
Аватар пользователя

Карма: 95
Рейтинг сообщений: 967
Зарегистрирован: Пт дек 03, 2010 13:13:39
Сообщений: 7724
Откуда: Россия, Тула и пгт Городищи, Владимирская обл.
Рейтинг сообщения: 0
28-максимально допустимое долговременное, а также абсолютно бесполезное напряжение, уж не знаю зачем его указывают, ибо микра один хрен не включится, потому что рабочий потолок, повторюсь, 18в., и баста :roll:

Пиковое напряжение питания (Peak Supply Voltage) вообще 50в. :)) С пометкой "время-50 миллисекунд" :))

Надо обращать внимание только на Operating Supply Voltage - Рабочее Напряжение Питания

_________________
Не всегда есть комп, или скорость интернета, но чем смогу-помогу.

И да пребудет с вами Сила тока!


Вернуться наверх
 
 Заголовок сообщения: Re: Усилитель на TDA7386
СообщениеДобавлено: Вс май 13, 2012 20:42:11 
Держит паяльник хвостом
Аватар пользователя

Зарегистрирован: Сб янв 16, 2010 15:34:57
Сообщений: 920
Откуда: Sevsk/Moscow
Рейтинг сообщения: 0
Ну, тогда 18В получается.

_________________
:idea:


Вернуться наверх
 
 Заголовок сообщения: Re: Усилитель на TDA7386
СообщениеДобавлено: Вс май 13, 2012 20:56:34 
Друг Кота
Аватар пользователя

Карма: 95
Рейтинг сообщений: 967
Зарегистрирован: Пт дек 03, 2010 13:13:39
Сообщений: 7724
Откуда: Россия, Тула и пгт Городищи, Владимирская обл.
Рейтинг сообщения: 0
Лучше все же перестраховаться и не питать более чем 16в. Не надо экстремальничать и давать полный предельно допустимый максимум, она и от 16в. уже выдаст больше, чем производитель намерил при 14,4в. :tea: Тем более что микруха весьма мощная, ей по стандартным-то параметрам не хилый радиатор нужен, а по максимуму-и подавно здоровый

_________________
Не всегда есть комп, или скорость интернета, но чем смогу-помогу.

И да пребудет с вами Сила тока!


Вернуться наверх
 
 Заголовок сообщения: Re: Усилитель на TDA7386
СообщениеДобавлено: Вс май 13, 2012 21:02:47 
Держит паяльник хвостом
Аватар пользователя

Зарегистрирован: Сб янв 16, 2010 15:34:57
Сообщений: 920
Откуда: Sevsk/Moscow
Рейтинг сообщения: 0
Спасибо за предупреждение, учту

_________________
:idea:


Вернуться наверх
 
 Заголовок сообщения: Re: Усилитель на TDA7386
СообщениеДобавлено: Ср май 16, 2012 23:23:56 
Открыл глаза

Зарегистрирован: Пт апр 20, 2012 09:43:54
Сообщений: 55
Откуда: Ростов-на-Дону
Рейтинг сообщения: 0
А микросхема не пострадает если будет работать вообще без какой либо нагрузки на выходе?


Вернуться наверх
 
 Заголовок сообщения: Re: Усилитель на TDA7386
СообщениеДобавлено: Чт май 17, 2012 20:41:50 
Друг Кота
Аватар пользователя

Карма: 95
Рейтинг сообщений: 967
Зарегистрирован: Пт дек 03, 2010 13:13:39
Сообщений: 7724
Откуда: Россия, Тула и пгт Городищи, Владимирская обл.
Рейтинг сообщения: 0
Нет конечно :roll: Сколько раз в жизни с автомбильными микрухами ковырялся, подключая-отключая динамики "наживую", во включенном состоянии, тьфу-тьфу-тьфу, ни одного инцидента :roll: Насколько знаю, никакие звуковые усилители не помирают от включения без нагрузки, этот момент критичен разве что для некоторых типов импульсных блоков питания..

_________________
Не всегда есть комп, или скорость интернета, но чем смогу-помогу.

И да пребудет с вами Сила тока!


Вернуться наверх
 
 Заголовок сообщения: Re: Усилитель на TDA7386
СообщениеДобавлено: Пт май 18, 2012 22:03:10 
Открыл глаза

Зарегистрирован: Пт апр 20, 2012 09:43:54
Сообщений: 55
Откуда: Ростов-на-Дону
Рейтинг сообщения: 0
В этом усилителе динамик подключается по мостовому соединению как я понял. А можно подключить 8 динамиков по 20ватт?


Вернуться наверх
 
 Заголовок сообщения: Re: Усилитель на TDA7386
СообщениеДобавлено: Пт май 18, 2012 22:37:50 
Друг Кота
Аватар пользователя

Карма: 95
Рейтинг сообщений: 967
Зарегистрирован: Пт дек 03, 2010 13:13:39
Сообщений: 7724
Откуда: Россия, Тула и пгт Городищи, Владимирская обл.
Рейтинг сообщения: 0
Между половинами выхода и землей нельзя, на то он и мост-должно быть определенное устройство входа и выхода. Но можно их вешать на выходы последовательно или параллельно, с условием что общее сопротивление колонок на каждом канале будет не менее 4 ом. Меньше 4ом нельзя, микра может сгореть нафиг. Более 4 ом можно, но мощность упадет. Идеально будет по 2шт. 8-омных динамика на каждый выход параллельно-будет и сопротивление 4 ома, и динамиков 8 штук, а если они еще и не маленькие, то орать будет весьма неплохо. Каждый динамик при этом должен быть на номинальную мощность минимум 10вт., ибо чистая мощность ТДА7386 на 4 ома при питании 14,4в. и достаточном токе примерно в районе 20вт./канал

_________________
Не всегда есть комп, или скорость интернета, но чем смогу-помогу.

И да пребудет с вами Сила тока!


Вернуться наверх
 
 Заголовок сообщения: Re: Усилитель на TDA7386
СообщениеДобавлено: Ср май 23, 2012 09:57:29 
Родился

Зарегистрирован: Ср май 23, 2012 09:52:30
Сообщений: 2
Рейтинг сообщения: 0
Доброго времени суток!!! решил собрать усилок на этой микросхеме, пошел в магазин купил все необходимое по даташиту... Но встал вопрос какую печатку делать, или рисовать самому? пролистав всю ветку нашел достаточно много плат, аж глаза разбегаются... Может кто посоветовать, что попроше для начинающего любителя? опыт печатать уже есть только там было все достаточно разбросанно, а тут все друг к другу еще и запутанно)))
Суть вопроса - подкиньте плату чтобы она была минимально запутанная))) за размерами не бегу... и если не сложно что куда на этой плате ставить...

Заранее спаасибо!!!

Доп. После долгих раздумий решил использовать схему(не помню чья) была в этой ветке обсуждения, пойдет она или нет? и чтобы сделать 2х80 надо просто запаралелить выходы/входы 1и3; 2и4 ????


Вложения:
Комментарий к файлу: ???
TDA7560x1.lay [45.59 KiB]
Скачиваний: 945
Вернуться наверх
 
 Заголовок сообщения: Re: Усилитель на TDA7386
СообщениеДобавлено: Ср май 23, 2012 11:36:29 
Друг Кота
Аватар пользователя

Карма: 95
Рейтинг сообщений: 967
Зарегистрирован: Пт дек 03, 2010 13:13:39
Сообщений: 7724
Откуда: Россия, Тула и пгт Городищи, Владимирская обл.
Рейтинг сообщения: 0
Уже не раз оговорено, что нельзя замостить уже мостовой усилок :)) Входы можно запараллелить, а вот выходы-нет (например, здесь в 3-м посту выложена печать у которой объединены входы, и есть отзывы, что оно работает :roll: понятно, при этом 2 входа и 4 выхода, по 2 колонки на канал.). Про 80вт. на канал промолчу :roll: А, нет, не удержусь, скажу.. 80вт. это общая чистая мощь на все 4 канала на 4 ома при хороших условиях питания :roll:

_________________
Не всегда есть комп, или скорость интернета, но чем смогу-помогу.

И да пребудет с вами Сила тока!


Вернуться наверх
 
 Заголовок сообщения: Re: Усилитель на TDA7386
СообщениеДобавлено: Ср май 23, 2012 11:51:46 
Родился

Зарегистрирован: Ср май 23, 2012 09:52:30
Сообщений: 2
Рейтинг сообщения: 0
так а плата печатка которую я скинул пойдет?? Просто если да то минут через 20 будет готовая платка которую можно сверлить


Вернуться наверх
 
 Заголовок сообщения: Re: Усилитель на TDA7386
СообщениеДобавлено: Ср май 23, 2012 14:06:56 
Друг Кота
Аватар пользователя

Карма: 95
Рейтинг сообщений: 967
Зарегистрирован: Пт дек 03, 2010 13:13:39
Сообщений: 7724
Откуда: Россия, Тула и пгт Городищи, Владимирская обл.
Рейтинг сообщения: 0
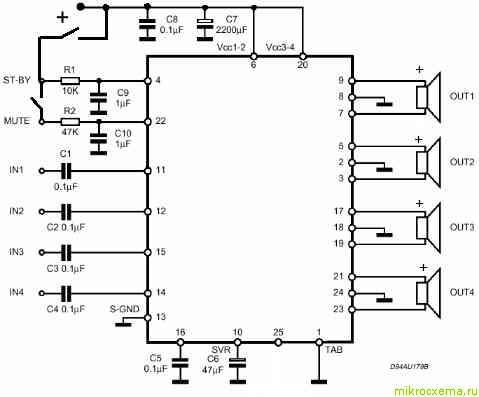
Со схемой даташита сравните. Если схема совпадает, то пойдет :roll: (раз плата называется "ТДА7560", то под 7386 подойти должна, но сравнить лишний раз не помешает). Еще не мешает усвоить "механизм" активации и отключения режимов ожидания и глушения (Stand-By и Mute соответственно), а то будете потом паниковать, почему схема молчит :)) А именно, отключение/активация режимов происходит при подключении/отключении их выводов к +питания.

_________________
Не всегда есть комп, или скорость интернета, но чем смогу-помогу.

И да пребудет с вами Сила тока!


Вернуться наверх
 
 Заголовок сообщения: помогите с tda7386
СообщениеДобавлено: Пн авг 27, 2012 21:25:27 
Открыл глаза
Аватар пользователя

Зарегистрирован: Пт май 27, 2011 21:14:36
Сообщений: 47
Рейтинг сообщения: 0
подключил навесом как на схеме но она даже не греется и не издает звука,может резистор r1 нужно меньше поставить чем 10кОм?



Тема дубль.
Перенес сюда.
Учитесь пользоваться поиском по форуму, что бы не создавать тем дублей.
Можете еще в этих темах на форуме посмотреть.
https://www.google.ru/search?hl=ru&neww ... 24&bih=609

aen


Вложения:
Комментарий к файлу: схема tda7386
tda7386_shema.jpg [38.73 KiB]
Скачиваний: 1083
Вернуться наверх
 
 Заголовок сообщения: Re: Усилитель на TDA7386
СообщениеДобавлено: Пн авг 27, 2012 21:37:49 
Друг Кота

Карма: 19
Рейтинг сообщений: 470
Зарегистрирован: Чт апр 29, 2010 07:39:15
Сообщений: 3228
Откуда: Молдова Бельцы
Рейтинг сообщения: 0
masikaa писал(а):
может резистор r1 нужно меньше поставить чем 10кОм?

Нет, должно быть 10 кОм.
Ищи косяк, если не работает.


Вернуться наверх
 
Показать сообщения за:  Сортировать по:  Вернуться наверх
Начать новую тему Ответить на тему  [ Сообщений: 230 ]     ... , , , 7, , , ...  

Часовой пояс: UTC + 3 часа


Вы не можете начинать темы
Вы не можете отвечать на сообщения
Вы не можете редактировать свои сообщения
Вы не можете удалять свои сообщения
Вы не можете добавлять вложения

Найти:
Перейти:  


Powered by phpBB © 2000, 2002, 2005, 2007 phpBB Group
Русская поддержка phpBB
Extended by Karma MOD © 2007—2012 m157y
Extended by Topic Tags MOD © 2012 m157y