Например TDA7294

Форум РадиоКот • Просмотр темы - Мелкие вопросы по УНЧ.
Форум РадиоКот
Здесь можно немножко помяукать :)

Текущее время: Пт мар 20, 2026 05:35:47

Часовой пояс: UTC + 3 часа


ПРЯМО СЕЙЧАС:



Начать новую тему Ответить на тему  [ Сообщений: 13584 ]     ... , , , 667, , , ...  
Автор Сообщение
 Заголовок сообщения: Re: Мелкие вопросы по УНЧ.
СообщениеДобавлено: Пт сен 19, 2025 22:35:34 
Вымогатель припоя

Зарегистрирован: Пт май 20, 2022 12:28:46
Сообщений: 658
Рейтинг сообщения: 0
GubaRewa писал(а):
Может, лучше поставит одинаковые BD139/BD140

Подозреваю, что комплементарная пара там не просто так стоит. Потом поменяв транзисторы придется подбирать коррецию, чтоб вместо усилителя не получить ДВ генератор, (124/178 это вообще что? BC/BD/2SC/2SA/2N)
и вообще, как по мне, так квазикомплементарный выход, это что-то из 60х. его с чистой совестью можно переделать на комплементарный.


Вернуться наверх
 
 Заголовок сообщения: Re: Мелкие вопросы по УНЧ.
СообщениеДобавлено: Сб сен 20, 2025 06:40:07 
Родился

Зарегистрирован: Чт сен 18, 2025 15:15:00
Сообщений: 6
Рейтинг сообщения: 0
lekssandr писал(а):
По преобразователю из вопроса выше, как считаете?
Про него ничего не могу сказать.
Но судя по картинкам (скорее всего) ранних образцов,которые еще не в дюралевом корпусе, а просто в термоусадке, то да, это то же самое, только там на входе стоят потенциометры. Как следствие его необходимо настраивать.

Резисторы - да. эти вполне подойдут.


Спасибо за ответы, постараюсь в ближайшее время собрать делитель, плюс на пробу заказал делитель из предыдущего сообщения а таг-же делитель CARAV R-300 в дюралевом корпусе, сравню результаты.

На Carav есть разъём земля "G", его нужно зацепить на корпус усилителя?


Вложения:
C.jpg [127.79 KiB]
Скачиваний: 66
Вернуться наверх
 
 Заголовок сообщения: Re: Мелкие вопросы по УНЧ.
СообщениеДобавлено: Сб сен 20, 2025 12:09:53 
Вымогатель припоя

Зарегистрирован: Пт май 20, 2022 12:28:46
Сообщений: 658
Рейтинг сообщения: 0
lekssandr писал(а):
На Carav есть разъём земля "G", его нужно зацепить на корпус усилителя?
Мне сложно ответить на этот вопрос. Полагаю, что это из-за того, что все эти компоненты автомобильные, со всеми вытекающими требованиями по помехозащищенности, а возможно какие-то из них еще и трансформаторные.


Вернуться наверх
 
 Заголовок сообщения: Re: Мелкие вопросы по УНЧ.
СообщениеДобавлено: Сб сен 20, 2025 13:10:25 
Родился

Зарегистрирован: Чт сен 18, 2025 15:15:00
Сообщений: 6
Рейтинг сообщения: 0
lekssandr писал(а):
На Carav есть разъём земля "G", его нужно зацепить на корпус усилителя?
Мне сложно ответить на этот вопрос. Полагаю, что это из-за того, что все эти компоненты автомобильные, со всеми вытекающими требованиями по помехозащищенности, а возможно какие-то из них еще и трансформаторные.


Спасибо Вам, получу всё необходимое, перейду от теории к практике)
Делитель от Carav вскрою, посмотрю что внутри)


Вернуться наверх
 
Эиком - электронные компоненты и радиодетали
 Заголовок сообщения: Re: Мелкие вопросы по УНЧ.
СообщениеДобавлено: Вс сен 21, 2025 22:18:01 
Сверлит текстолит когтями
Аватар пользователя

Карма: 2
Рейтинг сообщений: -5
Зарегистрирован: Вс янв 15, 2012 13:58:35
Сообщений: 1299
Откуда: Моздок
Рейтинг сообщения: 0
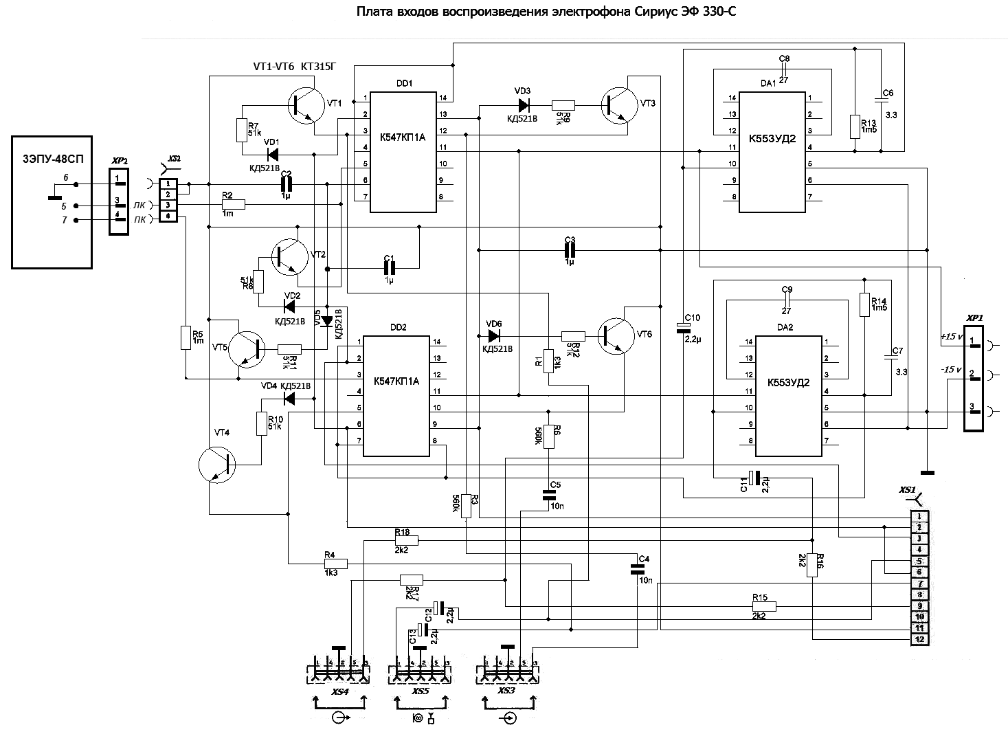
Электрофон Сириус ЭФ-330С. Перестал работать один канал. С чего начать ремонт? Схемы в сети нет, есть похожая МЭ-325С.
Изображение Изображение Изображение Изображение
Придётся генератором НЧ проводить покаскадную прозвонку.

_________________
Я рожден при Сталине, когда паразиты были изгоями общества! :))


Вернуться наверх
 
 Заголовок сообщения: Re: Мелкие вопросы по УНЧ.
СообщениеДобавлено: Пн сен 22, 2025 00:21:36 
Вымогатель припоя

Зарегистрирован: Пт май 20, 2022 12:28:46
Сообщений: 658
Рейтинг сообщения: 1
Ремонт всегда начинается с выяснения причины неисправности
"перестал работать один канал" это не причина.
И прежде чем лезть куда-то генератором надо сначала разобраться в базовых ценностях.

1. Есть ли напряжение питания на УМ есть/нет
если питание есть переходим к п2, если нет - ищем неисправность

2. Проверяем наличие постоянного напряжения на выходе УМ есть/нет
если есть

3. удаляем резистор на входе эмиттерного повторителя. опять смотрим постоянку
если есть ищем мертвый транзистор, если нет

4. внимательно смотрим на ОУ. Живой ли. есть ли питание. Там питание как правило близко к предельному, а советские оу таких приколов не любят.

если и питание есть и на выходе ноль, то вот тогда уже можно подкидывать на вход усилителя генератор и начинать его обтыкивать осциллографом.

Добавлено after 13 minutes 29 seconds:
только усилитель у него вот тут
Изображение


Вернуться наверх
 
 Заголовок сообщения: Re: Мелкие вопросы по УНЧ.
СообщениеДобавлено: Пн сен 22, 2025 10:17:53 
Сверлит текстолит когтями
Аватар пользователя

Карма: 2
Рейтинг сообщений: -5
Зарегистрирован: Вс янв 15, 2012 13:58:35
Сообщений: 1299
Откуда: Моздок
Рейтинг сообщения: 0
Однако, причина оказалась банальная: плохой контакт в ползунке регулятора громкости. Трогаю на плате выступающие язычки - звук то есть, то тихо, то нет...
Как до него добраться - это уже другой вопрос.
Изображение

_________________
Я рожден при Сталине, когда паразиты были изгоями общества! :))


Последний раз редактировалось GubaRewa Пн сен 22, 2025 11:08:47, всего редактировалось 2 раз(а).

Вернуться наверх
 
 Заголовок сообщения: Re: Мелкие вопросы по УНЧ.
СообщениеДобавлено: Пн сен 22, 2025 10:55:48 
Вымогатель припоя

Зарегистрирован: Пт май 20, 2022 12:28:46
Сообщений: 658
Рейтинг сообщения: 1
Вообще схемотехника этого аппарата крайне занятная.
защита от КЗ на выходе осуществляется при помощи ограничителя тока в источнике питания.
Сам усилитель соответственно тоже питается стабильным напряжением. Вот и получается, что максимум, что он может выдать, это примерно 400-500мА в нагрузку, так как ограничение срабатывает где-то на 750-800, но на этом несчастном стабилизаторе сидит вообще всё.
500мА это 1Вт на 4х омах. Немного....


Вернуться наверх
 
 Заголовок сообщения: Re: Мелкие вопросы по УНЧ.
СообщениеДобавлено: Пн сен 22, 2025 12:47:54 
Сверлит текстолит когтями
Аватар пользователя

Карма: 2
Рейтинг сообщений: -5
Зарегистрирован: Вс янв 15, 2012 13:58:35
Сообщений: 1299
Откуда: Моздок
Рейтинг сообщения: 0
Не зря там ставят предохранитель на 0,35 А...
Но мне лично громкости хватает, на полную не вывожу, чтобы не порвать динамик 4ГД28.

Добавлено after 1 hour 35 minutes 30 seconds:
защита от КЗ на выходе осуществляется при помощи ограничителя тока в источнике питания

Где тут ограничитель?
Изображение

_________________
Я рожден при Сталине, когда паразиты были изгоями общества! :))


Вернуться наверх
 
 Заголовок сообщения: Re: Мелкие вопросы по УНЧ.
СообщениеДобавлено: Пн сен 22, 2025 13:13:15 
Вымогатель припоя

Зарегистрирован: Пт май 20, 2022 12:28:46
Сообщений: 658
Рейтинг сообщения: 0
GubaRewa писал(а):
Где тут ограничитель?
VT11,12 работают как схема защиты


Вернуться наверх
 
 Заголовок сообщения: Re: Мелкие вопросы по УНЧ.
СообщениеДобавлено: Пн сен 22, 2025 14:07:10 
Сверлит текстолит когтями
Аватар пользователя

Карма: 2
Рейтинг сообщений: -5
Зарегистрирован: Вс янв 15, 2012 13:58:35
Сообщений: 1299
Откуда: Моздок
Рейтинг сообщения: 0
Но эта линия питает только микросхемы. Выход питается от другой линии, без стаба.

_________________
Я рожден при Сталине, когда паразиты были изгоями общества! :))


Вернуться наверх
 
 Заголовок сообщения: Re: Мелкие вопросы по УНЧ.
СообщениеДобавлено: Пн сен 22, 2025 14:54:53 
Модератор
Аватар пользователя

Карма: 159
Рейтинг сообщений: 4081
Зарегистрирован: Пт янв 23, 2009 19:20:05
Сообщений: 45823
Рейтинг сообщения: 1
Медали: 1
Получил миской по аватаре (1)
...Столько возни, чтоб получить то же самое, что может пара TDA2030... :)
(на самом деле, 2030 имеет меньший уровень искажений, чем этот усилитель...)


Вернуться наверх
 
 Заголовок сообщения: Re: Мелкие вопросы по УНЧ.
СообщениеДобавлено: Пн сен 22, 2025 15:50:24 
Сверлит текстолит когтями
Аватар пользователя

Карма: 2
Рейтинг сообщений: -5
Зарегистрирован: Вс янв 15, 2012 13:58:35
Сообщений: 1299
Откуда: Моздок
Рейтинг сообщения: 0
Выпаял сдвоенный переменный резистор.
Изображение

На озоне сдвоенный за 222 ₽ только 47 кОм, можно ставить?
Изображение

Добавлено after 4 minutes 42 seconds:
2030 лучше


Я тоже так думаю, но важна идентичность...

_________________
Я рожден при Сталине, когда паразиты были изгоями общества! :))


Вернуться наверх
 
 Заголовок сообщения: Re: Мелкие вопросы по УНЧ.
СообщениеДобавлено: Пн сен 22, 2025 16:12:51 
Модератор
Аватар пользователя

Карма: 159
Рейтинг сообщений: 4081
Зарегистрирован: Пт янв 23, 2009 19:20:05
Сообщений: 45823
Рейтинг сообщения: 1
Медали: 1
Получил миской по аватаре (1)
Отводов для тонкомпенсации нет... (Вообще, эти резисторы разборные, можно разобрать, почистить, поменять уголек, возможно - немного подогнуть подвижный контакт, чтоб использовать неизношенную часть дорожки... Ну, и смазать будет полезно перед сборкой...)


Вернуться наверх
 
 Заголовок сообщения: Re: Мелкие вопросы по УНЧ.
СообщениеДобавлено: Пн сен 22, 2025 16:40:00 
Сверлит текстолит когтями
Аватар пользователя

Карма: 2
Рейтинг сообщений: -5
Зарегистрирован: Вс янв 15, 2012 13:58:35
Сообщений: 1299
Откуда: Моздок
Рейтинг сообщения: 0
Там по два средних вывода не были припаяны.
Придётся заказать. Не уверен, что разборка и ремонт будут удачными.

_________________
Я рожден при Сталине, когда паразиты были изгоями общества! :))


Последний раз редактировалось GubaRewa Пн сен 22, 2025 22:04:25, всего редактировалось 1 раз.

Вернуться наверх
 
 Заголовок сообщения: Re: Мелкие вопросы по УНЧ.
СообщениеДобавлено: Пн сен 22, 2025 20:02:39 
Вымогатель припоя

Зарегистрирован: Пт май 20, 2022 12:28:46
Сообщений: 658
Рейтинг сообщения: 0
As, если бы 2030 (он же 174УН19) то было бы прекрасно. После вообще отказались от такого усилителя, начали лепить 174УН7 не заморачиваясь.


Вернуться наверх
 
 Заголовок сообщения: Re: Мелкие вопросы по УНЧ.
СообщениеДобавлено: Пн сен 22, 2025 20:07:54 
Модератор
Аватар пользователя

Карма: 159
Рейтинг сообщений: 4081
Зарегистрирован: Пт янв 23, 2009 19:20:05
Сообщений: 45823
Рейтинг сообщения: 1
Медали: 1
Получил миской по аватаре (1)
Похожий усилитель в магнитофоне встречался, какая-то "Вильма" с микропроцессорным управлением ЛПМ, 214 вроде... Это же вариации на тему Агеева! :)))


Вернуться наверх
 
 Заголовок сообщения: Re: Мелкие вопросы по УНЧ.
СообщениеДобавлено: Пн сен 22, 2025 22:23:15 
Сверлит текстолит когтями
Аватар пользователя

Карма: 2
Рейтинг сообщений: -5
Зарегистрирован: Вс янв 15, 2012 13:58:35
Сообщений: 1299
Откуда: Моздок
Рейтинг сообщения: 0
Итак, разобрал переменник, промыл питьевым спиртом, смазал дорожки Циатимом-201, пытался подогнуть контакт, запаял на место - не помогло. Когда во время прослушивания музыки подгибаю контактные язычки тонкомпенсации, звук появляется. Пробовал даже кусок спички вставлять в отверстие.
Заказал новый.

Добавлено after 11 minutes 51 second:
Похожий усилитель в магнитофоне Вильма 214 вроде...


Вот он.
Изображение

_________________
Я рожден при Сталине, когда паразиты были изгоями общества! :))


Вернуться наверх
 
 Заголовок сообщения: Re: Мелкие вопросы по УНЧ.
СообщениеДобавлено: Вт сен 23, 2025 11:24:23 
Сверлит текстолит когтями
Аватар пользователя

Карма: 2
Рейтинг сообщений: -5
Зарегистрирован: Вс янв 15, 2012 13:58:35
Сообщений: 1299
Откуда: Моздок
Рейтинг сообщения: 0
Заказал новый, а потом досмотрел, а он короче по длине - 50 мм. На моём написали СП3-23а, а на самом деле он Д, так как длина 69 мм. Но не стал отказываться: попробую из него перекинуть движущиеся части, так как в моём дорожка вроде не протёрта.
А на яндексе тоже нет подходящих, и вообще цены конские. Б/у на авито нет смысла брать.

_________________
Я рожден при Сталине, когда паразиты были изгоями общества! :))


Вернуться наверх
 
 Заголовок сообщения: Re: Мелкие вопросы по УНЧ.
СообщениеДобавлено: Вт сен 23, 2025 13:10:30 
Вымогатель припоя

Зарегистрирован: Пт май 20, 2022 12:28:46
Сообщений: 658
Рейтинг сообщения: 1
СП3-23А - отвратительные резисторы.

Кстати. тут надо обращать внимание не только на сдвоенный он или одинарный. Есть ли в нем средняя точка или нет, но еще и к какой группе он относится А или Б или B
Ваш выпаянный - В , то-есть с обратно-логорифмческой зависимостью сопротивления, а заказанный А - линейный.

еще надо иметь ввиду, что зависимости в советском и международных стандартах отличаются
если в ГОСТ-е A - линейный, Б логарифимический, В - показательный (Обратный логорифмический),
то в международной практике
A - обратный логорифмический, B - линейный, С - логорифмический, (там еще есть S-образный и прямая/обртаня экспонента, но нас это не касается)

Добавлено after 7 minutes 45 seconds:
вот. нагуглил. Кажется он
https://radioizba.ru/cat/product_id-10909.03/


Вернуться наверх
 
Показать сообщения за:  Сортировать по:  Вернуться наверх
Начать новую тему Ответить на тему  [ Сообщений: 13584 ]     ... , , , 667, , , ...  

Часовой пояс: UTC + 3 часа


Вы не можете начинать темы
Вы не можете отвечать на сообщения
Вы не можете редактировать свои сообщения
Вы не можете удалять свои сообщения
Вы не можете добавлять вложения

Найти:
Перейти:  


Powered by phpBB © 2000, 2002, 2005, 2007 phpBB Group
Русская поддержка phpBB
Extended by Karma MOD © 2007—2012 m157y
Extended by Topic Tags MOD © 2012 m157y