Например TDA7294

Форум РадиоКот • Просмотр темы - Усилитель на германиевых транзисторах. Для начинающих.
Форум РадиоКот
Здесь можно немножко помяукать :)

Текущее время: Пт фев 27, 2026 03:41:52

Часовой пояс: UTC + 3 часа


ПРЯМО СЕЙЧАС:



Начать новую тему Ответить на тему  [ Сообщений: 3119 ]     ... , , , 141, , , ...  
Автор Сообщение
 Заголовок сообщения: Re: Усилитель на германиевых транзисторах. Для начинающих.
СообщениеДобавлено: Пт фев 28, 2025 09:05:44 
Открыл глаза
Аватар пользователя

Зарегистрирован: Пн сен 30, 2013 20:10:14
Сообщений: 75
Откуда: USSR
Рейтинг сообщения: 0
Можете симульнуть - проверить моё утверждение - оба утверждения.
Сильно удивитесь.

Теперь по Беслику2.1 и АВК3.3.3.
Прикладываю ЗИПы с моделями и результатами тестов
Прошу всяческих комментариёф.
Можно ругательных.

Ни сколько не удивлён. Я же вам рекомендовал отказаться от этой схемы вообще, и не возвращаться к ней. Даже пробовать не буду, и так вижу по картинкам полный кошмар: на АВК3.3.3 у вас без разделительного конденсатора на выходе -9.5V постоянного напряжения ещё и со смещением на выходе!!! То что вы пытались создать "искусственную среднюю точку" по питанию, и к ней подключить нагрузку - вам не поможет! Постоянку при однополярном питании надо осекать конденсатором, или делать двухполярное питание с установкой нуля на выходе!
По Беслику чуть лучше, благодаря разделительному конденсатору, но надо делать установку тока покоя, хотя и в оригинале было нормально, огромный разбаланс входного диф.каскада, работает только нижняя половина выходного каскада фактически как режим В, усиление упало более чем в 2 раза, и кое что по мелочам ещё исправлять надо. Проверяйте по установлению нормальной симметричной формы синуса, а потом уже и к меандру переходите.


Последний раз редактировалось bat_boy Пт фев 28, 2025 09:27:21, всего редактировалось 1 раз.

Вернуться наверх
 
 Заголовок сообщения: Re: Усилитель на германиевых транзисторах. Для начинающих.
СообщениеДобавлено: Пт фев 28, 2025 09:26:21 
Поставщик валерьянки для Кота
Аватар пользователя

Карма: -22
Рейтинг сообщений: -26
Зарегистрирован: Чт апр 06, 2023 19:15:37
Сообщений: 2176
Откуда: пришелец из созвездия КОТА
Рейтинг сообщения: 0
bat_boy, по Беслику ток покоя 12,5 мА.
Думаю, что для германия многовато, немного.
У меня 11 мА.
И тем и там - в обоих плечах.

Теперь об интересном - Вы ПОЧЕМУ ТО раскритиковали "среднюю точку"?

Ну вот какая разница электронам, где кучковаться ?
Это только в голове у специалиста думается, что электроны в 2х полярном БП будут совсем не те, что у 1 полярного.
А реальности же на точке соединения 2 конденсаторов будет практически половина крайних потенциалов.
И волна колебания звуковой частоты этого половинного потенциала пойдёт сразу в обоих направлениях.
Хоть специалисты и УСЛОВИЛИСЬ (договорились на симпозиуме), а симпозиум, по гречески, это "разговор на умные темы в присутствии женщин и с употреблением вина"
:-) :-) :-) :-)

Да, так вот УСЛОВИЛИСЬ, что 1 из потенциалов БП считать "землёй"...

Вот только сообщество электронов об этом не оповестили....


*****************

ДОШЛО.
Наверно у Вас базы германиевых транзисторов не те.... Глюкавые. И из за них всё моделируется в искажённом виде

Сейчас выложу.

_________________
«Кто к нам с мечом придет, тот от меча и погибнет! На том стояла и стоит русская земля!»


Последний раз редактировалось АВК Пт фев 28, 2025 09:29:44, всего редактировалось 1 раз.

Вернуться наверх
 
 Заголовок сообщения: Re: Усилитель на германиевых транзисторах. Для начинающих.
СообщениеДобавлено: Пт фев 28, 2025 09:29:01 
Открыл глаза
Аватар пользователя

Зарегистрирован: Пн сен 30, 2013 20:10:14
Сообщений: 75
Откуда: USSR
Рейтинг сообщения: 0
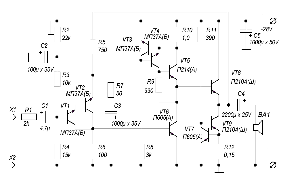
Теперь об интересном - Вы ПОЧЕМУ ТО раскритиковали "среднюю точку"?

Здесь это НЕ РАБОТАЕТ!!! От слова СОВСЕМ!!! Тока покоя для германия хватит и 1ма по самые гланды. Если взялись за германий, то надо делать всё на германии, а не только выход.
У меня по вот что предварительно:

Изображение

но чувствительность слишком высокая, надо загрубить.


Последний раз редактировалось bat_boy Пт фев 28, 2025 10:44:43, всего редактировалось 3 раз(а).

Вернуться наверх
 
 Заголовок сообщения: Re: Усилитель на германиевых транзисторах. Для начинающих.
СообщениеДобавлено: Пт фев 28, 2025 09:42:55 
Поставщик валерьянки для Кота
Аватар пользователя

Карма: -22
Рейтинг сообщений: -26
Зарегистрирован: Чт апр 06, 2023 19:15:37
Сообщений: 2176
Откуда: пришелец из созвездия КОТА
Рейтинг сообщения: 0
Вот базы - пользуйесь.
Вложение:


Да, так вот - форму синусоиды я проверяю в первую очередь.
И контролирую по коэфф гормоник - если этот коэфф меньше 1%, то значит форма гормоническая без сильных искажений и уже можно далее идти.

Так что и у Беслика и у меня никаких перекосов синусоиды нет

Добавлено after 11 minutes 21 second:
Вот смотрите - первый каскад Вы сильно ПЕРЕУСЛОЖНИЛИ.
Ну не надо для германия такие навороты !!!

К тому же применили в УНе германий, а более целесообразно ТАМ ставить кт3102 и кт3107.
Это даст и бООльшую устойчивость и бООльшее усиление, которое посредствам ООС можно будет обменять на качество - уменьшение гормоник.

Так вот - применив германиевый СЛОЖНЫЙ УН, Вы получили только то 0,02% гормоник.
А я, применив намного более простой УН, на не самых лучших транзисторах получил 0,015%
А на кт3102Е и кт3107Л в УНе получается чётко 0,01005%
Но я посчитал, что это уж СЛИШКОМ ХОРОШО.

**************

Транзисторы надо ставить - комплексно
1) оптимальные для воплощения замысла
2) такие, какие есть в заначке.

_________________
«Кто к нам с мечом придет, тот от меча и погибнет! На том стояла и стоит русская земля!»


Последний раз редактировалось АВК Пт фев 28, 2025 09:55:15, всего редактировалось 2 раз(а).

Вернуться наверх
 
Эиком - электронные компоненты и радиодетали
 Заголовок сообщения: Re: Усилитель на германиевых транзисторах. Для начинающих.
СообщениеДобавлено: Пт фев 28, 2025 09:47:10 
Говорящий с текстолитом
Аватар пользователя

Карма: 9
Рейтинг сообщений: 51
Зарегистрирован: Ср окт 04, 2006 22:33:56
Сообщений: 1580
Откуда: М.о.
Рейтинг сообщения: 0
УНЧ от Рига-104 попробуй...

_________________
Всё придумано до и для нас.


Вернуться наверх
 
 Заголовок сообщения: Re: Усилитель на германиевых транзисторах. Для начинающих.
СообщениеДобавлено: Пт фев 28, 2025 10:00:54 
Открыл глаза
Аватар пользователя

Зарегистрирован: Пн сен 30, 2013 20:10:14
Сообщений: 75
Откуда: USSR
Рейтинг сообщения: 0
АВК покажите мне картинку вашей симметричной синусоиды с амплитудой от +8 до -8 вольт на выходе, и откуда она снимается. О гармониках будем говорить в последнюю очередь.

Добавлено after 9 minutes 38 seconds:
Вот смотрите - первый каскад Вы сильно ПЕРЕУСЛОЖНИЛИ.
Ну не надо для германия такие навороты !!!

К тому же применили в УНе германий, а более целесообразно ТАМ ставить кт3102 и кт3107.
Это даст и бООльшую устойчивость и бООльшее усиление, которое посредствам ООС можно будет обменять на качество - уменьшение гормоник.

Вы для начала посмотрите по справочнику во сколько раз граничная частота у 1Т311А и ГТ311А больше чем у говённых КТ3102 и КТ3107, и какой у них коэффициент шума.


Последний раз редактировалось bat_boy Пт фев 28, 2025 10:02:19, всего редактировалось 1 раз.

Вернуться наверх
 
 Заголовок сообщения: Re: Усилитель на германиевых транзисторах. Для начинающих.
СообщениеДобавлено: Пт фев 28, 2025 10:03:46 
Поставщик валерьянки для Кота
Аватар пользователя

Карма: -22
Рейтинг сообщений: -26
Зарегистрирован: Чт апр 06, 2023 19:15:37
Сообщений: 2176
Откуда: пришелец из созвездия КОТА
Рейтинг сообщения: 0
Сразу не могу
Это в компе а я с планшета.

И потом НЕТ ТАМ +-8вольт
Есть +-5 вольт, амплитуда, соответственно всего 10 вольт при питании 24.

Что даёт при входном сигнале 0,25 вольта усиление 20.

Я выставил и Беслику ТАКОЕ ЖЕ усиление, чтоб ОБЬЕКТИВНО их сравнивать.
У него по умолчанию было что то 25-30.
Соответственно у схемы Беслика из за этого улучшились гормоники.
И, соответственно, из за того что у меня ток покоя ВК=11мА, а у Беслика он не выставляося менее 12,5 мА, то из за бООльшего на 10% тока у него относительно улучшился коэфф гормоник.

Добавлено after 2 minutes 11 seconds:
У ГТешек незнаю, НЕТ у меня таких в заначке
А у КТ3102 и 3107. =4 дБ шум при усилении 800 раз.

Частота, по памяти 300мгц

_________________
«Кто к нам с мечом придет, тот от меча и погибнет! На том стояла и стоит русская земля!»


Вернуться наверх
 
 Заголовок сообщения: Re: Усилитель на германиевых транзисторах. Для начинающих.
СообщениеДобавлено: Пт фев 28, 2025 10:08:31 
Открыл глаза
Аватар пользователя

Зарегистрирован: Пн сен 30, 2013 20:10:14
Сообщений: 75
Откуда: USSR
Рейтинг сообщения: 0
И потом НЕТ ТАМ +-8вольт
Есть +-5 вольт, амплитуда, соответственно всего 10 вольт при питании 24.

Это даже мои наушники не раскачает! 5v по амплитуде это 3.5v реального среднеквадратичного напряжения, оно вам даст на 8 омной нагрузке всего 1,5W выходной мощности при питании 24v!!! И это всё что вы оттуда получить сможете?
У КТ3107 коэффициент шума 10dB при граничной частоте 200MGz, у 1Т311А граничная частота типовая не менее 850MGz и коэффициент шума не более 4.7dB. И куда вам такой коэффициент усиления 800 раз, если у вас он ничему не поможет.

А теперь взгляните на картинки, какое усиление и АЧХ-ФЧХ у меня:

Изображение

34dB усиление, фаза от +4,5 до -6,3 градусов, и это до 40KHz, а вся полоса частот линейна практически с 10Hz до 130КHz. ;)

И что творится у вас на "доведённом Беслике":

Изображение

8,6dB усиление, фаза от -348 до -368 градусов (тройной тулуп в фигурном катании нервно курит в сторонке), причём на частотах от 1Гц и до 20Гц фаза "крутится" почти на 210 градусов!
Финита ля комедия!


Последний раз редактировалось bat_boy Сб мар 01, 2025 01:27:11, всего редактировалось 5 раз(а).

Вернуться наверх
 
 Заголовок сообщения: Re: Усилитель на германиевых транзисторах. Для начинающих.
СообщениеДобавлено: Пт фев 28, 2025 10:35:12 
Поставщик валерьянки для Кота
Аватар пользователя

Карма: -22
Рейтинг сообщений: -26
Зарегистрирован: Чт апр 06, 2023 19:15:37
Сообщений: 2176
Откуда: пришелец из созвездия КОТА
Рейтинг сообщения: 0
Ещё раз - КТшки у меня ЕСТЬ.
Я орентируюсь на желание всеж когда то ЭТО спаять.

А вот ГТшек, по памяти, у меня вроде как и нет...
Тоесть здоровый прагматизм в проектировании.

Кроме того - ЛОГИЧЕСКИ, германиевый звук, судя по всему, рождается в ГЕРМАНИЕВОМ ВК, а вот ВСЁ что до ВК лучше делать на кремнии.
Это хотя потому, что от съёмка звука музыки микрофоном в студии весь тракт её прохождения - кремниевый.
Вплоть до требуемого ВК в УНЧ. Тоесть включая УН.
Так что всё чётко и логично, УН - кремниевый.
ВК - германиевый.

Насчёт параметров - напоминаю
Вложение:
IMG_20250129_180735.JPG [238.05 KiB]
Скачиваний: 55

Вложение:
КТ_3102_параметры.JPG [230.82 KiB]
Скачиваний: 31


Да, вроде как кт3107Л и похуже чем кт3102Е, но читал, что для звука они лучше, мол сама структура П-Н-П помогает.

*************

По выходной мощще
Прикидочно при 8 Ом нагрузка сигнал в 5 вольт даст суть меньше 4 ватт.

И, сюда же - вход мы выставили старо стандартный=0.25 вольта.
Но современные гаджеты дают намного больше - до 0,75 вольта.
Тоесть на схеме не указан входной потенциометр, посредствам коего МОЖНО ВЫКРУТИТЬ требуемый уровень звука.

Тут другое - выходники планируются П215, с радиаторами "которые есть" - вряд ли они выдержат более 5-6 ватт.
И того предел нужного звука это 2 по 5 ватт.
Или меньше.
Главное - покачественнее.

Кстати, я заметил по симуляции, что эти усилители дают ПРИРОСТ качества при определённом росте выходной мощности.
Тоесть 1 ватт выхода хуже скажем 3х или 5и.

_________________
«Кто к нам с мечом придет, тот от меча и погибнет! На том стояла и стоит русская земля!»


Последний раз редактировалось АВК Пт фев 28, 2025 10:45:54, всего редактировалось 1 раз.

Вернуться наверх
 
 Заголовок сообщения: Re: Усилитель на германиевых транзисторах. Для начинающих.
СообщениеДобавлено: Пт фев 28, 2025 10:40:44 
Открыл глаза
Аватар пользователя

Зарегистрирован: Пн сен 30, 2013 20:10:14
Сообщений: 75
Откуда: USSR
Рейтинг сообщения: 0
Да, вроде как кт3107Л и похуже чем кт3102Е, но читал, что для звука они лучше, мол сама структура П-Н-П помогает.

Это вам поможет для усиления сигнала меньше милливольта, а здесь, как в бане - все равны.


Вернуться наверх
 
 Заголовок сообщения: Re: Усилитель на германиевых транзисторах. Для начинающих.
СообщениеДобавлено: Пт фев 28, 2025 10:55:06 
Поставщик валерьянки для Кота
Аватар пользователя

Карма: -22
Рейтинг сообщений: -26
Зарегистрирован: Чт апр 06, 2023 19:15:37
Сообщений: 2176
Откуда: пришелец из созвездия КОТА
Рейтинг сообщения: 0
Э, ну такивот я и переделал модель усилятора на КТшки с букифкой Г.

Так что - согласен. Причём уже недели 2 как.

Да, и шумы похуже, а оно надо - в конце усилительного тракта?
И усиление похуже, что вызвало ухудшение ВЫЧИСЛЕННОГО Коэфф гормоник с 0,001% до 0,0015%
Ну и фиг с ими, не на выставку.

Так что - да.

Много важнее - устойчивость к генерации и стабильность температурная. Ну и невосприимчивость от пульсаций напряжения розетки.

_________________
«Кто к нам с мечом придет, тот от меча и погибнет! На том стояла и стоит русская земля!»


Вернуться наверх
 
 Заголовок сообщения: Re: Усилитель на германиевых транзисторах. Для начинающих.
СообщениеДобавлено: Пт фев 28, 2025 12:11:14 
Это не хвост, это антенна

Карма: 8
Рейтинг сообщений: 30
Зарегистрирован: Ср мар 01, 2023 12:56:48
Сообщений: 1343
Рейтинг сообщения: 0
https://tinyurl.com/2b5a4wm8
- вот ещё мультики. это как бы то же самое, или не очень. нет инфы. таракан в голове мой единственный советчик


Вернуться наверх
 
 Заголовок сообщения: Re: Усилитель на германиевых транзисторах. Для начинающих.
СообщениеДобавлено: Пт фев 28, 2025 12:20:06 
Открыл глаза
Аватар пользователя

Зарегистрирован: Пн сен 30, 2013 20:10:14
Сообщений: 75
Откуда: USSR
Рейтинг сообщения: 0
По выходной мощще
Прикидочно при 8 Ом нагрузка сигнал в 5 вольт даст суть меньше 4 ватт.

НЕ даст! Мощность рассчитывается не по амплитудному значению синусоиды, а по среднеквадратичному! Нужно амплитудное значение разделить на корень из 2, то есть на 1,414: 5v/1.414=3.536v

Добавлено after 2 minutes 50 seconds:
https://tinyurl.com/2b5a4wm8
- вот ещё мультики. это как бы то же самое, или не очень. нет инфы. таракан в голове мой единственный советчик

Красивое! ;) Это какой-то онлайн симулятор?


Вернуться наверх
 
 Заголовок сообщения: Re: Усилитель на германиевых транзисторах. Для начинающих.
СообщениеДобавлено: Пт фев 28, 2025 12:28:23 
Это не хвост, это антенна

Карма: 8
Рейтинг сообщений: 30
Зарегистрирован: Ср мар 01, 2023 12:56:48
Сообщений: 1343
Рейтинг сообщения: 0
bat_boy писал(а):
Это какой-то онлайн симулятор?

да. это для маленьких.
https://falstad.com/circuit/
схема изначальная по которой строю А класс староверческая у которой плюс на земле, типа как у веги 312 . так ?.


Вложения:
00164287.gif [25.49 KiB]
Скачиваний: 51
Вернуться наверх
 
 Заголовок сообщения: Re: Усилитель на германиевых транзисторах. Для начинающих.
СообщениеДобавлено: Пт фев 28, 2025 12:47:04 
Открыл глаза
Аватар пользователя

Зарегистрирован: Пн сен 30, 2013 20:10:14
Сообщений: 75
Откуда: USSR
Рейтинг сообщения: 0
Что даёт при входном сигнале 0,25 вольта усиление 20.

Я выставил и Беслику ТАКОЕ ЖЕ усиление, чтоб ОБЬЕКТИВНО их сравнивать.
У него по умолчанию было что то 25-30.

Нет у вас там такого усиления, я вам показал график АЧХ-ФЧХ вашей схемы, усиление там 8,6dB это примерно 2,7 раза усиления по напряжению или 7,3 раза по мощности!!!


Вернуться наверх
 
 Заголовок сообщения: Re: Усилитель на германиевых транзисторах. Для начинающих.
СообщениеДобавлено: Пт фев 28, 2025 13:31:51 
Поставщик валерьянки для Кота
Аватар пользователя

Карма: -22
Рейтинг сообщений: -26
Зарегистрирован: Чт апр 06, 2023 19:15:37
Сообщений: 2176
Откуда: пришелец из созвездия КОТА
Рейтинг сообщения: 0
Вы показали на Вашем симуляторе и на Ваших моделях транзисторов.

Попробуйте загрузить в ВАш симулятор мою модель усилителя и вставьте в файл библиотеки модели транзисторов из файла что я выше выкладывал.
А то какое то разночтение получается, а надо бы общий знаменатель уточнить.

Про средненквадратичное - ладно, пусть так.
Но я то писал, что вход может быть не 0,25 вольта, а в 3 раза больше=0,75 вольта.
И того на выходе будет 15 вольт.

Это эдак аж более 10 ватт получается мощщи

Добавлено after 26 minutes 39 seconds:
Так, НЕполучается, я сейчас проверил.
Мой УСик терпит +-0,5 вольта на входе, потом клип.
И того +-10 вольт на выходе. Тоесть размах амплитуды 20 вольт при питании от 24 х.

УСь Беслика терпит +-0,44 вольта на входе, потом клип.
Тоесть +-8,8вольт выход. При том же питании 24 вольта и тех же деталях.

***********

И, сейчас только посмотрел Вашу модель WP.
Да, там 4% гормоник, на глаз видно искажение синусоиды.
И невыставлен ток ВК - микроамперы.
Стёр.

_________________
«Кто к нам с мечом придет, тот от меча и погибнет! На том стояла и стоит русская земля!»


Вернуться наверх
 
 Заголовок сообщения: Re: Усилитель на германиевых транзисторах. Для начинающих.
СообщениеДобавлено: Пт фев 28, 2025 16:21:15 
Это не хвост, это антенна

Карма: 8
Рейтинг сообщений: 30
Зарегистрирован: Ср мар 01, 2023 12:56:48
Сообщений: 1343
Рейтинг сообщения: 0
https://tinyurl.com/2y54afqv
усилителю А класса на германии быть однозначно. это вопрос времени.
очередная версия , стабилизация потребления тока на уровне 1.5 А
ясен пень что это всё фанарно, и придется копаться на живом макете. так балуюсь.


Вернуться наверх
 
 Заголовок сообщения: Re: Усилитель на германиевых транзисторах. Для начинающих.
СообщениеДобавлено: Пт фев 28, 2025 17:10:12 
Поставщик валерьянки для Кота
Аватар пользователя

Карма: -22
Рейтинг сообщений: -26
Зарегистрирован: Чт апр 06, 2023 19:15:37
Сообщений: 2176
Откуда: пришелец из созвездия КОТА
Рейтинг сообщения: 0
Андрей ну кАдА ты кОнчишь
Фигнёй страдать ?

Вот ПРЯМ ЩАС, это я к примеру, Александр Бокарёв германиевого Худа на П605х доделыаает.
Вот тебе режим А.
А до того, кАдАтА, уже Худа на .... тоже чёмто германиевом делал И РАБОТАЛО...
А опыта у него в этом - раз в стописят больше, чем у нас с тобой вместе взятых.

Ну вот чтоб тебе, если уж таки интересно, не скопировать его конструкции ???
Ну уж если тебе ПРИПЕКЛО именно германиевый режим А.

_________________
«Кто к нам с мечом придет, тот от меча и погибнет! На том стояла и стоит русская земля!»


Вернуться наверх
 
 Заголовок сообщения: Re: Усилитель на германиевых транзисторах. Для начинающих.
СообщениеДобавлено: Пт фев 28, 2025 18:06:45 
Это не хвост, это антенна

Карма: 8
Рейтинг сообщений: 30
Зарегистрирован: Ср мар 01, 2023 12:56:48
Сообщений: 1343
Рейтинг сообщения: 0
АВК писал(а):
германиевого Худа на П605х доделыаает.

можно ссылку . у меня 605 х тоже есть штук 6 или больше.
Любая инфа приветствуется


Вернуться наверх
 
 Заголовок сообщения: Re: Усилитель на германиевых транзисторах. Для начинающих.
СообщениеДобавлено: Пт фев 28, 2025 18:10:27 
Открыл глаза
Аватар пользователя

Зарегистрирован: Пн сен 30, 2013 20:10:14
Сообщений: 75
Откуда: USSR
Рейтинг сообщения: 0
Вы показали на Вашем симуляторе и на Ваших моделях транзисторов.

Попробуйте загрузить в ВАш симулятор мою модель усилителя и вставьте в файл библиотеки модели транзисторов из файла что я выше выкладывал.
А то какое то разночтение получается, а надо бы общий знаменатель уточнить.

Про средненквадратичное - ладно, пусть так.
Но я то писал, что вход может быть не 0,25 вольта, а в 3 раза больше=0,75 вольта.
И того на выходе будет 15 вольт.

Это эдак аж более 10 ватт получается мощщи

Добавлено after 26 minutes 39 seconds:
Так, НЕполучается, я сейчас проверил.
Мой УСик терпит +-0,5 вольта на входе, потом клип.
И того +-10 вольт на выходе. Тоесть размах амплитуды 20 вольт при питании от 24 х.

УСь Беслика терпит +-0,44 вольта на входе, потом клип.
Тоесть +-8,8вольт выход. При том же питании 24 вольта и тех же деталях.

***********

И, сейчас только посмотрел Вашу модель WP.
Да, там 4% гормоник, на глаз видно искажение синусоиды.
И невыставлен ток ВК - микроамперы.
Стёр.

Максимум что можно выжать из этого усилителя - чуть больше 6W неискажённой мощности на нагрузке 8 ом (10v амплитуды до клипа), размаха амплитуды 20 вольт там не может быть априори, при питании 24V общий потенциал делится на 2, по 12V на каждое плечо усиления, от сюда следует отнять падение напряжения на переходах 2-х транзисторов и 3-х резисторах 1ом, в итоге и остаётся чуть больше 10 вольт по амплитуде на каждом плече!
Модели я загружал ваши, с вашими схемами симуляции, пробовал на своих моделях и сам копировал вашу схему - результат одинаковый!
Схема модели не моя а WP, я собрал её чтобы показать её неработоспособность в симуляторе.


Вернуться наверх
 
Показать сообщения за:  Сортировать по:  Вернуться наверх
Начать новую тему Ответить на тему  [ Сообщений: 3119 ]     ... , , , 141, , , ...  

Часовой пояс: UTC + 3 часа


Вы не можете начинать темы
Вы не можете отвечать на сообщения
Вы не можете редактировать свои сообщения
Вы не можете удалять свои сообщения
Вы не можете добавлять вложения

Найти:
Перейти:  


Powered by phpBB © 2000, 2002, 2005, 2007 phpBB Group
Русская поддержка phpBB
Extended by Karma MOD © 2007—2012 m157y
Extended by Topic Tags MOD © 2012 m157y