Например TDA7294

Форум РадиоКот • Просмотр темы - Усилитель Шушурина :)
Форум РадиоКот
Здесь можно немножко помяукать :)

Текущее время: Сб дек 27, 2025 12:39:22

Часовой пояс: UTC + 3 часа


ПРЯМО СЕЙЧАС:



Начать новую тему Ответить на тему  [ Сообщений: 1187 ]     ... , , , 28, , , ...  
Автор Сообщение
Не в сети
 Заголовок сообщения: Re: Усилитель Шушурина :)
СообщениеДобавлено: Пн мар 12, 2012 22:58:51 
Первый раз сказал Мяу!

Зарегистрирован: Вт фев 02, 2010 22:06:07
Сообщений: 29
Откуда: Харьков
Рейтинг сообщения: 0
Так меня подвел тестер.


Последний раз редактировалось Rysikk Вт мар 13, 2012 10:58:09, всего редактировалось 1 раз.

Вернуться наверх
 
Не в сети
 Заголовок сообщения: Re: Усилитель Шушурина :)
СообщениеДобавлено: Пн мар 12, 2012 23:16:54 
Прорезались зубы
Аватар пользователя

Зарегистрирован: Ср ноя 02, 2011 14:49:16
Сообщений: 245
Откуда: г. Минск
Рейтинг сообщения: 0
ну смотри, у меня ток покоя 25 мА, больше ставлю, даже 30 - идет саморазогрев выхлопа (КТ808А)... но и при 25 мА - звук отличный... я думаю может это просто из-за замен, у меня КТ 502/502, КТ602, на предвыходе КТ805ИМ...


Вернуться наверх
 
Не в сети
 Заголовок сообщения: Re: Усилитель Шушурина :)
СообщениеДобавлено: Вт мар 13, 2012 13:12:59 
Первый раз сказал Мяу!

Зарегистрирован: Вт фев 02, 2010 22:06:07
Сообщений: 29
Откуда: Харьков
Рейтинг сообщения: 0
подпаял выходники кт805бм пластик ток покоя 46-56мА гуляет в этом приделе,регулируется не значительно R18, за 1мин V12 разогревается до 50-60гр без теплоотвода. Почему гуляет ток покоя? от чего это может зависеть?


Вернуться наверх
 
Не в сети
 Заголовок сообщения: Re: Усилитель Шушурина :)
СообщениеДобавлено: Вт мар 13, 2012 13:53:15 
Друг Кота
Аватар пользователя

Карма: 26
Рейтинг сообщений: 97
Зарегистрирован: Вт мар 16, 2010 09:58:07
Сообщений: 5040
Откуда: Новгородская обл
Рейтинг сообщения: 0
Термостабилизирующие диоды не имеют контакта теплового с радиаторами выходников. Потому я грил о таком токе покоя,при котором нет саморазогрева транзисторов.Или один из диодов надо крепить к радиатору


Вернуться наверх
 
Эиком - электронные компоненты и радиодетали
Не в сети
 Заголовок сообщения: Re: Усилитель Шушурина :)
СообщениеДобавлено: Вт мар 13, 2012 14:02:24 
Прорезались зубы
Аватар пользователя

Зарегистрирован: Ср ноя 02, 2011 14:49:16
Сообщений: 245
Откуда: г. Минск
Рейтинг сообщения: 0
т.е. я так понимаю если один из 4 диодов прикрутить к радиатору - будет более стабилен ток покоя ?


Вернуться наверх
 
Не в сети
 Заголовок сообщения: Re: Усилитель Шушурина :)
СообщениеДобавлено: Вт мар 13, 2012 14:13:06 
Первый раз сказал Мяу!

Зарегистрирован: Вт фев 02, 2010 22:06:07
Сообщений: 29
Откуда: Харьков
Рейтинг сообщения: 0
Ясно спасибо, остается понять почему он не звучит как положено.


Вернуться наверх
 
Не в сети
 Заголовок сообщения: Re: Усилитель Шушурина :)
СообщениеДобавлено: Вс мар 18, 2012 17:17:45 
Первый раз сказал Мяу!

Зарегистрирован: Вт фев 02, 2010 22:06:07
Сообщений: 29
Откуда: Харьков
Рейтинг сообщения: 0
Усилитель распаян на молекулы, не захотел он работать что я только с ним не делал,дорожки стали отпадать поэтому забил на него и спаял другой усилитель "оплеуха Микрухам" Mark 2 запустился сразу никаких проблем ноль и ток выставился четко. Хотя почему Шушуринский не заработал нормально для меня осталось загадкой.


Вернуться наверх
 
Не в сети
 Заголовок сообщения: Re: Усилитель Шушурина :)
СообщениеДобавлено: Пн мар 19, 2012 12:18:49 
Электрический кот
Аватар пользователя

Карма: 5
Рейтинг сообщений: 5
Зарегистрирован: Вт сен 22, 2009 10:44:23
Сообщений: 1096
Откуда: Орск
Рейтинг сообщения: 0
Не знай почему, у Меня наоборот эта ваша оплевуха работать не хотела, раз 5 паял на разных платах, что только не делал!!! А Шушурин сразу запустился!!! :))

_________________
[url=http://userbars.ru/][img]http://i.imgur.com/RfUzSb7.jpg[/img][/url]


Вернуться наверх
 
Не в сети
 Заголовок сообщения: Re: Усилитель Шушурина :)
СообщениеДобавлено: Пн мар 19, 2012 20:32:51 
Встал на лапы

Зарегистрирован: Сб ноя 08, 2008 17:27:33
Сообщений: 111
Откуда: Ялта Крым
Рейтинг сообщения: 0
У меня Шушурин и ОМ2 запустились с пол пинка так что ищите косяки в мотаже и детали проверяйте. Так что собирайте Шушурина и ОМ2 не пожелеете :)


Вернуться наверх
 
Не в сети
 Заголовок сообщения: Re: Усилитель Шушурина :)
СообщениеДобавлено: Вт мар 20, 2012 21:20:36 
Потрогал лапой паяльник
Аватар пользователя

Карма: 1
Рейтинг сообщений: 6
Зарегистрирован: Пт апр 16, 2010 14:10:08
Сообщений: 303
Откуда: Тамбов
Рейтинг сообщения: 0
Всем добрый вечер.
Просмотрел несколько последних страниц битвы Rysikk с Шушуриным.
Печальная история...
В свое время в институте у нас все его паяли. Заводился без проблем.
И гоняли их на полную на 4 Омах.
Я сам в то время их слепил штуки три и один в прошлом году,
когда также боролся с Quad. Он меня задолбал вот и решил ему назло
спаять Шушурина. И снова завелся с пол-пинка. Справедливости ради
отмечу, что все разы собирал на тех транзюках, какие по схеме.
И звук добротный. Одним словом классика!
Так это я к чему.
Rysikk если у Вас руки не опустились попытайтесь сделать как по схеме,
уж если в этот раз не заработает Вы будете первым у кого не пошел Шушурин :(
К стати, если решитесь поставьте галочку "зеркало" при печатанье платы.
Там как раз сделано под родные детали.
Удачи!


Вернуться наверх
 
Не в сети
 Заголовок сообщения: Re: Усилитель Шушурина :)
СообщениеДобавлено: Вт мар 20, 2012 21:33:53 
Потрогал лапой паяльник
Аватар пользователя

Карма: 1
Рейтинг сообщений: 6
Зарегистрирован: Пт апр 16, 2010 14:10:08
Сообщений: 303
Откуда: Тамбов
Рейтинг сообщения: 0
Чуть не забыл. Плату немного переделал под выходные в металле.
И на входе дополнительная дырка если ставить обычный кондер.


Вложения:
Плата вар 3 под КТ808.rar [99 KiB]
Скачиваний: 789
Вернуться наверх
 
Не в сети
 Заголовок сообщения: Re: Усилитель Шушурина :)
СообщениеДобавлено: Ср мар 21, 2012 16:42:11 
Первый раз сказал Мяу!

Зарегистрирован: Вт фев 02, 2010 22:06:07
Сообщений: 29
Откуда: Харьков
Рейтинг сообщения: 0
Александр Ханжов писал(а):
Всем добрый вечер.
Печальная история...
Rysikk если у Вас руки не опустились попытайтесь сделать как по схеме,
уж если в этот раз не заработает Вы будете первым у кого не пошел Шушурин :(
Удачи!
Обязательно еще раз попробую собрать Шушурина, но чуть поже сначала поселю в корпус ОМ2. На Шушурина нужно делать новые печатки, старым шабаш.Тут уже не то что мне нужен усилитель, а радиолюбительский интерес почему же он не запел как надо. О результатах напишу,если интересно кому.


Вернуться наверх
 
Не в сети
 Заголовок сообщения: Re: Усилитель Шушурина :)
СообщениеДобавлено: Ср мар 21, 2012 16:50:49 
Потрогал лапой паяльник
Аватар пользователя

Карма: 1
Рейтинг сообщений: 6
Зарегистрирован: Пт апр 16, 2010 14:10:08
Сообщений: 303
Откуда: Тамбов
Рейтинг сообщения: 0
Rysikk писал(а):
Александр Ханжов писал(а):
Всем добрый вечер.
Печальная история...
Rysikk если у Вас руки не опустились попытайтесь сделать как по схеме,
уж если в этот раз не заработает Вы будете первым у кого не пошел Шушурин :(
Удачи!
Обязательно еще раз попробую собрать Шушурина, но чуть поже сначала поселю в корпус ОМ2. На Шушурина нужно делать новые печатки, старым шабаш.Тут уже не то что мне нужен усилитель, а радиолюбительский интерес почему же он не запел как надо. О результатах напишу,если интересно кому.

Прошу прощения за уход от темы. ОМ2 что из себя представляет в плане звука?
Если есть ссылка на форум скиньте.


Вернуться наверх
 
Не в сети
 Заголовок сообщения: Re: Усилитель Шушурина :)
СообщениеДобавлено: Ср мар 21, 2012 18:56:56 
Первый раз сказал Мяу!

Зарегистрирован: Вт фев 02, 2010 22:06:07
Сообщений: 29
Откуда: Харьков
Рейтинг сообщения: 0
Вот тема про ОМ2 почитайте много интересного,http://forum.cxem.net/index.php?showtopic=84951&st=0 Лично мне нравится звучание,собирал TDA7294, Ланзар, Агеева ,Брагина. ОМ2 мне нравится больше,но это дело вкуса, свое мнение никому не навязываю.


Вернуться наверх
 
Не в сети
 Заголовок сообщения: Re: Усилитель Шушурина :)
СообщениеДобавлено: Ср мар 21, 2012 21:39:51 
Потрогал лапой паяльник
Аватар пользователя

Карма: 1
Рейтинг сообщений: 6
Зарегистрирован: Пт апр 16, 2010 14:10:08
Сообщений: 303
Откуда: Тамбов
Рейтинг сообщения: 0
Спасибо!


Вернуться наверх
 
Не в сети
 Заголовок сообщения: Re: Усилитель Шушурина :)
СообщениеДобавлено: Сб апр 07, 2012 14:55:22 
Поставщик валерьянки для Кота

Карма: 2
Рейтинг сообщений: 2
Зарегистрирован: Чт июн 10, 2010 18:15:16
Сообщений: 2282
Откуда: Актюбинск
Рейтинг сообщения: 0
Привет мужики, переделал ПП на импорт, проверте пожалуйста кому не лень)


Вложения:
Ретро Шушурин Импорт (зеркаленная).rar [27.89 KiB]
Скачиваний: 569
Вернуться наверх
 
Не в сети
 Заголовок сообщения: Re: Усилитель Шушурина :)
СообщениеДобавлено: Вс апр 29, 2012 18:49:25 
Встал на лапы

Зарегистрирован: Сб июл 10, 2010 11:39:32
Сообщений: 146
Рейтинг сообщения: 0
Максим_В вы были правы. не напрягаясь спаял усилитель за пол дня врубил через резисторы выставил ноль на выходе.
выходных транзисторов мощных у меня нет нужно заказывать пока без них но ток покоя не получается настроить на резисторах ноль. самое интересное подал на вход сигнал усилок заработал причём достаточно чисто учитывая то что он не доделан. первый раз такое пред идущие усилители ни в какую не хотели работать с первого раза тем более не доделанные.
интересно ток покоя можно выставить меряя напряжения на резисторах 25 26?
эта штука мне определёно нравится играет себе тихонько вк нет цепочку цобеля забыл поставить однако работает. может и вылезут проблемы когда подам полное напряжение но наврят ли.
кстати тут кто-то писал что в схеме есть ошибки неправильно указан тип транзистора вместо КТ209 КТ208. я собрал по схеме из журнала всё работает.


Вернуться наверх
 
Не в сети
 Заголовок сообщения: Re: Усилитель Шушурина :)
СообщениеДобавлено: Сб июл 21, 2012 12:55:46 
Встал на лапы

Зарегистрирован: Сб июл 10, 2010 11:39:32
Сообщений: 146
Рейтинг сообщения: 0
как лучше сделать термо стабилизацию? как по схеме во вложении? или использовать Б-К переход ?и какие диоды менять те что возле подстроечного резистора ? нашол корпус от усилителя уэми хочу его туда определить собрал всё сопутствующие
осталось только термо стабилизацию сделать.
вроде VT 12 для этого предназначен или нет?


Вложения:
Ясень.JPG [188.33 KiB]
Скачиваний: 1017
Вернуться наверх
 
Не в сети
 Заголовок сообщения: Re: Усилитель Шушурина :)
СообщениеДобавлено: Вс июл 22, 2012 08:41:39 
Друг Кота
Аватар пользователя

Карма: 26
Рейтинг сообщений: 97
Зарегистрирован: Вт мар 16, 2010 09:58:07
Сообщений: 5040
Откуда: Новгородская обл
Рейтинг сообщения: 0
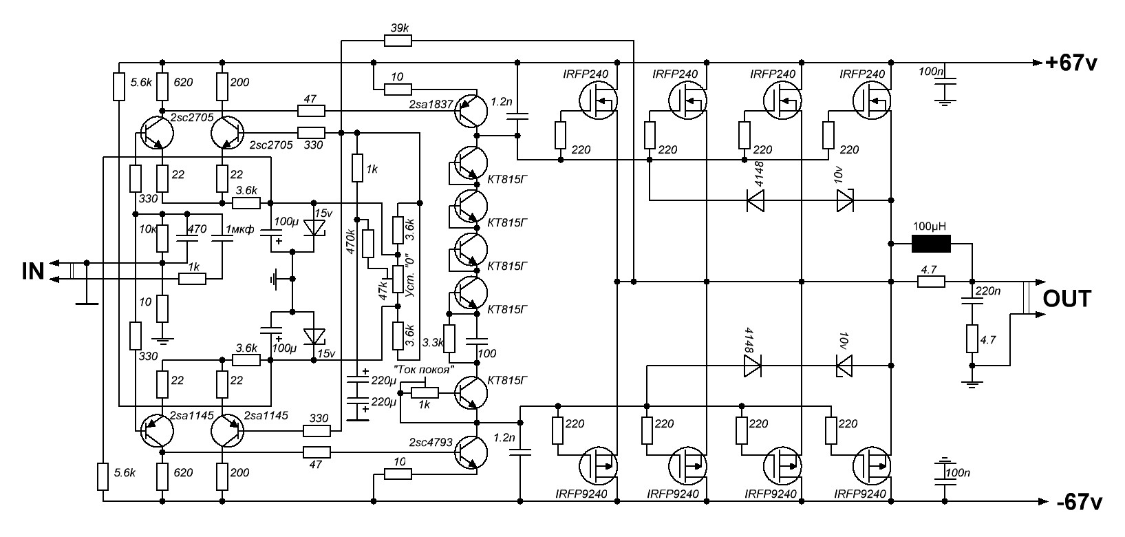
Цепь термо во вложении нечто.Гляньте третий усь Шушурина и возьмите за основу ее. Или просто поставьте на радиатор один из диодов родной схемы , те которые не шунтированы подстроечником, и все.Вместо Д223 тогда можно использовать КТ815 соеденив базу и эмиттер ,то есть включив его диодом


Вернуться наверх
 
Не в сети
 Заголовок сообщения: Re: Усилитель Шушурина :)
СообщениеДобавлено: Вс июл 22, 2012 09:22:35 
Встал на лапы

Зарегистрирован: Сб июл 10, 2010 11:39:32
Сообщений: 146
Рейтинг сообщения: 0
спасибо. заменю диоды 7 и 8 на кт 815.


Вернуться наверх
 
Показать сообщения за:  Сортировать по:  Вернуться наверх
Начать новую тему Ответить на тему  [ Сообщений: 1187 ]     ... , , , 28, , , ...  

Часовой пояс: UTC + 3 часа


Кто сейчас на форуме

Сейчас этот форум просматривают: нет зарегистрированных пользователей и гости: 22


Вы не можете начинать темы
Вы не можете отвечать на сообщения
Вы не можете редактировать свои сообщения
Вы не можете удалять свои сообщения
Вы не можете добавлять вложения

Найти:
Перейти:  


Powered by phpBB © 2000, 2002, 2005, 2007 phpBB Group
Русская поддержка phpBB
Extended by Karma MOD © 2007—2012 m157y
Extended by Topic Tags MOD © 2012 m157y