Например TDA7294

Форум РадиоКот • Просмотр темы - Мелкие вопросы по УНЧ.
Форум РадиоКот
Здесь можно немножко помяукать :)

Текущее время: Вс окт 12, 2025 12:01:51

Часовой пояс: UTC + 3 часа


ПРЯМО СЕЙЧАС:



Начать новую тему Ответить на тему  [ Сообщений: 13401 ]     ... , , , 280, , , ...  
Автор Сообщение
Не в сети
 Заголовок сообщения: Re: Мелкие вопросы по УНЧ.
СообщениеДобавлено: Пт фев 09, 2018 05:23:10 
Друг Кота
Аватар пользователя

Карма: 175
Рейтинг сообщений: 7680
Зарегистрирован: Чт апр 04, 2013 12:46:59
Сообщений: 17234
Откуда: Тюмень
Рейтинг сообщения: 0
Выглядит неплохо. Но, чтобы попасть в частоту и АЧХ, номиналы нужно выдержать точно, как минимум резисторы с 1% точностью нужно выставлять.

_________________
Общением на форуме подпитываю свою эгоистичную, склонную к самолюбованию сущность.


Вернуться наверх
 
Не в сети
 Заголовок сообщения: Re: Мелкие вопросы по УНЧ.
СообщениеДобавлено: Пт фев 09, 2018 09:24:26 
Мучитель микросхем
Аватар пользователя

Карма: 7
Рейтинг сообщений: 55
Зарегистрирован: Чт июл 14, 2011 22:58:19
Сообщений: 486
Откуда: Latvia
Рейтинг сообщения: 0
Резисторы быдут смд с 1% точностью, плюсом нарисую плату под последовательное соединение, чтобы набрать нужное сопротивление :)

_________________
YL3ANC


Вернуться наверх
 
Не в сети
 Заголовок сообщения: Re: Мелкие вопросы по УНЧ.
СообщениеДобавлено: Пт фев 09, 2018 11:01:38 
Встал на лапы

Зарегистрирован: Ср ноя 30, 2016 15:08:44
Сообщений: 96
Откуда: Питер
Рейтинг сообщения: 0
Доброго дня.
Попала ко мне недавно частично разукомплектованная плата от р/п "Нейва". Решил попробовать восстановить, начал, как водится, с УНЧ. Согласующего трансформатора там не было, поэтому вставил другой, имевшийся в наличии. По характеристикам он значительно отличается от оригинального, в частности сопротивление первички примерно в 2,3 раза меньше (ок.150 ом против 340 у оригинала), соответственно сопротивление вторички тоже меньше. Включил - усилитель заработал, но звук был не очень громкий и с серьёзными искажениями. Тогда уменьшил сопротивление R15 примерно до 1,5 кОм - мощность выросла, и звук стал практически идеальным. В какой-то момент случайно замкнул этот резистор, и мощность упала, а транзистор Т5 стал сильно греться. Собственно пара вопросов теоретического свойства:
- Почему так происходит, т.е. как это объяснить с точки зрения схемотехники?
- Как можно рассчитать оптимальное значение R15?
Вот соответствующая часть схемы.
Изображение


Вернуться наверх
 
Не в сети
 Заголовок сообщения: Re: Мелкие вопросы по УНЧ.
СообщениеДобавлено: Пт фев 09, 2018 11:18:28 
Друг Кота
Аватар пользователя

Карма: 127
Рейтинг сообщений: 11154
Зарегистрирован: Ср янв 08, 2014 04:21:09
Сообщений: 32325
Откуда: Москва
Рейтинг сообщения: 0
А что надо объяснить? Почему горят транзисторы если создавать искусственные КЗ в схеме? Или почему не подходит трансформатор, который не подходит?


Вернуться наверх
 
Не в сети
 Заголовок сообщения: Re: Мелкие вопросы по УНЧ.
СообщениеДобавлено: Пт фев 09, 2018 11:25:29 
Встал на лапы

Зарегистрирован: Ср ноя 30, 2016 15:08:44
Сообщений: 96
Откуда: Питер
Рейтинг сообщения: 0
Неродной трансформатор вполне подошёл, только для этого потребовалось уменьшить R15. Это в первую очередь и интересует: почему так происходит и как рассчитать его оптимальное сопротивление?
Можно было вообще не задаваться подобными вопросами, если схема прекрасно работает, но всё-таки интересно.


Вернуться наверх
 
Не в сети
 Заголовок сообщения: Re: Мелкие вопросы по УНЧ.
СообщениеДобавлено: Пт фев 09, 2018 11:31:10 
Модератор
Аватар пользователя

Карма: 159
Рейтинг сообщений: 4059
Зарегистрирован: Пт янв 23, 2009 19:20:05
Сообщений: 45028
Рейтинг сообщения: 0
Медали: 1
Получил миской по аватаре (1)
Объяснять-то нечего... Резистор задаёт ток транзистора предвыходного каскада, замкнув его - получили увеличение тока более чем на порядок - транзистор перегрелся и сдох... :)) У таких усилителей трансформатор должен иметь вполне определённые параметры, менять на что попало не стоит... У трансформатора главный параметр - коэффициент трансформации, сопротивление обмоток в определённых пределах может меняться...


Вернуться наверх
 
Не в сети
 Заголовок сообщения: Re: Мелкие вопросы по УНЧ.
СообщениеДобавлено: Пт фев 09, 2018 11:42:46 
Встал на лапы

Зарегистрирован: Ср ноя 30, 2016 15:08:44
Сообщений: 96
Откуда: Питер
Рейтинг сообщения: 0
Трансформатор поставил тот, какой был в наличии. С резистором 1,5к транзистор не греется (в других приёмниках подобного типа примерно такое сопротивление, плюс\минус, в эмиттерной цепи и есть).


Вернуться наверх
 
Не в сети
 Заголовок сообщения: Re: Мелкие вопросы по УНЧ.
СообщениеДобавлено: Пт фев 09, 2018 13:43:17 
Модератор
Аватар пользователя

Карма: 159
Рейтинг сообщений: 4059
Зарегистрирован: Пт янв 23, 2009 19:20:05
Сообщений: 45028
Рейтинг сообщения: 0
Медали: 1
Получил миской по аватаре (1)
Резистор - задаёт ток! Ток стал мал потому, что Вы не тот трансформатор поставили - нарушилось согласование каскадов. Вам нужно заменить или перемотать трансформатор - и всё заработает, а не пытаться "впихнуть невпихуемое"...


Вернуться наверх
 
Не в сети
 Заголовок сообщения: Re: Мелкие вопросы по УНЧ.
СообщениеДобавлено: Пт фев 09, 2018 14:13:45 
Встал на лапы

Зарегистрирован: Ср ноя 30, 2016 15:08:44
Сообщений: 96
Откуда: Питер
Рейтинг сообщения: 0
нарушилось согласование каскадов.


Вот это и хотел услышать. У меня тоже была мысль о согласовании выходного сопротивления каскада и трансформатора.

Вам нужно заменить или перемотать трансформатор - и всё заработает, а не пытаться "впихнуть невпихуемое"...


Писал уже, что после уменьшения номинала резистора всё прекрасно работает. Звук громкий и чистый, транзисторы не греются. А с трансформатором и так намучился - был ломаный и с оборванными выводами (других, к сожалению, нет).


Вернуться наверх
 
Не в сети
 Заголовок сообщения: Re: Мелкие вопросы по УНЧ.
СообщениеДобавлено: Пт фев 09, 2018 15:44:23 
Родился

Карма: 1
Рейтинг сообщений: 33
Зарегистрирован: Вс янв 18, 2015 13:48:15
Сообщений: 15
Рейтинг сообщения: 0
Ребята, подскажите по мелкой проблемке. Есть два усилителя смонтированных на платках, в виде модуля. Модуль на микросхеме LA4597 и модуль на микросхеме AN7147N. Оба модуля питаются от одной линии, 13 вольт.
Упрощённая схема на рис.1 [img][img]http://img.radiokot.ru/files/103174/thumbnail/1i56u3kqi7.jpg[/img][/img]
Всё по классике. В таком соединении, при подачи сигнала на потенциометры, всё отлично работает.

А теперь нужно сделать так, что-бы можно было бы управлять сигналом с одного потенциометра. Как на рис.2
[img][img]http://img.radiokot.ru/files/103174/thumbnail/1i56u7ut7b.jpg[/img][/img]

Однако при таком объединении входов, оба усилителя возбуждаются и слышен гул в 50 герц из динамиков. Как только отрываем по входу любой из усилителей, всё пропадает. Что тут можете посоветовать. Как развязать входы, что-бы они не влияли друг на друга. Спасибо.


Вернуться наверх
 
Не в сети
 Заголовок сообщения: Re: Мелкие вопросы по УНЧ.
СообщениеДобавлено: Пт фев 09, 2018 15:52:25 
Друг Кота
Аватар пользователя

Карма: 175
Рейтинг сообщений: 7680
Зарегистрирован: Чт апр 04, 2013 12:46:59
Сообщений: 17234
Откуда: Тюмень
Рейтинг сообщения: 0
Скорее всего дело в высоком сопротивлении самого регулятора, из-за чего он не обеспечивает развязку между входами микросхемы (Т-образная связь через R1-регулятор-R2).
По-хорошему, нужно ставить буфер-размножитель, который обеспечил бы околонулевое сопротивление в точке подсоединения входов микросхем, тем самым обеспечив им развязку. Подобный буфер бурно обсуждали несколько ранее...

_________________
Общением на форуме подпитываю свою эгоистичную, склонную к самолюбованию сущность.


Вернуться наверх
 
Не в сети
 Заголовок сообщения: Re: Мелкие вопросы по УНЧ.
СообщениеДобавлено: Пт фев 09, 2018 16:00:24 
Друг Кота
Аватар пользователя

Карма: 127
Рейтинг сообщений: 11154
Зарегистрирован: Ср янв 08, 2014 04:21:09
Сообщений: 32325
Откуда: Москва
Рейтинг сообщения: 0
MrMrMrrr писал(а):
возбуждаются и слышен гул в 50 герц из динамиков
Думаю это никакое не возбуждение. Усилители весьма редко возбуждаются на частоте 50Гц. С землями надо разбираться внимательно.


Вернуться наверх
 
Не в сети
 Заголовок сообщения: Re: Мелкие вопросы по УНЧ.
СообщениеДобавлено: Пт фев 09, 2018 16:07:53 
Родился

Карма: 1
Рейтинг сообщений: 33
Зарегистрирован: Вс янв 18, 2015 13:48:15
Сообщений: 15
Рейтинг сообщения: 0
Скорее всего дело в высоком сопротивлении самого регулятора, из-за чего он не обеспечивает развязку между входами микросхемы (Т-образная связь через R1-регулятор-R2).
По-хорошему, нужно ставить буфер-размножитель, который обеспечил бы околонулевое сопротивление в точке подсоединения входов микросхем, тем самым обеспечив им развязку. Подобный буфер бурно обсуждали несколько ранее...


Что-то типа такого?
[img][img]http://img.radiokot.ru/files/103174/thumbnail/1i57kma9i7.jpg[/img][/img]

Выход буфера на входа усилителей. А входа буфера объединить?

Думал может чего проще есть, типа RC цепи?

Добавлено after 3 minutes 32 seconds:
MrMrMrrr писал(а):
возбуждаются и слышен гул в 50 герц из динамиков
Думаю это никакое не возбуждение. Усилители весьма редко возбуждаются на частоте 50Гц. С землями надо разбираться внимательно.


Да вроде земля там одна. Повторюсь ещё раз, по отдельности всё работает. И оба усилителя сидят на одной земеле и на одной шине питания.


Вернуться наверх
 
Не в сети
 Заголовок сообщения: Re: Мелкие вопросы по УНЧ.
СообщениеДобавлено: Пт фев 09, 2018 16:12:02 
Друг Кота
Аватар пользователя

Карма: 127
Рейтинг сообщений: 11154
Зарегистрирован: Ср янв 08, 2014 04:21:09
Сообщений: 32325
Откуда: Москва
Рейтинг сообщения: 0
MrMrMrrr писал(а):
Да вроде земля там одна
Не видя разводки и присоединений сказать сложно, возможно при переключении на один потенциометр образуется земляная петля.


Вернуться наверх
 
Не в сети
 Заголовок сообщения: Re: Мелкие вопросы по УНЧ.
СообщениеДобавлено: Пт фев 09, 2018 17:34:02 
Друг Кота
Аватар пользователя

Карма: 175
Рейтинг сообщений: 7680
Зарегистрирован: Чт апр 04, 2013 12:46:59
Сообщений: 17234
Откуда: Тюмень
Рейтинг сообщения: 0
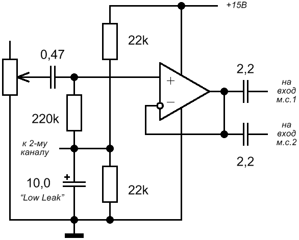
Не понимаю, откуда всё время берутся эти куски схем, совершенно из других мест. Почему у меня, когда я набираю "буфер на ОУ" сразу выскакивает нужный результат? Может, у меня гуголь не той системы?

Вот ваш буфер. Элементарный, простой, качественный...

Изображение

Конденсаторы на выходе буфера по потребностям м.с. Я им от балды номиналы проставил...
Конденсатор на входе 0.22 или 0.47 мкФ плёночный.

Правда, если у вас только однополярное питание, то нужно сделать искусственную среднюю точку для обеспечения работы ОУ. Вот как-то так

Изображение

_________________
Общением на форуме подпитываю свою эгоистичную, склонную к самолюбованию сущность.


Вернуться наверх
 
Не в сети
 Заголовок сообщения: Re: Мелкие вопросы по УНЧ.
СообщениеДобавлено: Вс фев 11, 2018 07:14:48 
Родился

Карма: 1
Рейтинг сообщений: 33
Зарегистрирован: Вс янв 18, 2015 13:48:15
Сообщений: 15
Рейтинг сообщения: 0
Спасибо. Буду пробовать.


Вернуться наверх
 
Не в сети
 Заголовок сообщения: Re: Мелкие вопросы по УНЧ.
СообщениеДобавлено: Вс фев 11, 2018 18:38:12 
Собутыльник Кота
Аватар пользователя

Карма: 14
Рейтинг сообщений: 121
Зарегистрирован: Сб май 21, 2016 11:04:52
Сообщений: 2977
Откуда: Беларусь
Рейтинг сообщения: 0
Что -то не складывается у меня с усилителем на Лм386. Собираю супергетеродин в соседнем разделе. Решил чувствительный и несложный усилок собрать. Собрал.. Взял простейшую схему к.у - 20. там всего то с 5-ой ноги резистор на 10 ом и кондер 0.05 мкф на массу кинуть. Электролит на выход поставил. Включил. Получить простейший генератор вместо усилителя. Частота где то 1кгц. Напряжения дал с 2-х последовательно соединенный литиевых батарей, получилось около 8 вольт. Добился более менее стабильной работы только после того как вывод 7 замкнул на массу через конде 0.1мкф. на входе поставил регулятор громкости на 10 к, как и нарисовано на схеме. Что тут не так?
http://www.joyta.ru/8046-usilitel-lm386 ... yucheniya/

Добавлено after 2 hours 12 minutes 52 seconds:
А что значит 7 нога BYPASS в этом усилителе

Добавлено after 1 minute 55 seconds:
тут нагуглил - снижает шум


Вернуться наверх
 
Не в сети
 Заголовок сообщения: Re: Мелкие вопросы по УНЧ.
СообщениеДобавлено: Вс фев 11, 2018 21:28:10 
Опытный кот
Аватар пользователя

Карма: 15
Рейтинг сообщений: 146
Зарегистрирован: Вс дек 29, 2013 22:05:07
Сообщений: 884
Рейтинг сообщения: 0
ну можно ещё попробовать параллельно питанию подвесить конденсатор мкФ на 100. прямо на ножки. а 2 вывод точно на земле?
BYPASS - это дополнительный фильтр по питанию на первый каскад.

_________________
Щас, погуглю...


Вернуться наверх
 
Не в сети
 Заголовок сообщения: Re: Мелкие вопросы по УНЧ.
СообщениеДобавлено: Пн фев 12, 2018 06:13:28 
Друг Кота

Карма: 35
Рейтинг сообщений: 570
Зарегистрирован: Вт дек 10, 2013 19:13:10
Сообщений: 3267
Рейтинг сообщения: 0
olegue,Вы не поставили блокировку по питанию,припаяйте кондер 0.1мкф прямо на 4 и 6 ноги и еще желательно электролит по питанию недалеко от микрухи на 470...2200мкф


Вернуться наверх
 
Не в сети
 Заголовок сообщения: Re: Входное и выходное сопротивление.
СообщениеДобавлено: Ср фев 14, 2018 20:10:41 
Встал на лапы
Аватар пользователя

Зарегистрирован: Пт май 03, 2013 20:14:31
Сообщений: 133
Откуда: Шебекино, граница
Рейтинг сообщения: 0
Доброго времени сразу и потом! Хочу сделать выход приемника громкоговорящим. Скажите, такое схемообразование не противоречит основам электроники?
Вложение:
2018-02-14_210953.jpg [68.52 KiB]
Скачиваний: 660





Сюда перенес.
aen


Вернуться наверх
 
Показать сообщения за:  Сортировать по:  Вернуться наверх
Начать новую тему Ответить на тему  [ Сообщений: 13401 ]     ... , , , 280, , , ...  

Часовой пояс: UTC + 3 часа


Кто сейчас на форуме

Сейчас этот форум просматривают: нет зарегистрированных пользователей и гости: 18


Вы не можете начинать темы
Вы не можете отвечать на сообщения
Вы не можете редактировать свои сообщения
Вы не можете удалять свои сообщения
Вы не можете добавлять вложения

Найти:
Перейти:  


Powered by phpBB © 2000, 2002, 2005, 2007 phpBB Group
Русская поддержка phpBB
Extended by Karma MOD © 2007—2012 m157y
Extended by Topic Tags MOD © 2012 m157y