Например TDA7294

Форум РадиоКот • Просмотр темы - Мелкие вопросы по УНЧ.
Форум РадиоКот
Здесь можно немножко помяукать :)

Текущее время: Ср окт 22, 2025 18:57:12

Часовой пояс: UTC + 3 часа


ПРЯМО СЕЙЧАС:



Начать новую тему Ответить на тему  [ Сообщений: 13401 ]     ... , , , 284, , , ...  
Автор Сообщение
Не в сети
 Заголовок сообщения: Re: Мелкие вопросы по УНЧ.
СообщениеДобавлено: Пт фев 23, 2018 13:11:11 
Собутыльник Кота
Аватар пользователя

Карма: 113
Рейтинг сообщений: 1537
Зарегистрирован: Пт мар 18, 2011 14:30:20
Сообщений: 2993
Откуда: Lugansk ЛНР
Рейтинг сообщения: 0
R2 должен стоять после R1 или между С1 и R1?
Изображение Изображение


Вернуться наверх
 
Не в сети
 Заголовок сообщения: Re: Мелкие вопросы по УНЧ.
СообщениеДобавлено: Пт фев 23, 2018 14:06:40 
Друг Кота
Аватар пользователя

Карма: 175
Рейтинг сообщений: 7680
Зарегистрирован: Чт апр 04, 2013 12:46:59
Сообщений: 17234
Откуда: Тюмень
Рейтинг сообщения: 4
Практически всё-равно. Он обеспечивает Q1 постоянным током в базу. Если его поставить слева, то результирующее сопротивление для постоянного тока будет 23 кОм, но для переменного уже не будет делителя 1:23 (4% снижения). Если поставить справа - будет возможность использовать его нижний конец как точку подачи напряжения, которое нужно суммировать со входным, но переменное напряжение на базе Q1 будет на 4% меньше.

_________________
Общением на форуме подпитываю свою эгоистичную, склонную к самолюбованию сущность.


Вернуться наверх
 
Не в сети
 Заголовок сообщения: Re: Мелкие вопросы по УНЧ.
СообщениеДобавлено: Пт фев 23, 2018 14:20:32 
Поставщик валерьянки для Кота
Аватар пользователя

Карма: 61
Рейтинг сообщений: 951
Зарегистрирован: Чт июн 26, 2014 17:05:10
Сообщений: 1964
Откуда: -Моск-
Рейтинг сообщения: 0
Если использовать принцип "мухи - котлеты", исходная мысль была, полагаю такая.
Изображение


Вернуться наверх
 
Не в сети
 Заголовок сообщения: Re: Мелкие вопросы по УНЧ.
СообщениеДобавлено: Пт фев 23, 2018 19:40:52 
Первый раз сказал Мяу!
Аватар пользователя

Карма: -10
Рейтинг сообщений: -10
Зарегистрирован: Чт фев 26, 2015 20:34:56
Сообщений: 39
Рейтинг сообщения: 0
nisparel писал(а):
Схема - Арктур 004.

Мля, там херова куча контактов коммутации выходов акустики между собой (можно подключать две пары колонок и переключать между собой), поди коммутация сделанна на П2К? Эти кнопки зло ещё то, со временем теряют контакт из-за высохшей смазки и пыли, требуют промывки керосином с маслом либо переборки.
В принципе П2к можно перебирать не выпаивая, если позволяет монтаж вытащить "язычёк" с контактами и очистить контакты от старой затвердевшей смазки и окислов и смазать по новой литолом.
При сборки П2к для удобства монтажа одеть на "язычёк" с контактами кембрик, дабы контакты не рассыпались и вставить через кембрик в корпус нажав тонкой отвёрточкой с торца, на фото всё понятно:

Там, чтобы добраться до переключателей придется столько всего разобрать. Снимать почти всю предвариловку, ибо провода там короткие. Притомпереключатели, к тому же, совмещенные. Т.е. стоит группа и включение одного отключает другие. Вы представляете как сложно будет их разобрать, да еще и почистить? Еще и не промахнуться с каплей смазки.
Изображение
Поэтому будем ждать, пока дефект не станет постоянным.


Вернуться наверх
 
Эиком - электронные компоненты и радиодетали
Не в сети
 Заголовок сообщения: Re: Мелкие вопросы по УНЧ.
СообщениеДобавлено: Пт фев 23, 2018 20:32:02 
Друг Кота
Аватар пользователя

Карма: 95
Рейтинг сообщений: 2428
Зарегистрирован: Пт май 18, 2007 22:56:58
Сообщений: 26671
Рейтинг сообщения: 0
Я удивлен был способом ремонта переменных резисторов - силиконовую смазку заливают внутрь и всё!

А есть специальные жидкости для контактов... Нужно залить, подергать, и может быть контакт восстановится! В самом простом варианте, иногда спирт помогает.

_________________
Не променяю медь на ржавую несгорайку!


Вернуться наверх
 
Не в сети
 Заголовок сообщения: Re: Мелкие вопросы по УНЧ.
СообщениеДобавлено: Пт фев 23, 2018 21:08:00 
Сверлит текстолит когтями
Аватар пользователя

Карма: 9
Рейтинг сообщений: 19
Зарегистрирован: Ср мар 10, 2010 22:28:34
Сообщений: 1287
Откуда: Запад Беларуси
Рейтинг сообщения: 0
здесь несколько штук выкладывали

Да там германий один. А вообще КТ903 пойдут для УНЧ или лучше сделать Агеева или Трошина и не париться? Они вроде как высокочастотные. Колонки на 4ома 25ГДН-3-4+3ГДВ-1-8.

_________________
Изображение
Изображение


Вернуться наверх
 
Не в сети
 Заголовок сообщения: Re: Мелкие вопросы по УНЧ.
СообщениеДобавлено: Сб фев 24, 2018 01:34:13 
Друг Кота
Аватар пользователя

Карма: 127
Рейтинг сообщений: 11154
Зарегистрирован: Ср янв 08, 2014 04:21:09
Сообщений: 32325
Откуда: Москва
Рейтинг сообщения: 0
Xatrix писал(а):
Да там германий один.
Для печатки это не принципиально. Но делать Филина на кремнии не имеет смысла. Для этого есть масса других проверенных схем, которые соберешь и будут работать. В том числе для КТ903.
nisparel писал(а):
Поэтому будем ждать, пока дефект не станет постоянным.
В этом всегда и заключается геморрой с ремонтом таких неисправностей. П2К помимо внутренних проблем переключения еще и при запайке выводов в плату создавали проблемы. В свое время сталкивался несколько раз именно с отсутствием контакта в месте запайки выводов П2К. Они не включались и не паялись, из какого то говна и пыли их делали!!! :)))


Вернуться наверх
 
Не в сети
 Заголовок сообщения: Re: Мелкие вопросы по УНЧ.
СообщениеДобавлено: Сб фев 24, 2018 05:36:28 
Друг Кота
Аватар пользователя

Карма: 127
Рейтинг сообщений: 6124
Зарегистрирован: Вс дек 25, 2011 18:43:00
Сообщений: 24327
Откуда: г.Москва
Рейтинг сообщения: 0
nisparel писал(а):
Вы представляете как сложно будет их разобрать, да еще и почистить? Еще и не промахнуться с каплей смазки.

..не надо ничего разбирать - покупаете спрей для чистки карбюраторов ABRO (примерно 500р за баллон) и спрей для финишной обработки контактов KONTAKT-61 (испаряясь оставляет на поверхности тонкую защитную пленку, его основная задача - смыть продукты очистки, примерно 600р за баллон) - в большинстве случаев не требуется даже детальной разборки устройства, поскольку баллоны комплектуются трубкой , а сам реагент находится под достаточным давлением...дорого..?..ну, извините - тогда велкам все разбирать.. :)

Изображение

..на фото - отечественный спрей для карбюраторов, но лучше купить ABRO - отмывает даже темный налет с оксидированных поверхностей.. :)


Вернуться наверх
 
Не в сети
 Заголовок сообщения: Re: Мелкие вопросы по УНЧ.
СообщениеДобавлено: Вс фев 25, 2018 20:35:58 
Встал на лапы
Аватар пользователя

Зарегистрирован: Пт май 03, 2013 20:14:31
Сообщений: 133
Откуда: Шебекино, граница
Рейтинг сообщения: 0
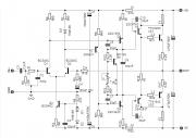
Ну, что же, собрал УНЧ, проверил, "фунциклирует". Ток покоя 35 мА, в средней точке выходного каскада 4,5 вольта относительно минуса. У выходных транзисторов (КТ814,КТ815) h21Э около 140 +/- 5 (у КТ3102 и КТ3107 не удосужился померить), эмиттер-база 0,64 вольта, при Uпит. 12В. Да, резисторы в эмиттерах самодельные, проволочные, примерно 0,3 Ома. Намотаны проводом ПЭВ-0,12.
Если ткнуть пальцем на вход, ток до 100 мА. После получаса во включенном состоянии без входного сигнала слегка греются (по-разному) радиаторы (8,5 см2) выходных транзисторов.
Собрал схему в Мультисим 12, http://img.radiokot.ru/files/87611/1in20fql8e.gif во вложении. Поизгалялся вдоволь, но так и не получилось сделать 6 вольт на +С3.
Какие будут советы?
Как знак благодарности предлагаю пользователям Sprint-Layout 6 несколько своих макросов, возможно кому понравятся. Мне не нравилось паять выводы деталей на полигонах, поэтому сделал специально для этого несколько контактов. Паять приятнее. Признаюсь, что подсмотрел это на заводских платах. Но на любительских не видел ни разу. Всем спасибо!


Вложения:
Для РадиоКота.rar [123.14 KiB]
Скачиваний: 182

_________________
Лучший вид бардака - демократия
Хочешь, чтоб люди тебя понимали? Говори с ними на их языке!
Писать грамотно - моветон!
Вернуться наверх
 
Не в сети
 Заголовок сообщения: Re: Мелкие вопросы по УНЧ.
СообщениеДобавлено: Вс фев 25, 2018 20:44:11 
Друг Кота
Аватар пользователя

Карма: 23
Рейтинг сообщений: 398
Зарегистрирован: Вс окт 24, 2010 16:02:46
Сообщений: 3463
Откуда: Ижевск
Рейтинг сообщения: 1
НСТ писал(а):
но так и не получилось сделать 6 вольт на +С3.

R1 уменьшить, или R2 увеличить.


Вернуться наверх
 
Не в сети
 Заголовок сообщения: Re: Мелкие вопросы по УНЧ.
СообщениеДобавлено: Вс фев 25, 2018 21:07:17 
Встал на лапы
Аватар пользователя

Зарегистрирован: Пт май 03, 2013 20:14:31
Сообщений: 133
Откуда: Шебекино, граница
Рейтинг сообщения: 0
sstvov писал(а):
R1 уменьшить, или R2 увеличить.

Точно, спасибо, еще бы ток уменьшить!

Добавлено after 14 minutes:
Увеличил R7 до 560 Ом, ток снизился до 20 мА.

_________________
Лучший вид бардака - демократия
Хочешь, чтоб люди тебя понимали? Говори с ними на их языке!
Писать грамотно - моветон!


Вернуться наверх
 
Не в сети
 Заголовок сообщения: Re: Мелкие вопросы по УНЧ.
СообщениеДобавлено: Вс фев 25, 2018 21:35:20 
Друг Кота
Аватар пользователя

Карма: 23
Рейтинг сообщений: 398
Зарегистрирован: Вс окт 24, 2010 16:02:46
Сообщений: 3463
Откуда: Ижевск
Рейтинг сообщения: 0
НСТ писал(а):
Увеличил R7 до 560 Ом, ток снизился до 20 мА.
По идее не должен ток зависеть от этого сопротивления, только если там возбуждение есть. Попробуйте между базой и коллектором Q3 поставить конденсатор пикофарад на 100-300, он должен предотвратить возбуждение усилителя, если оно есть.


Вернуться наверх
 
Не в сети
 Заголовок сообщения: Re: Мелкие вопросы по УНЧ.
СообщениеДобавлено: Пн фев 26, 2018 05:16:23 
Друг Кота
Аватар пользователя

Карма: 175
Рейтинг сообщений: 7680
Зарегистрирован: Чт апр 04, 2013 12:46:59
Сообщений: 17234
Откуда: Тюмень
Рейтинг сообщения: 0
Ток от этого сопротивления будет зависеть, т.к. от него зависит ток через диоды. Но уменьшать его я бы не ркомендовал, т.к. его уменьшением уменьшается и ток через нижний транзистор на пиках сигнала.
Ток покоя был рассчитан на сопротивление в эмиттерах выходных транзисторов 0.47 Ом. Поскольку сопротивления установленя 0.3 Ом, ток покоя пропорционально вырос - примерно в полтора раза.
Уменьшить ток покоя можно (а зачем, вообще? Если питание сетевое - пусть оно так и остаётся), установив между базами выходных транзисторов, параллельно диодам, сопротивления, величину которого нужно подобрать в зависимости от желаемого тока покоя. Но температурная стабильность немного ухудшится. Попробуйте 120-150-180-220 Ом

Также если есть запас диодов, можно подобрать пару диодов с минимальным прямым падением напряжения - достаточно только отобрать их мультиметром.

Для получения +6 вольт на средней точке можете поставить R3 68 кОм (схема) или даже 75. Вообще, средняя точка там совсем не обязательна быть ровно половиной питания - она выставляется так, чтобы получить примерно одновременно наступающий в обоих плечах клиппинг.

_________________
Общением на форуме подпитываю свою эгоистичную, склонную к самолюбованию сущность.


Вернуться наверх
 
Не в сети
 Заголовок сообщения: Re: Мелкие вопросы по УНЧ.
СообщениеДобавлено: Пн фев 26, 2018 16:12:00 
Открыл глаза

Карма: 2
Рейтинг сообщений: 2
Зарегистрирован: Сб фев 03, 2018 17:10:57
Сообщений: 43
Рейтинг сообщения: 0
Добрый день. С кем могу поговорить по поводу Фазовращателей/Квадратурных фильтров/Квадратурных преобразователей. Есть желание расщепить НЧ сиrнал с
целью получения нескольких сиrналов с постоянными амплитудой и фазовым сдвиrом в широком частотном интервале без значимых заморочек и тщательного отбора компонентов. "Гуглил" пару вечеров, то ли сани не едут ...


Вернуться наверх
 
Не в сети
 Заголовок сообщения: Re: Мелкие вопросы по УНЧ.
СообщениеДобавлено: Пн фев 26, 2018 21:05:53 
Первый раз сказал Мяу!
Аватар пользователя

Карма: -10
Рейтинг сообщений: -10
Зарегистрирован: Чт фев 26, 2015 20:34:56
Сообщений: 39
Рейтинг сообщения: 0
Правильно я писал, что другой колонки нет и это беда. Сегодня опять такая же дичь приключилась. Не поленился, пробовал разные гнезда для акустики, все переключатели попереключал, все резисторы попередвигал - бесполезно. Мне кажется теперь предельно ясен источник проблем - 25 АС-309, а именно 35 ГДН 1-4. Я из за него уже одну колонку похоронил, там проволока слетела с катушки. Но этот вроде бы только на низких громкостях так себя ведет, может быть повезет и это окажутся просто перетершиеся провода.


Вернуться наверх
 
Не в сети
 Заголовок сообщения: Re: Мелкие вопросы по УНЧ.
СообщениеДобавлено: Вт фев 27, 2018 07:38:38 
Прорезались зубы

Карма: 1
Рейтинг сообщений: 0
Зарегистрирован: Ср янв 15, 2014 14:41:21
Сообщений: 220
Рейтинг сообщения: 0
Подскажите если я соберу схему усилителя для TDA2005 в моно режиме - на один динамик, то где мне надо ставить фильтр низких частот для сабуфера до или после усилителя.


Вложения:
Фильтр для саба второго порядка.gif [8.44 KiB]
Скачиваний: 409
Scheme_AMP_on_TDA2005_mono-2.jpg [50.06 KiB]
Скачиваний: 364
Вернуться наверх
 
Не в сети
 Заголовок сообщения: Re: Мелкие вопросы по УНЧ.
СообщениеДобавлено: Вт фев 27, 2018 10:13:23 
Модератор
Аватар пользователя

Карма: 159
Рейтинг сообщений: 4059
Зарегистрирован: Пт янв 23, 2009 19:20:05
Сообщений: 45055
Рейтинг сообщения: 0
Медали: 1
Получил миской по аватаре (1)
Закон Ома в школе ещё не проходили? Примените этот универсальный закон - и всё будет ясно! :))


Вернуться наверх
 
Не в сети
 Заголовок сообщения: Re: Мелкие вопросы по УНЧ.
СообщениеДобавлено: Вт фев 27, 2018 10:44:27 
Первый раз сказал Мяу!
Аватар пользователя

Карма: -10
Рейтинг сообщений: -10
Зарегистрирован: Чт фев 26, 2015 20:34:56
Сообщений: 39
Рейтинг сообщения: 0
Подскажите если я соберу схему усилителя для TDA2005 в моно режиме - на один динамик, то где мне надо ставить фильтр низких частот для сабуфера до или после усилителя.

Ну Вам же, наверное, не хочется тратить мощность на усиление ненужных частот.


Вернуться наверх
 
Не в сети
 Заголовок сообщения: Re: Мелкие вопросы по УНЧ.
СообщениеДобавлено: Вт фев 27, 2018 10:47:23 
Прорезались зубы

Карма: 1
Рейтинг сообщений: 0
Зарегистрирован: Ср янв 15, 2014 14:41:21
Сообщений: 220
Рейтинг сообщения: 0
И все равно не понятно ставить до усилителя или после усилителя фильтр низких частот. Я так думаю лучше после так как сигнал после усилителя будет выше
Цитата:
Ну Вам же, наверное, не хочется тратить мощность на усиление ненужных частот.
Тогда перед усилителем фильтр ставить нужно.


Вернуться наверх
 
Не в сети
 Заголовок сообщения: Re: Мелкие вопросы по УНЧ.
СообщениеДобавлено: Вт фев 27, 2018 12:09:02 
Модератор
Аватар пользователя

Карма: 159
Рейтинг сообщений: 4059
Зарегистрирован: Пт янв 23, 2009 19:20:05
Сообщений: 45055
Рейтинг сообщения: 0
Медали: 1
Получил миской по аватаре (1)
Вот намекаешь человеку, намекаешь... И всё равно - думалку не включит!!! :))) Посмотрите на схему своего "фильтра", вспомните закон Ома и посчитайте, какая часть мощности сигнала окажется на динамике при включении фильтра до и после усилителя - глупые вопросы отпадут сами собой! :)))
Фильтр после усилителя - использовать МОЖНО! НО!!! Это будет ДРУГОЙ фильтр!!! Для него потребуются большие катушки и большие конденсаторы, всё это дорого стоит, много весит и занимает место...


Вернуться наверх
 
Показать сообщения за:  Сортировать по:  Вернуться наверх
Начать новую тему Ответить на тему  [ Сообщений: 13401 ]     ... , , , 284, , , ...  

Часовой пояс: UTC + 3 часа


Кто сейчас на форуме

Сейчас этот форум просматривают: нет зарегистрированных пользователей и гости: 72


Вы не можете начинать темы
Вы не можете отвечать на сообщения
Вы не можете редактировать свои сообщения
Вы не можете удалять свои сообщения
Вы не можете добавлять вложения

Найти:
Перейти:  


Powered by phpBB © 2000, 2002, 2005, 2007 phpBB Group
Русская поддержка phpBB
Extended by Karma MOD © 2007—2012 m157y
Extended by Topic Tags MOD © 2012 m157y