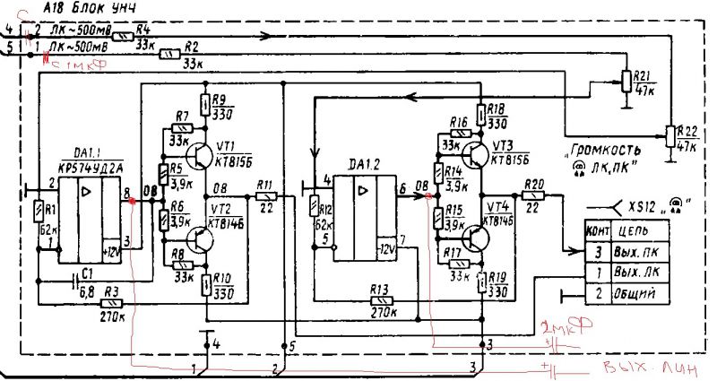
Всем привет! Есть такая платка

Использую по назначению как усилитель для наушников, это из Веги МП-122С, перед ней стоит Китайский темброблок на LM1036, на входе разделительные конденсаторы керамика 1 мкФ, от ОУ сделаны линейные выходы для подключения к ресиверу Pioneer через разделительные конденсаторы электролиты 2 мкФ. Как для нищебродского набора играет не плохо, но при подключении ресивера на выходе появляется шум, не то чтобы сильный, но заметен при увеличении громкости на темброблоке на 2/3 и более. Между землёй ресивера и землёй на усилителе для ушей постоянка 4-5 мВ. У меня не хватает ума от чего берётся шум. Что посоветуете, как можно от этого избавиться?