Например TDA7294

Форум РадиоКот • Просмотр темы - Посоветуйте схему- регулятор громкости,баланса и фэйдера
Форум РадиоКот
Здесь можно немножко помяукать :)

Текущее время: Ср мар 04, 2026 11:53:13

Часовой пояс: UTC + 3 часа


ПРЯМО СЕЙЧАС:



Начать новую тему Ответить на тему  [ Сообщений: 10 ] 
Автор Сообщение
 Заголовок сообщения: Посоветуйте схему- регулятор громкости,баланса и фэйдера
СообщениеДобавлено: Вт фев 12, 2019 10:27:21 
Родился

Зарегистрирован: Пн фев 11, 2019 23:26:08
Сообщений: 4
Рейтинг сообщения: 0
Всем привет.Устанавливаю в авто carpc,для усилителя уже выбрал схемку,а вот с регулировками не все так просто.Канала будет 4 и нужен регулятор который будет регулировать общую громкость,баланс и фронт-тыл,желательно еще кнопку mute.Нашел схемы темброблоков различных,но там помимо этого еще много лишних настроек которые мне не нужны.Желателен регулятор на обычных крутилках или кнопках,без дисплея,чтобы занимал мало места и легко управлялся.Может есть у кого какие идеи?


Вернуться наверх
 
 Заголовок сообщения: Re: Посоветуйте схему- регулятор громкости,баланса и фэйдера
СообщениеДобавлено: Вт фев 12, 2019 10:41:09 
Друг Кота
Аватар пользователя

Карма: 127
Рейтинг сообщений: 6124
Зарегистрирован: Вс дек 25, 2011 18:43:00
Сообщений: 24331
Откуда: г.Москва
Рейтинг сообщения: 0
..BA3853BFS..

..проще не найдешь..


Вернуться наверх
 
 Заголовок сообщения: Re: Посоветуйте схему- регулятор громкости,баланса и фэйдера
СообщениеДобавлено: Вт фев 12, 2019 15:12:19 
Родился

Зарегистрирован: Пн фев 11, 2019 23:26:08
Сообщений: 4
Рейтинг сообщения: 0
..BA3853BFS..

..проще не найдешь..

А можете порекомендовать готовую схемку,в поиске не нашел


Вернуться наверх
 
 Заголовок сообщения: Re: Посоветуйте схему- регулятор громкости,баланса и фэйдера
СообщениеДобавлено: Вт фев 12, 2019 20:21:24 
Модератор
Аватар пользователя

Карма: 159
Рейтинг сообщений: 4081
Зарегистрирован: Пт янв 23, 2009 19:20:05
Сообщений: 45730
Рейтинг сообщения: 0
Медали: 1
Получил миской по аватаре (1)
...А что, звуковая подсистема carpc не имеет нужных регулировок? Вроде, любая нынешняя "звуковуха" имеет не менее шести каналов и довольно гибкий микшер... :)


Вернуться наверх
 
Эиком - электронные компоненты и радиодетали
 Заголовок сообщения: Re: Посоветуйте схему- регулятор громкости,баланса и фэйдера
СообщениеДобавлено: Ср фев 13, 2019 00:42:19 
Родился

Зарегистрирован: Пн фев 11, 2019 23:26:08
Сообщений: 4
Рейтинг сообщения: 0
...А что, звуковая подсистема carpc не имеет нужных регулировок? Вроде, любая нынешняя "звуковуха" имеет не менее шести каналов и довольно гибкий микшер... :)

ну именно эти 3 функции мне проще выполнять крутилками или кнопками,чем лазить по сенсорному экрану


Вернуться наверх
 
 Заголовок сообщения: Re: Посоветуйте схему- регулятор громкости,баланса и фэйдера
СообщениеДобавлено: Ср фев 13, 2019 02:19:38 
Друг Кота

Карма: 38
Рейтинг сообщений: 623
Зарегистрирован: Пн апр 06, 2015 11:01:53
Сообщений: 3092
Откуда: москва, уфа
Рейтинг сообщения: 0
а на руле для штатного майфуна кнопок нету? Можно попробовать их по CAN-у подцепить, если есть.


Вернуться наверх
 
 Заголовок сообщения: Re: Посоветуйте схему- регулятор громкости,баланса и фэйдера
СообщениеДобавлено: Ср фев 13, 2019 04:28:23 
Друг Кота
Аватар пользователя

Карма: 127
Рейтинг сообщений: 6124
Зарегистрирован: Вс дек 25, 2011 18:43:00
Сообщений: 24331
Откуда: г.Москва
Рейтинг сообщения: 0
martens писал(а):
А можете порекомендовать готовую схемку,в поиске не нашел

..в любом поисковике элементарно ищется и дш, и схема включения..если не нашел, значит, так сильно тебе это надо.. :)


Вернуться наверх
 
 Заголовок сообщения: Re: Посоветуйте схему- регулятор громкости,баланса и фэйдера
СообщениеДобавлено: Ср фев 13, 2019 07:49:29 
Родился

Зарегистрирован: Пн фев 11, 2019 23:26:08
Сообщений: 4
Рейтинг сообщения: 0
Управление по can шине в планах,но позже,так как я в этом пока только начинающий.Собственно и схему регулятора поэтому прошу,т.к. на готовые схемы смотрю,вроде понимаю как работает,а что-то свое придумать пока ума и опыта не хватает.Схемы именно с фадером,балансом и громкостью нигде нет,есть где каждый канал отдельно регулируется,но это в авто будет тоже не удобно.Иногда нужно быстро убрать с тыла звук,например когда просят задние пассажиры.


Вернуться наверх
 
 Заголовок сообщения: Re: Посоветуйте схему- регулятор громкости,баланса и фэйдера
СообщениеДобавлено: Ср фев 13, 2019 12:50:47 
Друг Кота

Карма: 38
Рейтинг сообщений: 623
Зарегистрирован: Пн апр 06, 2015 11:01:53
Сообщений: 3092
Откуда: москва, уфа
Рейтинг сообщения: 0
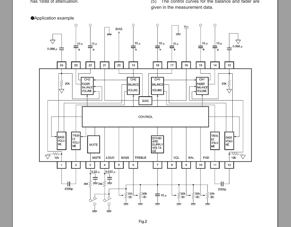
дык прямо в даташите


Вложения:
2019-02-13_14_01_14.jpg [99.08 KiB]
Скачиваний: 455
Вернуться наверх
 
 Заголовок сообщения: Re: Посоветуйте схему- регулятор громкости,баланса и фэйдера
СообщениеДобавлено: Пт авг 22, 2025 07:33:28 
Прорезались зубы

Зарегистрирован: Пт дек 18, 2009 23:17:35
Сообщений: 219
Откуда: Санкт-Петербург
Рейтинг сообщения: 0
Вот такой вопрос умным и опытным.
Две схемы пассивного регулятора баланса. Самая что ни на есть "традиционная" (схема1), которая с довоенных времен существует и много где применялась, и "нетрадиционная" (схема2), которую на каком-то форуме обозвали "плохим вариантом". Вот чем второй вариант "плох"? На две детали меньше как минимум. Что в первом случае регулируемый делитель напряжения, что во втором. В первом случае регулятор баланса параллелен регулятору громкости- суммарное сопротивление уменьшается, во втором общее сопротивление регуляторов всегда больше или равно сопротивлению регулятора громкости- для ламповых схем это критично. Я не понимаю чем она "плоха". :(
Изображение


Вернуться наверх
 
Показать сообщения за:  Сортировать по:  Вернуться наверх
Начать новую тему Ответить на тему  [ Сообщений: 10 ] 

Часовой пояс: UTC + 3 часа


Вы не можете начинать темы
Вы не можете отвечать на сообщения
Вы не можете редактировать свои сообщения
Вы не можете удалять свои сообщения
Вы не можете добавлять вложения

Найти:
Перейти:  


Powered by phpBB © 2000, 2002, 2005, 2007 phpBB Group
Русская поддержка phpBB
Extended by Karma MOD © 2007—2012 m157y
Extended by Topic Tags MOD © 2012 m157y