Например TDA7294

Форум РадиоКот • Просмотр темы - простой усилитель для динамика 10гдш-2,4
Форум РадиоКот
Здесь можно немножко помяукать :)

Текущее время: Вт мар 03, 2026 11:11:47

Часовой пояс: UTC + 3 часа


ПРЯМО СЕЙЧАС:



Начать новую тему Ответить на тему  [ Сообщений: 25 ]  1,  
Автор Сообщение
 Заголовок сообщения: простой усилитель для динамика 10гдш-2,4
СообщениеДобавлено: Ср июл 05, 2023 14:18:08 
Опытный кот

Зарегистрирован: Пн июл 08, 2013 22:59:45
Сообщений: 863
Рейтинг сообщения: 0
есть старый советский ещё динамик 10гдш-2,4 подскажите как собрать к нему усилитель с минимумом деталей, пусть даже искажает звук, хрипит, свистит, хрюкает, главное что бы он мог его раскачать на полную мощность
чем проще и менее прожорливая схема тем лучше, питание её в принципе любое, но желательно что бы работало от 4, 8 или 12 вольт


Вернуться наверх
 
 Заголовок сообщения: Re: простой усилитель для динамика 10гдш-2,4
СообщениеДобавлено: Ср июл 05, 2023 14:55:14 
Друг Кота
Аватар пользователя

Карма: 127
Рейтинг сообщений: 11154
Зарегистрирован: Ср янв 08, 2014 04:21:09
Сообщений: 32325
Откуда: Москва
Рейтинг сообщения: 0
Да любая микросхема УНЧ от автомагнитолы с мостовым выходом подойдет. Их довольно много. В соответствующем даташите найдешь и схему включения. Питание естественно 12-15В при 4В хер чего путного получишь.


Вернуться наверх
 
 Заголовок сообщения: Re: простой усилитель для динамика 10гдш-2,4
СообщениеДобавлено: Ср июл 05, 2023 15:09:12 
Опытный кот

Зарегистрирован: Пн июл 08, 2013 22:59:45
Сообщений: 863
Рейтинг сообщения: 0
kentgaryk, а если без микросхемы?


Вернуться наверх
 
 Заголовок сообщения: Re: простой усилитель для динамика 10гдш-2,4
СообщениеДобавлено: Ср июл 05, 2023 15:19:33 
Друг Кота
Аватар пользователя

Карма: 127
Рейтинг сообщений: 11154
Зарегистрирован: Ср янв 08, 2014 04:21:09
Сообщений: 32325
Откуда: Москва
Рейтинг сообщения: 0
Если без микросхемы то мостовой усилитель на рассыпухе. Тут гугл в руку и вперед, но думаю это нецелесообразно. https://yandex.ru/images/search?lr=213& ... 0%BC%D0%B0


Вернуться наверх
 
Эиком - электронные компоненты и радиодетали
 Заголовок сообщения: Re: простой усилитель для динамика 10гдш-2,4
СообщениеДобавлено: Ср июл 05, 2023 16:12:15 
Опытный кот

Зарегистрирован: Пн июл 08, 2013 22:59:45
Сообщений: 863
Рейтинг сообщения: 0
kentgaryk, а если не мостовой, а двухтактный?
и ещё вопрос как рассчитать параметры под колонки и как собственно не сжечь эти самые колонки?


Вернуться наверх
 
 Заголовок сообщения: Re: простой усилитель для динамика 10гдш-2,4
СообщениеДобавлено: Ср июл 05, 2023 16:51:12 
Друг Кота
Аватар пользователя

Карма: 127
Рейтинг сообщений: 11154
Зарегистрирован: Ср янв 08, 2014 04:21:09
Сообщений: 32325
Откуда: Москва
Рейтинг сообщения: 0
kelod писал(а):
а если не мостовой
Мощность уменьшится в 4 раза и при питании от 12В 10Вт на 4 ом ты не получишь. Мощность зависит от напряжения питания, сопротивления нагрузки и схемы. Я написал какая нужна схема.


Вернуться наверх
 
 Заголовок сообщения: Re: простой усилитель для динамика 10гдш-2,4
СообщениеДобавлено: Ср июл 05, 2023 16:59:52 
Опытный кот

Зарегистрирован: Пн июл 08, 2013 22:59:45
Сообщений: 863
Рейтинг сообщения: 0
kentgaryk, так там куча схем, на какую конкретно смотреть? желательно без трансформаторов


Вернуться наверх
 
 Заголовок сообщения: Re: простой усилитель для динамика 10гдш-2,4
СообщениеДобавлено: Ср июл 05, 2023 17:01:18 
Друг Кота
Аватар пользователя

Карма: 197
Рейтинг сообщений: 8636
Зарегистрирован: Пн ноя 30, 2009 03:00:01
Сообщений: 43548
Откуда: Нерезиновая
Рейтинг сообщения: 0
kelod писал(а):
есть старый советский ещё динамик 10гдш-2,4 подскажите как собрать к нему усилитель с минимумом деталей, пусть даже искажает звук, хрипит, свистит, хрюкает, главное что бы он мог его раскачать на полную мощность

https://ldsound.info/10-gdsh-2-4-10-gd-36e/
Цитата:
Сопротивление: 4 Ом
Мощность:
рабочая: 2 Вт
паспортная: 10 Вт
долговременная: 10 Вт
кратковременная: 15 Вт

kelod писал(а):
а если без микросхемы?

Двухтактный УНЧ при питании 12 вольт и динамике 4 Ома "в теории" может выдать мощности 3~3,5 ватта, мостовой УНЧ- около 12 ватт. И это ФИЗИКА, тут ничего поделать нельзя.
Вот здесь:
http://we.easyelectronics.ru/audio/usil ... schet.html
есть теоретический расчёт УНЧ на рассыпухе, при чём, чтобы сделать "мост", то нужно сделать два таких усилителя и какой-то фазоинвертор на вход, чтобы получить противофазный сигнал.
https://we.easyelectronics.ru/audio/mos ... litel.html
На микросхеме, хоть мостовой, хоть простой УНЧ получается значительно проще, чем на рассыпухе.


Вернуться наверх
 
 Заголовок сообщения: Re: простой усилитель для динамика 10гдш-2,4
СообщениеДобавлено: Ср июл 05, 2023 17:55:45 
Опытный кот

Зарегистрирован: Пн июл 08, 2013 22:59:45
Сообщений: 863
Рейтинг сообщения: 0
АлександрЛ, согласен, что на микросхеме проще, но где ж её взять? А рассыпуха есть хоть какая то, а сделать нужно относительно быстро, что бы хоть как то играло, при этом качество звука не важно, главное громкость


Вернуться наверх
 
 Заголовок сообщения: Re: простой усилитель для динамика 10гдш-2,4
СообщениеДобавлено: Ср июл 05, 2023 18:21:52 
Друг Кота
Аватар пользователя

Карма: 59
Рейтинг сообщений: 2250
Зарегистрирован: Чт янв 26, 2012 16:44:29
Сообщений: 19975
Откуда: Таксимо
Рейтинг сообщения: 0
Опять тупые вопросы. Ну чо как маленький то. Ну пишы тогда в Мяу

_________________
Мои поставщики запчастей с отличной репутацией
texnomag.ru
radioremont.com
pl-1.org
4ip.info
elitan.ru


Вернуться наверх
 
 Заголовок сообщения: Re: простой усилитель для динамика 10гдш-2,4
СообщениеДобавлено: Ср июл 05, 2023 19:08:04 
Опытный кот

Зарегистрирован: Пн июл 08, 2013 22:59:45
Сообщений: 863
Рейтинг сообщения: 0
Порылся я в закромах, оказывается у меня есть
La4620
Ba3823ls
Ka2220stj
An7112e
Ba3423s, но там вырвана десятая нога
Из этого всего для моих нужд наверное подойдёт только первая? Как я понимаю она умеет до 17 вт динамики раскачивать и питается от 12 в


Вернуться наверх
 
 Заголовок сообщения: Re: простой усилитель для динамика 10гдш-2,4
СообщениеДобавлено: Ср июл 05, 2023 19:14:36 
Друг Кота
Аватар пользователя

Карма: 59
Рейтинг сообщений: 2250
Зарегистрирован: Чт янв 26, 2012 16:44:29
Сообщений: 19975
Откуда: Таксимо
Рейтинг сообщения: 0
Поизучай даташиты да собирай, нахера вобще тему создавал

_________________
Мои поставщики запчастей с отличной репутацией
texnomag.ru
radioremont.com
pl-1.org
4ip.info
elitan.ru


Вернуться наверх
 
 Заголовок сообщения: Re: простой усилитель для динамика 10гдш-2,4
СообщениеДобавлено: Ср июл 05, 2023 19:19:12 
Опытный кот

Зарегистрирован: Пн июл 08, 2013 22:59:45
Сообщений: 863
Рейтинг сообщения: 0
vlasovzloy, Я не когда унч не собирал, плюс я не знал что у меня вообще есть эти усилители
И я хочу спросить как вообще динамики и усилители друг с другом дружат, они же бывают высокоомные и низкоомные плюс как организовать защиты тоже интересно


Вернуться наверх
 
 Заголовок сообщения: Re: простой усилитель для динамика 10гдш-2,4
СообщениеДобавлено: Ср июл 05, 2023 19:26:24 
Друг Кота
Аватар пользователя

Карма: 59
Рейтинг сообщений: 2250
Зарегистрирован: Чт янв 26, 2012 16:44:29
Сообщений: 19975
Откуда: Таксимо
Рейтинг сообщения: 0
В даташитах все написано

_________________
Мои поставщики запчастей с отличной репутацией
texnomag.ru
radioremont.com
pl-1.org
4ip.info
elitan.ru


Вернуться наверх
 
 Заголовок сообщения: Re: простой усилитель для динамика 10гдш-2,4
СообщениеДобавлено: Ср июл 05, 2023 19:39:06 
Опытный кот

Зарегистрирован: Пн июл 08, 2013 22:59:45
Сообщений: 863
Рейтинг сообщения: 0
vlasovzloy, а можно ли у того же la4620 включить только один канал??
и как регулировать громкость на ней? или только входным сигналом?


Вернуться наверх
 
 Заголовок сообщения: Re: простой усилитель для динамика 10гдш-2,4
СообщениеДобавлено: Ср июл 05, 2023 21:34:34 
Друг Кота
Аватар пользователя

Карма: 197
Рейтинг сообщений: 8636
Зарегистрирован: Пн ноя 30, 2009 03:00:01
Сообщений: 43548
Откуда: Нерезиновая
Рейтинг сообщения: 0
kelod писал(а):
Я не когда унч не собирал, плюс я не знал что у меня вообще есть эти усилители

Вот и соберите, для начала, усилитель на An7112e-
Изображение
https://radioschema.ru/wp-content/uploa ... AN7112.jpg
Всего полватта, но хоть опыт на 0,00001% появится.. :dont_know:

зы.. Это что за музыкальный центр (или магнитолу) раскурочили?


Вернуться наверх
 
 Заголовок сообщения: Re: простой усилитель для динамика 10гдш-2,4
СообщениеДобавлено: Ср июл 05, 2023 22:01:33 
Опытный кот

Зарегистрирован: Пн июл 08, 2013 22:59:45
Сообщений: 863
Рейтинг сообщения: 0
АлександрЛ, пол ватта это очень мало для меня мне нужно хотя бы ватт 10, лучше больше конечно
Я в принципе для la4620 я все нашёл, за исключением кондеров на 0.033 мкф, можно ли их заменить на 0.047 мкф?
И все же интересно как на ней только один канал активировать?
И зачто отвечает 13 нога? Написано muting control, т.е. управление приглашением, это что бы звук отключать что ли?
Зы: мне отдали кучу раздербаненых и разграбленых плат, я их и разобрал на запчасти от безделия


Вернуться наверх
 
 Заголовок сообщения: Re: простой усилитель для динамика 10гдш-2,4
СообщениеДобавлено: Ср июл 05, 2023 22:46:46 
Друг Кота
Аватар пользователя

Карма: 127
Рейтинг сообщений: 11154
Зарегистрирован: Ср янв 08, 2014 04:21:09
Сообщений: 32325
Откуда: Москва
Рейтинг сообщения: 0
kelod писал(а):
мне отдали кучу раздербаненых и разграбленых плат, я их и разобрал на запчасти от безделия
Исчо один Вован-Трехпрограммнег рождается! :facepalm:

Собери теперь хоть что то работающее! Второй канал можешь не трогать, для верности замкни его вход на землю через конденсатор порядка 1мкФ.


Вернуться наверх
 
 Заголовок сообщения: Re: простой усилитель для динамика 10гдш-2,4
СообщениеДобавлено: Чт июл 06, 2023 00:40:05 
Друг Кота
Аватар пользователя

Карма: 197
Рейтинг сообщений: 8636
Зарегистрирован: Пн ноя 30, 2009 03:00:01
Сообщений: 43548
Откуда: Нерезиновая
Рейтинг сообщения: 0
kelod писал(а):
пол ватта это очень мало для меня мне нужно хотя бы ватт 10, лучше больше конечно
Я же написал- "на попробовать", если вы и спалите эту микросхему, то будет не жалко, а хоть чуток опыта у вас появится.. Там всего 10 деталек, спаять можно за полчаса с двумя перекурами :))) :))) :)))

kelod писал(а):
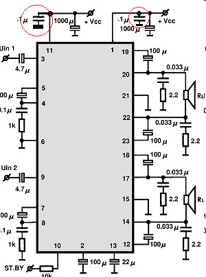
Я в принципе для la4620 я все нашёл, за исключением кондеров на 0.033 мкф, можно ли их заменить на 0.047 мкф?

https://radioschema.ru/wp-content/uploa ... LA4620.jpg
Можно, разницы вы, практически, не заметите
Да, ещё, для LA4620 я бы добавил керамику по питанию (выделено кружочками):
Изображение


Вложения:
LA4620.png [54.1 KiB]
Скачиваний: 980
Вернуться наверх
 
 Заголовок сообщения: Re: простой усилитель для динамика 10гдш-2,4
СообщениеДобавлено: Чт июл 06, 2023 08:59:11 
Опытный кот

Зарегистрирован: Пн июл 08, 2013 22:59:45
Сообщений: 863
Рейтинг сообщения: 0
kentgaryk, так а с обвязкой со свей что делать? там же как я вижу по две цепи одинаковых цепи на входах и на выходах, они между собой связаны как-то или независимые?
и про 13 вывод объясните, зачем он нужен и как работает?


Вернуться наверх
 
Показать сообщения за:  Сортировать по:  Вернуться наверх
Начать новую тему Ответить на тему  [ Сообщений: 25 ]  1,  

Часовой пояс: UTC + 3 часа


Вы не можете начинать темы
Вы не можете отвечать на сообщения
Вы не можете редактировать свои сообщения
Вы не можете удалять свои сообщения
Вы не можете добавлять вложения

Найти:
Перейти:  


Powered by phpBB © 2000, 2002, 2005, 2007 phpBB Group
Русская поддержка phpBB
Extended by Karma MOD © 2007—2012 m157y
Extended by Topic Tags MOD © 2012 m157y