Например TDA7294

Форум РадиоКот • Просмотр темы - ФНЧ и ФВЧ - самовозбуждение ОУ
Форум РадиоКот
Здесь можно немножко помяукать :)

Текущее время: Ср янв 28, 2026 08:16:54

Часовой пояс: UTC + 3 часа


ПРЯМО СЕЙЧАС:



Начать новую тему Ответить на тему  [ Сообщений: 10 ] 
Автор Сообщение
Не в сети
 Заголовок сообщения: ФНЧ и ФВЧ - самовозбуждение ОУ
СообщениеДобавлено: Вс ноя 05, 2023 03:02:30 
Встал на лапы

Зарегистрирован: Пт май 20, 2022 22:19:02
Сообщений: 134
Откуда: Ижевск
Рейтинг сообщения: 0
История
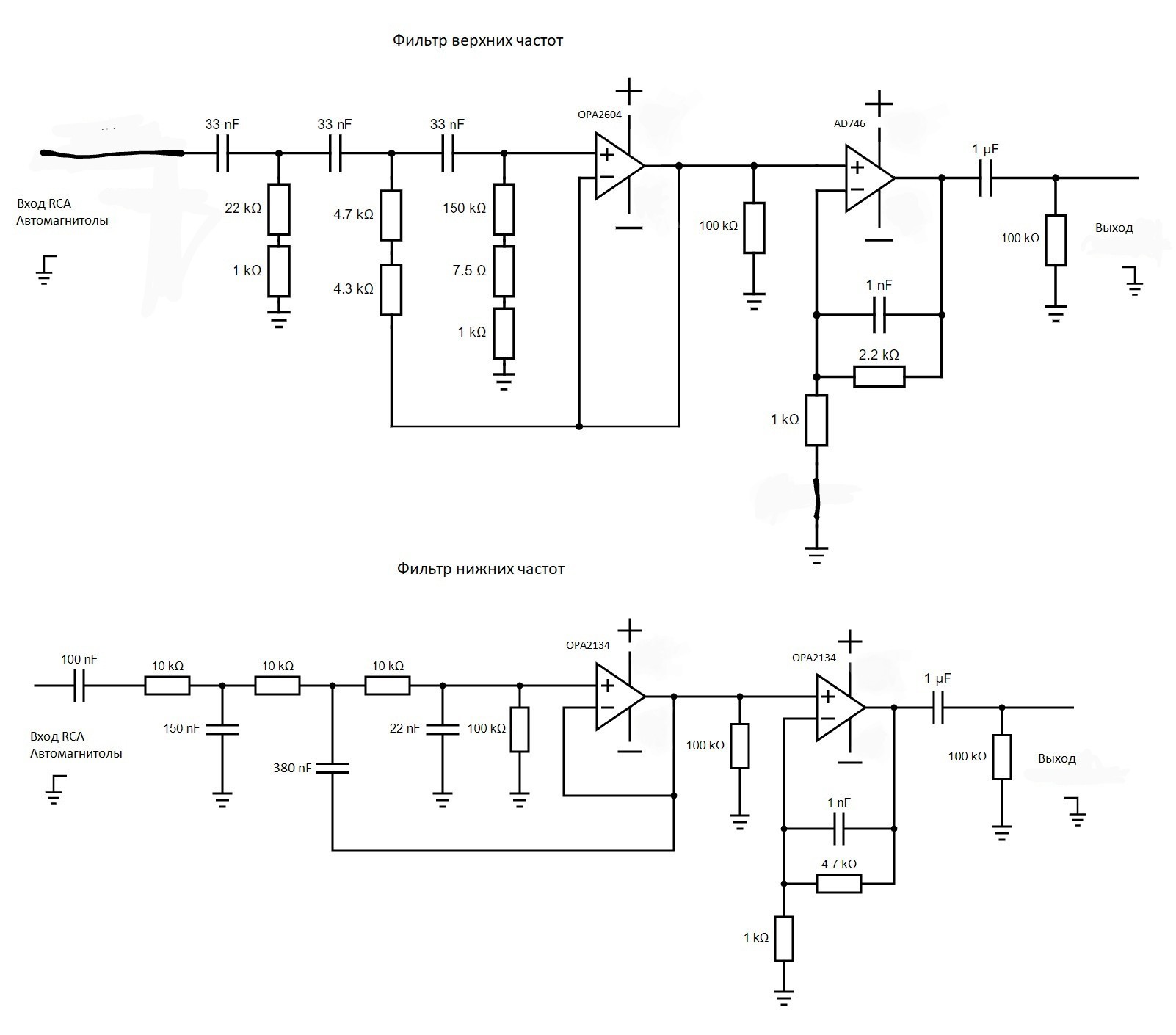
СпойлерСделал я фильтра для сабиков в авто с усилителем sta540 (мощности достаточночно, мне выши крыши), работает от бортовой сети, потому что на 18 вольтах через одну минуту звук превращается в натуральный пердёж неотличимый от оригинала (не шутка), с этим предстоит еще разобраться. На днях купил в качестве игрушки пробник осцилогрофа фнирси 1c15, по этому надо им смотреть что там.

Проблема
Запитаны ОУ двуполярным питанием, плюс бортовая сеть авто 12-14В, минус 11.6 вольт генерятся с помощью mc33063 и линейного стаба для отсеивания шумов "шим" lm337, с фильтром низких частот для саба проблем нет, идеальный срез на 180 герцах почти без шума, а вот фильтр высоких частот вообще не работоспособен, первый opa2604 на выходе выдает сильный шум, а второй ad746 вообще с катушек съехал и выдал почти синус (с заостренными верхушками) амплитудой 8 вольт от пика до пика и частотой 2-3 Мгц, помогла замена на ОУ дешевле в 100 раз или даже более на lm833, из него хоть какой то звук стал различим, но присутствует белый шум как у радиоприемника без антенны.

Как с этим бороться? Менять опу 2604 на более дешевый чтобы он вообще не мог эти иголки произвести как с заменой ad746 или как то можно его побороть? (Выпаивание соик8 паяльником та еще задача, как бы ноги не оборвать, а то денег стоит))


Вложения:
Комментарий к файлу: Шумы не от туда, но такие же 1в1 только амплитудой 0.5В
1699142460.jpg [214.47 KiB]
Скачиваний: 142
Комментарий к файлу: Коробочка чуть ближе
1699142064.jpg [163.27 KiB]
Скачиваний: 123
Комментарий к файлу: Волшебная коробочка
1699142036.jpg [222.6 KiB]
Скачиваний: 115
Комментарий к файлу: СХЕМА
1665009081_010605~4.jpg [111.34 KiB]
Скачиваний: 160
Вернуться наверх
 
Не в сети
 Заголовок сообщения: Re: ФНЧ и ФВЧ - самовозбуждение ОУ
СообщениеДобавлено: Вс ноя 05, 2023 03:34:41 
Друг Кота

Карма: 67
Рейтинг сообщений: 1964
Зарегистрирован: Сб дек 18, 2021 19:25:32
Сообщений: 12867
Рейтинг сообщения: 0
к резистору в 150 кОм прям так важно добавить ещё 1 кОм? Ладно. Но 7.5 Ом-то какую погоду там делают??
Линейный "стаб" не снизит шумы от импульсного, а только добавит своих.

Я б выбросил всё это. Потому что это кошмар, и схема, и изготовление. Если так хочется самому сделать - сделайте снова, разработав (взяв) нормальную схему, как фильтров так и питания (и убедиться, что нужно именно двухполярное), нормальную плату и заказав её кому-то здесь или в китае. Ну или научиться самому.


Вернуться наверх
 
Не в сети
 Заголовок сообщения: Re: ФНЧ и ФВЧ - самовозбуждение ОУ
СообщениеДобавлено: Вс ноя 05, 2023 04:16:44 
Встал на лапы

Зарегистрирован: Пт май 20, 2022 22:19:02
Сообщений: 134
Откуда: Ижевск
Рейтинг сообщения: 0
Обычная схема фильтра третьего порядка, что калькулятор выдал, то и сотворил, уже более года работает, выглядит стремно немного согласен, для меня главное фнч идеально получился, фильтр высоких собрал что бы было, а линейный стаб и фильт на феррите(прямоугольник в середине) это уже я сегодня добавил в поисках проблемы, чтоб питание как причину исключить, не помогло, наверное так и останется в таком виде

Добавлено after 19 minutes 30 seconds:
ФНЧ задумывался как разгрузка магнитолы - дины включены в 8 ом, каналов не достаточно, да и всё равно динамики в машине не играют ниже 150гц


Вернуться наверх
 
Не в сети
 Заголовок сообщения: Re: ФНЧ и ФВЧ - самовозбуждение ОУ
СообщениеДобавлено: Вс ноя 05, 2023 10:46:44 
Друг Кота
Аватар пользователя

Карма: 97
Рейтинг сообщений: 1588
Зарегистрирован: Чт янв 26, 2012 14:44:34
Сообщений: 3741
Рейтинг сообщения: 0
Медали: 1
Мявтор 3-й степени (1)
Описанное поведение схемы совпадает с симптомами самовозбуждения ОУ. Причин для этого может быть несколько. Судя по схеме и монтажу, я выделил бы две главные: отсутствие развязывающих конденсаторов в цепи питания ОУ и наличие паразитной положительной обратной связи из-за наводок с выхода на вход. Первое, что необходимо сделать, это установить на каждом ОУ по керамическому конденсатору порядка 0.1мкф от ножек питания к земле как можно более короткими проводами. Если это не поможет, то нужно будет искать путь паразитной обратной связи, экранировать части схемы, модифицировать повторитель для уменьшения усиления на ВЧ и т.д. В худшем случае, придется развести плату заново, учитывая правила трассировки ВЧ цепей.

_________________
Like the eyes of a cat in the black and blue...


Вернуться наверх
 
Эиком - электронные компоненты и радиодетали
Не в сети
 Заголовок сообщения: Re: ФНЧ и ФВЧ - самовозбуждение ОУ
СообщениеДобавлено: Вс ноя 05, 2023 12:18:16 
Электрический кот

Карма: 5
Рейтинг сообщений: 178
Зарегистрирован: Пн май 01, 2017 20:01:45
Сообщений: 1096
Рейтинг сообщения: 0
Для начала, на входе фильтра, последовательно с 33н, поставьте резистор. Пихать на вход ОУ всё ВЧ - отвратно. А лучше, поставьте полноценную RC с частотой среза килогерц 25-50.
Второе. ОУ плохо работают в схеме включения +1, имеется склонность к возбуждению. Посему, стараются избегать схемы +1, применяя -1.
Не знали? ... увы.
Для подавления неустойчивости можно применить доп. резистор (или конденсатор) между + и - входами ОУ, который снизит Ку. Как это отразится на характеристиках ... тут стоит прогнать через симулятор.
Менее эффективный, но и менее искажающий работу схемы вариант - поставить демпфер ВЧ на вЫходе ОУ: RC с выхода на землю, частота среза на 0.3-1 порядок выше рабочей частоты (т.е. 25-100кГц). Суть действа - выход ОУ имеет очень большое собственное выходное сопротивление и 'низким' оно остается только за счет обратной связи. Ставя демпфер на ВЧ из ОС ОУ отбирается общее петлевое усиление. Да и вообще, быстродействующие ОК на бесконечное сопротивление работают не шибко хорошо. Если лень считаать С в RC, можно поставить только R, номинал по максимальному сопротивлению нагрузки из DS.
Как говорится - кто не понял, я не виноват. )))


Вернуться наверх
 
Не в сети
 Заголовок сообщения: Re: ФНЧ и ФВЧ - самовозбуждение ОУ
СообщениеДобавлено: Вс ноя 05, 2023 12:18:54 
Друг Кота
Аватар пользователя

Карма: 139
Рейтинг сообщений: 2933
Зарегистрирован: Чт янв 10, 2008 22:01:02
Сообщений: 24764
Откуда: Московская область, Фрязино
Рейтинг сообщения: 0
Возбуждение при третьем порядке фильтра может быть и из-за разброса емкостей.
АЧХ ведь при самовозбуждении корректно не снимешь...
Можно в симуляторе подвигать емкости и посмотреть на АЧХ. Там самовозбуждение прекрасно видно.


Вернуться наверх
 
Не в сети
 Заголовок сообщения: Re: ФНЧ и ФВЧ - самовозбуждение ОУ
СообщениеДобавлено: Вс ноя 05, 2023 15:46:13 
Встал на лапы

Зарегистрирован: Пт май 20, 2022 22:19:02
Сообщений: 134
Откуда: Ижевск
Рейтинг сообщения: 0
Я понял, фнч работает потому что пачка конденсаторов имеется и толстые дорожки от них к ОУ с другой стороны платы, кроме этого 5300мкф в блоке питания, а ФВЧ не работает потому что я думал что 7 сантиметров провода до этих банок будет достаточно, а оказывается больше не значит лучше, надо меньше и ближе. (Ленивым электронам лень просто далеко бегать))

Добавил к питанию по пленочному 0.22мкф в каждое плечо и пульсации в 10 раз уменьшились, стали около 0.05В всего, их будет всё равно слышно хорошо, но теперь я знаю что надо плату переделывать с нормальными дорожками и предусмотреть место под кондёрчики, а то всратая паутина получается


Вернуться наверх
 
Не в сети
 Заголовок сообщения: Re: ФНЧ и ФВЧ - самовозбуждение ОУ
СообщениеДобавлено: Вс ноя 05, 2023 18:00:32 
Друг Кота
Аватар пользователя

Карма: 97
Рейтинг сообщений: 1588
Зарегистрирован: Чт янв 26, 2012 14:44:34
Сообщений: 3741
Рейтинг сообщения: 0
Медали: 1
Мявтор 3-й степени (1)
Ифторик писал(а):
Добавил к питанию по пленочному 0.22мкф в каждое плечо и пульсации в 10 раз уменьшились...
Сделайте, как я сказал, ("...установить на каждом ОУ по керамическому конденсатору порядка 0.1мкф от ножек питания к земле как можно более короткими проводами.") глядишь, и плату переделывать не надо будет. :)

_________________
Like the eyes of a cat in the black and blue...


Вернуться наверх
 
Не в сети
 Заголовок сообщения: Re: ФНЧ и ФВЧ - самовозбуждение ОУ
СообщениеДобавлено: Пн ноя 06, 2023 03:27:14 
Встал на лапы

Зарегистрирован: Пт май 20, 2022 22:19:02
Сообщений: 134
Откуда: Ижевск
Рейтинг сообщения: 0
Извините что меняю тему, просто пользуясь случаем хочу спросить.
Собрал колонки домашние, если вдруг кому интиресно то ссылка на сторонний ресурс под спойлером про них, надеюсь мне по шапке за нее не прилетит
Спойлер[url]
https://www.drive2.ru/b/634426731515609608/
[/url]

Надо было сразу подумать про тембрблок (только бассбуст), но сейчас это приходится делать отдельным модулем, за одно решил впихнуть блютуз не абы какой, а прям жир жирный qcc3031 с кодеком aptx, на лдак денег зажал к сожалению, может зря, дак вот он издает своеобразный тонкий писк, свойственный всем блютузам, очень слабенький, но учитывая его стоимость я думаю это лишнее, есть вообще возможность его убрать пока это всё на этапе сборки и коробочка для этого всратого г. только на компе?

Описание подробное:
Схема тембрблока из 70 годов, подъем или срез одной крутилкой низких частот от 30 до 150гц первого порядка на выходе ОУ LMH6643MA для подгонки уровня сигнала (мало ли для наушников еще сгодится), на плате крутилка бассбуст и уровень громкости, еще один линейный вход с пока нераспаяным ОУ для проводного включения в обход блюпупа, и 8 лампочек для проверки уровня заряда (я художник, я так вижу), блюпуп запитал от стаба 3.3В LD3985M33R, остальное от литиевых акб самых обычных, на выходе блюпупа с завода мелкий усилок pam8908, телефон с поддержкой всех кодеков, работает всё идеально как надо


Вложения:
Комментарий к файлу: Схема тембрблока
1699230367.jpg [79.37 KiB]
Скачиваний: 63
1699228428.jpg [204.93 KiB]
Скачиваний: 70
1699228434.jpg [173.16 KiB]
Скачиваний: 64
Вернуться наверх
 
Не в сети
 Заголовок сообщения: Re: ФНЧ и ФВЧ - самовозбуждение ОУ
СообщениеДобавлено: Вт ноя 07, 2023 17:43:47 
Встал на лапы

Зарегистрирован: Пт май 20, 2022 22:19:02
Сообщений: 134
Откуда: Ижевск
Рейтинг сообщения: 0
Я опять жопорукий, что то не правильно сделал, блютуз не виноват, свистит из-за регулятора громкости в среднем положении, были мысли
же что он к чертям там не нужен при имеющихся кнопках в модуле с блютузом, получается у меня опять не получилось с первого раза, че так сложно то всё


Вернуться наверх
 
Показать сообщения за:  Сортировать по:  Вернуться наверх
Начать новую тему Ответить на тему  [ Сообщений: 10 ] 

Часовой пояс: UTC + 3 часа


Кто сейчас на форуме

Сейчас этот форум просматривают: нет зарегистрированных пользователей и гости: 21


Вы не можете начинать темы
Вы не можете отвечать на сообщения
Вы не можете редактировать свои сообщения
Вы не можете удалять свои сообщения
Вы не можете добавлять вложения

Найти:
Перейти:  


Powered by phpBB © 2000, 2002, 2005, 2007 phpBB Group
Русская поддержка phpBB
Extended by Karma MOD © 2007—2012 m157y
Extended by Topic Tags MOD © 2012 m157y