Например TDA7294

Форум РадиоКот • Просмотр темы - Однотактный УНЧ с трансформаторным выходом.
Форум РадиоКот
Здесь можно немножко помяукать :)

Текущее время: Ср янв 28, 2026 04:22:49

Часовой пояс: UTC + 3 часа


ПРЯМО СЕЙЧАС:



Начать новую тему Ответить на тему  [ Сообщений: 45 ]  1, ,  
Автор Сообщение
Не в сети
 Заголовок сообщения: Однотактный УНЧ с трансформаторным выходом.
СообщениеДобавлено: Сб июн 29, 2013 07:17:13 
Потрогал лапой паяльник
Аватар пользователя

Зарегистрирован: Пн фев 13, 2012 22:36:47
Сообщений: 376
Рейтинг сообщения: 0
Двухтактный УНЧ, позволяющий подключить громкоговоритель без выходного трансформатора, не предназначен для работы на малых уровнях громкости. Основная задача такого УНЧ - выдать в нагрузку побольше мощности. Можно конечно увеличить ток покоя, подобрать транзисторы, etc.. чтобы устранить некоторые проблемы, присущие двухтакту при работе на малой мощности.. Но зачем мудрить с двухтактом? Небольшую мощность может обеспечить и однотактный усилитель, не имеюший недостатков двухтактной схемы. Но и здесь есть свои недостатки. Однотактный УНЧ в режиме А потребляет большой ток.
Вопрос: почему не стоит использовать выходной трансформатор?

Нашел вот интересную схему:
Интересно, для прослушивания чего годится такая схема?
http://www5.picturepush.com/photo/a/134 ... 431873.png
http://www3.picturepush.com/photo/a/134 ... 435796.gif


Вернуться наверх
 
Не в сети
 Заголовок сообщения: Re: Однотактный УНЧ с трансформаторным выходом.
СообщениеДобавлено: Сб июн 29, 2013 07:27:36 
Модератор
Аватар пользователя

Карма: 159
Рейтинг сообщений: 4079
Зарегистрирован: Пт янв 23, 2009 19:20:05
Сообщений: 45517
Рейтинг сообщения: 0
Медали: 1
Получил миской по аватаре (1)
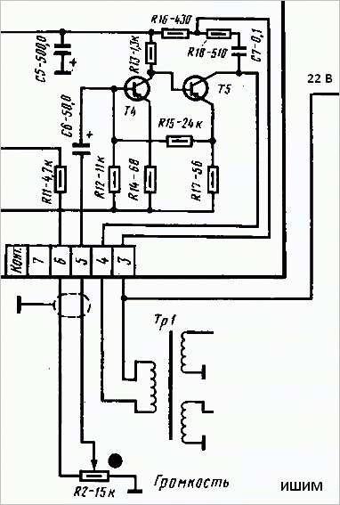
дельфин, а Вы эту "Серенаду" хоть раз слушали? :))) Про "качество звучания" при создании этого агрегата речь не шла... Если уж хочется "лампового звука" от транзисторов - поищите схему радиоприёмника "Ишим" (не путать с "Ишим-003"!!!), контрольный усилитель там имеет довольно хорошее звучание (хотя, говорить о "звучании" усилителя - немного некорректно... :))) ).


Вернуться наверх
 
Не в сети
 Заголовок сообщения: Re: Однотактный УНЧ с трансформаторным выходом.
СообщениеДобавлено: Сб июн 29, 2013 07:28:02 
Друг Кота
Аватар пользователя

Карма: 175
Рейтинг сообщений: 7680
Зарегистрирован: Чт апр 04, 2013 12:46:59
Сообщений: 17234
Откуда: Тюмень
Рейтинг сообщения: 1
Потому что выходной трансформатор это: а) искажения в железе, петлю Гистерезиса ещё никто не сумел отменить б) значительная масса и габариты, для воспроизведения нижнего диапазона требуется немальнькая индуктивность обмоток, а для снижения искажений - уменьшение индукции в магнитопроводе по сравнению с силовыми трансформаторами. Всё это складывается.
Но если очень хочется и данные трудности препятствием не являются - вполне можно, запрещать никто не будет :)

_________________
Общением на форуме подпитываю свою эгоистичную, склонную к самолюбованию сущность.


Вернуться наверх
 
Не в сети
 Заголовок сообщения: Re: Однотактный УНЧ с трансформаторным выходом.
СообщениеДобавлено: Сб июн 29, 2013 08:19:44 
Модератор
Аватар пользователя

Карма: 159
Рейтинг сообщений: 4079
Зарегистрирован: Пт янв 23, 2009 19:20:05
Сообщений: 45517
Рейтинг сообщения: 0
Медали: 1
Получил миской по аватаре (1)
В однотактном усилителе трансформатор работает с подмагничиванием, что несколько смягчает проблему искажений от гистерезиса... Масса трансформатора, при работе на тот же 2ГД-40, не так уж велика (сравнима, по крайней мере, с массой динамика...). А вот уровень искажений в самом усилителе - тут простора для самореализации больше... Если взглянуть на схему той же "СериНади" :))) , сразу видно, как делать нельзя... Транзистор - прибор, усиливающий ТОК, и его линейность гораздо выше, если выходное сопротивление предыдущего каскада много выше входного последующего, в "СранойНаде" же перед относительно линейным выходным каскадом зачем то поставили каскад с общим коллектором, чем многократно увеличили искажения... Ну, и обратная связь по току (резистор в цепи эмиттера) выходному каскаду бы не помешала... :dont_know:
Кстати, "германий" в таком усилителе работает лучше (даёт меньше искажений, чем "современные" кремниевые транзисторы), вероятно, потому, что сплавная технология не позволяла выдержать точную геометрию переходов, отчего зависимость тока коллектора от тока базы у германиевых транзисторов гораздо линейнее, чем у кремниевых... :dont_know:


Вернуться наверх
 
Эиком - электронные компоненты и радиодетали
Не в сети
 Заголовок сообщения: Re: Однотактный УНЧ с трансформаторным выходом.
СообщениеДобавлено: Сб июн 29, 2013 10:50:23 
Потрогал лапой паяльник
Аватар пользователя

Зарегистрирован: Пн фев 13, 2012 22:36:47
Сообщений: 376
Рейтинг сообщения: 0
As писал(а):
, а Вы эту "Серенаду" хоть раз слушали? :))) .
Не, не довелось.
As писал(а):
Про "качество звучания" при создании этого агрегата речь не шла...
Меня качество волнует меньше всего. Для меня комфортность звучания намного важнее качества.
Качество долго не послушаешь - утомляет, басами и свистами. И соседи не в восторге.. от качества ))
Мне нравится не громкое, комфортное звучание.
As писал(а):
хочется "лампового звука"
Кому ж не хочется? )) Только лампы - это габариты. Большие специальные АС. Вечные скандалы с ООС.. )). Лампы - это солидно, достойно, красиво и совершенно. Лампы - это искуство и мастерство. Мне же, для прослушивания *.mp3, нужно что-то не габаритное, не требующее к себе особого внимания, не потребляющее много электроэнергии.. простое и не дорогое. Что-то такое, чтобы не раздражало, не утомляло и не мешало заниматься работой.
As писал(а):
от транзисторов - поищите схему радиоприёмника "Ишим" (не путать с "Ишим-003"!!!), контрольный усилитель там имеет довольно хорошее звучание .
У меня есть и ИШИМ и ИШИМ-003.. И я, полностью с Вами согласен, - ИШИМ радует своим легким звучанием. Но он немного габаритный. А курочить его нет никакого желания..
As писал(а):
(хотя, говорить о "звучании" усилителя - немного некорректно... :))) )
В моем случае - очень даже корректно. Потому что мне нужно не качество (в общепринятом смысле), а именно хорошее звучание. На показания приборов я не молюсь.. ))
Slabovik писал(а):
Потому что выходной трансформатор это: а) искажения в железе, петлю Гистерезиса ещё никто не сумел отменить
Ага.. можно подумать ламповые УНЧ обходятся без трансформатора.. Хай-Энд - это сплошные искажения.. а микросхемы - это эталон качественного звука.. и конденсатор на выходе лучше трансформатора.. ))
Трансформаторы бывают разные.. и пока еще широко используются в высококачественной аппаратуре.
Slabovik писал(а):
б) значительная масса и габариты, для воспроизведения нижнего диапазона требуется немальнькая индуктивность обмоток, а для снижения искажений - уменьшение индукции в магнитопроводе по сравнению с силовыми трансформаторами. Всё это складывается.
А зачем мне нижний диаппазон для 2ГД-40?
Разве для комфортного звука нужен глубокий низ?
Slabovik писал(а):
Но если очень хочется и данные трудности препятствием не являются - вполне можно, запрещать никто не будет :)
Хочу узнать, какая музыка будет лучше звучать на таком аппарате?
As писал(а):
Масса трансформатора, при работе на тот же 2ГД-40, не так уж велика (сравнима, по крайней мере, с массой динамика...).
Масса - да. Но габариты т-ра намного меньше 2ГД-40.
As писал(а):
Если взглянуть на схему той же "СериНади" , сразу видно, как делать нельзя...
Покажите пожалуйста правильную схему.. Соберу по ней УНЧ и не стану заморачиваться с УНЧ "СериНади".
As писал(а):
Транзистор - прибор, усиливающий ТОК, и его линейность гораздо выше, если выходное сопротивление предыдущего каскада много выше входного последующего, в "СранойНаде" же перед относительно линейным выходным каскадом зачем то поставили каскад с общим коллектором, чем многократно увеличили искажения...
А как правильно сделать? Согласующий транс поставить?
As писал(а):
зависимость тока коллектора от тока базы у германиевых транзисторов гораздо линейнее, чем у кремниевых...
Спасибо! Не знал.


Вернуться наверх
 
Не в сети
 Заголовок сообщения: Re: Однотактный УНЧ с трансформаторным выходом.
СообщениеДобавлено: Сб июн 29, 2013 11:53:55 
Модератор
Аватар пользователя

Карма: 159
Рейтинг сообщений: 4079
Зарегистрирован: Пт янв 23, 2009 19:20:05
Сообщений: 45517
Рейтинг сообщения: 0
Медали: 1
Получил миской по аватаре (1)
Если желание непреодолимо, я бы, всё же, порекомендовал к повторению УНЧ от "Ишим", он проще и логичнее, ну, и все данные (в том числе - намоточные) легко найти... (что интересно, радиоприёмная часть "Ишима" потребляет около десятка миллиампер, а всю остальную мощность "кушает" его усилитель... :))) )


Вернуться наверх
 
Не в сети
 Заголовок сообщения: Re: Однотактный УНЧ с трансформаторным выходом.
СообщениеДобавлено: Сб июн 29, 2013 20:22:58 
Друг Кота
Аватар пользователя

Карма: 175
Рейтинг сообщений: 7680
Зарегистрирован: Чт апр 04, 2013 12:46:59
Сообщений: 17234
Откуда: Тюмень
Рейтинг сообщения: 1
дельфин, вы сами себе противоречите. Хотите качества, а имеете 2ГД40. Ссылаетесь на ламповики, где без трансформатора просто никак, а юзать хотите транзистор, который без него прекрасно обходится... И совершенно ошибаетесь, что в высококачественной аппаратуре используют трансформаторы - увы, везде, где можно, данная деталь выкинута (и это правильно). Я говорю именно о высосокачествнной технике, а не о технике поклонников культа Высокого Конца...

_________________
Общением на форуме подпитываю свою эгоистичную, склонную к самолюбованию сущность.


Вернуться наверх
 
Не в сети
 Заголовок сообщения: Re: Однотактный УНЧ с трансформаторным выходом.
СообщениеДобавлено: Сб июн 29, 2013 20:51:06 
Собутыльник Кота
Аватар пользователя

Карма: 21
Рейтинг сообщений: 41
Зарегистрирован: Пт июл 29, 2011 09:57:31
Сообщений: 2948
Откуда: Украина
Рейтинг сообщения: 0
дельфин писал(а):
Для меня комфортность звучания намного важнее качества.

Грех тогда не слепить простенький ламповый однотакт. Выбор ламп огромен... Трансы на выход ТВ-ЗШ, например... 2ГД40 мне не понравился. Очень "комфортно" и непринуждённо звучат 5ГДШ-4-4. Не надо обращать внимание на то, как они в телеках бубнели. С нормальным усилком и в ОЯ в форме куба 35х35см - вполне катит. Это, конечно, не 10ГД-36К, но для простого усилка - в самый раз.
Мне тоже не важны показания приборов, глубокие низы и т.д. А важно именно, чтоб звучало приятно.
Габариты небольшие будут... накал 6,3В 2А и анодное вольт 250 при 70-80мА. Разве это большой транс?

_________________
Изображение


Вернуться наверх
 
Не в сети
 Заголовок сообщения: Re: Однотактный УНЧ с трансформаторным выходом.
СообщениеДобавлено: Сб июн 29, 2013 20:59:48 
Потрогал лапой паяльник
Аватар пользователя

Зарегистрирован: Пн фев 13, 2012 22:36:47
Сообщений: 376
Рейтинг сообщения: 0
As писал(а):
я бы, всё же, порекомендовал к повторению УНЧ от "Ишим"
Спасибо!
Slabovik писал(а):
дельфин, вы сами себе противоречите. Хотите качества, а имеете 2ГД40.
Мне нужен комфорт.
2ГД40 - вполне приличный динамик. Есть что-то лучше?
В наличии имеются: 2ГД-3, 4ГД-4, 5ГД-14, 4А-32.
С 2ГД40 звук получается наиболее комфортный.
Slabovik писал(а):
Я говорю именно о высосокачествнной технике
Для высококачественной техники нужны высококачественные уши.. А мне слон на ухо наступил.. ))
А еще я слушаю моно.
Вот такие пироги..


Вернуться наверх
 
Не в сети
 Заголовок сообщения: Re: Однотактный УНЧ с трансформаторным выходом.
СообщениеДобавлено: Сб июн 29, 2013 21:08:36 
Друг Кота
Аватар пользователя

Карма: 175
Рейтинг сообщений: 7680
Зарегистрирован: Чт апр 04, 2013 12:46:59
Сообщений: 17234
Откуда: Тюмень
Рейтинг сообщения: 1
В таком случае у вас чисто утилитарная задача - потешиться неудобным (а потому и нетрадиционным) решением. Ещё раз повторю - запрещать никто не будет, хотите - делайте. Сделаете. Обмеряете. Обслушаете. И придёте к точно такому же выводу, как в народе говорят "нафига козе баян?"

_________________
Общением на форуме подпитываю свою эгоистичную, склонную к самолюбованию сущность.


Вернуться наверх
 
Не в сети
 Заголовок сообщения: Re: Однотактный УНЧ с трансформаторным выходом.
СообщениеДобавлено: Сб июн 29, 2013 21:54:20 
Потрогал лапой паяльник
Аватар пользователя

Зарегистрирован: Пн фев 13, 2012 22:36:47
Сообщений: 376
Рейтинг сообщения: 0
Slabovik писал(а):
"нафига козе баян?"
К современной МОДНОЙ аппаратуре это больше относится. Попробуйте слушать на ней баян.. ))
Философский Кот писал(а):
Грех тогда не слепить простенький ламповый однотакт.
Есть у меня ламповый однотакт. На 6Н2П и 6П14П. Красиво играет. Есть старые ламповые радиолы..
Но слушать лампу целый день - тяжело. Для фоновой музыки мне нужен УНЧ попроще, с более простым и безучастным звучанием. Германиевый транзистор вполне устраивает.
У меня почти вся музыка в *.mp3.. ))
Философский Кот писал(а):
ОЯ в форме куба 35х35см - вполне катит
У меня коробка 32х18 см (внутри), ОЯ, фанера 10 мм. Динамик расположен горизонтально. Нормально звучит..
Сделать 35х35 см? Будет лучше?
Философский Кот писал(а):
Это, конечно, не 10ГД-36К, но для простого усилка - в самый раз.
У меня был 10ГД-36К. Хорошо играл. Но я его не слушал. Лежал он у меня пока поролоновый подвес не испортился.. Ремонтировать не стал. Отдал в хорошие руки..
10ГД-36К - много будет.. Из за не плохого низа звук будет тяжеловат. Да и габариты.. 2ГД-40 полегче (звук), и размером поменьше.
Есть 15ГД-14.. но там резина и середина получается не важная. Не звучит. Не тот голос.
Философский Кот писал(а):
А важно именно, чтоб звучало приятно.
Вот и я этого добиваюсь. А приборы.. - у них ушей нет ))
Философский Кот писал(а):
накал 6,3В 2А и анодное вольт 250 при 70-80мА. Разве это большой транс?
Кенотрон питать не нужно?
Без кенотрона как-то неприлично, не соответствуюет правилам хорошего тона ))


Вернуться наверх
 
Не в сети
 Заголовок сообщения: Re: Однотактный УНЧ с трансформаторным выходом.
СообщениеДобавлено: Вс июн 30, 2013 01:16:05 
Друг Кота
Аватар пользователя

Карма: 40
Рейтинг сообщений: 114
Зарегистрирован: Пн янв 18, 2010 21:41:09
Сообщений: 3464
Откуда: Краснодарский край
Рейтинг сообщения: 1
дельфин писал(а):
Сделать 35х35 см? Будет лучше?
Лучше скачать EDGE и промоделировать бафл.

Изображение

дельфин писал(а):
Из за не плохого низа звук будет тяжеловат.
дельфин писал(а):
Вот и я этого добиваюсь. А приборы.. - у них ушей нет ))
Но это откровенная чушь.
Без моделирования и измерений нормального звука не добиться. Никак.
На 2ГД-40 можно слушать только вокалиста. Басиста сразу уволим, он только зря зарплату получает. 2ГД-40 низкие частоты не отработают как надо, к ним нужно добавить мидбасы. Только из вашего набора ничего не подойдет.

[quote="дельфин"]
Качество долго не послушаешь - утомляет, басами и свистами.[quote="дельфин"]Это от чего такое утомление?

---

Вам не усилитель нужен, а нормальная АС. Антиквариат (2ГД-3, 4ГД-4, 5ГД-14, 4А-32) можно сдать в музей.


Вернуться наверх
 
Не в сети
 Заголовок сообщения: Re: Однотактный УНЧ с трансформаторным выходом.
СообщениеДобавлено: Вс июн 30, 2013 06:28:47 
Друг Кота
Аватар пользователя

Карма: 175
Рейтинг сообщений: 7680
Зарегистрирован: Чт апр 04, 2013 12:46:59
Сообщений: 17234
Откуда: Тюмень
Рейтинг сообщения: 0
Честно говоря, меня очень радует весь этот набор:
дельфин писал(а):
Меня качество волнует меньше всего.
дельфин писал(а):
Разве для комфортного звука нужен глубокий низ?
дельфин писал(а):
Качество долго не послушаешь - утомляет, басами и свистами.
дельфин писал(а):
У меня почти вся музыка в *.mp3..
Я думаю, изначальный вопрос
дельфин писал(а):
почему не стоит использовать выходной трансформатор?
отпал сам собой, потому что ответы не совпали с ожидаемыми? :)
дельфин, у вас утомляемость вызвана как раз прослушиванием MP3 в первую очередь. Во вторую очередь, она вызвана тем, что я отквотил в первых двух ваших же цитатах. Когда наведёте порядок с этими вещами (т.е. придёте к пониманию, что и зачем, а самое главное - сколько этого надо), тогда и обретёте свободу, в т.ч. от утомления. 2ГД40 или новый усилитель на данном этапе, увы, не помогут...

_________________
Общением на форуме подпитываю свою эгоистичную, склонную к самолюбованию сущность.


Вернуться наверх
 
Не в сети
 Заголовок сообщения: Re: Однотактный УНЧ с трансформаторным выходом.
СообщениеДобавлено: Вс июн 30, 2013 10:56:05 
Потрогал лапой паяльник
Аватар пользователя

Зарегистрирован: Пн фев 13, 2012 22:36:47
Сообщений: 376
Рейтинг сообщения: -1
diman_d писал(а):
Лучше скачать EDGE и промоделировать бафл.
Скачал. Запустил. Потыкал в Apply.. - детский сад, ИМХО. Как программа может смоделировать звучание, которое нравится отдельно взятому человеку? ))
2ГД-40 мне нравится потому, что мне нравится его звучание. И по другим причинам, которые я уже называл. 2ГД-38, напр. уже не то.. 1ГД-36 - особенный динамик, очень интересный. Но звук у него не мой.
Напомню, что речь идет о звучании, относящемуся к фоновому прослушиванию музыки, а не о стандартах высококачественного Hi-Fi звуковоспроизведения.
А Вам звучание какого динамика (для фонового прослушиванию музыки) нравится?
diman_d писал(а):
Но это откровенная чушь.
Для Вас - чушь. Не спорю. Вы имеете право слушать то, что Вам нравится и на чем нравится. Но почему Вы считаете что мне должно нравится то, что нравится Вам, я не понимаю..
diman_d писал(а):
Без моделирования и измерений нормального звука не добиться.
Вы не правы. Звук нужно слушать, ушами, а не рассматривать графики и цифры и по ним судить о качестве звука. Так не получится. Пока Вы не начнете слушать - Вы никогда не найдете свой звук. ИМХО.
diman_d писал(а):
На 2ГД-40 можно слушать только вокалиста. Басиста сразу уволим
Если басист играет молча - естественно, я его не услышу )) А вот гитару слышно прекрасно, как и контрабас и тубу. Конечно, бас слышно не с такой "силой", как его воспроизводят "высококачественные" АС с ФИ и "правильными" графиками.. Стены не трясуться, окна не дребезжат, пол не гудит, соседи милицию не вызывают.. но, тем не менее - слышно.
diman_d писал(а):
2ГД-40 низкие частоты не отработают как надо, к ним нужно добавить мидбасы.
В каком оформлении? В рупоре? ))
diman_d писал(а):
Только из вашего набора ничего не подойдет.
А какой дин подойдет в качестве мида в дополнение к 2ГД-40?
diman_d писал(а):
Это от чего такое утомление?
От высокого качества воспроизведения низов и верхов, резиной и пластиком, соответственно ))
diman_d писал(а):
Вам не усилитель нужен, а нормальная АС. Антиквариат можно сдать в музей.
Мне нужен усилитель для 2ГД-40.
Посмотрите пожалуйста первый пост этой темы.
diman_d писал(а):
(2ГД-3, 4ГД-4, 5ГД-14, 4А-32) можно сдать в музей
Какие дины лучше?
Slabovik писал(а):
Когда наведёте порядок с этими вещами (т.е. придёте к пониманию, что и зачем, а самое главное - сколько этого надо), тогда и обретёте свободу, в т.ч. от утомления.
Ну и сколько чего надо? Изложите пожалуйста.


Вернуться наверх
 
Не в сети
 Заголовок сообщения: Re: Однотактный УНЧ с трансформаторным выходом.
СообщениеДобавлено: Вс июн 30, 2013 11:40:34 
Собутыльник Кота
Аватар пользователя

Карма: 21
Рейтинг сообщений: 41
Зарегистрирован: Пт июл 29, 2011 09:57:31
Сообщений: 2948
Откуда: Украина
Рейтинг сообщения: 0
дельфин писал(а):
Сделать 35х35 см? Будет лучше?

Ну, эти размеры я дал для 5ГДШ-1-4... Для настольной околокомпьютерной акустики. Вообще, говорят, что им лучше всего 50х50см. Но куда такие гробы :))
дельфин писал(а):
Без кенотрона как-то неприлично, не соответствуюет правилам хорошего тона ))

Всё прилично. Если очень хочется звука с "кенотронным почерком", можно смоделировать кенотрон однополупериодным выпрямителем и резистором, который равен внутреннему сопротивлению кенотрона :)) Но это, имхо, изврат.
дельфин писал(а):
Но слушать лампу целый день - тяжело

Вау... Такое в первый раз слышу :)))
Может быть тяжело из-за того, что там начинка неудачная? Например, БМТ в межкаскаде? И лампа в предваре далеко не самая удачная :?
Я так понял, хочется "мягкого и непринуждённого" звука? 5ГДШ в этом плане хороши. От них звук, как бы, заполняет комнату в отличии от тех же 2ГД40, который бубнят в одну точку.
Советую переделать свой лампач так и удивляться:
Изображение
Межкаскадный конденсатор типа К40У-9 или МБГЧ обеспечит "тот самый" звук.

_________________
Изображение


Вернуться наверх
 
Не в сети
 Заголовок сообщения: Re: Однотактный УНЧ с трансформаторным выходом.
СообщениеДобавлено: Вс июн 30, 2013 12:25:07 
Потрогал лапой паяльник
Аватар пользователя

Зарегистрирован: Пн фев 13, 2012 22:36:47
Сообщений: 376
Рейтинг сообщения: 0
Философский Кот писал(а):
Если очень хочется звука с "кенотронным почерком", можно смоделировать кенотрон однополупериодным выпрямителем и резистором
Прикольно! :)
Философский Кот писал(а):
БМТ в межкаскаде?
В 10-ку.. Они самые ))
Философский Кот писал(а):
И лампа в предваре далеко не самая удачная
Что плохого у 6Н2П?
Буду признателен за инфо.
Философский Кот писал(а):
хочется "мягкого и непринуждённого" звука? 5ГДШ в этом плане хороши
Нужно попробовать как они звучат с лампой. С транзисторами их звук мне не нравится - слишком жесткий. Возможно, благодаря сильной МС и легкому диффузору они четко отыгрывают все недостатки mp3, дешевого ЦАПа и кремния в УНЧ. А также благодаря противным нечетным транзисторным гармоникам.. Ух, жуть!!! ))
Германий, говорят, вообще, выше 3-5 кГц из синуса делает треугольник..
Всё! Хватит. Завязываю с транзисторами.. Наигрался.
Философский Кот писал(а):
Советую переделать свой лампач так и удивляться
Большое спасибо за схему! Очень интересная.
Включаю паяльник.
Философский Кот писал(а):
К40У-9 или МБГЧ обеспечит "тот самый" звук
Снова в 10-ку! Именно это мне и нужно.
Не знал, что К40У-9 назвают Бумаго-масляным Святым Граалем.. http://tubes-caps.ru/kondensatori/K40_PIO/
Еще раз огромное спасибо!
МБГЧ - они бывают МБГЧ-1 и МБГЧ-2.. http://www.eandc.ru/news/detail.php?ID=22158 Какой лучше?
И еще, простите.. Не подскажите как лучше организовать питание для этого усилителя?


Вернуться наверх
 
Не в сети
 Заголовок сообщения: Re: Однотактный УНЧ с трансформаторным выходом.
СообщениеДобавлено: Вс июн 30, 2013 12:47:00 
Собутыльник Кота
Аватар пользователя

Карма: 21
Рейтинг сообщений: 41
Зарегистрирован: Пт июл 29, 2011 09:57:31
Сообщений: 2948
Откуда: Украина
Рейтинг сообщения: 0
дельфин писал(а):
В 10-ку.. Они самые ))

Фу, фу!!! Эти БМТ немедленно надо выкинуть! :o У них зверские утечки, они негерметизированные, выводы прокручиваются, контакты, временем, теряются! Даже плохенькие МБМ в 10 раз лучше этих.
дельфин писал(а):
Что плохого у 6Н2П?

Эта лампа имеет очень низкий анодный ток (порядка 2мА), что делает затруднительным поддерживать её нормальный режим. Сеть чуть подскочила, а ВАХ уже нормально так в сторону уехать может. К тому же у неё слишком большой коэф. ус., как для ламп типа 6П14П и ей подобных. Тут с головой хватит 6Н3(23)П. Эти лампы обладают приблизительно в 5-7 раз большим анодным током, чем 6Н2П и, в случае чего, характеристики не так сильно уплывут.
дельфин писал(а):
МБГЧ - они бывают МБГЧ-1 и МБГЧ-2..

Если не ошибаюсь, цифра в индексе значит то, что корпус конденсатора изолирован от одной обкладки или нет. Принципиально, никакой разницы в других свойствах у них нет. Я пробовал ставить и К40У-9 и МБГЧ... Разницы не услышал. МБГО и К42-У2 - хуже. МБМ чуть хуже предыдущих. К73-14, 17 - лучше не ставить. Какое-то неприятное брыньчание появляется. К78-2 дают сильный подъём на ВЧ. Мне не понравилось.
дельфин писал(а):
И еще, простите.. Не подскажите как лучше организовать питание для этого усилителя?


Транс должен обеспечивать не менее 260В по переменке анодного при токе около 150мА. Накал 6,3В не менее 2А. После диодного моста ставим конденсатор 10-20мкФ, потом уже, как на схеме нарисовано: дроссель, потом - основная ёмкость.

_________________
Изображение


Вернуться наверх
 
Не в сети
 Заголовок сообщения: Re: Однотактный УНЧ с трансформаторным выходом.
СообщениеДобавлено: Вс июн 30, 2013 17:02:55 
Друг Кота
Аватар пользователя

Карма: 40
Рейтинг сообщений: 114
Зарегистрирован: Пн янв 18, 2010 21:41:09
Сообщений: 3464
Откуда: Краснодарский край
Рейтинг сообщения: 0
От топикстартера льется сплошной бред (рассуждения о EDGE, о измерениях, о акустике, о каких то непонятных транзисторных гармониках). Даже отвечать на вопросы не хочется. Дают дельные советы - упирается. А тогда СМЫСЛ этой темы в чем? Зачем нужно было вообще создавать эту тему? Если так хотите это собрать то собирайте. Молча.


Вернуться наверх
 
Не в сети
 Заголовок сообщения: Re: Однотактный УНЧ с трансформаторным выходом.
СообщениеДобавлено: Чт июл 04, 2013 09:58:42 
Потрогал лапой паяльник
Аватар пользователя

Зарегистрирован: Пн фев 13, 2012 22:36:47
Сообщений: 376
Рейтинг сообщения: 0
Философский Кот писал(а):
Эта лампа имеет очень низкий анодный ток (порядка 2мА)
Да, в самом деле низкий анодный ток.. Перепаял под 6Н23П. На выходе осталась 6П14П. Все остальное также привел в соответствие с Вашими рекомендациями.
Звучание намного улучшилось. Стало более прозрачным и приятным. Стали лучше различаться детали. Очень качественный звук!
Больше всего понравилась работа с 5ГД-14. С транзисторами я никогда ничего подобного не слышал.
Большое Вам спасибо за важные подсказки и рекомендации! Вы - профи!

Но.. все же УНЧ у меня получился немного габаритным. Буду продолжать опыты с транзисторами. Пусть даже и в ущерб качеству )).
Я понимаю, что лампового звука от них не получить. Но суть немного в другой плоскости, в "ином измерении" )).
diman_d писал(а):
От топикстартера льется сплошной бред
Даже отвечать на вопросы не хочется.
Не отвечайте.
diman_d писал(а):
А тогда СМЫСЛ этой темы в чем?
Смысла нет.. - уехал на лето в пионерский лагерь ))
diman_d писал(а):
Зачем нужно было вообще создавать эту тему?
Нужно было.. :)


Вернуться наверх
 
Не в сети
 Заголовок сообщения: Re: Однотактный УНЧ с трансформаторным выходом.
СообщениеДобавлено: Пн авг 05, 2024 06:49:36 
Прорезались зубы

Зарегистрирован: Пт дек 18, 2009 23:17:35
Сообщений: 219
Откуда: Санкт-Петербург
Рейтинг сообщения: 0
Прошло 10 лет...
Тема, конечно, заглохла традиционно- "это тебе не надо, тебе надо это!".
Окей, подыму чутка. Начну с вопроса "зачем, а главное на кой?"

Заказал тут интересных динамиков, широкополосных. Производитель рекомендует "раскачивать ламповым усилителем", и очень уж вкусную АЧХ приводит. И вот я чего подумал... Импеданс там к концу диаппазона растет УХХ! Нормальная ситуация, индуктивность катушек никто не отменял. А усилки-то все линейные. Им этот импеданс без разницы. Как следствие- отдача на ВЧ падает, бо ток через катушку тоже падает. Усилок-то линеен, во всем диапазоне усиливает одинаково...
А вот ламповый- нет. У него чем больше нагрузка в анодной цепи- тем выше Ку. В некоторых пределах... И приведенный через выходной трансформатор нелинейный импеданс головки немного "подстраивает" этот самый Ку. "Теплый ламповый звук" получается...
Потыкайте мордой если не прав.

И я подумал исчо... А можно ли сварганить транзисторный усилок, который бы "учитывал" импеданс нагрузки и автоматически подстраивал под него коэффициент усиления?
Чисто теоретически, если вместо лампы в "классе А" тупо впендюрить транзюк- ничего ж принципиально не изменится. Щас речь не про "гармоники", и не про остальное, а только про корректную работу с нелинейной нагрузкой, больше меня пока ничего не интересует. То есть взять ТВЗ-1-9 какой-нибудь даже без перемотки- и в коллектор его!

Никто не пробовал? ;)

Про "ИТУН" знаю, я не один такой "умный". Пробовал. "Чистый" ИТУН, где нагрузка в цепи обратной связи, у меня не получился. Длинные провода до акустики- адовы наводки, которые не поборолись. :( "Псевдоитуны" типа "концептуального усилителя на тда2050" моделировал в микрокапе. Только к резистору "нагрузки" еще катушечку добавил- реально намеряную индуктивность динамика. И вот выяснилось, что этот "квази-итун" вполне ожидаемо задирает ВЧ, только вот величина подъема сильно зависит от величины резистора "на землю" (который в "концептуальной" схеме 0.2 ома). Ну... я так и без всяких "итунов" могу сделать. В общем- не особо вариант.

А вот "транзистор в классе А вместо лампы" мог бы быть интересным- чисто для макетирования "ламповой" акустики...


Вернуться наверх
 
Показать сообщения за:  Сортировать по:  Вернуться наверх
Начать новую тему Ответить на тему  [ Сообщений: 45 ]  1, ,  

Часовой пояс: UTC + 3 часа


Кто сейчас на форуме

Сейчас этот форум просматривают: нет зарегистрированных пользователей и гости: 23


Вы не можете начинать темы
Вы не можете отвечать на сообщения
Вы не можете редактировать свои сообщения
Вы не можете удалять свои сообщения
Вы не можете добавлять вложения

Найти:
Перейти:  


Powered by phpBB © 2000, 2002, 2005, 2007 phpBB Group
Русская поддержка phpBB
Extended by Karma MOD © 2007—2012 m157y
Extended by Topic Tags MOD © 2012 m157y