Например TDA7294

Форум РадиоКот • Просмотр темы - Радиотехника у-101 блок защиты
Форум РадиоКот
Здесь можно немножко помяукать :)

Текущее время: Вт мар 31, 2026 10:53:46

Часовой пояс: UTC + 3 часа


ПРЯМО СЕЙЧАС:



Начать новую тему Ответить на тему  [ Сообщений: 36 ]  1,  
Автор Сообщение
 Заголовок сообщения: Радиотехника у-101 блок защиты
СообщениеДобавлено: Вс мар 01, 2026 17:35:12 
Открыл глаза

Зарегистрирован: Пт дек 30, 2016 20:07:13
Сообщений: 44
Рейтинг сообщения: 0
Есть усилитель Radiotehnika У-101 в адекватном состоянии.

Работает, звук усиливает.

Но есть нопонятный момент с блоком защиты - реше щелкает два раза при включении.
Первый счелчек происходит через 2 секунды после включения, и звук не появляется, второй счелчек происходит еще через 2 секунды и звук наконецтаки появляется.
Еще при выключени усилителя происходит хлопок в колонках, потом счелкает реле, чего не должно быть.

Конденсаторы в блоке новые.
Транзистор КТ815 менял на новый.
Кнопка включения замыкает базу на массу.

Замыкание на массу (проводом) базы транзистора отключает реле, отключение этой временной массы приводит снова к таким же двум щелчкам, как и при ключении.

Куда копать, куда смотреть?


Вернуться наверх
 
 Заголовок сообщения: Re: Радиотехника у-101 блок защиты
СообщениеДобавлено: Вс мар 01, 2026 17:49:19 
Родился

Зарегистрирован: Вт янв 23, 2007 00:31:46
Сообщений: 11
Рейтинг сообщения: 0
Там же несколько вариантов схемы защиты было? О каком речь? Вы бы схему прикрепили, что ли... :)


Вернуться наверх
 
 Заголовок сообщения: Re: Радиотехника у-101 блок защиты
СообщениеДобавлено: Вс мар 01, 2026 18:37:08 
Открыл глаза

Зарегистрирован: Пт дек 30, 2016 20:07:13
Сообщений: 44
Рейтинг сообщения: 0
Про варианты схем для У-101 не слышал
Предполагаю что у меня обычная схема
Изображение


Вернуться наверх
 
 Заголовок сообщения: Re: Радиотехника у-101 блок защиты
СообщениеДобавлено: Вс мар 01, 2026 18:47:34 
Друг Кота
Аватар пользователя

Карма: 107
Рейтинг сообщений: 3343
Зарегистрирован: Сб фев 11, 2017 15:59:13
Сообщений: 15035
Откуда: 57 RUS
Рейтинг сообщения: 0
Куда копать, куда смотреть?

Измерье постоянное напряжение на выходах УНЧ, может уплыл 0V.

_________________
НАРОДОВЛАСТИЕ а не кланово-олигархическая дерьмократия!!!
Цифровому рабству, навязываемому цифровым олигархатом - НЕТ!


Вернуться наверх
 
Эиком - электронные компоненты и радиодетали
 Заголовок сообщения: Re: Радиотехника у-101 блок защиты
СообщениеДобавлено: Вс мар 01, 2026 18:56:16 
Открыл глаза

Зарегистрирован: Пт дек 30, 2016 20:07:13
Сообщений: 44
Рейтинг сообщения: 0
Там практически 0
Откючал звук от модуля защиты, ничего не меняется.


Вернуться наверх
 
 Заголовок сообщения: Re: Радиотехника у-101 блок защиты
СообщениеДобавлено: Вс мар 01, 2026 19:05:56 
Друг Кота
Аватар пользователя

Карма: 107
Рейтинг сообщений: 3343
Зарегистрирован: Сб фев 11, 2017 15:59:13
Сообщений: 15035
Откуда: 57 RUS
Рейтинг сообщения: 0
Ну а напряжения на плате защиты совпадают с картой напряжений на схеме. С ваших слов реле при включении девайса при подачи питания кратковременно включается и отключается, затем выходит в рабочий режим. Сетевая кнопка не искрит, контакты не закисли, станте мультиметром в режиме измерения сопротивления на сетевую вилку и понажимайте сетевую кнопку много раз, сопротивление обмоток трансформатора показывает всегда одно и тоже, либо сопротивление плавает?
Электролиты в времязадающих цепочках стоят годные, соответствуют номиналам, полярность не попутана?
VT1 включенный в режиме стабилитрона как там поживает?

_________________
НАРОДОВЛАСТИЕ а не кланово-олигархическая дерьмократия!!!
Цифровому рабству, навязываемому цифровым олигархатом - НЕТ!


Вернуться наверх
 
 Заголовок сообщения: Re: Радиотехника у-101 блок защиты
СообщениеДобавлено: Вс мар 01, 2026 19:18:55 
Модератор
Аватар пользователя

Карма: 159
Рейтинг сообщений: 4081
Зарегистрирован: Пт янв 23, 2009 19:20:05
Сообщений: 45893
Рейтинг сообщения: 0
Медали: 1
Получил миской по аватаре (1)
Это, как раз, старая версия защиты... :) Возможно, для этой версии такое поведение - в пределах нормы: ток через обмотку реле нарастает медленно, возможно, сначала якорь реле "выбирает слабину" (зазор между якорем и подвижными контактами...) и только по достижению тока срабатывания реле окончательно срабатывает и подключает нагрузку...


Вернуться наверх
 
 Заголовок сообщения: Re: Радиотехника у-101 блок защиты
СообщениеДобавлено: Вс мар 01, 2026 21:13:53 
Сверлит текстолит когтями

Карма: 2
Рейтинг сообщений: 127
Зарегистрирован: Пт ноя 22, 2024 14:08:43
Сообщений: 1131
Рейтинг сообщения: 0
написал в личку (Новых ЛС)


Вернуться наверх
 
 Заголовок сообщения: Re: Радиотехника у-101 блок защиты
СообщениеДобавлено: Вс мар 01, 2026 22:31:16 
Открыл глаза

Зарегистрирован: Пт дек 30, 2016 20:07:13
Сообщений: 44
Рейтинг сообщения: 0
Возможно, для этой версии такое поведение - в пределах нормы

Допустим что это норма.
Но как быть с отключением?
При выключении усилителя раздается громких щелчок в колонках от переходных процессов, такого явно не должно быть.
Я всё-таки склоняюсь к тому что это какая то неисправность.

По электролитам все четко. До их замены (а стояли заводские) все было так же.
При первом щелчке не происходит размыкания замкнутых по умолчанию контактов реле.
Во всяком случае стоя мультиметром в режиме прозвонки он пищит четко до второго щелчка.
Напряжения померяю, отпишусь.

Добавлено after 51 minute 28 seconds:
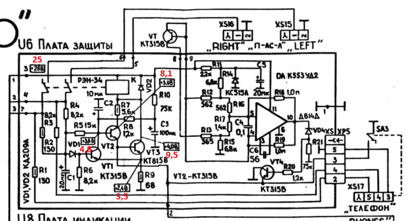
Ну а напряжения на плате защиты совпадают с картой напряжений на схеме.


Измерил напряжения на контрольных точках, схему прилагаю
Изображение

Конденсаторы не перепутаны, правильных номиналов, как я писал ранее, на старых, заводских конденсаторах было тоже самое поведение.
Проверил сопротивление на сетевой вилке, при включении сопротивление всегда в пределах 23-24 ома.
При включении ничего не искрит в кнопке или вилке.
Измерил постоянку на выходе усилителя, 80 и 90 миливольт.
Про VT1 не понял, как его проверить не выпаивая?


Вернуться наверх
 
 Заголовок сообщения: Re: Радиотехника у-101 блок защиты
СообщениеДобавлено: Пн мар 02, 2026 06:39:25 
Модератор
Аватар пользователя

Карма: 159
Рейтинг сообщений: 4081
Зарегистрирован: Пт янв 23, 2009 19:20:05
Сообщений: 45893
Рейтинг сообщения: 0
Медали: 1
Получил миской по аватаре (1)
Если щелчок при выключении происходит именно в момент отпускания реле, можно предположить, что защита выключает реле именно от появления постоянного напряжения на выходе, оно может возникать, например, при неодновременном снижении напряжения на плечах выпрямителя (+26 снижается быстрее, чем -26...). В принципе, для этой версии такой перекос - норма, в более поздних схему изменили и защита питается с выпрямителя -31... Бороться можно минимум парой способов: на схеме нарисован провод, выключающий реле защиты принудительно отдельной контактной группой выключателя сети питания - обычно завод этот провод вообще не монтировал. И второй способ: собрать для питания блока защиты отдельный выпрямитель, там и нужно-то два диода и конденсатор, только конденсатор нужно взять достаточно малой емкости, чтоб он успевал разрядиться до того, как основные напряжения питания снизились до возникновения постоянного напряжения на выходе модулей УНЧ-50-8, но не слишком малой - чтоб не "зуммерило" реле защиты...
...А вот если громкий щелчок возникает сразу при выключении усилителя, без задержки, при этом усилитель таким же грохотом реагирует на помехи в сети (например, от включившегося холодильника...), похрустывают при вращении регуляторы громкости или тембра - тогда нужно заглянуть на плату предварительного усилителя и поменять все конденсаторы коррекции ОУ на номинал 27-30 пикофарад. Из каких соображений завод ставил втрое меньшую ёмкость - мне решительно непонятно, возбуждаются практически все экземпляры, что мне попадались... :))


Вернуться наверх
 
 Заголовок сообщения: Re: Радиотехника у-101 блок защиты
СообщениеДобавлено: Пн мар 02, 2026 11:26:27 
Открыл глаза

Зарегистрирован: Пт дек 30, 2016 20:07:13
Сообщений: 44
Рейтинг сообщения: 0
Отключил VT1 и VT4, заменил VT2, ничего не изменилось, все такой же двойной щелчек

Нашел плохой контакт в кнопке выключения.
Пролил выключатель контакт-клинером и кнопка заработала как новая.
Теперь при выключении реле отщелкивается моментально, хлопки переходныз процессов выключения отсутствуют, по выключению усилителя вопросов больше нет.

Осталось либо смириться с двойным щелчком, либо как то это исправить.
Вот думаю, если это может быть заводским нюансом, то может стоит подумать над уменьшением конденсатора С3 со 100 до скажем 50 мкф ?


Вернуться наверх
 
 Заголовок сообщения: Re: Радиотехника у-101 блок защиты
СообщениеДобавлено: Пн мар 02, 2026 11:35:29 
Сверлит текстолит когтями

Карма: 2
Рейтинг сообщений: 127
Зарегистрирован: Пт ноя 22, 2024 14:08:43
Сообщений: 1131
Рейтинг сообщения: 0
zloikakpes писал(а):
Теперь при выключении реле отщелкивается моментально

всё равно НЗ выключателя замыкается после размыкания цепи первичной обмотки (когда есть искра)....
-----
у меня (хоть ты на советы положил) даже при вытаскивании вилки из сети щелчка нет (в этом случае реле вообще отпускает с задержкой)


Вернуться наверх
 
 Заголовок сообщения: Re: Радиотехника у-101 блок защиты
СообщениеДобавлено: Пн мар 02, 2026 12:33:17 
Открыл глаза

Зарегистрирован: Пт дек 30, 2016 20:07:13
Сообщений: 44
Рейтинг сообщения: 0
Ничего и никуда я не ложил.
Вы путаете щелчек в колонках с щелчком реле, у меня реле 2 раза щелкает, а не колонки.


Вернуться наверх
 
 Заголовок сообщения: Re: Радиотехника у-101 блок защиты
СообщениеДобавлено: Пн мар 02, 2026 13:09:15 
Сверлит текстолит когтями

Карма: 2
Рейтинг сообщений: 127
Зарегистрирован: Пт ноя 22, 2024 14:08:43
Сообщений: 1131
Рейтинг сообщения: 0
zloikakpes писал(а):
Еще при выключени усилителя происходит хлопок в колонках

...а про "реле 2 раза" я в курсе


Вернуться наверх
 
 Заголовок сообщения: Re: Радиотехника у-101 блок защиты
СообщениеДобавлено: Пн мар 02, 2026 16:33:11 
Модератор
Аватар пользователя

Карма: 159
Рейтинг сообщений: 4081
Зарегистрирован: Пт янв 23, 2009 19:20:05
Сообщений: 45893
Рейтинг сообщения: 0
Медали: 1
Получил миской по аватаре (1)
...у меня реле 2 раза щелкает, а не колонки.
...Предлагаю посмотреть процесс нарастания тока через катушку реле - осциллографом или, хотя бы, стрелочным прибором, сразу будет видно, имеется ли монотонное увеличение тока (и тогда двойной щелчок - просто признак некоторой степени износа реле...) или имеется какой-то колебательный процесс - и тогда нужно думать о проблемах с электронной частью схемы... :dont_know:


Вернуться наверх
 
 Заголовок сообщения: Re: Радиотехника у-101 блок защиты
СообщениеДобавлено: Пн мар 02, 2026 16:57:58 
Сверлит текстолит когтями

Карма: 2
Рейтинг сообщений: 127
Зарегистрирован: Пт ноя 22, 2024 14:08:43
Сообщений: 1131
Рейтинг сообщения: 0
As писал(а):
о проблемах с электронной частью схемы

оно так и работает....))))....особо ни на что не влияет, но чисто "интересно", что так в схеме быть не должно...)))


Вернуться наверх
 
 Заголовок сообщения: Re: Радиотехника у-101 блок защиты
СообщениеДобавлено: Пн мар 02, 2026 17:13:37 
Открыл глаза

Зарегистрирован: Пт дек 30, 2016 20:07:13
Сообщений: 44
Рейтинг сообщения: 0
Предлагаю посмотреть процесс нарастания тока через катушку реле - осциллографом

Смотрел, ооочень плавно нарастает напряжение, примерно на половине происходит первый щелчок, почти на пике происходит второй щелчок.
Оба щелчка сопровождаются кратковременным пиком напряжения вниз.


Вернуться наверх
 
 Заголовок сообщения: Re: Радиотехника у-101 блок защиты
СообщениеДобавлено: Пн мар 02, 2026 17:43:28 
Сверлит текстолит когтями

Карма: 2
Рейтинг сообщений: 127
Зарегистрирован: Пт ноя 22, 2024 14:08:43
Сообщений: 1131
Рейтинг сообщения: 0
не, два дня писать....вместо впаять предложенный стабилитрон (думаю и напряжение его некритично)...))))


Вернуться наверх
 
 Заголовок сообщения: Re: Радиотехника у-101 блок защиты
СообщениеДобавлено: Пн мар 02, 2026 18:26:53 
Открыл глаза

Зарегистрирован: Пт дек 30, 2016 20:07:13
Сообщений: 44
Рейтинг сообщения: 0
О каком стабилитроне идет речь?


Вернуться наверх
 
 Заголовок сообщения: Re: Радиотехника у-101 блок защиты
СообщениеДобавлено: Пн мар 02, 2026 19:02:32 
Сверлит текстолит когтями

Карма: 2
Рейтинг сообщений: 127
Зарегистрирован: Пт ноя 22, 2024 14:08:43
Сообщений: 1131
Рейтинг сообщения: 0
не можешь в личке посмотреть ???????? или ты уже всё забыл, что было вчера ?....)))))))


Вернуться наверх
 
Показать сообщения за:  Сортировать по:  Вернуться наверх
Начать новую тему Ответить на тему  [ Сообщений: 36 ]  1,  

Часовой пояс: UTC + 3 часа


Вы не можете начинать темы
Вы не можете отвечать на сообщения
Вы не можете редактировать свои сообщения
Вы не можете удалять свои сообщения
Вы не можете добавлять вложения

Найти:
Перейти:  


Powered by phpBB © 2000, 2002, 2005, 2007 phpBB Group
Русская поддержка phpBB
Extended by Karma MOD © 2007—2012 m157y
Extended by Topic Tags MOD © 2012 m157y