Например TDA7294

Форум РадиоКот • Просмотр темы - Зажигание без трамблера, распределителя
Форум РадиоКот
Здесь можно немножко помяукать :)

Текущее время: Пн янв 19, 2026 14:41:01

Часовой пояс: UTC + 3 часа


ПРЯМО СЕЙЧАС:



Начать новую тему Ответить на тему  [ Сообщений: 29 ]  1,  
Автор Сообщение
Не в сети
 Заголовок сообщения: Зажигание без трамблера, распределителя
СообщениеДобавлено: Вс дек 01, 2013 00:32:34 
Родился

Зарегистрирован: Сб ноя 30, 2013 23:51:14
Сообщений: 19
Рейтинг сообщения: 0
Добрый день. Возникла у меня идея избавится от крышки распределителя зажигания. Машина Honda Accord CG 2000 года, мотор F18B2.
В интернете, из всего что было нашел одну подходящую схему на микросхеме CD4047, но меня не совсем устраивает ее исполнение, не хочу использовать родной коммутатор.
Вложение:
Комментарий к файлу: CD4047
4-94.png [55.75 KiB]
Скачиваний: 2290

Собственно вопрос, можно ли заставить работать ее иначе, как на моей "блок схеме" или используя другую микросхему.
Вложение:
Комментарий к файлу: блок схема
ign1.png [16.08 KiB]
Скачиваний: 1887

Текст описания работы приложенной схемы:
Цитата:
L497 это контроллер зажигания стоящий в стандартном коммутаторе, нижний холл штатный, верхний холл я взял со встроенным магнитом, прикрутил его к крышке трамблёра примерно посередине между выводами и на бегунок напаял проволочку, получился датчик фаз, кому это делать лень, могут прикрутить стандартный от инжектора.
На КТ6116 сделан инвертор сигнала с датчика, можно заменить любым маломощным P-N-P структуры. Транзисторы IRFZ44 спаралеленные ключи, можно заменить на любые другие полевики с изолированным затвором и низким сопротивлением канала, чтобы не вешать на радиатор. BU941 мощный составной транзистор со встроенной защитой по напряжению, работающий на катушку зажигания, можно заменить отечественным КТ898 (обязательно обеспечить хороший отвод тепла). Микросхема CD4047 включена в этой схеме как триггер со сбросом, можно заменить нашей 561ой серией например к561тм2 в соответствующем включении.
Схема работает так: сигнал с штатного датчика холла приходит на пятую ногу микросхемы L497, там обрабатывается и с четырнадцатой ноги идёт на параллельные ключи IRFZ44, один из них открыт микросхемой CD4047b и дальше на базу коммутирующего транзистора. На ногу 3 микросхемы CD4047 приходит сигнал с того же датчика и она переключает транзисторы с каждой искрой. Второй холл нужен для того, чтобы при заводке двигателя искра попала в нужный цилиндр, сигнал с него сбрасывает триггер в исходное состояние, дальше только подтверждает выбор цилиндров (поедет и без него, только заводиться будет через раз).


Вернуться наверх
 
Не в сети
 Заголовок сообщения: Re: Зажигание без трамблера, распределителя
СообщениеДобавлено: Вс дек 01, 2013 22:41:11 
Нашел транзистор. Понюхал.

Зарегистрирован: Вт дек 27, 2011 01:13:21
Сообщений: 191
Рейтинг сообщения: 0
Да, можно. Но нужно дополнительно еще 1 корпус ИС Поставьте в цепь 10 CD4047 логическую микросхему 2И-НЕ(тригер шмита) и далее НЕ тогда она будет сумировать сигнал с датчика холла и с выхода CD4047 ну и далее с выхода элемента НЕ через резистор на вход верхнего драйвера. Аналогично сделайте и для вывода 11 CD4047. На элементы 2И-НЕ сигнал подавайте с задержкой не меньшей чем удвоенное время переключения CD4047 а иначе могут появиться ложные включения драйвера. Для задержки хватит обычной RC цепочки. Если время задержки окажется больше 1мкс то это внесет некоторую погрешность в установку угла опережения зажигания. Тригер К561ТМ2 не используйте. В свое время в ней оказался внутренний дефект связанный с разработкой. Микросхема прошла все испытания но при некоторых стечениях обстоятельств может работать неправильно. И по моему для бытовой аппаратуры никто так ничего и не изменил. Да и старая она уже. Если нужно используйте аналог из CD или 74 серии


Вернуться наверх
 
Не в сети
 Заголовок сообщения: Re: Зажигание без трамблера, распределителя
СообщениеДобавлено: Вс дек 01, 2013 23:43:48 
Встал на лапы
Аватар пользователя

Зарегистрирован: Ср фев 03, 2010 22:12:55
Сообщений: 105
Рейтинг сообщения: 0
два восьмерошных коммутатора и две оковских катушки, если конешно имеется центробежный и ваккумный регулятор опережения зажигания.
Если просто два ДХ на шкиву и хочется попаять, то это к Владимиру Шкильменскому.


Вернуться наверх
 
Не в сети
 Заголовок сообщения: Re: Зажигание без трамблера, распределителя
СообщениеДобавлено: Вт дек 03, 2013 02:27:25 
Родился

Зарегистрирован: Сб ноя 30, 2013 23:51:14
Сообщений: 19
Рейтинг сообщения: 0
Спасибо за ответы!

Котов писал(а):
два восьмерошных коммутатора и две оковских катушки, если конешно имеется центробежный и ваккумный регулятор опережения зажигания.
Если просто два ДХ на шкиву и хочется попаять, то это к Владимиру Шкильменскому.

На машине стоит бортовой компьютер который собирает всю информацию с датчиков и выдает 4-5 мс импульсы на силовой ключ катушки зажигания в распределителе. Так же в распределителе стоит датчик положения распредвала, который дает одиночный импульс между искрообразованием, поэтому требуется только поделить импульсы с БК на две катушки зажигания.


O_l_e_g писал(а):
Да, можно...

Хочу один корпус и два драйвера =). По вашему предложению у меня у самого была похожая идея, только вместо и-не поставить 555 таймеры и выставить на них 5мс сигналы. но так получается уже 5 микросхем, как то не рационально для простоты затеи =)


Вернуться наверх
 
Эиком - электронные компоненты и радиодетали
Не в сети
 Заголовок сообщения: Re: Зажигание без трамблера, распределителя
СообщениеДобавлено: Чт дек 05, 2013 00:30:08 
Нашел транзистор. Понюхал.

Зарегистрирован: Вт дек 27, 2011 01:13:21
Сообщений: 191
Рейтинг сообщения: 0
primus86
Момент закрывания силового ключа соответствует моменту начала образования искры. Длительность открытого состояния ключа определяет время накачки катушки зажигания. Если время будет меньше необходимого то упадет энергия искры и ухудшиться воспламенение. Если время накачки будет больше необходимого должно быть обеспечено ограничение роста тока в катушке. При запуске двигателя напряжение на АКБ может проседать до 8В и я не удивлюсь если это учитывается путем увеличения времени накачки.
555 таймеру очень трудно будет обеспечить точный момент закрывания силового ключа. вероятнее всего при использовании 555 таймера угол опережения зажигания будет плавать в пределах 3..5 градусов и это без учета ухода временных параметров связанных с температурой. Как вариант можно использовать ПЛИС одну штуку кварц и 2 драйвера зажигания например VB027.
Если использовать "логику" все зависит от количества функций
1. Задание интервала 5мс
2.счетный вход по модулю 2
3. коммутатор
три функции -- три корпуса. Если только не подобрать какой нибудь дешифратор со счетным входом тогда 2 корпуса. Если использовать 2 таймера то надобность в комутаторе отпадает.


Вернуться наверх
 
Не в сети
 Заголовок сообщения: Re: Зажигание без трамблера, распределителя
СообщениеДобавлено: Чт дек 05, 2013 05:30:00 
Родился

Зарегистрирован: Сб ноя 30, 2013 23:51:14
Сообщений: 19
Рейтинг сообщения: 0
O_l_e_g писал(а):
primus86
Момент закрывания силового ключа...


Считаю важные замечания по поводу увеличения длительности импульса накачки при запуске двигателя и плавание угла от нестабильности 555 таймера, спасибо. Где-то я считал, при оборотах двигателя около 6000 в минуту, изменение угла колен вала на 1 градус происходит за ~0.3 миллисекунды, если нестабильность таймера выходит за эти пределы то использовать его действительно нельзя.

Я тут уже было взялся изучать микроконтроллеры, но заметил один простой выход из ситуации. Некоторые драйверы имеют логическую функцию "И" на входной сигнал. Например UCC37321 на третьей лапе имеет вход Enable. Тут вот вырезка из datasheet'а:

Вложение:
UCC enable.png [61.75 KiB]
Скачиваний: 972


Как я понимаю достаточно кинуть сигнал от БК на третьи лапы драйверов и все получится как мне хотелось, всего с тремя корпусами.

Вложение:
UCC egnition.png [17.24 KiB]
Скачиваний: 1428


Пойду копить деньги на UCC... :)))


Вернуться наверх
 
Не в сети
 Заголовок сообщения: Re: Зажигание без трамблера, распределителя
СообщениеДобавлено: Чт дек 05, 2013 08:32:12 
Родился

Зарегистрирован: Сб ноя 30, 2013 23:51:14
Сообщений: 19
Рейтинг сообщения: 0
Покопался в интернет, нашел интересный сдвоенный драйвер, как раз с нужной функцией "Enable" для каждого канала - IXDD404SIA
http://www.chipdip.ru/product/ixdd404sia/
температурный режим от -55 до +125
напряжение питания от 4.5 до 35 вольт
4 ампера пиковая нагрузка

и того два корпуса :)))


Вернуться наверх
 
Не в сети
 Заголовок сообщения: Re: Зажигание без трамблера, распределителя
СообщениеДобавлено: Чт дек 05, 2013 15:08:08 
Открыл глаза
Аватар пользователя

Зарегистрирован: Вс май 01, 2011 17:41:33
Сообщений: 67
Откуда: Киев Боярка
Рейтинг сообщения: 0
Два ВАЗовских коммутатора и две катушки от Окурка.Паралельно.
И фффсё!


Вернуться наверх
 
Не в сети
 Заголовок сообщения: Re: Зажигание без трамблера, распределителя
СообщениеДобавлено: Чт дек 05, 2013 16:20:15 
Родился

Зарегистрирован: Чт ноя 07, 2013 20:05:21
Сообщений: 11
Рейтинг сообщения: 0
я избавился от бегунка и крышки трамблера на классике
для этого необходимо
-два комутатора
-две катушки двух выводные
-датчик Хола (дополнительный)
-спаять схему на трех микросхемах
-сделать новую крышку трамблера для установки доп дат Хола
-доработать бегунок (можно испорченный)
-изготовить шторку (крепиться на бегунок)

в случаи поломки новой схемы зажигания -
----- снимаем новую крышку трамблера, бегунок со шторкой, отключаем проводку
-----ставим назад все родное и продолжаем движение

данная схема зажигания находиться на обкатке, все данные выложу пожже


Вернуться наверх
 
Не в сети
 Заголовок сообщения: Re: Зажигание без трамблера, распределителя
СообщениеДобавлено: Чт дек 05, 2013 19:38:27 
Нашел транзистор. Понюхал.

Зарегистрирован: Вт дек 27, 2011 01:13:21
Сообщений: 191
Рейтинг сообщения: 0
primus86
Вместо транзистора IRFP460 лучше использовать драйвер зажигания. Современные катушки зажигания низкоомные и если длительность включения выше требуемой ток в катушке резко возрастает, пользы для зажигания от этого никакой а вот надежность резко падает из за перегрузок. Поэтому как правило последовательно с катушкой ставиться измерительный резистор небольшого номинала а драйвер контролирует протекаемый через катушку ток и ограничивает его когда он достигает заданного уровня. Кроме того драйвер может информировать достаточно ли время накачки катушки для достижения заданного тока


Вернуться наверх
 
Не в сети
 Заголовок сообщения: Re: Зажигание без трамблера, распределителя
СообщениеДобавлено: Пт дек 06, 2013 00:51:38 
Родился

Зарегистрирован: Чт ноя 07, 2013 20:05:21
Сообщений: 11
Рейтинг сообщения: 0
в характеристиках коммутатора указывается ток катушки обычно 7 А, сопротивление катушки 0,3...0,4 Ома, также коммутатор выключает зажигание если нет сигнала с датчика Хола (вращения коленвала)

не изобретай коммутатор, лучше поиграйся с коммутацией сигнала перед коммутаторами зажигания


Вернуться наверх
 
Не в сети
 Заголовок сообщения: Re: Зажигание без трамблера, распределителя
СообщениеДобавлено: Пт дек 06, 2013 01:01:03 
Родился

Зарегистрирован: Чт ноя 07, 2013 20:05:21
Сообщений: 11
Рейтинг сообщения: 0
primus86 сколько цилиндров в твоем двигателе
когда убераешь бегунок появляеться двухвыводная катушка, одна на 2 цилиндра


Вернуться наверх
 
Не в сети
 Заголовок сообщения: Re: Зажигание без трамблера, распределителя
СообщениеДобавлено: Пн дек 09, 2013 19:24:42 
Родился

Зарегистрирован: Чт ноя 07, 2013 20:05:21
Сообщений: 11
Рейтинг сообщения: 0
чета тема притихла :tea:


Вернуться наверх
 
Не в сети
 Заголовок сообщения: Re: Зажигание без трамблера, распределителя
СообщениеДобавлено: Вт дек 10, 2013 23:56:25 
Родился

Зарегистрирован: Сб ноя 30, 2013 23:51:14
Сообщений: 19
Рейтинг сообщения: 0
DJONI BIGUD писал(а):
чета тема притихла :tea:

Ждал драйвер, остановился на IXDD404SIA, в одном корпусе два драйвера с управляющими входами. Скоро еще раз измерю осциллографом импульсы с бортового компьютера и индуктивного датчика с распредвала, чтобы убедится в правильности выбора прямого сигнала или инвертированного на делитель.

Еще раз повторю, я убираю распределитель не на Жигуле, а на Хонде. Здесь длительность сигнала и время его подачи определяет бортовой компьютер, поэтому использовать жигулевские или какие либо еще коммутаторы я не собираюсь. Передо мной стоит простая задача - поделить сигнал с бортового компьютера на две катушки зажигания. ps цилиндра у двигателя 4 штуки, два цилиндра на катушку, двухконтурная система, с этим все в порядке.

Такой вот стоит родной коммутатор:
Вложение:
img.jpg [22.98 KiB]
Скачиваний: 1176

Честно скажу, не знаю что в нем внутри, какая-то сложная стабилизирующая ток схема или просто мощный транзистор, чуть позже попробую проверить, но дело в том что бортовой компьютер шлет на него всегда стабильно 5 мс сигналы. Предположим что за 5 мс на катушке зажигания развивается 4 ампера при 12 вольт напряжения. Даже если напряжение бортовой сети изменяется в пределах 12-14 вольт, это всего +15% токовой нагрузки (0.6 ампера), притом что полная нагрузка на катушку зажигания уменьшается в два раза, их же теперь две.

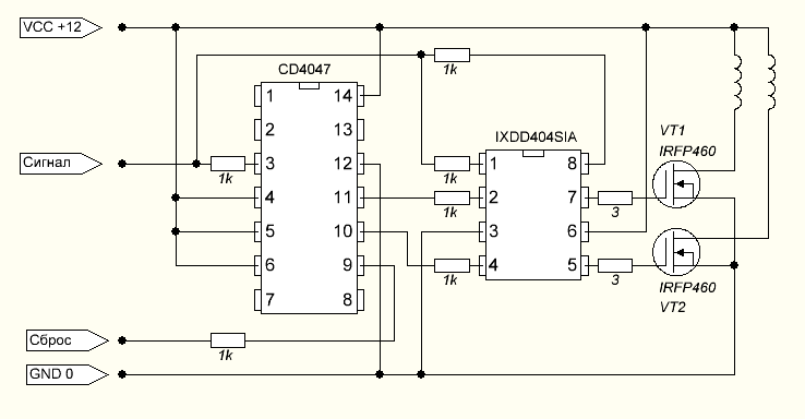
Вот примерная схема которую я собираюсь собрать:
Вложение:
egnition ixdd.png [19.1 KiB]
Скачиваний: 1188


Вернуться наверх
 
Не в сети
 Заголовок сообщения: Re: Зажигание без трамблера, распределителя
СообщениеДобавлено: Ср дек 11, 2013 20:30:45 
Нашел транзистор. Понюхал.

Зарегистрирован: Вт дек 27, 2011 01:13:21
Сообщений: 191
Рейтинг сообщения: 0
Не используйте приведенную выше схему. Хочу еще раз напомнить в драйвере управления катушкой зажигания обязательно должно быть ограничение напряжения в пределах 320..400В Это необходимо для защиты от повреждения схемы в случае если высоковольтный провод отсоеденен от свечи, или когда повреждения свечи препятствуют возникновению искры. Так как для обеспечения надежности очень важно чтобы возникшая неисправность не вызывала череды выхода из строя других устройств и блоков. И второй важный момент -- должно быть предусмотрено ограничение тока через катушку. В место выходных транзисторов посмотрите на микросхему VB027 дополнительная буква в конце указывает диапазон номинальных токов катушки зажигания. Эта микросхема имеет минимум навесных компонентов и имеет все что необходимо для полноценного управления катушкой зажигания
-- защита от перенапряжения
-- ограничение тока катушки
-- защита от перегрева
-- выходной сигнал достижения номинального тока в катушке
Кроме того данная микросхема содержит и силовой ключ. Микросхема выпускается в 10 выводном корпусе 6 выводов которых -- земля. Из навесных элементов только катушка зажигания и один резистор


Вернуться наверх
 
Не в сети
 Заголовок сообщения: Re: Зажигание без трамблера, распределителя
СообщениеДобавлено: Ср дек 11, 2013 23:11:58 
Родился

Зарегистрирован: Чт ноя 07, 2013 20:05:21
Сообщений: 11
Рейтинг сообщения: 0
кто управляет опережением зажигания процессор или механика в трамблере


Вернуться наверх
 
Не в сети
 Заголовок сообщения: Re: Зажигание без трамблера, распределителя
СообщениеДобавлено: Чт дек 12, 2013 01:00:41 
Родился

Зарегистрирован: Сб ноя 30, 2013 23:51:14
Сообщений: 19
Рейтинг сообщения: 0
Бортовой компьютер, трамблера нет, просто распределитель с бегунком


Вернуться наверх
 
Не в сети
 Заголовок сообщения: Re: Зажигание без трамблера, распределителя
СообщениеДобавлено: Чт дек 12, 2013 01:49:34 
Родился

Зарегистрирован: Сб ноя 30, 2013 23:51:14
Сообщений: 19
Рейтинг сообщения: 0
O_l_e_g писал(а):
Хочу еще раз напомнить в драйвере управления катушкой зажигания обязательно должно быть ограничение напряжения в пределах 320..400В Это необходимо для защиты от повреждения схемы в случае если высоковольтный провод отсоединен от свечи, или когда повреждения свечи препятствуют возникновению искры.


Полевой транзистор IRFP460 рассчитан на напряжение 500 вольт, внутри у него установлен обратный защитный диод, который пробивается при превышении максимального напряжения между стоком и истоком, стало быть защита на обрыв ВВ цепи катушки зажигания уже есть. В крайнем случае можно дополнительно поставить защитный супрессор снаружи. К тому же, увеличение напряжения первичной цепи, увеличивает пробивное напряжение ВВ цепи, что благотворно повлияет на стабильное срабатывание искры, при увеличении сопротивления пробивного промежутка свечи из-за каких либо факторов.
Вложение:
52801911.gif [5.87 KiB]
Скачиваний: 1271


По поводу превышения допустимого тока катушки... вообщем соберу...поезжу...если катушки сгорят - тогда задумаюсь :))) (сомневаюсь что это произойдет)


Вернуться наверх
 
Не в сети
 Заголовок сообщения: Re: Зажигание без трамблера, распределителя
СообщениеДобавлено: Чт дек 12, 2013 20:28:21 
Нашел транзистор. Понюхал.

Зарегистрирован: Вт дек 27, 2011 01:13:21
Сообщений: 191
Рейтинг сообщения: 0
Я тоже думаю что ничего катушке не будет. Активное сопротивление где то 0,5 -- 0,7 Ома еще где то 0,25 Ом итого при 14В напряжения получается максимальный ток около 14А. Рабочий ток для разных катушек разный у меня 8А. Просто зачем пускать через катушку импульс 14 ампер когда достаточно 8А. И главное что такое превышение тока ничего не даст для искры.
Что же касается диода в транзисторе, вы зря ориентируетесь на хитрое начертание этого диода, на самом деле это паразитный диод, который образовывается на полевой структуре при изготовлении транзистора. Переключающие характеристики этого диода ооочень отвратительны в сравнении с быстродействием самого ключа. То есть это виртуальный диод являющися частью интегральной структуры MOSFEET. Сам по себе пробой высоким напряжением не приводит к выходу из строя транзисторов. Разрушение происходить только из за локальных перегревов кристалла токами. Грозит ли такое этому транзистору. Я в этом сомневаюсь так как энергия в катушке не более 50мДж а транзистор может рассеять до 250Вт и устойчив к одиночному импульсу в 1000мДж. Ситуация с пробоем выглядит так 500В это не напряжение пробоя. 500В это то минимальное напряжение которое гарантируется для его. Какое напряжение пробоя будет у данного транзистора вы не знаете, а это может быть и 600В и 650В.
Что получается вы не знаете реальный уровень ограничения напряжения, вы не знаете какой мах ток у вашей катушки будет, вы не знаете достаточно ли время накачки для вашей катушки вы просто подключите и проверите что все работает. Но чуство несовершенства системы останется


Вернуться наверх
 
Не в сети
 Заголовок сообщения: Re: Зажигание без трамблера, распределителя
СообщениеДобавлено: Пт дек 13, 2013 05:13:39 
Родился

Зарегистрирован: Сб ноя 30, 2013 23:51:14
Сообщений: 19
Рейтинг сообщения: 0
O_l_e_g писал(а):
Я тоже думаю что ничего катушке не будет...

Ну сразу уточню, в процессе разработки данной схемы и системы зажигания в целом, я буду тщательно все замерять и проверять, по этому к концу проекта мы все будем знать где какие токи, напряжения, длительности импульсов и прочее(попытаемся сохранить чувство совершенства :))) ).

Хочу обсудить транзистор IRFP460. Не могу согласится с вышесказанным. То что существует паразитный диод в каждом полевом транзисторе это всем известно наверное, но эти диоды совсем не умеют выполнять ограничительных функций по пробою. В данном случае в транзистор встроен защитный диод (супрессор), который, как было замечено, выдерживает нагрузку примерно 1Дж или 1Ватт в секунду (одно и тоже). Еще хочу добавить, я уже поработал с разными полевиками достаточно много и видел четкую границу срабатывания этих встроеных супрессоров на напряжениях указанных в даташите, как макс напряжение транзистора. Не хочется подключать осцил в 500 вольт =), но возможно измерим и этот прамметр. Вообще, чем выше будет напряжение пробоя ключа, тем надежнее зажигание.


Вернуться наверх
 
Показать сообщения за:  Сортировать по:  Вернуться наверх
Начать новую тему Ответить на тему  [ Сообщений: 29 ]  1,  

Часовой пояс: UTC + 3 часа


Кто сейчас на форуме

Сейчас этот форум просматривают: нет зарегистрированных пользователей и гости: 15


Вы не можете начинать темы
Вы не можете отвечать на сообщения
Вы не можете редактировать свои сообщения
Вы не можете удалять свои сообщения
Вы не можете добавлять вложения

Найти:
Перейти:  


Powered by phpBB © 2000, 2002, 2005, 2007 phpBB Group
Русская поддержка phpBB
Extended by Karma MOD © 2007—2012 m157y
Extended by Topic Tags MOD © 2012 m157y