Например TDA7294

Форум РадиоКот • Просмотр темы - ФУОЗ на базе AC-CDI
Форум РадиоКот
Здесь можно немножко помяукать :)

Текущее время: Пн мар 09, 2026 18:33:31

Часовой пояс: UTC + 3 часа


ПРЯМО СЕЙЧАС:



Начать новую тему Ответить на тему  [ Сообщений: 2362 ]     ... , , , , 119
Автор Сообщение
 Заголовок сообщения: Re: ФУОЗ на базе AC-CDI
СообщениеДобавлено: Пн янв 05, 2026 16:43:42 
Родился

Зарегистрирован: Вс янв 04, 2026 12:24:49
Сообщений: 2
Рейтинг сообщения: 0
Доброго времени суток. прочитал ветку, много чего понял нового для себя. У меня вопрос о помощи знающих. в очередной раз приобрел неработающую железку(покупал заведомо неисправным) и хочу оживить. мотор от хонда CR250 2002г.
мотор 2т, обороты до 10..12тыс, мощность около 50лс. на моторе лепестковый клапан, мощностной клапан на выпуске(управляется сервоприводом) и блок управления - который отсутствует - это как раз и причина неисправности, его сожгли, потом расковыряли и потеряли. если купить - то очень дорогая и дефицитная коробочка. по инфо, которую я собрал, на моторе генератор - с 8 катушками на статоре, метка на магните еще не померил(дополню инфо позже, так как застрял мотор в службе доставки).
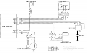
В схеме электрооборудования присутствует реле регулятор с выносным конденсатором. сигнал(напряжение со статора поступает и на реле регулятор и на блок управления). с реле регулятора постояное напряжение также поступает на блок управления. блок управления формирует угол опереж, искру, также от оборотов формирует управление сервоприводом выпускного клапана. может кто сталкивался с такими системами, подскажите это система AC-CDI или это DC-CDI или какоето комбо. Схему и фото прикреплю.

Планирую оживить мотор с помощью самодельного блока управления. вероятно за основу взять ФУОЗ вашей разработки, к нему прицепить еще одну ардуину, которая будет мерить частоту и вращать сервопривод для управления выпускного клапана. сервопривод на этом моторе -это электромотор с редуктором и переменным резистором на оси для обратной связи контроля угла поворота серво. Также для экспериментов приобрел блок управления подобного типа известного китайского производителя. цель : расковырять его посмотреть как реализована силовая часть и может попробовать подключить к нему генератор и осцилограф и посмотреть как он себя ведет.

Изображение Изображение

Добавлено after 4 hours 10 minutes 35 seconds:
мои мысли: промерить сопротивления статора, датчика, катушки зажигания. снять размеры и углы метки на магните. покрутить мотор и померить вольтметром(осцилографом) сигнал с датчика и статора.
мои догадки раздваиваются.
1) статор вырабатывает переменку низкого напряжения 5..10..20вольт; это напряжение поступает на блок CDI только для контроля частоты, а на регулятор с емким конденсатором для накопления, после одного двух киков мотора этого напряжения хватает для запуска блока DC CDI. после старта мотора этого напряжения уже хватает и для питания сервопривода клапана.
2) статор вырабатывает высокое напряжение, оно поступает на блок AC CDI - мотор стартует работает. И это же напряжение берется на реле(возможно DCDC down) и формирует низкое постоянное напряжение только для работы блока управления сервоприводом.


Вернуться наверх
 
 Заголовок сообщения: Re: ФУОЗ на базе AC-CDI
СообщениеДобавлено: Пн янв 12, 2026 22:06:34 
Потрогал лапой паяльник

Зарегистрирован: Пн окт 26, 2020 08:37:51
Сообщений: 306
Откуда: г.Волгоград
Рейтинг сообщения: 0
Не получиться взять за основу, хотя бы потому, что этот проект на ассемблере написан, а не на Си как на Ардуино. Ну все равно - Удачи Вам в Ваших смелых планах!

_________________
ФУОЗ на платформе Ардуино: viewtopic.php?p=4366626#p4366626
ВК - "ФУОЗ на микроконтроллере Atmega328P (МПСЗ)"


Вернуться наверх
 
Показать сообщения за:  Сортировать по:  Вернуться наверх
Начать новую тему Ответить на тему  [ Сообщений: 2362 ]     ... , , , , 119

Часовой пояс: UTC + 3 часа


Вы не можете начинать темы
Вы не можете отвечать на сообщения
Вы не можете редактировать свои сообщения
Вы не можете удалять свои сообщения
Вы не можете добавлять вложения

Найти:
Перейти:  


Powered by phpBB © 2000, 2002, 2005, 2007 phpBB Group
Русская поддержка phpBB
Extended by Karma MOD © 2007—2012 m157y
Extended by Topic Tags MOD © 2012 m157y