Например TDA7294

Форум РадиоКот • Просмотр темы - схема подсветки "welcome" в зеркала заднего вида
Форум РадиоКот
Здесь можно немножко помяукать :)

Текущее время: Пт янв 09, 2026 15:03:52

Часовой пояс: UTC + 3 часа


ПРЯМО СЕЙЧАС:



Начать новую тему Ответить на тему  [ Сообщений: 15 ] 
Автор Сообщение
Не в сети
 Заголовок сообщения: схема подсветки "welcome" в зеркала заднего вида
СообщениеДобавлено: Пн ноя 10, 2014 14:46:22 
Родился

Зарегистрирован: Пн ноя 10, 2014 14:10:48
Сообщений: 13
Рейтинг сообщения: 0
день добрый помоги любителю-новичку

хочется сделать в авто подсветку в зеркала "welcome" (светит на землю, когда снимаешь с охраны)
Изображение
Изображение
собственно нужна схемка:
имеются два фонаря на 3х светодиодах (12в) необходимо чтоб они включались когда подается +12в. (кратковременные) и когда !!!темное время суток!!! и не гасли или до поступления другого управляющего напряжения ( + ), или в течении 1 минуты.
другими словами: снял с охраны зажглась подсветка, если не произведено каких то действий подсветка продолжает гореть 1 минуту и потом гаснет. Если открылась дверь, не важно в общем попали в авто :) подсветка гаснет не дожидаясь истечении 1 минуты

за работающую схему готов отблагодарить :)

просьба отнестись с пониманием, уж очень хочется сделать, но мозга не хватает. азы в электронике есть, но видимо совсем скудные


Вернуться наверх
 
Не в сети
 Заголовок сообщения: Re: схема подсветки "welcome" в зеркала заднего вида
СообщениеДобавлено: Пн ноя 10, 2014 15:17:46 
Друг Кота
Аватар пользователя

Карма: 67
Рейтинг сообщений: 1066
Зарегистрирован: Чт сен 18, 2008 12:27:21
Сообщений: 20022
Откуда: Столица Мира Санкт-Петербург
Рейтинг сообщения: 0
Медали: 1
Получил миской по аватаре (1)
wjick писал(а):
и когда !!!темное время суток!!!

Почему так критично? Ну подумаешь днём будут загораться. Их же не видно.

_________________
[ Всё дело не столько в вашей глупости, сколько в моей гениальности ] [ Правильно заданный вопрос содержит в себе половину ответа ]


Вернуться наверх
 
Не в сети
 Заголовок сообщения: Re: схема подсветки "welcome" в зеркала заднего вида
СообщениеДобавлено: Пн ноя 10, 2014 16:05:10 
Родился

Зарегистрирован: Пн ноя 10, 2014 14:10:48
Сообщений: 13
Рейтинг сообщения: 0
согласен, не критично.
но хотелось бы выделится :)
не, если это окажется "камнем" преткновения, то можно будет исключить этот пункт.

я тут посидел, подумал, а нельзя сделать так
Изображение
конденсатор подобрать таким образом чтоб он и не давай гаснуть подсветки в течении 1 минуты, только как реализовать принудительный разрыв цепи (когда дверь открыта) питания светодиода

p.s. если не правильно нарисовал схему, извините, ну что взять от новичка
p.p.s вот еще, а времени для зарядки кондесатора интересно хватит, или такая схема не имеет места быть. (импульс управляющего напряжения длится около секунды. это столько времени чтобы сработал центральный замок)


Последний раз редактировалось wjick Пн ноя 10, 2014 16:50:45, всего редактировалось 1 раз.

Вернуться наверх
 
Не в сети
 Заголовок сообщения: Re: схема подсветки "welcome" в зеркала заднего вида
СообщениеДобавлено: Пн ноя 10, 2014 16:13:13 
Сверлит текстолит когтями
Аватар пользователя

Карма: 12
Рейтинг сообщений: 38
Зарегистрирован: Вс май 21, 2006 16:07:59
Сообщений: 1230
Откуда: Алтай
Рейтинг сообщения: 0
Если на пиво с рыбкой будет, пишите в ЛС. Обсудим....и нарисуем несколько вариантов


Вернуться наверх
 
Эиком - электронные компоненты и радиодетали
Не в сети
 Заголовок сообщения: схема подсветки "welcome" в зеркала заднего вида
СообщениеДобавлено: Вт ноя 18, 2014 01:10:54 
Первый раз сказал Мяу!

Зарегистрирован: Вт ноя 13, 2012 23:04:14
Сообщений: 26
Рейтинг сообщения: 0
давайте разовьем эту тему, можно скинуться автору схемы на пиво с рыбой, так как многим она будет очень даже полезна, я не исключение, можно придумать на микроконтроллере с датчиком освещенности, а можно запитать от вежливой подсветки, веть она тоже от сигналки работает... вообщем тоже жду у моря погоды....


Вернуться наверх
 
Не в сети
 Заголовок сообщения: Re: схема подсветки "welcome" в зеркала заднего вида
СообщениеДобавлено: Пт ноя 21, 2014 08:16:14 
Вымогатель припоя

Карма: 6
Рейтинг сообщений: 36
Зарегистрирован: Пт ноя 05, 2010 12:53:36
Сообщений: 536
Откуда: Беларусь Витебск
Рейтинг сообщения: 0
Было бы не плохо озвучить кокой авто и какая в нем стоИт нештатная охранная система.

З.Ы. : дабы не разводить лишнюю флудильню поясню в этой месаге ... штатно пепелацы оборудованные данной фенькой включают её независимо от внешней освещенности при поступленнии команды на открытие автО, что в принципе весьмА легко реализовать ...


Вернуться наверх
 
Не в сети
 Заголовок сообщения: Re: схема подсветки "welcome" в зеркала заднего вида
СообщениеДобавлено: Пт ноя 21, 2014 09:49:16 
Держит паяльник хвостом
Аватар пользователя

Карма: 1
Рейтинг сообщений: 62
Зарегистрирован: Чт янв 13, 2011 13:51:26
Сообщений: 986
Рейтинг сообщения: 0
"Всё уже украдено до нас." (с) :)

Берём "Схема вежливой подсветки", добавляем к ней два транзистора - имеем картинку в приложении.
(днём не отключается)


Вложения:
Котёнку.JPG [69.82 KiB]
Скачиваний: 1114
Вернуться наверх
 
В сети
 Заголовок сообщения: Re: схема подсветки "welcome" в зеркала заднего вида
СообщениеДобавлено: Сб дек 13, 2014 11:06:30 
Друг Кота
Аватар пользователя

Карма: 59
Рейтинг сообщений: 673
Зарегистрирован: Вт сен 25, 2012 23:13:41
Сообщений: 5490
Откуда: г.Дзержинск Нижегородской обл.
Рейтинг сообщения: 0
Arwood, приведенная Вами схема "вежливой подсветки" требует доработки.
В симуляторе это выглядит так. Времени свечения явно недостаточно.

_________________
Спасение утопающих дело рук самих утопающих.


Вернуться наверх
 
Не в сети
 Заголовок сообщения: Re: схема подсветки "welcome" в зеркала заднего вида
СообщениеДобавлено: Сб дек 13, 2014 11:14:05 
Держит паяльник хвостом
Аватар пользователя

Карма: 1
Рейтинг сообщений: 62
Зарегистрирован: Чт янв 13, 2011 13:51:26
Сообщений: 986
Рейтинг сообщения: 0
Ссылка не открылась.
Но...
Схема, мною выложенная, НЕСОМНЕННО требует доработки. Иное мной и не подразумевалось. Схему выложил только как базовый образец.
Теперь любой желающий может её доработать напильником. Тут - номинал поменять. Там - транзистор или компаратор подкинуть.
В общем - посолить, поперчить по вкусу.
Например, если времени не достаточно - ничто не мешает заменить 4.7 на 10/22/47/100/220.
Хмм... (и тут Остапа понесло) 4700 - не рекомендую. До утра будет светить. :)


Вернуться наверх
 
В сети
 Заголовок сообщения: Re: схема подсветки "welcome" в зеркала заднего вида
СообщениеДобавлено: Сб дек 13, 2014 11:54:57 
Друг Кота
Аватар пользователя

Карма: 59
Рейтинг сообщений: 673
Зарегистрирован: Вт сен 25, 2012 23:13:41
Сообщений: 5490
Откуда: г.Дзержинск Нижегородской обл.
Рейтинг сообщения: 0
Arwood писал(а):
Ссылка не открылась.

Исправил.

P.s. напоминаю, что на десктопах EveryCircuit работает ТОЛЬКО под управлением браузера Chrome.

Цитата:
если времени не достаточно - ничто не мешает заменить 4.7 на 10/22/47/100/220.

47 мкФ вполне достаточно. Но возникает другая проблема: плавность погасания "растягивается" до неприличия.
В общем, это называется "играйтесь с номиналами резисторов и конденсаторов". ;)

_________________
Спасение утопающих дело рук самих утопающих.


Вернуться наверх
 
Не в сети
 Заголовок сообщения: Re: схема подсветки "welcome" в зеркала заднего вида
СообщениеДобавлено: Сб дек 13, 2014 12:07:34 
Держит паяльник хвостом
Аватар пользователя

Карма: 1
Рейтинг сообщений: 62
Зарегистрирован: Чт янв 13, 2011 13:51:26
Сообщений: 986
Рейтинг сообщения: 0
В общем ссылка мне не помогла - у меня нихром. :)
"Играйтесь с номиналами..." - именно так это и называется (и мною подразумевалось). В результате 20-ти минутной игры - получаешь именно то, что хотел.


Вернуться наверх
 
Не в сети
 Заголовок сообщения: Re: схема подсветки "welcome" в зеркала заднего вида
СообщениеДобавлено: Вт июн 23, 2015 17:35:41 
Родился

Зарегистрирован: Пн ноя 10, 2014 14:10:48
Сообщений: 13
Рейтинг сообщения: 0
привет всем!
схема почти готова, осталось все собрать воедино. потерпите немного и представлю на всеобщее обозрение ;)
отдельное спасибо выражаю пользователю wws63 за огромный вклад в реализацию моей идеи :beer:


Вернуться наверх
 
Не в сети
 Заголовок сообщения: Re: схема подсветки "welcome" в зеркала заднего вида
СообщениеДобавлено: Ср июл 01, 2015 15:13:00 
Родился

Зарегистрирован: Пн ноя 10, 2014 14:10:48
Сообщений: 13
Рейтинг сообщения: 0
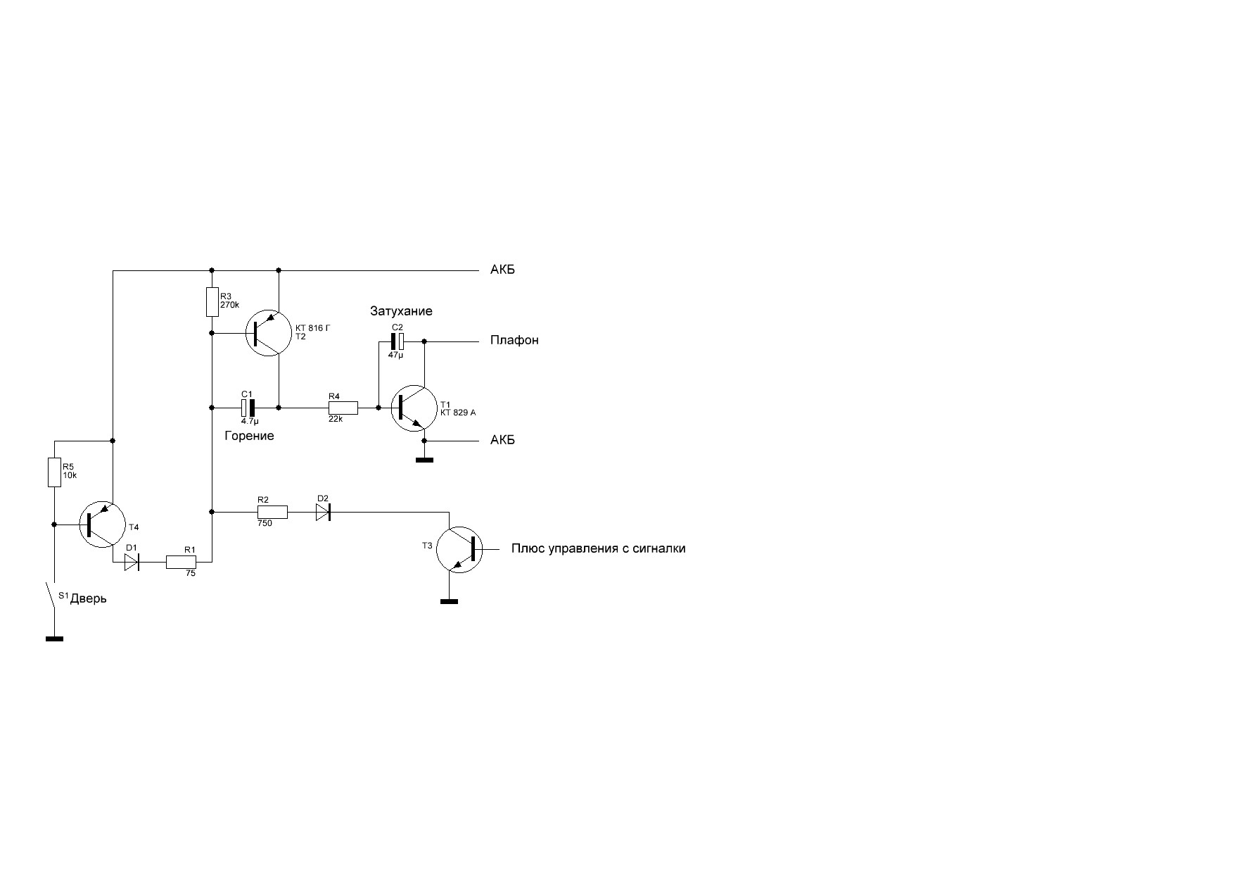
Изображение


Изображение

описываю ситуацию. и принцип работы.

при подаче +12в (в авто) на контакт start, загорается подсветка и горит в течении 1мин -1мин 10сек (так сказать если ничего не трогаем)
если нам понадобилось (открыть дверь в авто) подать на контакт DOOR -12в, подсветка гаснет независимо сколько прошло времени, после подачи на START.

если рассматривать схему без (сопротивления конденсатора и диода выделены красным) то схема будет работать ТОЛЬКО при подаче короткого импульса +12в на контакт START
если включить их в схему, то будет работать при подаче как короткого так и постоянного +12в на START.

народ кто может подсказать почему, иногда не срабатывает сброс таймера? т.е. когда замыкаю контакт DOOR на "-" схемы, сброс может сработать, а может и нет.


Последний раз редактировалось wjick Ср июл 01, 2015 15:49:55, всего редактировалось 1 раз.

Вернуться наверх
 
Не в сети
 Заголовок сообщения: Re: схема подсветки "welcome" в зеркала заднего вида
СообщениеДобавлено: Ср июл 01, 2015 15:24:05 
Родился

Зарегистрирован: Пн ноя 10, 2014 14:10:48
Сообщений: 13
Рейтинг сообщения: 0
все я понял!

надо убрать диод vd1
тогда все работает и не сбоит


Вернуться наверх
 
Не в сети
 Заголовок сообщения: Re: схема подсветки "welcome" в зеркала заднего вида
СообщениеДобавлено: Вт фев 22, 2022 14:15:45 
Родился

Зарегистрирован: Вт фев 22, 2022 12:02:37
Сообщений: 1
Рейтинг сообщения: 0
wws63 здравствуйте, у Вас не осталось шаблона печатной платы?


Вернуться наверх
 
Показать сообщения за:  Сортировать по:  Вернуться наверх
Начать новую тему Ответить на тему  [ Сообщений: 15 ] 

Часовой пояс: UTC + 3 часа


Кто сейчас на форуме

Сейчас этот форум просматривают: нет зарегистрированных пользователей и гости: 13


Вы не можете начинать темы
Вы не можете отвечать на сообщения
Вы не можете редактировать свои сообщения
Вы не можете удалять свои сообщения
Вы не можете добавлять вложения

Найти:
Перейти:  


Powered by phpBB © 2000, 2002, 2005, 2007 phpBB Group
Русская поддержка phpBB
Extended by Karma MOD © 2007—2012 m157y
Extended by Topic Tags MOD © 2012 m157y