Например TDA7294

Форум РадиоКот • Просмотр темы - Фон из колонок при работающем двигателе
Форум РадиоКот
Здесь можно немножко помяукать :)

Текущее время: Ср дек 31, 2025 16:38:35

Часовой пояс: UTC + 3 часа


ПРЯМО СЕЙЧАС:



Начать новую тему Ответить на тему  [ Сообщений: 37 ]  1,  
Автор Сообщение
Не в сети
 Заголовок сообщения: Фон из колонок при работающем двигателе
СообщениеДобавлено: Вс июл 03, 2022 21:04:47 
Встал на лапы

Карма: 1
Рейтинг сообщений: 1
Зарегистрирован: Пт мар 17, 2017 12:46:15
Сообщений: 103
Рейтинг сообщения: 0
Добрый вечер всем ) В общем есть автомобиль Москвич 412 и магнитола Гродно 302 . Проблема такая , что трещат / репят колонки при заведеном двигателе . Спаял фильтр по класической схеме ( диод , дросель , пару кондеров по 0.1 мкф ) и поставил жирный электролит на 5000 мкф . Нифига не помогает , толку от этого нет . Может кто еще знает какие методы , как бобороть сие неприятное явление ?


Вернуться наверх
 
Не в сети
 Заголовок сообщения: Re: Фон из колонок при работающем двигателе
СообщениеДобавлено: Вс июл 03, 2022 21:18:27 
Друг Кота
Аватар пользователя

Карма: 197
Рейтинг сообщений: 8600
Зарегистрирован: Пн ноя 30, 2009 03:00:01
Сообщений: 43174
Откуда: Нерезиновая
Рейтинг сообщения: 0
1-Поменять автомобиль и магнитолу
2- слушать при заглушенном моторе

А вообще- ищите, где и что у вас шьёт "на корпус", автомобиль старый, проводка древняя.. :facepalm: Да и сама гамнитола не новая - около 40 лет.... :facepalm:

зы.. А как вы её впихнули на штатное место? Она для 412-го очень длинная.. :dont_know:
Я как-то пытался в 412-ый поставить магнитолу вместо родного "Урал-Авто-2"- она сантиметров на 5 из приборки торчала. Или у вас АЗЛК-М-412?

зы.. По уму, надо И электролиты в магнитоле проверять, 40 лет- не шутка..


Вернуться наверх
 
Не в сети
 Заголовок сообщения: Re: Фон из колонок при работающем двигателе
СообщениеДобавлено: Вс июл 03, 2022 21:32:52 
Встал на лапы

Карма: -10
Рейтинг сообщений: 17
Зарегистрирован: Сб июн 04, 2022 05:21:07
Сообщений: 148
Рейтинг сообщения: 0
Древняя система зажигания на прерывателе-распределителе, оборвавшийся конденсатор подавителя помех в прерывателе зажигания, древний генератор с древним регулятором, древнейший мафон времен протерозойской эпохи - ну и результат.
Фонит там как по питанию, так и по воздуху (электромагнитными наводками).


Вернуться наверх
 
Не в сети
 Заголовок сообщения: Re: Фон из колонок при работающем двигателе
СообщениеДобавлено: Вс июл 03, 2022 22:27:38 
Встал на лапы

Карма: 1
Рейтинг сообщений: 1
Зарегистрирован: Пт мар 17, 2017 12:46:15
Сообщений: 103
Рейтинг сообщения: 0
Да , согласен мафон туда не влазит на штатное место . Выпирает сантиметров на 5 . Ну ничего , выглядит вроде норм , сидит там плотно . По мафону : поменял там электролиты , зделал AUX . При заглушеном мотроре звучит норм . Хотелось бы чтоб и в движении работала , ведь как то же в СССР слушали музыку )

1) Искать что коротит на корпус из проводки ? Хм , там столько проводов в машине , что хз как это зделать . Тем более , что в принципе машина технично исправно себя ведет . Если бы что то коротило , думаю она бы не заводилась или акб не заряжался ... но все норм , кроме мафона

2) Да , согласен все древнее , и зажигание и генератор ... но опять же как люди в СССР слушали музыку ? Как то же боролись с этими новодками

PS : сам мафон запитан отдельным проводом идущим к клемам АКБ , после него " фильтр помех " Может как то собрать из радиоэлектронной рассыпухи что то , что сможет эфективно подавить эти помехи ?

Добавлено after 1 minute 28 seconds:
И что вообще являеться источником этого фона ? Генератор ?


Вернуться наверх
 
Эиком - электронные компоненты и радиодетали
Не в сети
 Заголовок сообщения: Re: Фон из колонок при работающем двигателе
СообщениеДобавлено: Вс июл 03, 2022 23:01:02 
Друг Кота
Аватар пользователя

Карма: 59
Рейтинг сообщений: 2218
Зарегистрирован: Чт янв 26, 2012 16:44:29
Сообщений: 19576
Откуда: Таксимо
Рейтинг сообщения: 0
Еак исключить генератор ты и сам не тупой длгадаешься. А бронепровода, ну экранированные бывают например

_________________
Мои поставщики запчастей с отличной репутацией
texnomag.ru
radioremont.com
pl-1.org
4ip.info
elitan.ru


Вернуться наверх
 
Не в сети
 Заголовок сообщения: Re: Фон из колонок при работающем двигателе
СообщениеДобавлено: Вс июл 03, 2022 23:02:16 
Друг Кота
Аватар пользователя

Карма: 197
Рейтинг сообщений: 8600
Зарегистрирован: Пн ноя 30, 2009 03:00:01
Сообщений: 43174
Откуда: Нерезиновая
Рейтинг сообщения: 0
не "коротит", а "шьёт".. Если бы проводка коротила, то у вас бы, либо пердохранители :))) горели бы, либо проводка..
Самый простой вопрос- высоковольтные провода какие?
Есть с "распределённым сопротивлением", есть простые
Нет ли где пробоев, исправность и качество конденсатора у контактов прерывателя и крышки распределителя..
Иногда помогает подключение магнитолы напрямую к аккумулятору,

В общем- надо смотреть, что "сифонит"- например, отключить генератор, дать немного поработать двигателю на аккумуляторе - если треск останется- смотреть зажигание, а, если исчезнет- надеюсь, понятно, что смотреть? :beer: :beer:

"эффективно подавить помехи" может, ну, разве что- полная развязка по питанию, но тогда и корпус надо будет от кузова экранировать..

А, если "плюс" подать от стороннего источника, другого аккумулятора, например?

Экран и кабель антенны проверьте.
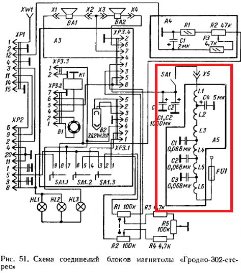
Вообще, в отличии от современного китайпрома, фильтр по питанию у этой "Гродно" есть, и, весьма серьёзный- вот:
Изображение
Я выделил красненьким..


Вложения:
Гродно302.png [102.95 KiB]
Скачиваний: 754
Вернуться наверх
 
Не в сети
 Заголовок сообщения: Re: Фон из колонок при работающем двигателе
СообщениеДобавлено: Вс июл 03, 2022 23:26:10 
Нашел транзистор. Понюхал.

Зарегистрирован: Вт сен 26, 2017 16:17:41
Сообщений: 173
Рейтинг сообщения: 0
Какой длинны Аукс выведен, и он из экранированного провода у тебя?


Вернуться наверх
 
Не в сети
 Заголовок сообщения: Re: Фон из колонок при работающем двигателе
СообщениеДобавлено: Вс июл 03, 2022 23:53:48 
Встал на лапы

Карма: 1
Рейтинг сообщений: 1
Зарегистрирован: Пт мар 17, 2017 12:46:15
Сообщений: 103
Рейтинг сообщения: 0
Кабель ? Где то пол метра . Ну обычный кабель , в магазине покупал . Бронепровода обычные , медные ,совдеп . Ладно , завтра попробую без генератора


Вернуться наверх
 
Не в сети
 Заголовок сообщения: Re: Фон из колонок при работающем двигателе
СообщениеДобавлено: Вс июл 03, 2022 23:55:53 
Друг Кота
Аватар пользователя

Карма: 197
Рейтинг сообщений: 8600
Зарегистрирован: Пн ноя 30, 2009 03:00:01
Сообщений: 43174
Откуда: Нерезиновая
Рейтинг сообщения: 0
А, если, вот этот самопальный AUX убрать, и восстанговить всё "КАК БУЛО" - фон (помеха, наводка) исчезает или нет?


Вернуться наверх
 
Не в сети
 Заголовок сообщения: Re: Фон из колонок при работающем двигателе
СообщениеДобавлено: Пн июл 04, 2022 00:33:40 
Встал на лапы

Карма: 1
Рейтинг сообщений: 1
Зарегистрирован: Пт мар 17, 2017 12:46:15
Сообщений: 103
Рейтинг сообщения: 0
Нет , фон был и в оригинальном виде )


Вернуться наверх
 
Не в сети
 Заголовок сообщения: Re: Фон из колонок при работающем двигателе
СообщениеДобавлено: Пн июл 04, 2022 06:03:04 
Встал на лапы

Карма: -10
Рейтинг сообщений: 17
Зарегистрирован: Сб июн 04, 2022 05:21:07
Сообщений: 148
Рейтинг сообщения: 0
Цитата:
И что вообще являеться источником этого фона ? Генератор ?

Чаще всего - система зажигания. Это очень мощный источник помех. И если временное отключение генератора во время работы не уменьшает фона, то проблема - именно в ней. Нужно проверить состояние контактов прерывателя (трамлера), конденсатор, катушку. Возможно, заменить высоковольтные провода на современные, с распределенным сопротивлением.
В генераторе может быть сгорание одного из диодов моста и тогда будет выдаваться повышенные пульсации из-за пропуска одной фазы.


Вернуться наверх
 
Не в сети
 Заголовок сообщения: Re: Фон из колонок при работающем двигателе
СообщениеДобавлено: Пн июл 04, 2022 09:04:44 
Друг Кота
Аватар пользователя

Карма: 107
Рейтинг сообщений: 3311
Зарегистрирован: Сб фев 11, 2017 15:59:13
Сообщений: 14822
Откуда: 57 RUS
Рейтинг сообщения: 0
На динамики идёт по два провода с магнитолы, или по одному, а вторые приляпаны на массу в других точках?
Возьмите наушники типа Тон-2М, и станте ими на провода питания магнитолы при работающем двигателе, вой/треск/прочие шумы слышны?

_________________
НАРОДОВЛАСТИЕ а не дерьмократия!!!
Суверенным и независимым может считаться только то государство, против которого англосаксонские разносчики кланово-олигархической дерьмократии и еврогейских "ценностей" со своими пособниками ввели санкции!


Вернуться наверх
 
Не в сети
 Заголовок сообщения: Re: Фон из колонок при работающем двигателе
СообщениеДобавлено: Пн июл 04, 2022 14:52:53 
Встал на лапы

Карма: 1
Рейтинг сообщений: 1
Зарегистрирован: Пт мар 17, 2017 12:46:15
Сообщений: 103
Рейтинг сообщения: 0
В общем , если отключить генератор то это проблему не решает . Без изменений ) Колонки подключены отдельными двухжильными проводами

Добавлено after 1 minute 1 second:
Да , наушниками ТоН 2 прослушиваються помехи по питанию


Вернуться наверх
 
Не в сети
 Заголовок сообщения: Re: Фон из колонок при работающем двигателе
СообщениеДобавлено: Пн июл 04, 2022 15:10:28 
Друг Кота
Аватар пользователя

Карма: 59
Рейтинг сообщений: 2218
Зарегистрирован: Чт янв 26, 2012 16:44:29
Сообщений: 19576
Откуда: Таксимо
Рейтинг сообщения: 0
А нормальную сони пионер кенвуд не пробовал подключать? Как они помехи ловят не ловят

Добавлено after 1 minute 38 seconds:
А нулевой провод с аккума нормально себя чувствует? Не перебит, соединение зачищено намазано? А на двигатель нулевой провод нормальный идет?

_________________
Мои поставщики запчастей с отличной репутацией
texnomag.ru
radioremont.com
pl-1.org
4ip.info
elitan.ru


Вернуться наверх
 
Не в сети
 Заголовок сообщения: Re: Фон из колонок при работающем двигателе
СообщениеДобавлено: Пн июл 04, 2022 15:20:06 
Встал на лапы

Карма: -10
Рейтинг сообщений: 17
Зарегистрирован: Сб июн 04, 2022 05:21:07
Сообщений: 148
Рейтинг сообщения: 0
Ну, значит система зажигания хорошо так гадит. Открывайте трамлер, подчищайте, подгибайте и смазывайте контакты прерывателя, проверяйте конденсатор, снимайте крышку распределителя зажигания, проверяйте бегунок (центральный контакт), меняйте свечные провода на высокоомные.
Так же зачистите с смажьте минусовую клемму с аккума, проверьте соединение корпуса двигателя с кузовом и с минусом аккума. Соедините корпус двигателя напрямую с минусом аккума. Проверьте минусовый провода.


Последний раз редактировалось Up2805 Пн июл 04, 2022 15:23:08, всего редактировалось 1 раз.

Вернуться наверх
 
Не в сети
 Заголовок сообщения: Re: Фон из колонок при работающем двигателе
СообщениеДобавлено: Пн июл 04, 2022 15:21:57 
Друг Кота
Аватар пользователя

Карма: 197
Рейтинг сообщений: 8600
Зарегистрирован: Пн ноя 30, 2009 03:00:01
Сообщений: 43174
Откуда: Нерезиновая
Рейтинг сообщения: 0
А нормальную сони пионер кенвуд не пробовал подключать?

А вы сейчас сможете найти "нормальную сони пионер кенвуд"?
Они уже все, давно не "пионеры"... :))) :))) :)))


Вернуться наверх
 
Не в сети
 Заголовок сообщения: Re: Фон из колонок при работающем двигателе
СообщениеДобавлено: Пн июл 04, 2022 15:24:37 
Друг Кота
Аватар пользователя

Карма: 59
Рейтинг сообщений: 2218
Зарегистрирован: Чт янв 26, 2012 16:44:29
Сообщений: 19576
Откуда: Таксимо
Рейтинг сообщения: 0
Могу, на полке несколько штук лежат

_________________
Мои поставщики запчастей с отличной репутацией
texnomag.ru
radioremont.com
pl-1.org
4ip.info
elitan.ru


Вернуться наверх
 
Не в сети
 Заголовок сообщения: Re: Фон из колонок при работающем двигателе
СообщениеДобавлено: Пн июл 04, 2022 19:10:54 
Друг Кота
Аватар пользователя

Карма: 197
Рейтинг сообщений: 8600
Зарегистрирован: Пн ноя 30, 2009 03:00:01
Сообщений: 43174
Откуда: Нерезиновая
Рейтинг сообщения: 0
А, ну, это если только так..
У меня тоже магнитолка Пионер "на полке" лежит, я её, примерно, 25 лет назад покупал.. Снял в исправном виде в 2005 году с автомобиля при продаже. А на последующих автомобилях магнитола уже была..


Вернуться наверх
 
Не в сети
 Заголовок сообщения: Re: Фон из колонок при работающем двигателе
СообщениеДобавлено: Пн июл 04, 2022 20:06:51 
Друг Кота
Аватар пользователя

Карма: 123
Рейтинг сообщений: 7959
Зарегистрирован: Сб сен 13, 2014 16:27:32
Сообщений: 39199
Откуда: СпиртоГонск созвездия Омега
Рейтинг сообщения: 0
наскока помню на москвичах шла контатная система зажигания с ВВпроводами ок 0 сопротвлениятакже и свечи были такие обьяснялось тем что искра и так счлабая устанофка жигулевской катухи и проводоф заметно снижала помехи радиву и да помеха шла по эфиру иначе ее не убрать на АМ...но он щас пустой и толку мало а вот филт по питанию в совет гамнитолах был чесный и крутой и давил все выше 28гц аж на 90дб...
но при 1 услови -исправен и банки не скисли а вот подключени динамиукоф по 1пр схеме могло дат наводки уже и по выходу через шаси тут нужна витая пара изолирована от шаси.. на FM и маге должно работать без трескаи фона
вобще какая частота помех их спектр -без осцилограм думаю будет просто гадание не о чем...
в идеале осла засинхрить от 1 цилиндра авто ка стробоскоп и тогда помехи от зажигания в цилиндрах будут висеть каждая на своем месте-тогда -пролвода/свечи
а если их частолта раз в 20выше -генератор... ну и форма совсем другая не спутаете
и да 1 неисправный диод в ларионыче а тем паче виток в генке или того хуже оборваная фаза такое в сети дают....мама не горюй даже лампочки могут мерцать
но машина при этом едет!

_________________
ZМудрость(Опыт и выдержка) приходит с годами.
Все Ваши беды и проблемы, от недостатка знаний.
Умный и у дурака научится, а дураку и ..
Алберт Ейнштейн не поможет и ВВП не спасет.и МЧС опаздает


Вернуться наверх
 
Не в сети
 Заголовок сообщения: Re: Фон из колонок при работающем двигателе
СообщениеДобавлено: Пн июл 04, 2022 20:40:40 
Друг Кота
Аватар пользователя

Карма: 197
Рейтинг сообщений: 8600
Зарегистрирован: Пн ноя 30, 2009 03:00:01
Сообщений: 43174
Откуда: Нерезиновая
Рейтинг сообщения: 0
Я на отцовском ИЖ-412 ездил лет 17 назад, и даже не помню.. Урал-Авто-2, вроде бы, на ходу работал.. Но, 17 лет назад тому Москвичу было лет 10, всего..


Вернуться наверх
 
Показать сообщения за:  Сортировать по:  Вернуться наверх
Начать новую тему Ответить на тему  [ Сообщений: 37 ]  1,  

Часовой пояс: UTC + 3 часа


Кто сейчас на форуме

Сейчас этот форум просматривают: нет зарегистрированных пользователей и гости: 13


Вы не можете начинать темы
Вы не можете отвечать на сообщения
Вы не можете редактировать свои сообщения
Вы не можете удалять свои сообщения
Вы не можете добавлять вложения

Найти:
Перейти:  


Powered by phpBB © 2000, 2002, 2005, 2007 phpBB Group
Русская поддержка phpBB
Extended by Karma MOD © 2007—2012 m157y
Extended by Topic Tags MOD © 2012 m157y