Например TDA7294

Форум РадиоКот • Просмотр темы - Подключение контроллера Curtis 1253-8001
Форум РадиоКот
Здесь можно немножко помяукать :)

Текущее время: Чт янв 15, 2026 14:56:23

Часовой пояс: UTC + 3 часа


ПРЯМО СЕЙЧАС:



Начать новую тему Ответить на тему  [ Сообщений: 8 ] 
Автор Сообщение
Не в сети
 Заголовок сообщения: Подключение контроллера Curtis 1253-8001
СообщениеДобавлено: Сб авг 21, 2021 21:14:14 
Родился

Зарегистрирован: Сб авг 21, 2021 20:43:44
Сообщений: 2
Рейтинг сообщения: 0
Заказал данный контроллер в Китае.
https://aliexpress.ru/item/626326267.ht ... 8095480865
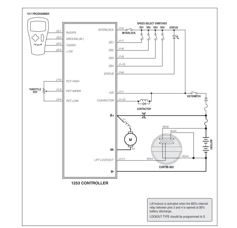
Схема приложенная к товару Изображение
На схеме есть программатор и устройство Curtis 803. Можно ли как-то обойтись без них? Его нужно программировать перед установкой? Если да, то как это можно сделать без этих устройств?


Вернуться наверх
 
Не в сети
 Заголовок сообщения: Re: Подключение контроллера Curtis 1253-8001
СообщениеДобавлено: Вс авг 22, 2021 17:36:45 
Друг Кота

Карма: -8
Рейтинг сообщений: 15
Зарегистрирован: Вс июл 24, 2011 11:38:09
Сообщений: 7621
Рейтинг сообщения: 0
При такой цене я бы не купил на свой трактор 50 годов, трактор столько не стоит.
Это продают как запчасть тем кто знает как использовать, а собирать схему с нуля непонятно зачем если есть детали с разборки.

Гидравлический насос на 50квт, а причём тут вообще авто, разве там не на 24в всё.
Хоть бы объяснили что это.
Мне кажется вы ошиблись форумом


Вернуться наверх
 
Не в сети
 Заголовок сообщения: Re: Подключение контроллера Curtis 1253-8001
СообщениеДобавлено: Вс авг 22, 2021 21:44:37 
Родился

Зарегистрирован: Сб авг 21, 2021 20:43:44
Сообщений: 2
Рейтинг сообщения: 0
При такой цене я бы не купил на свой трактор 50 годов, трактор столько не стоит.
Это продают как запчасть тем кто знает как использовать, а собирать схему с нуля непонятно зачем если есть детали с разборки.

Гидравлический насос на 50квт, а причём тут вообще авто, разве там не на 24в всё.
Хоть бы объяснили что это.
Мне кажется вы ошиблись форумом

двигатель у меня 6,5квт 75в,а контроллер подключенный посхеме незапускается


Вернуться наверх
 
Не в сети
 Заголовок сообщения: Re: Подключение контроллера Curtis 1253-8001
СообщениеДобавлено: Пн авг 23, 2021 09:25:27 
Модератор
Аватар пользователя

Карма: 159
Рейтинг сообщений: 4075
Зарегистрирован: Пт янв 23, 2009 19:20:05
Сообщений: 45420
Рейтинг сообщения: 0
Медали: 1
Получил миской по аватаре (1)
Программатор нужен будет, если потребуется изменение параметров... Контроллер батареи, в общем, тоже для запуска ни к чему. LIFT LOCKOUT можно не использовать, просто оставить "в воздухе" или закоротить на минус батареи (в зависимости от того, как запрограммирован этот вход...), по описанию - вроде, нужно соединить с минусом...


Вернуться наверх
 
Эиком - электронные компоненты и радиодетали
Не в сети
 Заголовок сообщения: Re: Подключение контроллера Curtis 1253-8001
СообщениеДобавлено: Пн авг 23, 2021 20:41:13 
Друг Кота
Аватар пользователя

Карма: 81
Рейтинг сообщений: 1378
Зарегистрирован: Пн май 11, 2009 14:15:00
Сообщений: 3059
Откуда: СПб
Рейтинг сообщения: 0
Медали: 1
Мявтор 3-й степени (1)
Запрограммировать контроллер можно, похоже, и без программатора. Нужен компьютер с COM-портом или преобразователь USB-RS232. Вот тут подробнее: https://youtu.be/JO7O9O8rx0Y

_________________
Этот пост оказался полезен? Не поленись, нажми Изображение слева!
:) :)) :)))
Куплю индикаторы ИТС-1А, ИТС-1Б, ИГВ1-8х5Л, ИГПС1-222/7, ИГПС1-111/7 и подобные.


Вернуться наверх
 
Не в сети
 Заголовок сообщения: Re: Подключение контроллера Curtis 1253-8001
СообщениеДобавлено: Пт сен 03, 2021 21:56:45 
Грызет канифоль

Карма: 2
Рейтинг сообщений: 3
Зарегистрирован: Вс фев 18, 2018 19:28:19
Сообщений: 285
Рейтинг сообщения: 0
программатор можно не включать. если потребуется, резистр 120 Ом вместо него. curtis 803 - это обычная релюшка, там когда напряжение батареи совсем на минимаоьном пределе то размыкаються контакты 3 м 4 и не включается. там на обратной стороне 803 есть галетный переключатель под отвертку, им можно выбрать предел когда не будет включаться и пора ставить на зарядку. или закоротить 3 и 4 контакты в разъеме и гоняем. интерлок типа зажигания. а кнопки ss1 ss2 ss3 ss4 типа скорость переключения. он как понял гидро и с завода по умолчанию на всех кнопках разная скорость. а потенциометр типа педали газа. он посредине на схеме- это 2.5 вольта или 2.5 кОм. при перемещении от центра потенциометра в какую либо сторону происходит плавное изменение вращения двигателя. программатором добавляются или выключаются переферийные устройства. им можно регурировать скорость ускорение торможение рекуперативное. все это есть в мануале, он достуаен в сети. светодиод миганиями указывает на ошибки. они и их устранение неплохо расписаны в мануале. я ремонтер по складской технике и с такими девайсами имею дело. правда, уже асинхронники пошли. такие больше теперь на китайских щтаберелах или ричтраках погрузчиках типа heli или hc (ханча). контроллеры пр-во болгария, работают хорошо.

Добавлено after 2 minutes 2 seconds:
а может запрограммирован как тяговый. только на тяге обмотки возбуждения всегда отдельно подключаются.


Вернуться наверх
 
Не в сети
 Заголовок сообщения: Re: Подключение контроллера Curtis 1253-8001
СообщениеДобавлено: Вт сен 27, 2022 17:47:34 
Родился

Зарегистрирован: Вт сен 27, 2022 17:36:18
Сообщений: 1
Рейтинг сообщения: 0
Прокоп можешь скинуть номер в личку тоже занимаюсь складской техникой хотел пообщаться по обмену информацией.


Вернуться наверх
 
Не в сети
 Заголовок сообщения: Re: Подключение контроллера Curtis 1253-8001
СообщениеДобавлено: Сб окт 28, 2023 15:11:29 
Родился

Зарегистрирован: Сб окт 28, 2023 15:03:46
Сообщений: 1
Рейтинг сообщения: 0
Доброго времени суток, подскажите чем дело кончилось? Удалось запустить контроллер?


Вернуться наверх
 
Показать сообщения за:  Сортировать по:  Вернуться наверх
Начать новую тему Ответить на тему  [ Сообщений: 8 ] 

Часовой пояс: UTC + 3 часа


Кто сейчас на форуме

Сейчас этот форум просматривают: нет зарегистрированных пользователей и гости: 11


Вы не можете начинать темы
Вы не можете отвечать на сообщения
Вы не можете редактировать свои сообщения
Вы не можете удалять свои сообщения
Вы не можете добавлять вложения

Найти:
Перейти:  


Powered by phpBB © 2000, 2002, 2005, 2007 phpBB Group
Русская поддержка phpBB
Extended by Karma MOD © 2007—2012 m157y
Extended by Topic Tags MOD © 2012 m157y