Например TDA7294

Форум РадиоКот • Просмотр темы - Вопрос про динамическую индикацию!
Форум РадиоКот
Здесь можно немножко помяукать :)

Текущее время: Чт мар 12, 2026 18:36:13

Часовой пояс: UTC + 3 часа


ПРЯМО СЕЙЧАС:



Начать новую тему Ответить на тему  [ Сообщений: 40 ]    , 2
Автор Сообщение
 Заголовок сообщения: Re: Вопрос про динамическую индикацию!
СообщениеДобавлено: Чт окт 16, 2025 16:22:47 
Друг Кота

Карма: 1
Рейтинг сообщений: 91
Зарегистрирован: Вт мар 13, 2012 12:16:13
Сообщений: 9031
Откуда: .ru
Рейтинг сообщения: 0
не надо ничего выдумывать...
просто добавляем буфер из регистров и всё ))
-сначала загружаем в сдвиговые регистры всю картинку целиком по одному проводу...
-затем подаём строб на все буферные регистры и вся картинка переносится в буфер и сразу появляется на экране целиком.
вот и всё))
и ничего не мерцает.
что может быть проще...
:tea:


Вернуться наверх
 
 Заголовок сообщения: Re: Вопрос про динамическую индикацию!
СообщениеДобавлено: Чт окт 16, 2025 16:23:07 
Мудрый кот

Карма: 25
Рейтинг сообщений: 499
Зарегистрирован: Сб май 05, 2012 20:24:52
Сообщений: 1873
Откуда: KN34PC, Болгария
Рейтинг сообщения: 0
там нет элемента XOR.

Сделайте сам:
a XOR b = (NOT a AND b) OR (a AND NOT b)

С двумя пригоршнями логических схем (+транслейт).

Еще есть пакет германиевых транзисторов, диодов и больших старых резисторов, можем сделать индикаторы. Но для вас остаюсь схемы триггеры и счетчики, и часы готовы.


Вернуться наверх
 
 Заголовок сообщения: Re: Вопрос про динамическую индикацию!
СообщениеДобавлено: Чт окт 16, 2025 16:42:00 
Модератор
Аватар пользователя

Карма: 153
Рейтинг сообщений: 2942
Зарегистрирован: Сб авг 14, 2010 15:05:51
Сообщений: 19002
Откуда: г. Озерск, Челябинская обл.
Рейтинг сообщения: 0
Медали: 1
Лучший человек Форума 2017 (1)
roman.com писал(а):
не знаю как её готовить... она всё равно будет мерцать...
будет мерцать, когда не знаешь, как её готовить.
BOB51 писал(а):
Для снятия "мерцания" достаточно и 62 Герца выставить...
и эти 62 Гц следует умножить на число разрядов.
на самом деле, вполне достаточно 50 Гц на каждый разряд. то есть, при 8 разрядах частота таймера 400 Гц.

_________________
Мудрость приходит вместе с импотенцией...
Когда на русском форуме переходят на Вы, в реальной жизни начинают бить морду.


Вернуться наверх
 
 Заголовок сообщения: Re: Вопрос про динамическую индикацию!
СообщениеДобавлено: Чт окт 16, 2025 16:44:52 
Друг Кота

Карма: 1
Рейтинг сообщений: 91
Зарегистрирован: Вт мар 13, 2012 12:16:13
Сообщений: 9031
Откуда: .ru
Рейтинг сообщения: 0
там нет элемента XOR.

Сделайте сам:
a XOR b = (NOT a AND b) OR (a AND NOT b)

это получится много деталей...
:roll:
я уже сделал элемент XOR на 4-х элементах NAND... и сделал блок синхронизации.

Изображение

:tea:
veso74 писал(а):
Еще есть пакет германиевых транзисторов, диодов и больших старых резисторов, можем сделать индикаторы.

можно сделать на германиевых транзисторов и диодов... только транзисторы и диоды должно быть высокочастотные.
:roll:
потому что для вывода картинки на LED экран нужна высокая частота кадров... чтобы не мерцало.
:idea:
поэтому я сделал элемент XOR на 4-х быстродействующих элементах NAND... с временем переключения 3 наносекунды.
на схеме написано))
:tea:


Вернуться наверх
 
Эиком - электронные компоненты и радиодетали
 Заголовок сообщения: Re: Вопрос про динамическую индикацию!
СообщениеДобавлено: Чт окт 16, 2025 16:59:48 
Вымогатель припоя
Аватар пользователя

Карма: -15
Рейтинг сообщений: -27
Зарегистрирован: Пн июн 03, 2024 22:29:24
Сообщений: 578
Рейтинг сообщения: 0
roman.com писал(а):
я уже сделал элемент XOR на 4-х элементах NAND...

:facepalm:

Добавлено after 31 second:
Зачем ты его сделал ?


Вернуться наверх
 
 Заголовок сообщения: Re: Вопрос про динамическую индикацию!
СообщениеДобавлено: Чт окт 16, 2025 17:08:14 
Друг Кота

Карма: 1
Рейтинг сообщений: 91
Зарегистрирован: Вт мар 13, 2012 12:16:13
Сообщений: 9031
Откуда: .ru
Рейтинг сообщения: 0
roman.com писал(а):
не знаю как её готовить... она всё равно будет мерцать...
будет мерцать, когда не знаешь, как её готовить.

-у меня на столе LED часы мерцают...
LED часы сделаны на заводе.
если даже на заводе не знают как сделать... то тогда и никто не знает.
:dont_know:


Вернуться наверх
 
 Заголовок сообщения: Re: Вопрос про динамическую индикацию!
СообщениеДобавлено: Чт окт 16, 2025 17:14:00 
Вымогатель припоя
Аватар пользователя

Карма: -15
Рейтинг сообщений: -27
Зарегистрирован: Пн июн 03, 2024 22:29:24
Сообщений: 578
Рейтинг сообщения: 0
У меня на столе самодельные ЛЕД часы ( на 7819 )не мерцают .
Ампер-вольтметр в блоке питания ( на атмеге8 ) , не мерцает .
И все остальные самодельные проекты не мерцают на голых контроллерах, на регистрах 595 во всех выше приведённых схемах.


Вернуться наверх
 
 Заголовок сообщения: Re: Вопрос про динамическую индикацию!
СообщениеДобавлено: Чт окт 16, 2025 17:22:56 
Друг Кота
Аватар пользователя

Карма: 32
Рейтинг сообщений: 968
Зарегистрирован: Пт сен 10, 2021 15:19:36
Сообщений: 6537
Откуда: Протвино
Рейтинг сообщения: 0
Цитата:
Нужен компромисс как по параметрам самого светика так и по времени индикации позиции в блоке развертки.

ну в простых конструкциях редко нужны скважности cущественно >10 . 64 или 1024 это наверн 0.1% задач.
и светодиоды для индикации редко используют на пределе импульсного тока.

по моим наблюдениям обычно это не вызывает проблем, во всяком случае врядли надо пытаться решать их до возможного появления :)


Вернуться наверх
 
 Заголовок сообщения: Re: Вопрос про динамическую индикацию!
СообщениеДобавлено: Чт окт 16, 2025 17:27:24 
Вымогатель припоя
Аватар пользователя

Карма: 2
Рейтинг сообщений: 19
Зарегистрирован: Пн сен 15, 2025 08:43:23
Сообщений: 521
Откуда: Маленький СССР посреди шариатской республики
Рейтинг сообщения: 0
roman.com, а почему на фото показал гирлянду на адресных светодиодах?
Кстати, если их яркость выставлять на максимум, то ШИМа не будет → индивидуалного мерцания тоже.
// ты с этими "занавесками" осторожней: в прошлом году было, "замели" кого-то за то, что занавеска внезапно показала фашистский символ и народ с улицы это сфотографировал и отправил "куда надо"...

Кстати, ШИМ-мерцание ярких светодиодов на частоте свыше 16Гц можно заметить, лишь если специально головой туда-сюда мотать. Или обтюратор перед глазом крутить.

_________________
Windows must die!


Вернуться наверх
 
 Заголовок сообщения: Re: Вопрос про динамическую индикацию!
СообщениеДобавлено: Чт окт 16, 2025 17:35:58 
Друг Кота
Аватар пользователя

Карма: 96
Рейтинг сообщений: 1505
Зарегистрирован: Вт мар 16, 2010 22:02:27
Сообщений: 15516
Откуда: ДОНЕЦК
Рейтинг сообщения: 0
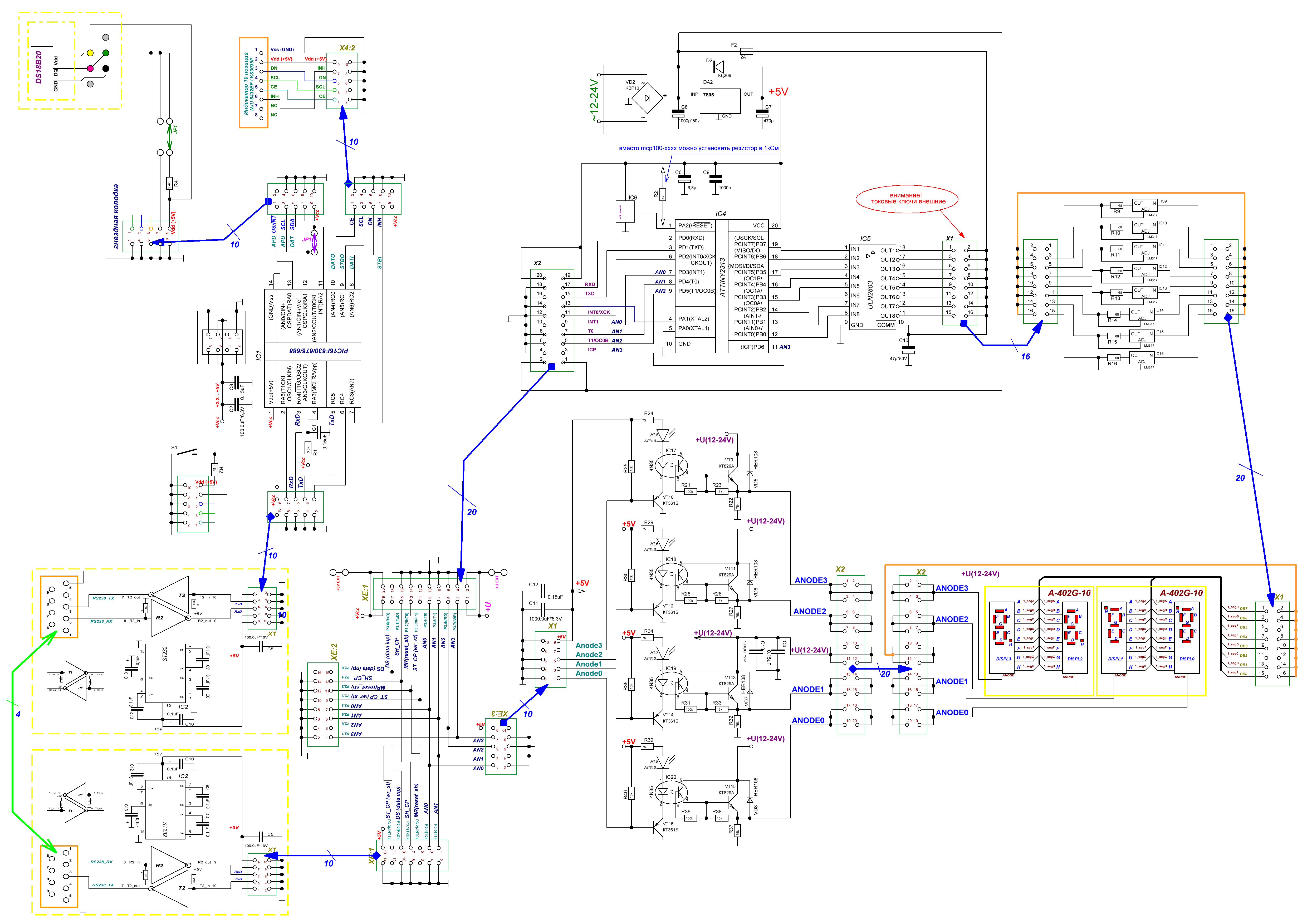
Был у меня как то давненько один проектик с "внешним дисплеем" (на повыделываться вида "а что б еще заморочить??")
Собственно общая схема
https://img.radiokot.ru/files/20529/3v30peic44.GIF
и прожка для того дисплейчика (ассемблер авр студио 4.19)
Вложение:
extdi_2313.rar [46.23 KiB]
Скачиваний: 96

жжуууттььь....
8)


Вернуться наверх
 
 Заголовок сообщения: Re: Вопрос про динамическую индикацию!
СообщениеДобавлено: Чт окт 16, 2025 17:38:42 
Вымогатель припоя
Аватар пользователя

Карма: 2
Рейтинг сообщений: 19
Зарегистрирован: Пн сен 15, 2025 08:43:23
Сообщений: 521
Откуда: Маленький СССР посреди шариатской республики
Рейтинг сообщения: 0
[off]
Цитата:
extdi_2313.rar

Мне интересно: rar кроме русских и китайцев кто-нибудь использует? Лично я этот дурной формат встречал только на отечественных и китайских файлопомойках.
Как будто бы нельзя в кошерный 7z запаковать!
[/off]

_________________
Windows must die!


Вернуться наверх
 
 Заголовок сообщения: Re: Вопрос про динамическую индикацию!
СообщениеДобавлено: Чт окт 16, 2025 18:00:22 
Друг Кота

Карма: 1
Рейтинг сообщений: 91
Зарегистрирован: Вт мар 13, 2012 12:16:13
Сообщений: 9031
Откуда: .ru
Рейтинг сообщения: 0
у меня не адресные светодиоды... обычные)) несколько лент переключались по отдельному ключу... не суть.
просто как пример... как они развешаны по всему дому... красиво))

Изображение

что это ? зачем это ? куда это ? для чего это ? ))

а может просто взять кучу МК... с кучей выводов... и подключить все светодиоды на все свободные выводы...
получится один большой буфер... со статической индикацией...
и можно управлять всем по одному проводу))
:idea: :idea: :idea: :idea: :idea: :idea: :idea: :idea: :idea:
будет прикольно))
:tea:


Вернуться наверх
 
 Заголовок сообщения: Re: Вопрос про динамическую индикацию!
СообщениеДобавлено: Чт окт 16, 2025 18:34:15 
Вымогатель припоя
Аватар пользователя

Карма: -15
Рейтинг сообщений: -27
Зарегистрирован: Пн июн 03, 2024 22:29:24
Сообщений: 578
Рейтинг сообщения: 0
Вот интересно адресные светодиоды это светодиоды с адресом , или как у меня в ргб матрицах с последовательным вводом информации ?

Добавлено after 1 minute 32 seconds:
типа таких
Изображение


Вернуться наверх
 
 Заголовок сообщения: Re: Вопрос про динамическую индикацию!
СообщениеДобавлено: Чт окт 16, 2025 18:51:02 
Модератор
Аватар пользователя

Карма: 153
Рейтинг сообщений: 2942
Зарегистрирован: Сб авг 14, 2010 15:05:51
Сообщений: 19002
Откуда: г. Озерск, Челябинская обл.
Рейтинг сообщения: 0
Медали: 1
Лучший человек Форума 2017 (1)
roman.com писал(а):
у меня на столе LED часы мерцают...
LED часы сделаны на заводе.
если даже на заводе не знают как сделать... то тогда и никто не знает.
а телевизор 50 кадров в секунду у тебя тоже мерцает?
в кино ходишь? и в кинотеатре кино 24 кадра в секунду для тебя тоже должно сильно мерцать.

_________________
Мудрость приходит вместе с импотенцией...
Когда на русском форуме переходят на Вы, в реальной жизни начинают бить морду.


Вернуться наверх
 
 Заголовок сообщения: Re: Вопрос про динамическую индикацию!
СообщениеДобавлено: Чт окт 16, 2025 20:02:46 
Друг Кота
Аватар пользователя

Карма: 96
Рейтинг сообщений: 1505
Зарегистрирован: Вт мар 16, 2010 22:02:27
Сообщений: 15516
Откуда: ДОНЕЦК
Рейтинг сообщения: 3
roman.com писал(а):
...

что это ? зачем это ? куда это ? для чего это ? ))...



Это просто пример динамической индикации (выносной/удаленный индикатор с возможностью дистанционной регулировки яркости) - как практический пример реализации динамической индикации для топикстартера. (пересылка данных по обычному RS232...)
Мне для учебной тренировки-развлекухи нужен был
По крайней мере схема не рисунок от ардуино художников.
:wink:
Кстати... китаянцы сейчас на подобном принципе микру с индикатором как комплектующий модуль для ардуинок и прочего выпустили...
https://img.radiokot.ru/files/20529/3v37o0hyyc.jpg
https://img.radiokot.ru/files/20529/3v37o223ad.jpg
на основе DM49C04.....
Месяц назад в продаже появились.
8)


Вернуться наверх
 
 Заголовок сообщения: Re: Вопрос про динамическую индикацию!
СообщениеДобавлено: Чт окт 16, 2025 22:51:08 
Друг Кота

Карма: 1
Рейтинг сообщений: 91
Зарегистрирован: Вт мар 13, 2012 12:16:13
Сообщений: 9031
Откуда: .ru
Рейтинг сообщения: 0
в кино давно не был... не помню))
а телевизор 50 кадров в секунду тоже мерцает.
поэтому телевизор 50 кадров в секунду я давно уже выкинул... и купил телевизор 400 кадров в секунду... он не мерцает.
правда он стоит в два раза дороже)) но оно того стоит.
:tea:
правда телевизор 400 кадров в секунду LCD... а мы говорим про LED...
поэтому правильно наверное будет сравнивать с телевизором OLED...
:roll:
не знаю... куплю расскажу))
:tea:

Добавлено after 2 minutes 32 seconds:
при чём тут пересылка данных по обычному RS232...
вопрос был что эо за устройство ? и что оно делает ? и зачем оно вообще нужно ? ))
:roll:
а RS232... я уже забыл что это такое)) последний раз что-то делал на RS232... 20 лет тому назад))
:tea:


Вернуться наверх
 
 Заголовок сообщения: Re: Вопрос про динамическую индикацию!
СообщениеДобавлено: Чт окт 16, 2025 22:58:05 
Вымогатель припоя
Аватар пользователя

Карма: 2
Рейтинг сообщений: 19
Зарегистрирован: Пн сен 15, 2025 08:43:23
Сообщений: 521
Откуда: Маленький СССР посреди шариатской республики
Рейтинг сообщения: 0
Цитата:
китаянцы сейчас на подобном принципе микру с индикатором как комплектующий модуль для ардуинок и прочего выпустили...

Вот же козлы! Я уже успел накупить с десяток "вольтметров" на STM8, которые перепрошивал на UART'овский индикатор… А из некоторых термометры делал.
Интересно, что там за чип "под брюхом"? Нормальный МК или OTP? Или вообще что-то аппаратное?

_________________
Windows must die!


Вернуться наверх
 
 Заголовок сообщения: Re: Вопрос про динамическую индикацию!
СообщениеДобавлено: Чт окт 16, 2025 23:10:18 
Друг Кота
Аватар пользователя

Карма: 96
Рейтинг сообщений: 1505
Зарегистрирован: Вт мар 16, 2010 22:02:27
Сообщений: 15516
Откуда: ДОНЕЦК
Рейтинг сообщения: 0
Данных так и не удалось накопать...
Пишется про DM49C04 но чего оно такое...
Скорее таки вариант масочного МК по подобию того, что я выше выложил.
:dont_know:


Вернуться наверх
 
 Заголовок сообщения: Re: Вопрос про динамическую индикацию!
СообщениеДобавлено: Пт окт 17, 2025 12:54:05 
Это не хвост, это антенна

Карма: 12
Рейтинг сообщений: 133
Зарегистрирован: Вт июн 07, 2011 08:03:18
Сообщений: 1360
Рейтинг сообщения: 0
Я такую на tiny2313 делал. 1 конденсатор и индикатор. Иногда паразитный ds18b20 подключал без резистора! И кнопку. И в сетку из 3-х шт. включал. Типа табло.


Вернуться наверх
 
 Заголовок сообщения: Re: Вопрос про динамическую индикацию!
СообщениеДобавлено: Сб окт 25, 2025 22:32:21 
Нашел транзистор. Понюхал.

Зарегистрирован: Сб июл 30, 2011 21:00:24
Сообщений: 185
Рейтинг сообщения: 0
а ещё можно сделать так...
или так...
но это всё динамическая индикация...
я бы так делать не стал))

Сейчас использовать среднюю интеграцию для таких задач вроде как прошлый век.
Если нужна статическая индикация, то, наверно, подойдёт MBI5026.
Там вроде как как 16 каналов, это два 8-разрядных индикатора, и статический вывод.
Микросхема древняя, может быть, сейчас есть что-нибудь получше.


Вернуться наверх
 
Показать сообщения за:  Сортировать по:  Вернуться наверх
Начать новую тему Ответить на тему  [ Сообщений: 40 ]    , 2

Часовой пояс: UTC + 3 часа


Вы не можете начинать темы
Вы не можете отвечать на сообщения
Вы не можете редактировать свои сообщения
Вы не можете удалять свои сообщения
Вы не можете добавлять вложения

Найти:
Перейти:  


Powered by phpBB © 2000, 2002, 2005, 2007 phpBB Group
Русская поддержка phpBB
Extended by Karma MOD © 2007—2012 m157y
Extended by Topic Tags MOD © 2012 m157y