Например TDA7294

Форум РадиоКот • Просмотр темы - Програмирование pic на СИ.
Форум РадиоКот
Здесь можно немножко помяукать :)

Текущее время: Ср мар 25, 2026 12:15:34

Часовой пояс: UTC + 3 часа


ПРЯМО СЕЙЧАС:



Начать новую тему Ответить на тему  [ Сообщений: 2017 ]     ... , , , 71, , , ...  
Автор Сообщение
 Заголовок сообщения: Re: Програмирование pic на СИ.
СообщениеДобавлено: Сб янв 24, 2026 02:00:01 
Прорезались зубы

Карма: -4
Рейтинг сообщений: -41
Зарегистрирован: Сб дек 24, 2011 10:17:24
Сообщений: 200
Рейтинг сообщения: 0
моментально забываем про ВПН

Увы, мой провайдер при включении ВПН тут же отключает интернет. Я разные ВПН пробовал. :) :tea:


А не пробовали сменить провайдера????

Использование библиотек действительно экономит время, но, к сожалению, не позволяет заменить 5-долларовым МК 25-долларовую пару микросхем. Такие вот библиотеки.
А все потому, что DSP инструкции обсуждаемой платформы не нативны для Си и вся библиотека DSP - суть есть обычные инстриники. Причем написанные достаточно тупо. Лично проверил. У меня имеются примерно полсотни серьезных СЕРИЙНЫХ проектов на dsPIC33, включая dsPIC33CH. :wink: :tea: Полстраны заставлены моими проектами.


Опять самолюбование:) - на всех остальных разработчиков всего полстраны осталось????
Я бы тоже Вам рекомендовал не лезть в драку, не зная противника:)
И утверждение что DSP инструкции обсуждаемой платформы не нативны для Си - просто ересь:)
Ответьте на вопрос - а что нативно для Си? :))

Для тех, кто в танке абисняю.
Этот стандарт позволяет читать метки на расстоянии 1,1 метра от антенны. Такой результат получен.
Есть два варианта топологии ридера.
1. Самый примитивный. На входе приемника стоит диодный детектор и далее обычный ширпотребный ЧМ приемник, на выходе которого получают искомый манчестер ответа метки. Недостаток - очень малый динамический диапазон и, как следствие, предельная дальность не более 90 см и при условии низкого уровня помех.
2. На входе стоит квадратурная пара смесителей (типа SA612 или аналогичные) и на их выходе имеется пара поднесущих ответа - они усиливаются и попадают на два отдельных АЦП с производительностью порядка 5 мспс. Далее с помощью DSP вытягивается манчестер.
У меня второй вариант.

Вам по ходу шлемофон точно голову сдавил :))
Или мыши плакали, кололись и продолжали есть кактус????? :)) :))
Объясню - зачем для таких задач использовать DSP, если можно взять копеечные модули от Nordic или Silabs (nRF54L15 и EFR32BG24 соответственно) с BLE6, и используя channel sounding измерять расстояние между приемником и передатчиком с сантиметровой точностью????? На расстоянии действия блютуса???? И читать с передатчика всё что угодно????
Кстати, у нордика нет асма от слова совсем:) - там RTOS Зефир (не путать с конфетами:) )


Вернуться наверх
 
 Заголовок сообщения: Re: Програмирование pic на СИ.
СообщениеДобавлено: Сб янв 24, 2026 03:02:09 
Нашел транзистор. Понюхал.

Карма: -11
Рейтинг сообщений: -129
Зарегистрирован: Пт мар 29, 2013 23:53:14
Сообщений: 155
Рейтинг сообщения: 0
моментально забываем про ВПН

Увы, мой провайдер при включении ВПН тут же отключает интернет. Я разные ВПН пробовал. :) :tea:


А не пробовали сменить провайдера????

Вам по ходу шлемофон точно голову сдавил :))
Или мыши плакали, кололись и продолжали есть кактус????? :)) :))
Объясню - зачем для таких задач использовать DSP, если можно взять копеечные модули от Nordic или Silabs (nRF54L15 и EFR32BG24 соответственно) с BLE6, и используя channel sounding измерять расстояние между приемником и передатчиком с сантиметровой точностью????? На расстоянии действия блютуса???? И читать с передатчика всё что угодно????
Кстати, у нордика нет асма от слова совсем:) - там RTOS Зефир (не путать с конфетами:) )


igorg1 - А Вам шлемофон не давит?
Т.е. Вы считаете - что там некие недоношенные на "блюсрал" - это САМО то, что сейчас нужно предприятиям и конкретно кому-то?
Я ЛИЧНО (имхо) считаю - что чем меньше радионавоза - тем лучше, и на предприятии предпочитаю использовать ОБЫЧНЫЕ КНОПКИ! :)
На крайний случай сим и код доступа.
Никакой там блютуз и прочее не получит доступа к моей котельной чтобы править там настройки :)

А теперь по факту: Мы здесь обсуждаем вроде работу ПИК на СИ? Может свалите со своими блювал в разные стороны?
Или есть что сказать по факту?


Вернуться наверх
 
 Заголовок сообщения: Re: Програмирование pic на СИ.
СообщениеДобавлено: Сб янв 24, 2026 06:58:12 
Друг Кота
Аватар пользователя

Карма: 139
Рейтинг сообщений: 2987
Зарегистрирован: Чт янв 10, 2008 22:01:02
Сообщений: 25071
Откуда: Московская область, Фрязино
Рейтинг сообщения: 0
я так понимаю - примера в дизасм о т Вас не будет

Чукча не читатель? Чукча писатель? :facepalm:

Добавлено after 3 minutes 7 seconds:
КРАМ, а ссылочку на гитхаб?

На предмет чего, Эдуард?
С каких пор тебя заинтересовала продукция Микрочипа? Или тебя интересует HF RFID ридер ISO15693?

Добавлено after 17 minutes 10 seconds:
А не пробовали сменить провайдера?

Еще раз. "Не ищи дурее себя." (с)
Я так понимаю, что цитату из мануала на компилятор про оптимизацию "debug" и указания на название компилятора и версию я не увижу? :)
на всех остальных разработчиков всего полстраны осталось?

Примерно так. Раньше было моих 70% рынка противокражных систем для ритейла. Сейчас китаезы активно на рынок заходят, а рынок сжимается. Российских разработчиков этих систем кроме нас вообще нет и никогда не было. Есть только те, кто занимается сборкой китайских, делая вид, что это их продукция.
Я бы тоже Вам рекомендовал не лезть в драку, не зная противника

Так уже знаю.
Достаточно вот такого перла:
И утверждение что DSP инструкции обсуждаемой платформы не нативны для Си - просто ересь:)
Ответьте на вопрос - а что нативно для Си?

Я так понимаю, что про DSP инструкции dsPIC вы знаете только то, что они есть. :)))
Любезный, а может прекратите нести ахинею по вопросам, в которых вы не только не разбираетесь, но даже не представляете о чем идет речь вообще?
Второй перл:
зачем для таких задач использовать DSP, если можно взять копеечные модули от Nordic или Silabs (nRF54L15 и EFR32BG24 соответственно) с BLE6, и используя channel sounding измерять расстояние между приемником и передатчиком с сантиметровой точностью????? На расстоянии действия блютуса???? И читать с передатчика всё что угодно????

Для каких "таких" задач?
Я вел разговор про ISO15693. Какое отношение все перечисленные микросхемы имеют к этому стандарту?
Какое отношение к этому стандарту имеет "измерение расстояний между приемником и передатчиком с сантиметровой точностью"?
Вы хватили прокисшей водки? Или "забили штакет"?
Ну как вас не узнать после такой рандомной ахинеи? :facepalm: :music:


Вернуться наверх
 
 Заголовок сообщения: Re: Програмирование pic на СИ.
СообщениеДобавлено: Сб янв 24, 2026 07:11:24 
Прорезались зубы

Карма: -4
Рейтинг сообщений: -41
Зарегистрирован: Сб дек 24, 2011 10:17:24
Сообщений: 200
Рейтинг сообщения: -4
КРАМ писал(а):
Для каких "таких" задач?
Я вел разговор про ISO15693. Какое отношение все перечисленные микросхемы имеют к этому стандарту?
Какое отношение к этому стандарту имеет "измерение расстояний между приемником и передатчиком с сантиметровой точностью"?
Вы хватили прокисшей водки? Или "забили штакет"?


Ясно всё с достопочтенным :)) :))
Вот просто не охота общаться с "гуру" программирования, возомнившем себя разработчиком пол России :shock: :shock:
Дальше без меня :))


Вернуться наверх
 
Эиком - электронные компоненты и радиодетали
 Заголовок сообщения: Re: Програмирование pic на СИ.
СообщениеДобавлено: Сб янв 24, 2026 07:52:08 
Друг Кота
Аватар пользователя

Карма: 139
Рейтинг сообщений: 2987
Зарегистрирован: Чт янв 10, 2008 22:01:02
Сообщений: 25071
Откуда: Московская область, Фрязино
Рейтинг сообщения: 0
Дальше без меня

Это единственно верное ваше решение в этой теме.
Читать ваш рандомный бред как то нет интереса.


Вернуться наверх
 
 Заголовок сообщения: Re: Програмирование pic на СИ.
СообщениеДобавлено: Сб янв 24, 2026 08:11:45 
Прорезались зубы

Карма: -4
Рейтинг сообщений: -41
Зарегистрирован: Сб дек 24, 2011 10:17:24
Сообщений: 200
Рейтинг сообщения: -4
Дальше без меня

Это единственно верное ваше решение в этой теме.
Читать ваш рандомный бред как то нет интереса.


Знаете как говорят? - "Слепому не покажешь, глухому не расскажешь, а ДЛБ - не объяснишь" :)) :))
Пытаться нести бред про разработки для пол России, самолюбоваться от мнимой собственной крутизны, своё мнимое правильное мнение и опыт незнайки возводить в ранг аксиомы, разводить срач в форуме - удел немногих глупых людей.
У вас это превосходно получается.
Дерзайте дальше. Точка.


Вернуться наверх
 
 Заголовок сообщения: Re: Програмирование pic на СИ.
СообщениеДобавлено: Сб янв 24, 2026 12:38:03 
Друг Кота
Аватар пользователя

Карма: 139
Рейтинг сообщений: 2987
Зарегистрирован: Чт янв 10, 2008 22:01:02
Сообщений: 25071
Откуда: Московская область, Фрязино
Рейтинг сообщения: 0
своё мнимое правильное мнение и опыт незнайки возводить в ранг аксиомы

Из перечня вопросов, которые я сформулировал лично для вас, вы не ответили НИ НА ОДИН.
Я так понимаю, что ваше неприкрытое хамство выполняет роль слива по всем этим вопросам.
Повторю их.
1. Напишите любой доступный для вас код на Си, чтобы компилятор XC16 сгенерировал дизасм с использованием ЛЮБЫХ инструкций модуля DSP в dsPIC33. Хотя бы одной. На выбор. Это и будет доказательством нативности DSP VLIW архитектуры для Си.
2. Расскажите мне, каким таким образом, блютуз или вайфай (нордик или ЕСП - не важно) способны запросить RFID метки ЛЮБОГО стандарта и получить от них отклик с их содержимым (UID, флаги, внутренний флеш, разрулить коллизии при наличии в поле более одной метки). К чему было упоминание об этих модулях? Или вы решили просто пофлудить вне заданной темы?
3. Каким образом HiRes PWM связан с Си? В каком месте при инициализации этого модуля требуется высокая скорость от процессора? К чему вы приплели этот модуль в данной теме?
4. Процитируйте мануал на любой из компиляторов Микрочипа любой версии, где будет упомянут уровень оптимизации "debug".
Приведу пример не самой новой версии 1.70 XC16 (2021 год):
Изображение

Еще пример так же не самой новой версии 2.36 XC8 (2023 год):
Изображение

Обе картинки кликабельны. Можете их увеличить.
И в качестве примечания.
Уровень оптимизации mpa не является оптимизацией собственно Си. Это оптимизация на уровне ассемблера, когда ассемблерный код подвергают процедуре "anti-inline". То есть искусственному абстрагированию с генерацией новых функций обнаруженных идентичных участков кода.
Это точно не про debug. :)))


Вернуться наверх
 
 Заголовок сообщения: Re: Програмирование pic на СИ.
СообщениеДобавлено: Сб янв 24, 2026 13:40:03 
Прорезались зубы

Карма: -4
Рейтинг сообщений: -41
Зарегистрирован: Сб дек 24, 2011 10:17:24
Сообщений: 200
Рейтинг сообщения: 0
своё мнимое правильное мнение и опыт незнайки возводить в ранг аксиомы

Из перечня вопросов, которые я сформулировал лично для вас, вы не ответили НИ НА ОДИН.
Я так понимаю, что ваше неприкрытое хамство выполняет роль слива по всем этим вопросам.
Повторю их.
1. Напишите любой доступный для вас код на Си, чтобы компилятор XC16 сгенерировал дизасм с использованием ЛЮБЫХ инструкций модуля DSP в dsPIC33. Хотя бы одной. На выбор. Это и будет доказательством нативности DSP VLIW архитектуры для Си.
2. Расскажите мне, каким таким образом, блютуз или вайфай (нордик или ЕСП - не важно) способны запросить RFID метки ЛЮБОГО стандарта и получить от них отклик с их содержимым (UID, флаги, внутренний флеш, разрулить коллизии при наличии в поле более одной метки). К чему было упоминание об этих модулях? Или вы решили просто пофлудить вне заданной темы?
3. Каким образом HiRes PWM связан с Си? В каком месте при инициализации этого модуля требуется высокая скорость от процессора? К чему вы приплели этот модуль в данной теме?
4. Процитируйте мануал на любой из компиляторов Микрочипа любой версии, где будет упомянут уровень оптимизации "debug".
Приведу пример не самой новой версии 1.70 XC16 (2021 год):
Изображение

Еще пример так же не самой новой версии 2.36 XC8 (2023 год):
Изображение

Обе картинки кликабельны. Можете их увеличить.
И в качестве примечания.
Уровень оптимизации mpa не является оптимизацией собственно Си. Это оптимизация на уровне ассемблера, когда ассемблерный код подвергают процедуре "anti-inline". То есть искусственному абстрагированию с генерацией новых функций обнаруженных идентичных участков кода.
Это точно не про debug. :)))


Отвечаю по порядку:)
1. Проект стабилизатора тока и напряжения на дсПИК33СН (понижающего, ампера на 3, вольт на 12 - на большее под рукою нет катушки) выложу сюда - проект будет сделан на MPLABx Extension for VS Code - хотя вы сможете его открыть в МПЛАБх 6.25. Возможно сделаю на дсПИК33СК - и приложу фото (видео) как это работает на отладочной плате вкупе с самодельной платой силовой части. Чтобы убрать сразу вопросы (и некомпентентность вашу) по поводу АСМ, и вы увидите как Power Smart воткнет туда АСМ и как он это сделает - прямо покажу как его использовать. А потом вы расскажете здесь, что дсПИК33 нужен только для цифровой обработки сигнала. И смотрим даташит для начала на них - и отвечаем сразу себе что такое SMPS и почему они заточены для него:). Я напишу код на Си - а уж как вы будете делать дизАСМ - дело ваше:) Про АСМ я ничего не говорил, ваше утверждение что рулит только дизАСМ - ложно:). И компилятор наверное будет не ХС16, а XC-DSC :)) :))
2. А где я написал что синезуб или вафля будут читать радиометку???? Я написал что использование технологий из 90-х - это не есть хорошо:) вы похоже плохо читали, или как вы выражаетесь, курнули штакетник:)
3. Увидите код - поймете зачем там ШИМ высокого разрешения и как он связан со всеми остальными делами:) - и почему там будет куча АСМ файлов:)
4. Открываете мою ссылку - там скрин микрочип привел:) Только не надо орать что это для АВР - ХС компилятор - он и в Африке ХС:) Только что глянул в настройки ХС32:) - там могу много интересных флажков показать:)

И в качестве примечания:) - уровень оптимизации - это ноу-хау микрочип:)
Скачайте тоже расширение Нордика для VS code - и когда будете собирать проект - там сразу и будете указывать - для чего - для дебага или конечного продукта:) - такая же фишка есть и в МПЛАБх - наверное вы не знали:) А уровня оптимизации у указанных мною компаний, кроме уровня ДЕБАГ, нет.

Итак, о чем мы договоримся????
Я скину проект преобразователя (с видео и фото), вы смотрите по даташиту предназначение указанных мною дсПиков (не надо их путать с дсПИКами30 40-30й серии), а вы мне покажите пример кода обмена между мастером и слейвом на дсПИК33СН на АСМе - очень охота посмотреть как вы это сделали - вы же почти всю Россию заполонили 2-х ядерными дсПИКами:) - и не гоже такому спецу как вы пользоваться чужими библиотеками - АСМ - он РУЛИТ:) - и если я прав - вы просто извинитесь передо мной. - скажем так, переведем словесную дуэль на реальные рельсы:) Там и поглядим кто реален:)
Договорились???
Мне надо будет буквально недельку:) - есть и отладочная плата и с 33СН и 33СК
Возможно оформлю статьей - как работать с последними продуктами микрочипа

БЕЗУМНО ЖДУ СОДЕРЖАТЕЛЬНОГО ОТВЕТА, а не типа как вы себе придумали быть с короной:) и оскорблять всех.


Вернуться наверх
 
 Заголовок сообщения: Re: Програмирование pic на СИ.
СообщениеДобавлено: Сб янв 24, 2026 14:24:15 
Нашел транзистор. Понюхал.

Карма: -11
Рейтинг сообщений: -129
Зарегистрирован: Пт мар 29, 2013 23:53:14
Сообщений: 155
Рейтинг сообщения: 0
Ребята! :) КРАМ, igorg1 ... Вы тут конечно КРАСИВО меряетесь пиписками :)
И даже не будем иметь ввиду, что НЕ ВЫ разработали схему в железе, которая физически работает с карточками, метками, вафлёй и жопозадом (bluetooth) ...
И даже не будем вникать в подробности - что библиотеки той работы с этими жопозадыми - не ваши :) ...
Вы работаете на неких фирмах, используете чужие библиотеки, я РАД за ВАС :)
На производстве ВАС уважают! :)
Давайте - Вы свой понос перенесите в личку, а здесь - люди пытаются научиться работать с пиками, на СИ ...
Есть что выложить? - так выкладывайте а не фуфлите :)


Вернуться наверх
 
 Заголовок сообщения: Re: Програмирование pic на СИ.
СообщениеДобавлено: Сб янв 24, 2026 14:48:37 
Прорезались зубы

Карма: -4
Рейтинг сообщений: -41
Зарегистрирован: Сб дек 24, 2011 10:17:24
Сообщений: 200
Рейтинг сообщения: 0
Ребята! :) КРАМ, igorg1 ... Вы тут конечно КРАСИВО меряетесь пиписками :)
И даже не будем иметь ввиду, что НЕ ВЫ разработали схему в железе, которая физически работает с карточками, метками, вафлёй и жопозадом (bluetooth) ...
И даже не будем вникать в подробности - что библиотеки той работы с этими жопозадыми - не ваши :) ...
Вы работаете на неких фирмах, используете чужие библиотеки, я РАД за ВАС :)
На производстве ВАС уважают! :)
Давайте - Вы свой понос перенесите в личку, а здесь - люди пытаются научиться работать с пиками, на СИ ...
Есть что выложить? - так выкладывайте а не фуфлите :)


Подожди, Алекс1102х - последний символ в твоём нике ни на что не намекает? :)) :))
Я разработчик - и именно я разрабатываю СХЕМУ, которая физически работает с карточками, метками, вафлёй и жопозадом (bluetooth) ...
А по поводу библиотек - мой оппонент орет как потерпевший, что он не использует библиотеки, а пишет всё на АСМ :))
Я специально не стал акцентировать внимание например на dsPIC33EPxxxMU8xx - ну на той серии, которая c USB:) - хотел бы я поглядеть, как он напишет стек USB на АСМ:)
Внуки (внучки) его будут дописывать:) на АСМ:) USB стек:)
Казаться крутым - просто, сделать что-то - ой как тяжело.
Правильно, диванный мой оппонент???


Вернуться наверх
 
 Заголовок сообщения: Re: Програмирование pic на СИ.
СообщениеДобавлено: Сб янв 24, 2026 14:50:38 
Друг Кота
Аватар пользователя

Карма: 139
Рейтинг сообщений: 2987
Зарегистрирован: Чт янв 10, 2008 22:01:02
Сообщений: 25071
Откуда: Московская область, Фрязино
Рейтинг сообщения: 0
1.вы увидите как Power Smart воткнет туда АСМ и как он это сделает - прямо покажу как его использовать. А потом вы расскажете здесь, что дсПИК33 нужен только для цифровой обработки сигнала.

Во первых. я ни разу не говорил, что dsPIC33 "нужен только для цифровой обработки сигнала". Это вы придумали сами.
Я лишь сказал, что это ОСНОВНОЕ СВОЙСТВО этой архитектуры, отличающее их от, например, PIC24.
Во-вторых, вы переобуваетесь в воздухе, заменяя своим хвастливым флудом суть моего вопроса.
Цитата:
И утверждение что DSP инструкции обсуждаемой платформы не нативны для Си - просто ересь:)
Ответьте на вопрос - а что нативно для Си?

Речь шла об этой вашей ахинее.
Я предложил вам ее доказать. Вы не можете это сделать по причине отсутствия у вас квалификации.
В-третьих, АСМ никуда не втыкается. Код на АСМе является этапом получения бинарного кода. То есть сначала препроцессор компилятора производит подстановки определенные дефайнами, затем код компилируется в АСМ, затем к нему присоединяются модули ранее написанные на АСМ, затем генерируется перемещаемый код и лишь из него линкер создает бинарный код (bin или hex) для загрузки.
смотрим даташит для начала на них - и отвечаем сразу себе что такое SMPS и почему они заточены для него

Назовите мне страницу даташита, на которой это заявлено. Например даташит на dsPIC33CH512MP508.
ваше утверждение что рулит только дизАСМ - ложно

В каком месте я это говорил? Вы снова лжете.
"рулит только дизАСМ" - это из лексикона хомячков.
Дизасм не может "рулить". Это всего лишь листинг кода после компилятора, позволяющий увидеть результат компиляции и понять качество этой компиляции. Любой даже средний программист всегда контролирует процесс через этот листинг. Сам листинг генерируется вместе с картой памяти как инструмент разработки.
2. А где я написал что синезуб или вафля будут читать радиометку???? Я написал что использование технологий из 90-х - это не есть хорошо

Цитата:
Этот стандарт позволяет читать метки на расстоянии 1,1 метра от антенны. Такой результат получен.
Есть два варианта топологии ридера.... бла...бла...бла...
У меня второй вариант.

зачем для таких задач использовать DSP, если можно взять копеечные модули от Nordic или Silabs (nRF54L15 и EFR32BG24 соответственно) с BLE6, и используя channel sounding измерять расстояние между приемником и передатчиком с сантиметровой точностью?

Где в моем сообщении "технологии 90-х"? Стандарт ISO15693 был сформулирован в 2009 году и последняя ревизия относится к 2015 году.
Что вы имели ввиду, предлагая использовать "для таких задач" блютус и вайфай?
Причем тут измерение расстояний?
Вы снова лжете и переобуваетесь как шулер.
3. Увидите код - поймете зачем там ШИМ высокого разрешения и как он связан со всеми остальными делами:) - и почему там будет куча АСМ файлов

Мне не требуется объяснять для чего применяется HIResPWM.
Для его применения нужна только инициализация и инициализация DMA каналов для загрузки либо самих каналов, либо мастер ШИМа при синхронном управлении каналами.
"куча АСМ файлов" - это для вас куча. Вы просто ничего не понимаете в программировании.
Но зато позволяете себе дуть щеки и кого то учить глупым банальностям.
4. Открываете мою ссылку - там скрин микрочип привел Только не надо орать что это для АВР - ХС компилятор - он и в Африке ХС Только что глянул в настройки ХС32 - там могу много интересных флажков показать
И в качестве примечания - уровень оптимизации - это ноу-хау микрочип

Просто поток сознания. :facepalm:
Компилятор AVR - это GCC (причем тут Микрочип?) и уровень оптимизации og является по сути уровнем o1 с некоторыми особенностями. И причем тут "флажки" XC32?
Никакого ноу-хау микрочипа в этом нет.
Скачайте тоже расширение Нордика для VS code

Вы точно не под веществами? :facepalm:
Итак, о чем мы договоримся?

Ни о чем.
Я не собираюсь договариваться с балаболом.
Мне надо будет буквально недельку:) - есть и отладочная плата и с 33СН и 33СК
Возможно оформлю статьей - как работать с последними продуктами микрочипа

Эти "последним продуктам микрочипа" уже восьмой год пошел. Даташит датируется 2018 годом. В 2020-м я уже выпустил оба изделия на СН в серию.
Так что не надо статей. Вы опоздали, да и при вашем подходе ничего полезного не напишите.
ЗЫ. К последним продуктам нужно отнести dsPIC33A/PIC32A. :music: Это одно и тоже семейство, его просто переобозвали. :tea:


Вернуться наверх
 
 Заголовок сообщения: Re: Програмирование pic на СИ.
СообщениеДобавлено: Сб янв 24, 2026 14:55:31 
Нашел транзистор. Понюхал.

Карма: -11
Рейтинг сообщений: -129
Зарегистрирован: Пт мар 29, 2013 23:53:14
Сообщений: 155
Рейтинг сообщения: 0
1.вы увидите как Power Smart воткнет туда АСМ и как он это сделает - прямо покажу как его использовать. А потом вы расскажете здесь, что дсПИК33 нужен только для цифровой обработки сигнала.

Во первых. я ни разу не говорил, что dsPIC33 "нужен только для цифровой обработки сигнала". Это вы придумали сами.
Я лишь сказал, что это ОСНОВНОЕ СВОЙСТВО этой архитектуры, отличающее их от, например, PIC24.
Во-вторых, вы переобуваетесь в воздухе, заменяя своим хвастливым флудом суть моего вопроса.
Цитата:
И утверждение что DSP инструкции обсуждаемой платформы не нативны для Си - просто ересь:)
Ответьте на вопрос - а что нативно для Си?

Речь шла об этой вашей ахинее.
Я предложил вам ее доказать. Вы не можете это сделать по причине отсутствия у вас квалификации.
В-третьих, АСМ никуда не втыкается. Код на АСМе является этапом получения бинарного кода. То есть сначала препроцессор компилятора производит подстановки определенные дефайнами, затем код компилируется в АСМ, затем к нему присоединяются модули ранее написанные на АСМ, затем генерируется перемещаемый код и лишь из него линкер создает бинарный код (bin или hex) для загрузки.
смотрим даташит для начала на них - и отвечаем сразу себе что такое SMPS и почему они заточены для него

Назовите мне страницу даташита, на которой это заявлено. Например даташит на dsPIC33CH512MP508.
ваше утверждение что рулит только дизАСМ - ложно


1. Мы уже перешли на ты?
2. Последний символ в моём нике напоминает - что у меня фамилия начинается на Х (Ходенков)
3. Вы уже прекращайте тут дерьмом страдать, оставьте таки вопрошающим место под вопросы :)

В каком месте я это говорил? Вы снова лжете.
"рулит только дизАСМ" - это из лексикона хомячков.
Дизасм не может "рулить". Это всего лишь листинг кода после компилятора, позволяющий увидеть результат компиляции и понять качество этой компиляции. Любой даже средний программист всегда контролирует процесс через этот листинг. Сам листинг генерируется вместе с картой памяти как инструмент разработки.
2. А где я написал что синезуб или вафля будут читать радиометку???? Я написал что использование технологий из 90-х - это не есть хорошо

Цитата:
Этот стандарт позволяет читать метки на расстоянии 1,1 метра от антенны. Такой результат получен.
Есть два варианта топологии ридера.... бла...бла...бла...
У меня второй вариант.

зачем для таких задач использовать DSP, если можно взять копеечные модули от Nordic или Silabs (nRF54L15 и EFR32BG24 соответственно) с BLE6, и используя channel sounding измерять расстояние между приемником и передатчиком с сантиметровой точностью?

Где в моем сообщении "технологии 90-х"? Стандарт ISO15693 был сформулирован в 2009 году и последняя ревизия относится к 2015 году.
Что вы имели ввиду, предлагая использовать "для таких задач" блютус и вайфай?
Причем тут измерение расстояний?
Вы снова лжете и переобуваетесь как шулер.
3. Увидите код - поймете зачем там ШИМ высокого разрешения и как он связан со всеми остальными делами:) - и почему там будет куча АСМ файлов

Мне не требуется объяснять для чего применяется HIResPWM.
Для его применения нужна только инициализация и инициализация DMA каналов для загрузки либо самих каналов, либо мастер ШИМа при синхронном управлении каналами.
"куча АСМ файлов" - это для вас куча. Вы просто ничего не понимаете в программировании.
Но зато позволяете себе дуть щеки и кого то учить глупым банальностям.
4. Открываете мою ссылку - там скрин микрочип привел Только не надо орать что это для АВР - ХС компилятор - он и в Африке ХС Только что глянул в настройки ХС32 - там могу много интересных флажков показать
И в качестве примечания - уровень оптимизации - это ноу-хау микрочип

Просто поток сознания. :facepalm:
Компилятор AVR - это GCC (причем тут Микрочип?) и уровень оптимизации og является по сути уровнем o1 с некоторыми особенностями. И причем тут "флажки" XC32?
Никакого ноу-хау микрочипа в этом нет.
Скачайте тоже расширение Нордика для VS code

Вы точно не под веществами? :facepalm:
Итак, о чем мы договоримся?

Ни о чем.
Я не собираюсь договариваться с балаболом.
Мне надо будет буквально недельку:) - есть и отладочная плата и с 33СН и 33СК
Возможно оформлю статьей - как работать с последними продуктами микрочипа

Эти "последним продуктам микрочипа" уже восьмой год пошел. Даташит датируется 2018 годом. В 2020-м я уже выпустил оба изделия на СН в серию.
Так что не надо статей. Вы опоздали, да и при вашем подходе ничего полезного не напишите.
ЗЫ. К последним продуктам нужно отнести dsPIC33A/PIC32A. :music: Это одно и тоже семейство, его просто переобозвали. :tea:


Вернуться наверх
 
 Заголовок сообщения: Re: Програмирование pic на СИ.
СообщениеДобавлено: Сб янв 24, 2026 14:57:15 
Друг Кота
Аватар пользователя

Карма: 139
Рейтинг сообщений: 2987
Зарегистрирован: Чт янв 10, 2008 22:01:02
Сообщений: 25071
Откуда: Московская область, Фрязино
Рейтинг сообщения: 0
А по поводу библиотек - мой оппонент орет как потерпевший, что он не использует библиотеки, а пишет всё на АСМ

Просто оторопь берет с этого бреда и вранья... :facepalm:
Какая связь между библиотеками и АСМом?
Библиотеки могут быть написаны и на АСМе, и на Си. Я не использую ни тех, ни других.
Я пишу свой код. И на Си, и на АСМе, и на смешанном коде. Зависит от платформы и целесообразности.


Вернуться наверх
 
 Заголовок сообщения: Re: Програмирование pic на СИ.
СообщениеДобавлено: Сб янв 24, 2026 15:00:07 
Друг Кота
Аватар пользователя

Карма: 139
Рейтинг сообщений: 2987
Зарегистрирован: Чт янв 10, 2008 22:01:02
Сообщений: 25071
Откуда: Московская область, Фрязино
Рейтинг сообщения: 0
хотел бы я поглядеть, как он напишет стек USB на АСМ?

В чем смысл написания USB на АСМ? Я писал стеки для девайса и для хоста. Естественно на Си.
Все таки вы чего то курнули... :facepalm:


Вернуться наверх
 
 Заголовок сообщения: Re: Програмирование pic на СИ.
СообщениеДобавлено: Сб янв 24, 2026 15:01:30 
Нашел транзистор. Понюхал.

Карма: -11
Рейтинг сообщений: -129
Зарегистрирован: Пт мар 29, 2013 23:53:14
Сообщений: 155
Рейтинг сообщения: 0
мз того что написано выше - я писал только это:

1. Мы уже перешли на ты?
2. Последний символ в моём нике напоминает - что у меня фамилия начинается на Х (Ходенков)
3. Вы уже прекращайте тут дерьмом страдать, оставьте таки вопрошающим место под вопросы :)


Вернуться наверх
 
 Заголовок сообщения: Re: Програмирование pic на СИ.
СообщениеДобавлено: Сб янв 24, 2026 15:03:15 
Друг Кота
Аватар пользователя

Карма: 139
Рейтинг сообщений: 2987
Зарегистрирован: Чт янв 10, 2008 22:01:02
Сообщений: 25071
Откуда: Московская область, Фрязино
Рейтинг сообщения: 0
И даже не будем иметь ввиду, что НЕ ВЫ разработали схему в железе, которая физически работает с карточками, метками...

Я и не буду это иметь ввиду. Потому что именно я разрабатываю эти схемы.
Вот, например, упомянутый ранее ридер:
Изображение


Вернуться наверх
 
 Заголовок сообщения: Re: Програмирование pic на СИ.
СообщениеДобавлено: Сб янв 24, 2026 15:14:47 
Нашел транзистор. Понюхал.

Карма: -11
Рейтинг сообщений: -129
Зарегистрирован: Пт мар 29, 2013 23:53:14
Сообщений: 155
Рейтинг сообщения: 0
И даже не будем иметь ввиду, что НЕ ВЫ разработали схему в железе, которая физически работает с карточками, метками...

Я и не буду это иметь ввиду. Потому что именно я разрабатываю эти схемы.
Вот, например, упомянутый ранее ридер:
Изображение


Т.е - это Вы разработали? неправда ли? :)
Схему плиз в студию, и не надо ссылаться на то - что китайский сайт сейчас не отвечает :)
А два входа антенных - это тоже для карточки, для которой по сути нужна катушка, диаметром ну там 7 * 7 см, операционник и один вход проца для входа, а второй вход проца для создания на катушке импульсов?!?
Не?
https://mtburlica.by/?utm_source=yandex ... aip=1#back

а я думал - что считыватели выглядят немного более утончённо :)


Вернуться наверх
 
 Заголовок сообщения: Re: Програмирование pic на СИ.
СообщениеДобавлено: Сб янв 24, 2026 15:27:22 
Друг Кота
Аватар пользователя

Карма: 139
Рейтинг сообщений: 2987
Зарегистрирован: Чт янв 10, 2008 22:01:02
Сообщений: 25071
Откуда: Московская область, Фрязино
Рейтинг сообщения: 0
Т.е - это Вы разработали? неправда ли?

Именно я. Единолично. Немного наш конструктор поработал с коррекцией топологии платы перед выпуском в серию.
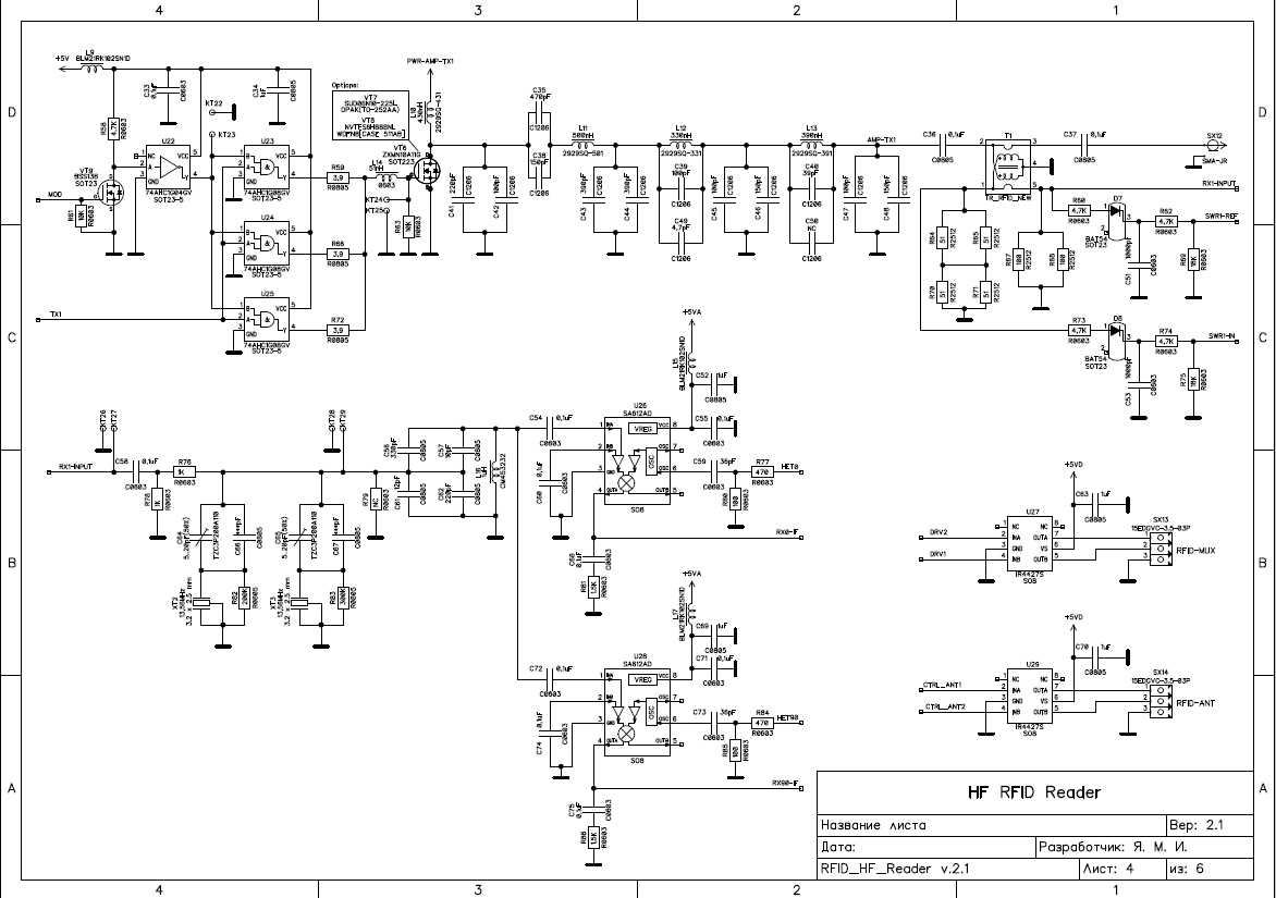
Схему плиз в студию, и не надо ссылаться на то - что китайский сайт сейчас не отвечает

Всю схему я вам, естественно, не покажу. Во первых, это 6 листов. Во вторых это коммерческий продукт.
Фрагмент с передатчиком и входными смесителями - извольте:
Изображение
Инициалы на штампе мои. :)
А два входа антенных - это тоже для карточки, для которой по сути нужна катушка, диаметром ну там 7 * 7 см, операционник и один вход проца для входа, а второй вход проца для создания на катушке импульсов?!?
Не?
.....
а я думал - что считыватели выглядят немного более утончённо

Зависит от назначения ридера. Это ридер с расстоянием детекции между двумя антеннами 1,8 м. Если антенна одна - 1,1 м
Почитайте о назначении меток стандарта ISO15693.
Два коаксиальных разъема внизу платы - это атавизм синхронизации соседних систем. Он уже исключен из схемы. Ошибочный путь. Так бывает. Зато на фото отсутствуют антенные коммутаторы и плата согласования в самой антенне. Но они имеются.
Есть карты ближней зоны стандарта ISO14443. Это те самые банковские карты, карты СКУД, транспортные карты и даже карты в загранпаспортах.
Там чтение происходит на расстоянии не более пары см. Но и ридеры этих карт устроены совершенно не так, как вы описали.
Есть для них есть интегральные ридеры реализующие тоже самое, что у меня в схеме. Только чувствительность на порядок ниже.
Эти микросхемы работают с МК, выдавая на МК сразу готовый код.


Последний раз редактировалось КРАМ Сб янв 24, 2026 15:32:35, всего редактировалось 1 раз.

Вернуться наверх
 
 Заголовок сообщения: Re: Програмирование pic на СИ.
СообщениеДобавлено: Сб янв 24, 2026 15:29:09 
Прорезались зубы

Карма: -4
Рейтинг сообщений: -41
Зарегистрирован: Сб дек 24, 2011 10:17:24
Сообщений: 200
Рейтинг сообщения: 0
А по поводу библиотек - мой оппонент орет как потерпевший, что он не использует библиотеки, а пишет всё на АСМ

Просто оторопь берет с этого бреда и вранья... :facepalm:
Какая связь между библиотеками и АСМом?
Библиотеки могут быть написаны и на АСМе, и на Си. Я не использую ни тех, ни других.
Я пишу свой код. И на Си, и на АСМе, и на смешанном коде. Зависит от платформы и целесообразности.


Смотрим ваше сообщение от Добавлено: Сб янв 24, 2026 00:54:29
И далее
И понимаем что вы сдали назад


Вернуться наверх
 
 Заголовок сообщения: Re: Програмирование pic на СИ.
СообщениеДобавлено: Сб янв 24, 2026 15:36:29 
Друг Кота
Аватар пользователя

Карма: 139
Рейтинг сообщений: 2987
Зарегистрирован: Чт янв 10, 2008 22:01:02
Сообщений: 25071
Откуда: Московская область, Фрязино
Рейтинг сообщения: 0
Смотрим ваше сообщение от Добавлено: Сб янв 24, 2026 00:54:29

Вы не умеете вставлять цитаты?
Или вам просто нечего процитировать? :)))


Вернуться наверх
 
Показать сообщения за:  Сортировать по:  Вернуться наверх
Начать новую тему Ответить на тему  [ Сообщений: 2017 ]     ... , , , 71, , , ...  

Часовой пояс: UTC + 3 часа


Вы не можете начинать темы
Вы не можете отвечать на сообщения
Вы не можете редактировать свои сообщения
Вы не можете удалять свои сообщения
Вы не можете добавлять вложения

Найти:
Перейти:  


Powered by phpBB © 2000, 2002, 2005, 2007 phpBB Group
Русская поддержка phpBB
Extended by Karma MOD © 2007—2012 m157y
Extended by Topic Tags MOD © 2012 m157y