Например TDA7294

Форум РадиоКот • Просмотр темы - 2х канальный показометр для БП на PIC
Форум РадиоКот
Здесь можно немножко помяукать :)

Текущее время: Вт дек 30, 2025 23:15:19

Часовой пояс: UTC + 3 часа


ПРЯМО СЕЙЧАС:



Начать новую тему Ответить на тему  [ Сообщений: 5 ] 
Автор Сообщение
Не в сети
 Заголовок сообщения: 2х канальный показометр для БП на PIC
СообщениеДобавлено: Ср дек 10, 2025 19:10:28 
Встал на лапы

Зарегистрирован: Сб янв 29, 2011 18:54:58
Сообщений: 94
Рейтинг сообщения: 0
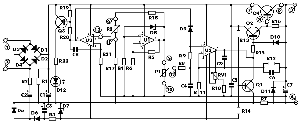
Сделал 2х канальный вольтамперметр на PIC контроллерах. Основной МК PIC16F873A и для измерения 2го канала применил PIC16F688, второй МК нужен для измерения с гальванической развязкой, чтоб выходы БП можно подключать последовательно или параллельно. Контроллеры общаются через UART , развязка на оптронах. Каждый канал запитан от отдельной обмотки, транс для измерителя тоже отдельный. БП были собраны по известной схеме на TL081, налажены и испытаны нагрузкой и на КЗ.
Схему измерителя запустил, все заработало, но появилась одна проблема. Как известно чтоб выставить макс. ток на этом блоке нужно замкнуть клеммы, так вот при замыкании в канале с PIC16F688 сначало показания напряжения и тока поменялись местами потом МК сгорел. Напряжение 1В и ток КЗ не более 1А. Заменил 688, был в запасе, пробовал при 0.5В и 0.5А и опять не удача.
Канал с 873 работает без проблем, можно коротнуть при 10В 3А, далее не пробовал.
Схема измерений U и I, ОУ, шунты, полевики для отключения нагрузки одинаковые, единственное в проблемном канале нет электролита после стаба 5В.
Подскажите пожалуйста в чем может быть причина. Схема только в протеусе и монтажная схема.


Вложения:
Измеритель.PDF [27.52 KiB]
Скачиваний: 36
Схема_без_номиналов.gif [14.91 KiB]
Скачиваний: 55
img_20251210_173442570.jpg [186.92 KiB]
Скачиваний: 60


Последний раз редактировалось Ирек-электрон Ср дек 10, 2025 21:50:26, всего редактировалось 2 раз(а).
Вернуться наверх
 
Не в сети
 Заголовок сообщения: Re: 2х канальный показометр для БП на PIC
СообщениеДобавлено: Ср дек 10, 2025 20:52:47 
Друг Кота
Аватар пользователя

Карма: 182
Рейтинг сообщений: 8329
Зарегистрирован: Пт фев 04, 2011 17:57:51
Сообщений: 20036
Откуда: Рыбинск
Рейтинг сообщения: 0
Медали: 1
Лучший человек Форума 2017 (1)
Схема измерителя где? Схема его подключения где?


Вернуться наверх
 
Не в сети
 Заголовок сообщения: Re: 2х канальный показометр для БП на PIC
СообщениеДобавлено: Ср дек 10, 2025 21:08:08 
Встал на лапы

Зарегистрирован: Сб янв 29, 2011 18:54:58
Сообщений: 94
Рейтинг сообщения: 0
Схема измерителя была неправильная: Измеритель.PDF
в протеусе земли общие.
B1, B2 - БП на TL081
RV2, RV3 - нагрузки.


Последний раз редактировалось Ирек-электрон Ср дек 10, 2025 21:40:36, всего редактировалось 1 раз.

Вернуться наверх
 
Не в сети
 Заголовок сообщения: Re: 2х канальный показометр для БП на PIC
СообщениеДобавлено: Ср дек 10, 2025 21:36:27 
Опытный кот

Карма: 2
Рейтинг сообщений: 108
Зарегистрирован: Пт ноя 22, 2024 14:08:43
Сообщений: 885
Рейтинг сообщения: 0
выход операционника тока сколько вольт даст (или он от 5 В питается ?)


Вернуться наверх
 
Эиком - электронные компоненты и радиодетали
Не в сети
 Заголовок сообщения: Re: 2х канальный показометр для БП на PIC
СообщениеДобавлено: Ср дек 10, 2025 21:49:46 
Встал на лапы

Зарегистрирован: Сб янв 29, 2011 18:54:58
Сообщений: 94
Рейтинг сообщения: 0
Не более 5В т.к. питается от 5В.


Вернуться наверх
 
Показать сообщения за:  Сортировать по:  Вернуться наверх
Начать новую тему Ответить на тему  [ Сообщений: 5 ] 

Часовой пояс: UTC + 3 часа


Кто сейчас на форуме

Сейчас этот форум просматривают: нет зарегистрированных пользователей и гости: 10


Вы не можете начинать темы
Вы не можете отвечать на сообщения
Вы не можете редактировать свои сообщения
Вы не можете удалять свои сообщения
Вы не можете добавлять вложения

Найти:
Перейти:  


Powered by phpBB © 2000, 2002, 2005, 2007 phpBB Group
Русская поддержка phpBB
Extended by Karma MOD © 2007—2012 m157y
Extended by Topic Tags MOD © 2012 m157y