| Форум РадиоКот https://radiokot.ru/forum/ |
|
| JTAG и ПЛИС с конфигурационным ПЗУ. https://radiokot.ru/forum/viewtopic.php?f=60&t=127649 |
Страница 1 из 1 |
| Автор: | c2n [ Пн фев 22, 2016 12:00:22 ] | ||
| Заголовок сообщения: | JTAG и ПЛИС с конфигурационным ПЗУ. | ||
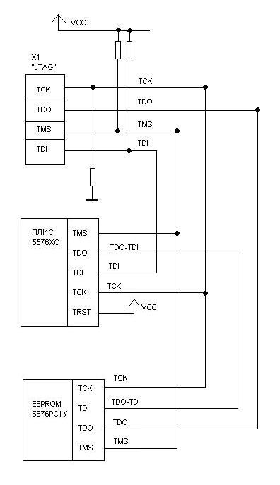
Комрады! подскажите, можно ли использовать одну колодку [2x5] для программирования конфигурационного ПЗУ и отладки ПЛИС. Вопрос собственно вот в чем: В стародавние времена имелся приборчик с EPM7128S и все было бы хорошо, если бы не пСанкции. Купить нонче проблема, да и заказчику предъявить изделие с иностранной микрухой тоже не хорошо. Было принято решение перейти на нашу элементную базу. За основу было взято решение "КТЦ Электроника" ПЛИС 5576ХС1/2/3/4 и загрузочное ПЗУ 5576РС1У производства Миландр. В обоих железках заявлено поддержка IEEE 1149.1 вопрос вот в чем: если развести плату по такой схеме: то будет ли возможно программировать ПЗУ, и отлаживать ПЛИС имея единственный разъем? Ставить 2 разъема - место в корпусе не позволяет. Наши всетаки имеют лошадиные размеры. и соответственно еще вопрос: TRST имеется только на ПЛИС. Его надо в колодку выводить? Это нормально что у ПЗУ TRST - отсутствует? PS с JTAG раньше мало имел дело. только АВРки и только одинарный разъем. UPD Я тут еще "курнул кое-чего"
|
|||
| Автор: | Meteor [ Пн фев 22, 2016 14:13:46 ] |
| Заголовок сообщения: | Re: JTAG и ПЛИС с конфигурационным ПЗУ. |
Относительно каскадирования JTAG, есть рекомендация при большом числе потребителей ставить дополнительные буферы на сигналы управления (TCK, TMS). Для двух узлов - хватить должно имеющихся и буферы не совсем обязательны. c2n писал(а): В стародавние времена имелся приборчик с EPM7128S и все было бы хорошо, если бы не пСанкции. Купить нонче проблема, да и заказчику предъявить изделие с иностранной микрухой тоже не хорошо. Тут скорее дело не в санкциях, а в том что данное семейство перестали выпускать лет 5 назад. С нашими "аналогами" плис не работал. Но в принципе можно и каскадировать. С другой стороны, у альтеры можно достучаться (для программирования) до конфигурационного ПЗУ и через JTAG самой плисины. Насколько у отечественных аналогов это реализовано, ответить не берусь. Что касается разъемов и их габаритов. На своей платке я не стал ставить PLDшки с шагом 2,54 мм, а поставил вот такие под поверхностный монтаж. Единственное что пришлось дополнительно исполнить переходник на этот разъем (потратил несколько минут). |
|
| Автор: | c2n [ Пн фев 22, 2016 17:00:51 ] |
| Заголовок сообщения: | Re: JTAG и ПЛИС с конфигурационным ПЗУ. |
Самый главный вопрос в том, смогу ли я байтбластером и квартусом достучаться до этих микрух. На прототипе для каждой микрухи был свой разъем. Плодить разъемы - возможности нет. Закладывать переходник тоже, т.к. Технологи вопить начнут... Схема каскада правильная? |
|
| Автор: | Meteor [ Пн фев 22, 2016 17:09:02 ] |
| Заголовок сообщения: | Re: JTAG и ПЛИС с конфигурационным ПЗУ. |
Схема правильная (у альтер не видел TRST). Бластер скорее всего точно увидит плис, насчет ПЗУ - скорее всего не заметит. Даже в штатном варианте (EPx + EPCSx) ПЗУ бластером явно не определяется. Скажите. Насколько знаю, отечественная плис - аналог FPGA, а не CPLD (EPM7128S). Не получится у Вас из пушки по воробьям? Технологи в данном случае вообще в стороне - переходник делается для того, кто работает с ПЛИС и один раз. |
|
| Автор: | c2n [ Пн фев 22, 2016 17:37:55 ] |
| Заголовок сообщения: | Re: JTAG и ПЛИС с конфигурационным ПЗУ. |
У нашей много че понаписано. Что она не прямой аналог, и заменяет и альтеры и ксайлинксы и мотороллы... и что прошивку из квартуса нужно через спец программу пропустить... И только потом зашивать. Отладка как то по зашитому, с подменой драйвера.. Вобщем секас еще тот... А про пушку и воробъев не понял... |
|
| Автор: | Meteor [ Пн фев 22, 2016 17:44:03 ] |
| Заголовок сообщения: | Re: JTAG и ПЛИС с конфигурационным ПЗУ. |
А что рекомендует отечественный производитель в качестве программатора? |
|
| Автор: | c2n [ Пн фев 22, 2016 17:48:34 ] |
| Заголовок сообщения: | Re: JTAG и ПЛИС с конфигурационным ПЗУ. |
Бластеры, квартусы и свою прогу.... А по поводу пушки и воробъев - нефкурил o_O |
|
| Автор: | Meteor [ Пн фев 22, 2016 18:04:46 ] |
| Заголовок сообщения: | Re: JTAG и ПЛИС с конфигурационным ПЗУ. |
Вы пишете что заменяете EPM7128S на нашу. Емкость EPM-128 регистров. Емкость нашей (не знаю, но думаю много больше). Вот поэтому и вопрос - не слишком ли дорогую и навороченную микросхему (пушка) закладываете на простую задачу (воробьи)? Может стоит все же поглядеть на импортные MAX II/MAX V ? С соизмеримым числом регистров? |
|
| Автор: | c2n [ Пн фев 22, 2016 18:19:50 ] |
| Заголовок сообщения: | Re: JTAG и ПЛИС с конфигурационным ПЗУ. |
если бы вы знали цену наших.... там не пушка, там "кузькина мать" при поимке карманника в антарктиде Цены на наши и ихние различаются примерно с коэффициентами 10-100... т.к. наши - мелкосерийка. Заказчик платит. а всю функциональность плис можно было бы на 3-4 элемента жесткой логики заменить....но заказчик - против, говорит - меняем все, но чтоб как было, если плис - значит плис, если контроллер - значит контроллер... связка на операционниках, вместо буферов логики значит операционники...! я сам программист по микроконтроллерам и немного схемотехник. Плисы - пока не мучал. мне 128й атмеги - за глаза. Вот и интересуюсь, правильно ли будет так нарисовать это долбанное каскадирование JTAG... Я предлагал заменить тупо микроконтроллер - не хотят... хотя наш аналог атмеги 128 - нииэт делает. да и зеленоградский миландр арм кортексМ3 клепает во всю. |
|
| Автор: | Meteor [ Пн фев 22, 2016 18:35:11 ] |
| Заголовок сообщения: | Re: JTAG и ПЛИС с конфигурационным ПЗУ. |
Цены меня не удивляют. Заменять логику на МК не самая лучшая идея. Быстродействие логики выше отклика мк. Тут заказчик прав - он имеет отработанное изделие и желает его как минимум не ухудшить. Что касается замены. EPM7128 - один корпус, а наши плис+ПЗУ = два корпуса. Для прошивки EPM нужен один разъем, для замены минимум один, а лучше два разъема. Плюс габариты, плюс работа по разводке платы. Предложите заменить EPM7128 на EPM570 - это даст возможность не прибегать к "плохо отработанным решениям" в виде стыковки наших плис и пзу между собой, с программами и программаторами. Далее необходимо помнить, что EPM7128 могли работать как с 3,3 В, так и с 5 В. Более новые плис - только с 3,3 В. Значит возможно будут необходимы дополнительные схемотехнические проработки. В частности на соответствие режимам работы. Для ввода в режим (вдруг периферия питается от 5 В) могут потребоваться еще согласователи уровней, а это опять корпуса и место для их установки. На всю эту операцию может потребоваться достаточное количество нормочасов. Готово руководство и заказчик их предоставить и оплатить? (Этот вопрос от Вас к руководству) |
|
| Автор: | c2n [ Пн фев 22, 2016 18:41:26 ] |
| Заголовок сообщения: | Re: JTAG и ПЛИС с конфигурационным ПЗУ. |
Заказчик - денег не считает.... темболее Цитата: Импортозамещение само по себе не является панацеей. Но оно означает переоборудование производственной части нашей промышленности, сельского хозяйства, а значит - повышение производительности труда, заявил президент России Владимир Путин. РИА Новости http://ria.ru/economy/20151217/13436348 ... z40upnJG34 ах, да.. чтоб часть вопросов снять... запчасти закладываем без буквы "к" и с маркировкой ромбиком, а отлаживаем да, на "Кашках".... Думаю часть вопросов снимется а с 3,3В я уже намаялся. Приловчился триггерами шмитта обходить эти вопросы...буферезировать повторителем, толерантным к +5... Мутненько как то"увидит - не увидит"... я и сомневаюсь... |
|
| Автор: | Meteor [ Пн фев 22, 2016 19:09:08 ] |
| Заголовок сообщения: | Re: JTAG и ПЛИС с конфигурационным ПЗУ. |
Главное что бы заказчик не только денег не считал, но и время выделил - зачастую все упирается именно в этот параметр. В свое время, я намаялся в аналогом At89S8252 производимым в воронежском НИИЭТ. Одна и та же прошивка работала на оригинале и не программировалась на клоне. Затем последовало изменение в ТУ и разрешение на временное отступление в части комплектации. - потому как важно было показать принципиальную возможность реализации, а не соответствие комплектации ограничительному перечню. |
|
| Автор: | c2n [ Пн фев 22, 2016 19:23:49 ] |
| Заголовок сообщения: | Re: JTAG и ПЛИС с конфигурационным ПЗУ. |
Да.. было дело... Спойлер1887BE4Y...Код: for (int i = 0; i<0xFF; i++) { PORTB = i; }; мои два экземпляра 1335 уходят в ребут... на кристаллах 1536 тфу - тфу... правда один сам по дурости сжег.... но это другая история. Первый прототип - заработал. Мы "ПИ" выпустили.. мол готовьтесь, скоро апельсины в бочки грузить будем... "там" даже раньше доложилились что "готово"... а сейчас "на вазелин" премию даютЪ вот каталог ВЗПП-С ПЛИСка - 5576ХСnn ППЗУ - Миландр делает. Я счас курю маны, в том числе и на "ихние"... и меня терзают сомненья, что можно это в один разъем впихуйнуть... хотя JTAG - разрешает.. а ПЛИСка программируется совсем по другим ногам, от ППЗУ.... Спойлерно то JTAG, а то Нургалиев |
|
| Автор: | Meteor [ Пн фев 22, 2016 19:50:19 ] |
| Заголовок сообщения: | Re: JTAG и ПЛИС с конфигурационным ПЗУ. |
Ссылки на ВЗПП-С - это реклама. Я реальной документации на эти плис не видел. Не знаю какую из 5576хс используете, но могу предположить. Для 5576хс1 - программировать пзу необходимо скорее всего отдельно.(кстати у альтеры с флексами шли другие пзу, однократно программируемые) Для 5576хс6 (аналог циклона 2) наверное можно пзу зашивать через плис. Во всяком случае с оригиналом у меня этот фокус получается, и пользоваться им очень удобно: прошиваю временным файлом во время отладки, а как отладил - не выключая устройства и не извлекая программатор закачиваю постоянную прошивку в ПЗУ. |
|
| Автор: | c2n [ Пн фев 22, 2016 19:59:01 ] |
| Заголовок сообщения: | Re: JTAG и ПЛИС с конфигурационным ПЗУ. |
вот наверное и у меня второй случай. А версии моих - это 2Т и 4Т. C микроконтроллерами я так не извращался... правда и у них есть бут-лоадер... но там и анализировать можно есть сигнал на ножке - значит прыгаем на 0вой адрес, а там комманды перепроршивки... иначе тупо идем по основному коду. Методичку прочитал.. Да, надо самому освоить. А описание совеццких микрух в этой методичке - да, соответствует ТУ и ТО. Документация на ПЛИС - это несколько толстенных папок. В электронке ВЗПП-С не высылает. Видимо их ПЛИС не совсем что бы клоны, но за плагиат могут и схлопатать, "с конфискацией" от альтеры или еще каких нибудь других производителей... |
|
| Страница 1 из 1 | Часовой пояс: UTC + 3 часа |
| Powered by phpBB © 2000, 2002, 2005, 2007 phpBB Group http://www.phpbb.com/ |
|


