Например TDA7294

Форум РадиоКот • Просмотр темы - Защиты шины 1-wire
Форум РадиоКот
Здесь можно немножко помяукать :)

Текущее время: Сб фев 28, 2026 13:23:20

Часовой пояс: UTC + 3 часа


ПРЯМО СЕЙЧАС:



Начать новую тему Ответить на тему  [ Сообщений: 9 ] 
Автор Сообщение
 Заголовок сообщения: Защиты шины 1-wire
СообщениеДобавлено: Вт сен 20, 2022 21:34:22 
Встал на лапы

Карма: 2
Рейтинг сообщений: 4
Зарегистрирован: Пт апр 24, 2015 23:49:22
Сообщений: 93
Рейтинг сообщения: 0
Здравствуйте. Есть проблема с защитой шины 1-wire микроконтроллера STM32. Я установил супрессор DS9503P:
https://static.chipdip.ru/lib/248/DOC000248550.pdf
Плата используется в автомобильной тематике и похоже статика убивает не порт, а сам супрессор (на МК ещё идёт CAN шина, она нормально работает). Но я могу ошибаться. Ситуация странная, так как плата сейчас находится за границей и я не могу проверить её.
Как ещё можно защитить шину 1-wire?
Есть ещё у меня мысль с изменениями, не касающимися платы - это установка антистатических полос на кузов.


Вложения:
Защита шины 1-wire.png [29.92 KiB]
Скачиваний: 142
Вернуться наверх
 
 Заголовок сообщения: Re: Защиты шины 1-wire
СообщениеДобавлено: Ср сен 21, 2022 12:12:25 
Друг Кота
Аватар пользователя

Карма: 17
Рейтинг сообщений: 473
Зарегистрирован: Ср ноя 11, 2009 17:19:30
Сообщений: 5679
Откуда: Воронеж
Рейтинг сообщения: 0
Вы гляньте на характеристики этой штуки, в вашем случае она ничего не защищает. Стоит хотя бы резистор до микроконтроллера увеличить. А ещё есть всякие такие штуки PESDLC2FD3V3BH

_________________
"Привет!" - соврал он.


Вернуться наверх
 
 Заголовок сообщения: Re: Защиты шины 1-wire
СообщениеДобавлено: Ср сен 21, 2022 16:26:28 
Встал на лапы

Карма: 2
Рейтинг сообщений: 4
Зарегистрирован: Пт апр 24, 2015 23:49:22
Сообщений: 93
Рейтинг сообщения: 0
А ещё есть всякие такие штуки PESDLC2FD3V3BH

Не могу найти этот супрессор в продаже.
До 10 Ом если увеличить нормально будет?
Вот такой супрессор GBLC03C:
https://pdf1.alldatasheet.com/datasheet ... LC03C.html
Ёмкость у него небольшая.


Вложения:
Защита шины 1-wire.png [20.48 KiB]
Скачиваний: 89
Вернуться наверх
 
 Заголовок сообщения: Re: Защиты шины 1-wire
СообщениеДобавлено: Чт сен 22, 2022 09:41:13 
Друг Кота
Аватар пользователя

Карма: 96
Рейтинг сообщений: 1505
Зарегистрирован: Вт мар 16, 2010 22:02:27
Сообщений: 15486
Откуда: ДОНЕЦК
Рейтинг сообщения: 0
посмотри тут, может чего прояснится:
Вложение:
aрр148ru_p.pdf [450.65 KiB]
Скачиваний: 129

Вложение:
IB2_AN132ru.pdf [235.78 KiB]
Скачиваний: 97

8)


Вернуться наверх
 
Эиком - электронные компоненты и радиодетали
 Заголовок сообщения: Re: Защиты шины 1-wire
СообщениеДобавлено: Чт сен 22, 2022 09:46:59 
Собутыльник Кота
Аватар пользователя

Карма: -12
Рейтинг сообщений: -24
Зарегистрирован: Пт июл 12, 2019 22:52:01
Сообщений: 2516
Рейтинг сообщения: 1
Petja, дешево и сердито. Ставлю такие на антистатическую защиту дискретных входов. А если входов много, есть специальные сборки защитных диодов.
Но в твоем случае ведь не от ESD надо защищать, а от высокого напряжения, которое наводится в проводах...

_________________
Linux rules! Windows must die. Здравомыслящий человек добровольно будет пользоваться мастдаем лишь в двух случаях: под дулом автомата или под влиянием анального зонда.
Я на гитхабе, в ЖЖ


Вернуться наверх
 
 Заголовок сообщения: Re: Защиты шины 1-wire
СообщениеДобавлено: Чт сен 22, 2022 10:29:03 
Друг Кота
Аватар пользователя

Карма: 17
Рейтинг сообщений: 473
Зарегистрирован: Ср ноя 11, 2009 17:19:30
Сообщений: 5679
Откуда: Воронеж
Рейтинг сообщения: 0
Eddy_Em, во, песдюльсы и есть.
Petja, нет. DS9503 открывается примерно при 8 В. В худшем случае порт не терпит 5 В, а переваривает только 3,3 В (плюс внутренний диод). Получаем, что на резисторе будет 4,7 Вольт. Нужен такой резистор, который обеспечит безопасный втекающий ток в порт, пусть и кратковременный. Лично я бы поставил ом 330 и посмотрел что получилось, осциллографом. Не должно с подтягивающим резистором образовать слишком уж мощный делитель. Можно ещё поиграться точкой присоединения подтягивающего резистора, диодами на шины питания и всякое такое.

_________________
"Привет!" - соврал он.


Вернуться наверх
 
 Заголовок сообщения: Re: Защиты шины 1-wire
СообщениеДобавлено: Пт сен 23, 2022 12:36:15 
Друг Кота
Аватар пользователя

Карма: 17
Рейтинг сообщений: 473
Зарегистрирован: Ср ноя 11, 2009 17:19:30
Сообщений: 5679
Откуда: Воронеж
Рейтинг сообщения: 0
А вот ещё попался на глаза AQ3041 . Букашка мелкая, но производитель обещает, что довольно крутая. Скоро опробуем.

_________________
"Привет!" - соврал он.


Вернуться наверх
 
 Заголовок сообщения: Re: Защиты шины 1-wire
СообщениеДобавлено: Пт сен 23, 2022 13:24:29 
Сверлит текстолит когтями

Карма: 5
Рейтинг сообщений: 182
Зарегистрирован: Пн май 01, 2017 20:01:45
Сообщений: 1128
Рейтинг сообщения: 0
Не бывает ограничителей (любого вида), которые бы ставились на сигналы 3.3В, не мешали бы им и обеспечивали гарантированную защиту на выводе не выше (PA8) 5V. Такого просто нет.
Хотите защитить вхот от удара молнии? (смешно бы) А "статика" ничем не лучше, это тоже огромный ток и очень короткое время импульса.
Сколь-нибудь существенная защита состоит в установке suppressor'а (и аналогичного ограничителя), после которого нужно поставить элемент, который погасит избыток напряжения (7-20В) которые сожгли бы вход stm32. Для "входа" достаочно "резистора", а вот с вЫходом будет сложнее.
Если я правильно помню, на 1w шину выходят выходом OD с подтяжкой Vcc. Тогда, "защитный" элемент будет состоять из резистора и (легкого) диода Шоттки, при этом подтягивающий резистор надо перенести к suppressor'у.

P.S.
Не забывайте, даже если удар статики и не сожжет порт stm32, то он наверняка свалит работу процессора. Алгорим работы устройства обязан быть устойчив к сбоям (без тупых безвремянных циклов ожидания и, естественно, watchdog)


Вернуться наверх
 
 Заголовок сообщения: Re: Защиты шины 1-wire
СообщениеДобавлено: Пт сен 23, 2022 19:16:20 
Сверлит текстолит когтями

Зарегистрирован: Вт ноя 19, 2019 06:10:18
Сообщений: 1282
Рейтинг сообщения: 0
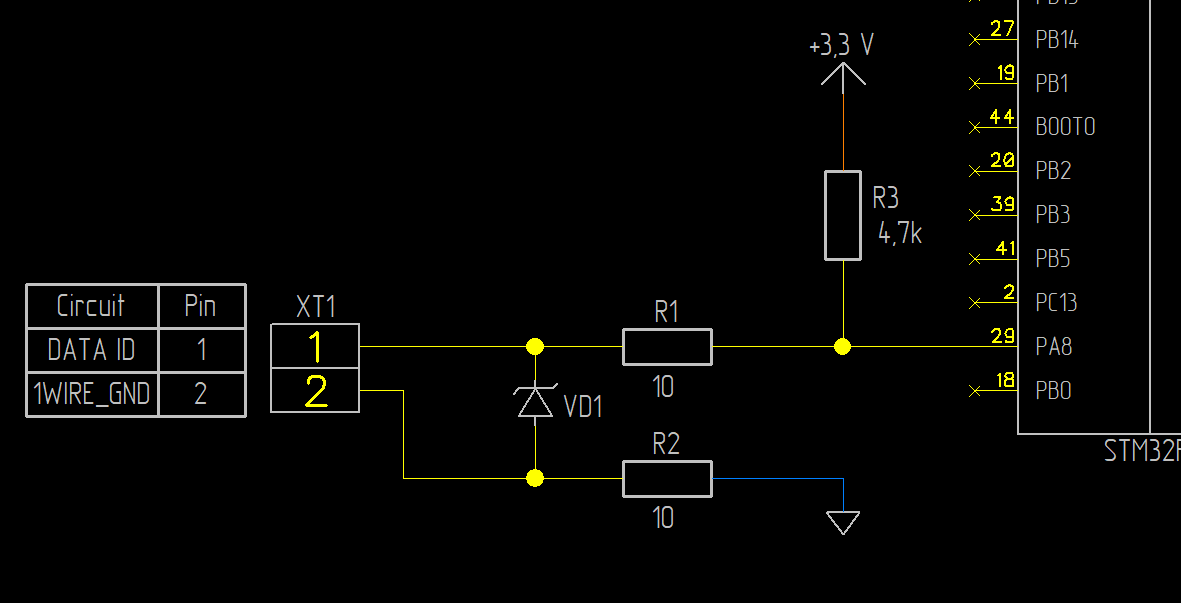
Сделано практически так, как рекомендует Даласс:


Вложения:
Screenshot_99.jpg [22.28 KiB]
Скачиваний: 210
Вернуться наверх
 
Показать сообщения за:  Сортировать по:  Вернуться наверх
Начать новую тему Ответить на тему  [ Сообщений: 9 ] 

Часовой пояс: UTC + 3 часа


Вы не можете начинать темы
Вы не можете отвечать на сообщения
Вы не можете редактировать свои сообщения
Вы не можете удалять свои сообщения
Вы не можете добавлять вложения

Найти:
Перейти:  


Powered by phpBB © 2000, 2002, 2005, 2007 phpBB Group
Русская поддержка phpBB
Extended by Karma MOD © 2007—2012 m157y
Extended by Topic Tags MOD © 2012 m157y