Например TDA7294

Форум РадиоКот • Просмотр темы - In vino veritas
Форум РадиоКот
Здесь можно немножко помяукать :)

Текущее время: Чт ноя 06, 2025 02:04:43

Часовой пояс: UTC + 3 часа


ПРЯМО СЕЙЧАС:



Начать новую тему Эта тема закрыта, Вы не можете редактировать и оставлять сообщения в ней.  [ Сообщений: 1081 ]     ... , , , 10, , , ...  
Автор Сообщение
Не в сети
 Заголовок сообщения: Re: In vino veritas
СообщениеДобавлено: Пт июн 03, 2016 18:04:03 
Идёт направо - песнь заводит, Налево - сказку говорит.
Аватар пользователя

Карма: 133
Рейтинг сообщений: 782
Зарегистрирован: Чт апр 21, 2011 17:55:50
Сообщений: 4995
Откуда: Иркутск
Рейтинг сообщения: 0
Медали: 1
Получил миской по аватаре (1)
Не совсем хорошо шарю в английском. :) Загнал в гуглопереводчик. Не понял.

Вроде как это тоже самое, что я в АВР делаю цепь сброса из резистора и конденсатора. И пока не выровняется питание (предположительно, что оно все равно выровняется), она некоторое время держит МК в сбросе. Или нет?

Чем же оно тогда помогает в случае помех?

_________________
Станислав


Вернуться наверх
 
Не в сети
 Заголовок сообщения: Re: In vino veritas
СообщениеДобавлено: Пт июн 03, 2016 20:58:51 
Друг Кота
Аватар пользователя

Карма: 75
Рейтинг сообщений: 621
Зарегистрирован: Ср дек 24, 2008 09:58:58
Сообщений: 3761
Рейтинг сообщения: 3
Медали: 3
Мявтор 1-й степени (1) Мявтор 2-й степени (1) Мявтор 3-й степени (1)
СКАЗОЧНИК писал(а):
Загнал в гуглопереводчик. Не понял.

Тагда посмотрите здесь на русском:
http://www.microchip.ru/files/d-sheets-rus/pic16_3.pdf

СКАЗОЧНИК писал(а):
Вроде как это тоже самое, что я в АВР делаю цепь сброса из резистора и конденсатора. И пока не выровняется питание (предположительно, что оно все равно выровняется), она некоторое время держит МК в сбросе.

Именно так.

СКАЗОЧНИК писал(а):
Чем же оно тогда помогает в случае помех?

Что оно? В смысле она - цепь сброса? Насколько я понял из исследования автора темы, в условиях его помех она не исключает сброс даже по POR, не говоря уже о BOR (см. определение в тексте выше).


Вернуться наверх
 
Не в сети
 Заголовок сообщения: Re: In vino veritas
СообщениеДобавлено: Сб июн 04, 2016 04:59:44 
Друг Кота
Аватар пользователя

Карма: 96
Рейтинг сообщений: 1484
Зарегистрирован: Вт мар 16, 2010 22:02:27
Сообщений: 15244
Откуда: ДОНЕЦК
Рейтинг сообщения: 0
Подчищу прикладушку под схемку - макетку для всеобщего интересу-сравнения выложу...
Несколько попозже...
8)
Обычно система сброса по включению питания есть гарант перезапуска при внешней помехи - НО только гарант корректности по отношению к внешним устройствам вида "сбой обнаружен, отключаюсь".
Противодействовать помехе в единичном виде помогает через полный перезапуск устройства... А вот ежли вести работу в условиях непрерывного воздействия помехи - ... равноценно непрерывному перезапуску, что явно пинает в сторону изменения или схемного решения или используемой элементной базы.
С контролем провалов питания (BOD) заметно проще - там хош инфа в регистрах не разрушается ...
НО опять же... как показала практика случаются единичные "нюансы" когда информация искажается без сработки системы POR (в "пограничных состояниях").
8)
Пока с инета тикаю - пару дней без электричества на световой день - ремонт подстанций.
:wink:


Вернуться наверх
 
Не в сети
 Заголовок сообщения: Re: In vino veritas
СообщениеДобавлено: Сб июн 04, 2016 15:34:37 
Идёт направо - песнь заводит, Налево - сказку говорит.
Аватар пользователя

Карма: 133
Рейтинг сообщений: 782
Зарегистрирован: Чт апр 21, 2011 17:55:50
Сообщений: 4995
Откуда: Иркутск
Рейтинг сообщения: 0
Медали: 1
Получил миской по аватаре (1)
А если мне не надо, чтобы оно перезагружалось? Если у меня нагрузка, которая дает помеху, все равно должна работать, а не отключаться и ждать, пока МК перезагрузится и снова его сбросит и так по кругу? :dont_know:

_________________
Станислав


Вернуться наверх
 
Эиком - электронные компоненты и радиодетали
Не в сети
 Заголовок сообщения: Re: In vino veritas
СообщениеДобавлено: Сб июн 04, 2016 18:54:54 
Друг Кота
Аватар пользователя

Карма: 75
Рейтинг сообщений: 621
Зарегистрирован: Ср дек 24, 2008 09:58:58
Сообщений: 3761
Рейтинг сообщения: 0
Медали: 3
Мявтор 1-й степени (1) Мявтор 2-й степени (1) Мявтор 3-й степени (1)
Если напряжение питания МК упадет ниже определенного уровня, правильная работа его блоков не вегда гарантируется. Например, в некоторых моделях для тактирования МК на максимальной частоте необходимо, чтобы напряжение питания было не ниже определенного уровня, см. детали в ДШ. Лучше-бы он в это время вообще не работал, чем работал неправильно или с неправильными данными и испортил устройство. Если сброс все-же происходит, в начале программы можно проверить какой именно сброс произошел и далее принимать решение насчет переинициализации МК или его части, включая переменные в RAM, или продолжать работу алгоритма. Если последнее, может потребоваться записать текущее состояние МК до сброса в энерго-независимую память для продолжения алгоритма с места прешествующего сбросу. Здесь на форуме это обсуждалось много раз. Если продолжать алгоритм с того-же места не требуется, можно все заново переинициализировать и начать алгоритм сначала. Короче, все зависит от приложения как продолжать его работу если случилось что-то неординарное.

В Вашем конкретном слуае если только требуется не отключать нагрузку чего-то, при кратковременном сбросе МК, учтите, что при POR/BOR все порты PIC переключаются на input, а состояние регистров порта не пределено. В этом случае неотключение нагрузки может потребоваться обеспечить схемотехникой вне МК.


Вернуться наверх
 
Не в сети
 Заголовок сообщения: Re: In vino veritas
СообщениеДобавлено: Вс июн 05, 2016 05:28:53 
Друг Кота
Аватар пользователя

Карма: 96
Рейтинг сообщений: 1484
Зарегистрирован: Вт мар 16, 2010 22:02:27
Сообщений: 15244
Откуда: ДОНЕЦК
Рейтинг сообщения: 0
Как раз вот такая ситуация и рассматривается - рабочий режим с наличием искрового разряда в исполнительном устройстве.
К сожалению использование каких-то зависимых от структуры МК флагов или записи в EEPROM не может считаться достоверным (наличие асинхронно действующего возмущения). Помимо прочего... Независимо от семейства МК сброс по POR затирает все остальные контрольные флаги (BOD или WDTне считая уже неопределенного состояния всех регистров, не имеющих обязательной аппаратной предустановки) и определить какого вида сброс - по истинному включению питания или по аварийному отключению без достоверного внешнего признака (банально совмещенной с выключателем кнопки контрольного контакта) не представляется возможным. А применение EEPROM ограничено количеством перерзаписи и контрольной программой обработки отказавших ячеек ( определяет ресурс работы самого устройства количеством перезаписей).
Так что независимый аппаратный узел определения статуса подачи питания скорее всего обязательная часть схемотехники, как и требуемая по спецификации особо тяжелых условий работы внешняя схемка контроля выполнения программы (иногда делается как внешний перезапускаемый одновибратор или еще на чем...).
При наличии помехи избавиться от последствий достаточно мощного воздействия невозможно. Можно лишь увеличить устойчивость для относительно слабого воздействия - далее схемотехника.
Особо... МК имеющие конвеер предвыборки похоже более подвержены опасности "срыва".
Вобщем - надо пробовать и проверять макетом все решения.
:beer:


Вернуться наверх
 
Не в сети
 Заголовок сообщения: Re: In vino veritas
СообщениеДобавлено: Вт июн 14, 2016 20:45:43 
Друг Кота
Аватар пользователя

Карма: 96
Рейтинг сообщений: 1484
Зарегистрирован: Вт мар 16, 2010 22:02:27
Сообщений: 15244
Откуда: ДОНЕЦК
Рейтинг сообщения: 0
Проблемные моменты в организации программного обеспечения при воздействии мощных помех.
Обусловлены возможными отклонениями в устойчивости отдельных ячеек ОЗУ к внешним электромагнитным помехам «при некотором стечении обстоятельств» когда уровень воздействия недостаточен для обработки аппаратными системами POR и/или BOD.
Для АВР наличие программно-управляемого предделителя тактовой частоты (не биты конфигурации, а содержимое CLKPR ! ) единственно радость – наличие автоустановки их содержимого при аппаратном сбросе ( он же сброс по POR ).
Для МК имеющих конвеер предвыборки команд – собственно сам конвеер.
Для МК имеющих режим обмена с портами (для определенной части команд) основанный на системе «чтение-модификация-запись» необходимость применения страховочной загрузки защелок константой в соответствии с текущими требованиями программы.
Причем у PICов и у MCS51 под таковым режимом подразумеваются достаточно серьёзно отличающиеся процедуры:
У PIC чтение выводов - модификация в АЛУ – запись в защелки
У MCS51 чтение защелок - модификация в АЛУ – запись в защелки
Посему необходимо особо внимательно отнестись к проработке процедуры ввода/вывода в порты с «совмещенными» режимами ввода и вывода на разных выводах у одного и того же порта.
Наиболее развитая система управления портами ввода/вывода имеется у АВР… Однако…
У всех МК имеются регистры направления портов – а они также могут быть подвержены «потере памяти» как и любой из регистров ОЗУ.
Следующее место преткновения – использование сколь-нибудь «долгохранящейся» информации в регистрах ОЗУ.
Поскольку никоим образом нельзя обойти хотя - бы программно организованный «длинный таймер» на двух-трех регистрах ОЗУ. Да и система фильтр - контроля входного сигнала также требует или весьма значительного места в ПЗУ или наличия регистра – накопителя промежуточного результата. От применения прерываний и подпрограмм использующих стек а также аппаратных средств основанных на конфигурации с помощью программно – загружаемых регистров конфигурации (тех же аппаратных таймеров) на участках программы, где предполагается воздействие помехи, предпочтительно вообще отказаться.
Участки анализа событий предпочтительно оформлять в виде древовидной структуры с фиксированными переходами вида GOTO/JMP (при соответствующей потере объёма памяти программ) а часто повторяемые фрагменты описывать макросами. Использование флагов пользователя, создаваемых программой, запрещено (опасность сбоя ячеек ОЗУ при «относительно длительном хранении»).
Вобщем…
Основываясь на вышеуказанном был нашкарябан следующий алгоритм обработчика условного объекта «газовая зажигалка»:
http://img.radiokot.ru/files/20529/zmdkhfmor.GIF
Основное допущение алгоритма – при обнаружении внешнего воздействия на выводе датчика ионной проводимости выполняем отключение искрогенератора и проводим контрольный замер на стабильность показаний с интервалом нечувствительности на время «бороды» из более низкоуровневых выбросов, следующих за началом импульса разряда.
Хотя… Данный алгоритм более из области «теоретизирования» - за отсутствием возможности реальной проверки результатов на макете.
Содержимое макроса таймера обработчика интервала контроля поджига таково, что по исчерпании таймера (в каком бы участке исполняемой программы он не находился) вызовет выход на участок полного останова работы, сохраняемый до снятия напряжения питания. Начальные участки настроек/инициализации и система индикации аварийных ситуаций на графике алгоритма не указаны, также как и детализация макросов аппаратно зависимых от типа применяемого семейства МК.
:dont_know:


Вернуться наверх
 
Не в сети
 Заголовок сообщения: Re: In vino veritas
СообщениеДобавлено: Ср июл 06, 2016 13:44:02 
Друг Кота
Аватар пользователя

Карма: 76
Рейтинг сообщений: 782
Зарегистрирован: Чт мар 07, 2013 20:39:17
Сообщений: 3713
Откуда: Краснодар
Рейтинг сообщения: 0
Сижу голову ломаю, не могу понять и найти информацию в этой паутине. Как делают регулируемые генераторы с возможностью изменения частоты с помощью кнопок?
Грубо говоря, например надо в диапазоне от 1Гц до 10Гц изменить частоту с шагом в 1Гц :shock:
Как это безобразие правильно обзывается и как реализуется в железе? Ткните носом :dont_know:


Вернуться наверх
 
Не в сети
 Заголовок сообщения: Re: In vino veritas
СообщениеДобавлено: Ср июл 06, 2016 17:36:56 
Друг Кота
Аватар пользователя

Карма: 96
Рейтинг сообщений: 1484
Зарегистрирован: Вт мар 16, 2010 22:02:27
Сообщений: 15244
Откуда: ДОНЕЦК
Рейтинг сообщения: 0
С помощью кнопок и интерактивного дисплея - так же как и задание любого параметра в тех же часах.
Только параметр - текущая частота (или чего еще).
Аппаратная остнастка самая приятная - таймер вида 16-битника в режиме "сброс по совпадению" с 16-разрядным регистром сравнения ( ищем МК в которых такой таймер и его режим предусмотрен ).
Шаг частоты определяется из исходной (на входе таймера) и разрядности самого таймера и компаратора. При наличии предделителя еще и многодиапазонник может получится.
Ежли нужен Генератор Качающейся Частоты - тот же способ в основе, но сканирование производит программный автомат по предварительно заданным параметрам.
Относительно низкочастотный - практически на любом МК. Ежли в радиочастотном диапазоне - тогда чегось с PLL типа того, что имеется в ATtiny25/45/85 относительно тактирования ТС1.
Ежли сверхнизкочастотный от 0....Гц до десятка - та же АВРка с использованием низкочастотного тактирования и/или обычный счетчик - делитель вида К561ИЕ8 с соответствующей коммутационной обвязкой.
На закусь - комбинирование предварительного понижения частоты (каскадирование счетчиков и предделителей) внутри одного кристалла.
Возможно также применение специального кристалла программируемого синтезатора частот с цифровым и/или аналоговым управлением.
А там еще вопрос по форме сигнала на выходе - отдельная тема, ежли то не "ошалелый меандр" с кучей гармоник...
Вобчем... Выбор средств и методов весьма обширен...
:roll:


Вернуться наверх
 
Не в сети
 Заголовок сообщения: Re: In vino veritas
СообщениеДобавлено: Чт июл 07, 2016 12:57:19 
Друг Кота
Аватар пользователя

Карма: 76
Рейтинг сообщений: 782
Зарегистрирован: Чт мар 07, 2013 20:39:17
Сообщений: 3713
Откуда: Краснодар
Рейтинг сообщения: 0
О!!! Точно, синтезаторы частоты они называются :beer:
Посмотрел готовые камешки от китайцев, довольно таки интересные штуковины :roll:
Я просто всё это безобразие на ПЛИСке хочу попробовать собрать. Там железки сам какие захотишь, такие и будут (Только ещё не знаю какие надо захотеть, и поместиться ли это захотеть в тех камнях которые у меня есть :)) ).
Про низкую частоту просто для примера показал. Там далее уже можно будет думать о килогерцах и мегагерцах.
Ну и по самой схемотехники ещё голову ломаю. Готовых примеров пока не попадалось, да и всего то менее суток поисками занимаюсь. :tea:


Вернуться наверх
 
Не в сети
 Заголовок сообщения: Re: In vino veritas
СообщениеДобавлено: Чт июл 07, 2016 14:05:05 
Друг Кота
Аватар пользователя

Карма: 96
Рейтинг сообщений: 1484
Зарегистрирован: Вт мар 16, 2010 22:02:27
Сообщений: 15244
Откуда: ДОНЕЦК
Рейтинг сообщения: 0
Синтезаторов куча мала...
Начиная с самого примитива - фоторезистор, лампочка - а между ними лента/диск пленочный с просветами.
Как вариант на основе примитивнй безмозглости (ближе к элементам ПЛИС) классическая ICL8038 (
Вложение:
ICL8038CCPD_intersil.pdf [155.72 KiB]
Скачиваний: 249
) как более совершенный случай - ЦАП на основе ШИМ с программным управлением. О звуковых синтезаторах (речевых и/или для музыкальных инструментов) разговор вообще особый - там свои спецы - музыканты...
8)


Вернуться наверх
 
Не в сети
 Заголовок сообщения: Re: In vino veritas
СообщениеДобавлено: Чт июл 07, 2016 18:20:14 
Друг Кота
Аватар пользователя

Карма: 76
Рейтинг сообщений: 782
Зарегистрирован: Чт мар 07, 2013 20:39:17
Сообщений: 3713
Откуда: Краснодар
Рейтинг сообщения: 0
Вот с ЦАПом я и завис, в области познаний, как оно всё это колдовство там происходит внятного объяснения пока не попалось :dont_know:
По поводу ICL8038, я так понимаю что XR2206, из той же оперы? :roll:
С ней игрался, но не понимал как оно во внутрях всё происходит, а сейчас, почитав мурзилку заново, увидел кучу интересных полезностей, вплоть до затухающих колебаний и плавающей частоты. Применяемой в музыкальных схемоделках :)
Вспомнил Ваши слова, как можно годами по кругу ходить за морковкой, не оглядываясь по сторонам и не понимать всего происходящего. :beer:
Опять же с цифрами единиц частоты, нарисовав их на листочке, увидел интересную закономерность, если взять период в 1 секунду, то половина периода приходится на смену значений всех частот с 1 на 0 и наоборот, причём если их разбить на чётные и нечётные, то там даже знак этого значения совпадает. :))
А ещё если взглянуть на картинку из далека, то чётко прослеживаются множество перекрещивающихся гипербол и парабол. Вот уж действительно, "Математика Царица полей" :)))
СпойлерИзображение


Последний раз редактировалось asvhmao Чт июл 07, 2016 19:53:24, всего редактировалось 1 раз.

Вернуться наверх
 
Не в сети
 Заголовок сообщения: Re: In vino veritas
СообщениеДобавлено: Чт июл 07, 2016 19:51:23 
Друг Кота
Аватар пользователя

Карма: 96
Рейтинг сообщений: 1484
Зарегистрирован: Вт мар 16, 2010 22:02:27
Сообщений: 15244
Откуда: ДОНЕЦК
Рейтинг сообщения: 0
Я в те разделы (АЦП/ЦАП) пока детально не лазил. Только в общих чертах "теоретически" ознакомился, да когдась на рассыпухе да 572ПА1 макетку-учебку городил...
АЦП разных по МК понатыкано, а вот ЦАП - редкость для типовых кристаллов. Оттого чаще всего применяют ЦАП на основе ШИМа - интегрирование огибающей на конденсаторе. Или примитив r-2r - но там деталек побольше и обычно маловато градаций...
Можно "цифровой резистор" попробовать - частота низкая, может и успевать будет.
С музыкальными игрушками не занимался - нотна грамота не воспринимается (соотношение частот с нотами и прочим...) :(


Вернуться наверх
 
Не в сети
 Заголовок сообщения: Re: In vino veritas
СообщениеДобавлено: Чт июл 14, 2016 10:27:39 
Друг Кота
Аватар пользователя

Карма: 96
Рейтинг сообщений: 1484
Зарегистрирован: Вт мар 16, 2010 22:02:27
Сообщений: 15244
Откуда: ДОНЕЦК
Рейтинг сообщения: 0
Применение «мелколапых» по «прямому назначению».

На сей раз речь пойдет о микросхемном предобработчике инкрементального энкодера «с некоторыми мозгами».
К такому садомазохизму подтолкнуло прочтение темы
viewtopic.php?f=61&t=115308
и наличие «в сундучке» довольно давненько вылеживающегося вот такого устройства:
http://img.radiokot.ru/files/20529/10izang85i.jpg
Как очередное лениво-размышлямс насчет куды б то механическое чудо приткнуть и каким способом. Строить городушку на рассыпухе в век кучи мелколапых МК как-то ЛЕНЬ с ЖАБОЙ (ЗЕЛЕНОЙ) удавили. Цеплять в составе прочей периферии на основном МК — так там обычно и своих задач «по сами вуха»... А вот приспособить дешевый ПИК для предварительной простейшей обработки данных с энкодера...
Весьма интересно (и вполне в духе темы — прикладное использование нескольких простых МК в составе какой-нить системки/самоделки).
Базовая задачка исходила из наличия двух входов (лево/право или вверх/вниз) и трех информационных выходов
левое направление активно
правое направление активно
и
масштабируемый тактовый сигнал на каждый шаг энкодера.
Схемка исходной идейки:
http://img.radiokot.ru/files/20529/10izb5trx4.GIF
По ходу дела приведена хытра антидребезговая обработка — не зависит от скорости вращения (в разумно-соизмеримых с временем выполнения подпрограмм обработки пределах).
Также предусмотрена обработка «скатывания в исходную сторону» на каждом текущем шаге энкодера.
Как тест-макет использовалась (по причине той же лленности) ранее изготовленная для «электронного выключателя с памятью» платка (схемка того выключателя отличается только наличием буферных транзисторов, открываемых нулем).
В итоге конструктив макета в сборе выглядит следующим образом:
http://img.radiokot.ru/files/20529/10izao1nsk.jpg
В прожке предусмотренно также блокирование выходов (одновременно мигают оба светика направления) в случае поврежднеия контактной системы энкодера.
При нормальном состоянии в «нейтральном» положении вала оба контакта разомкнуты — ни один из светиков направлений не светится. Ежли же имеется «люфтец» - останется какое либо из направлений. Ежли в нейтральном положении по какой-либо причине «зуданут»одновременно оба контакта — выскочит блокировка.
Вобчем... понравилось рукоятку покручивать и на «переморгалки» глядеть.
Исходник открытый.
Вложение:
p508enk.zip [25.91 KiB]
Скачиваний: 299

Данная версия оптимизирована под PIC12F508. При «пересадке» на другой МК возможны нюансы — все программы обработки должны размещаться НА ОДНОЙ СТРАНИЦЕ ПЗУ.
Ждемс критичновзглядо...
:roll:


Вернуться наверх
 
Не в сети
 Заголовок сообщения: Re: In vino veritas
СообщениеДобавлено: Чт июл 14, 2016 19:34:52 
Друг Кота
Аватар пользователя

Карма: 75
Рейтинг сообщений: 621
Зарегистрирован: Ср дек 24, 2008 09:58:58
Сообщений: 3761
Рейтинг сообщения: 0
Медали: 3
Мявтор 1-й степени (1) Мявтор 2-й степени (1) Мявтор 3-й степени (1)
Не ясно какого типа энкодер. У некоторых при вращении вправо замыкается одна контактная пара, при вращении влево - другая. У других (quadrature) при вращении замыкаются обе кнопки. Ещё поясните зачем на входах энкодера выставлена средняя точка резисторами и появляются-ли при таком соединении дополнительные токи утечки через входные транзисторы пина, приводящие к большему токопотреблемию схемы (плюс ток ~300мкА через резисторы)? Хорошо-бы алгоритм описать и померить токопотребление. Прaвильно-ли я понял из кода, что МК всё время находится в активном режиме без погружения в сон? Хорошо-бы пробуждать МК при начале вращения и погружать его в сон на период неактивности. Кстати, у некоторых современных МК имеются встроенные аппаратные квадратурные декодеры даже с функцией подавления дребезга и подсчёта числа импульсов. Например, такой.


Вернуться наверх
 
Не в сети
 Заголовок сообщения: Re: In vino veritas
СообщениеДобавлено: Чт июл 14, 2016 21:00:55 
Друг Кота
Аватар пользователя

Карма: 96
Рейтинг сообщений: 1484
Зарегистрирован: Вт мар 16, 2010 22:02:27
Сообщений: 15244
Откуда: ДОНЕЦК
Рейтинг сообщения: 0
Энкодер с "перекрывающимся" замыканием при сдвинутых на... сигналах на контактах. Чего-то типа вот этого
Вложение:
энкодеры серии ED161.pdf [36.07 KiB]
Скачиваний: 284
(марку когда продавали не сказали - просто "энкодер" 8) ) .
На схемке подключение согласно одной из рекомендаций - на макете значительно проще - ибо за основу брался предыдущий блок выключателя -
Вложение:
key3_629.GIF [32.14 KiB]
Скачиваний: 377
где вместо S2 и S3 подключены контакты энкодера. Никаких дополнительных конденсаторов фильтра на входах МК к которым подключены контакты энкодера на макетке не устанавливалось.
Именно на такой схемке и проводился макетный тест. Единственно еще стоит отметить - длительность импульса строба clock не должна быть больше окна совпадения сработки обеих контактов на максимальной скорости вращения. В противном случае возникнет статус сбоя по некорректной комбинации сработки контактов (генератор импульса программный, встроен в основную программу - ежли базироваться на автономном таймере - возможностей больше, но и кристалл нужен поначиненней и соответственно подороже - пошто переплачивать?).
Средняя точка в имеющемся образце энкодера задана изготовителем. Насчет утечек... Так вывод настроенный на вход как-то к ним безразличен.
Собственно задачка данного МК в том и заключается , чтоб облегчить жизнь схемкам в которых такая обработка в виде аппаратного блока не предусмотрена. Иными словами - замена некоторого количества "рассыпухи" на оптиамльную восьмилапку/
использование имеющегося в наличии МК для получения недостающей элементной базы своими силами.
То, что поставлено непрерывное сканирование - так собственно обработка сигналов с контактов и есть основная задачка схемки. Ежли все устройство, в котором она будет использоваться также имеет режим сна - потребуется согласовывать работу дополнительной сигнальной линией. Это уже "на усмотрение потребляющих" - для простейших автоматов, использующих энкодер и такого достаточно - а увеличить функционал... Исходник открыт - так что хош до подобия LS7366 (
Вложение:
LS7366 обработчик энкодеров.pdf [84.11 KiB]
Скачиваний: 274
) можно довести (по мере апетита и потребностей)...
8)
Насчет "чего в мире имеется" - конечно хорошо бы... :roll:
Однако не всегда надо избыточно нафаршированное изделие (допустим при базе на "рассыпухе" простой восьмилапник в роли преобразователя данных вполне уместен, а вот избыточно навороченный - не слишком) Да и требования к работе с теми усложненными изделиями значительно выше (и по оснащенности и по навыкам работы), что не во всех случаях оптимально.
:beer:
Поглянул Вашу ссылку.
В отличии от там описанного (или функционала LS7366 ) в моей схемке/программке реализована только первая часть - собственно преобразователь сигнала в две компоненты - сигнал направления и тактовый импульс для соответствующего устройства счета. Предполагается что остальной функционал будет выполняться уже в "более разумном" МК устройства или даже простым рассыпушным счетчиком.
А вот алгоритм прожки предусматривает автоматическую адаптацию функции антидребезга к интервалам от одиночного поворота вала до максимально разумной скорости вращения (чтоб продпрограмма успевала обрабатывать).
:roll:


Вернуться наверх
 
Не в сети
 Заголовок сообщения: Re: In vino veritas
СообщениеДобавлено: Чт июл 14, 2016 22:21:26 
Друг Кота
Аватар пользователя

Карма: 75
Рейтинг сообщений: 621
Зарегистрирован: Ср дек 24, 2008 09:58:58
Сообщений: 3761
Рейтинг сообщения: 0
Медали: 3
Мявтор 1-й степени (1) Мявтор 2-й степени (1) Мявтор 3-й степени (1)
Я все-таки не понял зачем на входах резистивный делитель? И чем он лучше просто подтягивающего резистора? Если согласно каким-то рекомендациям, дайте ссылку. Я не в порядке критики, просто надеюсь узнать что-то новое.

Если оставить пин настроенный на цифровой вход висячим без подтягиващих резисторов, то появляются утечки в несколько десятков и даже сотен мкА. Я имею в виду не утечки через пин МК, а через внутренние транзисторы в схеме. И если-уж делать среднюю точку на цифровом входе, для этого должны быть веские причины. Именно их я и хочу узнать.

Непрерывное сканирование означает существенное токопотребление и шумы на плате. В каких-то приложениях это не важно. Однако, можно было-бы одним махом устранить оба упомянутых недостатка если сделать распознавание движения энкодера на прерывании. Как только движение обнаружено, например, включается непрерывное сканирование с таймером неактивности. По истечении таймера непрерывное сканирование выключается до ожидания следующего прерывания по первому импульсу от энкодера и вся схема погружается в сон с микроамперным потреблением. Если малоногий МК использовать только для обработки энкодера, с основным МК ничего синхронихироваыь не нужно - спать он будет независимо от другого МК. Вашу программу для такого пользователям нужно будет основательно переработать. Без детального описания алгоритма, будет проще написать такое с нуля.


Вернуться наверх
 
Не в сети
 Заголовок сообщения: Re: In vino veritas
СообщениеДобавлено: Пт июл 15, 2016 06:03:39 
Друг Кота
Аватар пользователя

Карма: 96
Рейтинг сообщений: 1484
Зарегистрирован: Вт мар 16, 2010 22:02:27
Сообщений: 15244
Откуда: ДОНЕЦК
Рейтинг сообщения: 0
Насчет делителя...
Честно говоря -"просто попалось на глаза" (архив копать надо - схемка есть, а откуда утащил... шклерозь...) - скорее всего ставился из соображений снижения тока через контактную группу плюс пассивный R-C "антидребезг"... :dont_know:
Хотя, судя по результатам с макета, можно вполне без того наворота обойтись - ограничиться только установкой разумной величины токоограничителей с плюса питания. Выгодно и в плане диапазона изменений питающего напряжения - по крайней мере макетка устойчиво работает в диапазоне от +5 до +2,7 вольт. :hunger:
"Средняя точка" - обусловлена конструктивом самого энкодера (оптимизация от изготовителя) - просто "таким его изготовили" 8)
Насчет запуска из режима сна по прерыванию от изменения статуса на входе...
В принципе возможно достаточно легко добавить.
Но там есть дополнительное "нагоромождение" в виде контрольного таймера для случая останова вала в "нештатных состояниях покоя" при проблемах износа механики, что значительно увеличит объём программы (я исходно "прицеливался" на размещение в PIC10F200 - там для "полной версии" лап не хватило - только вывод направления при кодировании 1/0=r/l и строб - к сожалению... как визуальный тестер механики энкодера такой вариант непригоден :( ).
Кстати... представленный выше исходник не оптимален по размеру кода - подгонялся под вторую возможную комбинацию раскладки выводов при монтаже (собственно чтоб меньше с переделкой монтажа макетки возни было) - наиболее выгодный вариант с контактами энкодера на GP0 - GP1.
Описание алгоритма... так почти все в комментраии исходника... (то ж надо у компа надолго присесть - а нынче днем жара, а по ночам "мотивационны разбудильники" бада-бумны спатки мешают :sleep: ). Может несколько попозже в виде картинки чегось нашкрябаю... :roll:


Вернуться наверх
 
Не в сети
 Заголовок сообщения: Re: In vino veritas
СообщениеДобавлено: Пт июл 15, 2016 10:52:53 
Друг Кота
Аватар пользователя

Карма: 32
Рейтинг сообщений: 482
Зарегистрирован: Сб сен 10, 2011 17:46:25
Сообщений: 3832
Рейтинг сообщения: 0
BOB51 вы вроде освоили STM8S - там во всей линейке, включая 25-тицентовый STM8S003F3P6 присутствует TIM1, который работает в режиме интерфейса энкодера без всякой внешней обвязки, с аппаратным фильтром входных сигналов, есть прерывание по триггеру от входных сигналов. Использовал в одном проектике, с подобным вашему китайским энкодером, работает отлично - все аппаратно, покрутил, значение сразу в счетчике.
Изображение
Поскольку в STM8S003F3P6 присутствуют аппаратно все интерфейсы (UART, SPI, I2C) имхо его удобно использовать как внешний контроллер энкодера.

з.ы. в линейке STM32F0 присутствуют от 2 до 3 таймеров, работающих в режиме интерфейса энкодера.


Вернуться наверх
 
Не в сети
 Заголовок сообщения: Re: In vino veritas
СообщениеДобавлено: Пт июл 15, 2016 13:14:33 
Друг Кота
Аватар пользователя

Карма: 96
Рейтинг сообщений: 1484
Зарегистрирован: Вт мар 16, 2010 22:02:27
Сообщений: 15244
Откуда: ДОНЕЦК
Рейтинг сообщения: 0
Пока по STM8 больше режим "подхода кругами" - одно дело частично попробовал систему команд и организацию ядра и другое - полное видение конфигурации. :(
В данном случае речь идет не о какой-то крупной системе с интегрированным обработчиком энкодера, а о "быстро приготовленном" мелкосхемном преобразователе, как типичном варианте применения "подсобных средств по собственному усмотрению" в отличии от изначального проектирования всего изделия на основе МК группы "система на кристалле".
Т.е. конечной задачей является компактный стабильно работающий преобразователь как самостоятельная микросхема. И возможность использования такового в конструкции из нескольких "простых" МК.
И то... еще несколько "вылизать" прожку надо будет (убрать сбой при некорректной комбинации изношенной механики при подаче питания, подкинуть "сонный режим" и там... "по мелочам")
:write:
8)

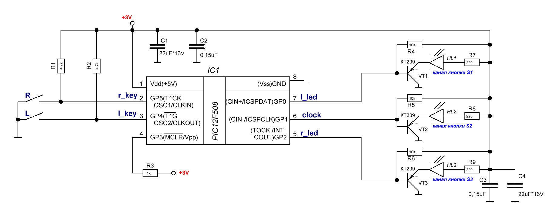
Вот собственно несколько более «вылизанный» (чистовой) исходник:
Вложение:
p508enk.rar [20.59 KiB]
Скачиваний: 328

И схема той макетки, на которой тестирование проводилось:
Вложение:
enk.GIF [31.5 KiB]
Скачиваний: 543

Этой прошивкой и схемным включением можно пользоваться как разновидностью специализированной микросхемки предобработки энкодера в практических целях.
Добавки/изменения в основном касаются устойчивости работы именно с электромеханическим (контактным) энкодером.
Устранена зависимость от исходного проложения ротора (случайная комбинация контактов) при подаче питания.
В связи с обнаруженной в процессе макетных пыток неудачной реакцией на сбойное наложение индуктивного противовыброса с длиннющего соединительного шнурка от энкодера к платке макета пришлось несколько изменить и алгоритм обработки сбоя во время работы.
Теперь (как и в случае с подачей питания на схему) происходит только пропуск сбойного участка.
Такая «вольность» вполне преемлема в всякого рода «крутилках» для регулировок/настроек с ручным управлением, но недопустима в случае контроля положения в устройствах следящей автоматики.
Собственно сама проблема – при относительно плавном вращении рукоятки ротора проблем не имеется, а в случае когда выполняется резкий «круть» - имеет место сбой…
Вернее ранее был – сейчас только от одного до нескольких сбойных участков в тактовые импульсы не превратятся (будут пропущены).
Как замечание – чем короче провода от энкодера до первичного обработчика – тем система надежнее в работе.
В следующий раз вдохновение посетит – перекручу прожку на «спящее ожидание»…
:beer:


Вернуться наверх
 
Показать сообщения за:  Сортировать по:  Вернуться наверх
Начать новую тему Эта тема закрыта, Вы не можете редактировать и оставлять сообщения в ней.  [ Сообщений: 1081 ]     ... , , , 10, , , ...  

Часовой пояс: UTC + 3 часа


Кто сейчас на форуме

Сейчас этот форум просматривают: нет зарегистрированных пользователей и гости: 17


Вы не можете начинать темы
Вы не можете отвечать на сообщения
Вы не можете редактировать свои сообщения
Вы не можете удалять свои сообщения
Вы не можете добавлять вложения

Найти:
Перейти:  


Powered by phpBB © 2000, 2002, 2005, 2007 phpBB Group
Русская поддержка phpBB
Extended by Karma MOD © 2007—2012 m157y
Extended by Topic Tags MOD © 2012 m157y