Например TDA7294

Форум РадиоКот • Просмотр темы - Коммутатор на МК (написать прошивку)
Форум РадиоКот
Здесь можно немножко помяукать :)

Текущее время: Вт фев 24, 2026 08:33:57

Часовой пояс: UTC + 3 часа


ПРЯМО СЕЙЧАС:



Начать новую тему Ответить на тему  [ Сообщений: 36 ]    , 2
Автор Сообщение
 Заголовок сообщения: Re: Коммутатор на МК (написать прошивку)
СообщениеДобавлено: Пн июл 18, 2016 19:35:00 
Это не хвост, это антенна
Аватар пользователя

Карма: 39
Рейтинг сообщений: 257
Зарегистрирован: Вс дек 11, 2011 05:43:30
Сообщений: 1327
Откуда: Екатеринодар
Рейтинг сообщения: 0
ТС может во флоукоде и сам "нарисовать" любой алго и прогнать в протеусе очень-очень быстро... Сори за "плохой тон", но это как раз по ситуации :) (час/вечер на освоение - далее уже чистое творчество :) ).
"Графическое" программирование, как в школе, и плевать на ресурсы контроллера и красоту кода :) - Для домашнего "мастера на все руки" - идеально!
Спойлери... Insine SEX от любимой гарантирован! :))


Вернуться наверх
 
 Заголовок сообщения: Re: Коммутатор на МК (написать прошивку)
СообщениеДобавлено: Пн июл 18, 2016 23:18:31 
Говорящий с текстолитом
Аватар пользователя

Карма: 16
Рейтинг сообщений: 236
Зарегистрирован: Вт апр 03, 2012 20:36:41
Сообщений: 1663
Откуда: Сочи
Рейтинг сообщения: 4
Ну не так все и плохо во фловкоде.
Вот его наглядность меня только и держит часто его пользовать.
Вот по мне так такие функции как IF и SWITCH (особенно если разветвлений много) в написании языка СИ вымораживает мне мозг и ломает глаза.
Тем более в фловкоде много глюков и все равно надо знать СИ и читать дату на контроллер что бы заработало как надо, а не через заднее место.
Да что то простое можно быстро накропать и будет работать.
А вот когда что то более серьезное, то фловкоде остается как граф оболочка, а в кубиках уж все сам пишешь на СИ вместо универсального кода разработчиков, и ресурсы в норме.
Зато лично мне, код читается легче и удобнее.
Поэтому 6 и 7 версию ни когда пользовать не буду, ибо они закрыли код своих кубиков .


Вернуться наверх
 
 Заголовок сообщения: Re: Коммутатор на МК (написать прошивку)
СообщениеДобавлено: Вт июл 19, 2016 01:17:33 
Открыл глаза
Аватар пользователя

Зарегистрирован: Пн окт 19, 2009 09:26:46
Сообщений: 52
Откуда: г. Биробиджан
Рейтинг сообщения: 0
1. Подключил макетку к рабочему устройству (дребезг контактов исключен);
2. Прошил 675 камень вместо 629 эффект тот же. Первые два цикла проходят нормально потом при каждой команде светодиод каждого порта зажигается и не гаснет, далее на фоне всех горящих светодиодов начинает по одному выключаться и так по циклу. Где-то закралась ошибка.
PS: Пока не надо ничего делать разбираюсь с программатором.


Вернуться наверх
 
 Заголовок сообщения: Re: Коммутатор на МК (написать прошивку)
СообщениеДобавлено: Вт июл 19, 2016 07:01:45 
Открыл глаза
Аватар пользователя

Зарегистрирован: Пн окт 19, 2009 09:26:46
Сообщений: 52
Откуда: г. Биробиджан
Рейтинг сообщения: 0
Какой-то шайтан! Залил первый вариант прошивки в 675, работает. Хотел залить третий вариант прошивки выкидывает ошибки и ругается на область памяти. Установил PicPgm не видит камень, игрался с настройками ничего не получилось, установил WinPic800 видит камень как и IC-Prog но невозможно очистить камень и залить заново. Думал проблема с программатором. После обеда взял опять 629 в котором залит первый вариант он определился автоматически в PicPgm и WinPic800 стирается и переписывается как и должно быть. Залил третий вариант прошивки всё заработало как надо в связке с управляющим устройством.
Вывод:
1. Присутствовал дребезг при работе с кнопкой, кондёр при тестировании не решал проблему.
2. Камень 675 почему-то залочился и остался с первым вариантом прошивки.

Блин, через час включенного режима попробовал попереключаться в ручном режиме на исполнительном устройстве и вылез косяк светодиоды после лог нуля на входе должны выключаться, а они не выключаются. После сброса питания МК всё работает как надо. :dont_know:

Может надо программно сделать запрет на включение не более одного порта?

ЗЫ: Иногда на форуме попадаются индивидуумы которые не пытались задать себе вопрос и на него ответь самостоятельно. Почему люди обращаются к специалистам за помощью. Например нанимают штукатуров, плиточников, просят сварщика сварить качественно, а не самостоятельно вешать сопли. Всё же просто, взял самостоятельно нашёл справочную литературу, изучил тактику и методику вопроса и САМ сделал. А-н нет идут к лучшему врачу и т.д.


Вернуться наверх
 
Эиком - электронные компоненты и радиодетали
 Заголовок сообщения: Re: Коммутатор на МК (написать прошивку)
СообщениеДобавлено: Вт июл 19, 2016 16:41:09 
Говорящий с текстолитом
Аватар пользователя

Карма: 16
Рейтинг сообщений: 236
Зарегистрирован: Вт апр 03, 2012 20:36:41
Сообщений: 1663
Откуда: Сочи
Рейтинг сообщения: 3
Начнем по порядку.
1 каким прогером шьете ?
2 откудо берете питание на устройство ?
3 что за диод у вас стоит на питание контроллера ?
4 ваш управляющий таймер , мханический или электронный ?
5 после пропадания питания на вашем таймере выход всегда 0 ?
Я мелкие контроллеры прошиваю вот этой схемкой
Изображение
Еще в PICPgm Programmer в настройках в низу есть ползунок , поиграйтесь с ним, по двигайте и пробуйте определять контроллер иногда помогает.


Вернуться наверх
 
 Заголовок сообщения: Re: Коммутатор на МК (написать прошивку)
СообщениеДобавлено: Вт июл 19, 2016 21:01:15 
Говорящий с текстолитом
Аватар пользователя

Карма: 16
Рейтинг сообщений: 236
Зарегистрирован: Вт апр 03, 2012 20:36:41
Сообщений: 1663
Откуда: Сочи
Рейтинг сообщения: 3
Вот прошивка без прерывания.
Так же включил собаку на случай зависания.
пробуйте.
Но на выше поставленные вопросы жду ответа.
Вложение:
komut.rar [1.02 KiB]
Скачиваний: 220


Вернуться наверх
 
 Заголовок сообщения: Re: Коммутатор на МК (написать прошивку)
СообщениеДобавлено: Вт июл 19, 2016 21:13:11 
Это не хвост, это антенна
Аватар пользователя

Карма: 39
Рейтинг сообщений: 257
Зарегистрирован: Вс дек 11, 2011 05:43:30
Сообщений: 1327
Откуда: Екатеринодар
Рейтинг сообщения: 0
Enigm, неистово плюсую! Ресурс должен соответствовать.
...любые открытые симуляторы имеют "резиность", истинная женщина познается только на сеновале.


Вернуться наверх
 
 Заголовок сообщения: Re: Коммутатор на МК (написать прошивку)
СообщениеДобавлено: Ср июл 20, 2016 01:31:08 
Открыл глаза
Аватар пользователя

Зарегистрирован: Пн окт 19, 2009 09:26:46
Сообщений: 52
Откуда: г. Биробиджан
Рейтинг сообщения: 0
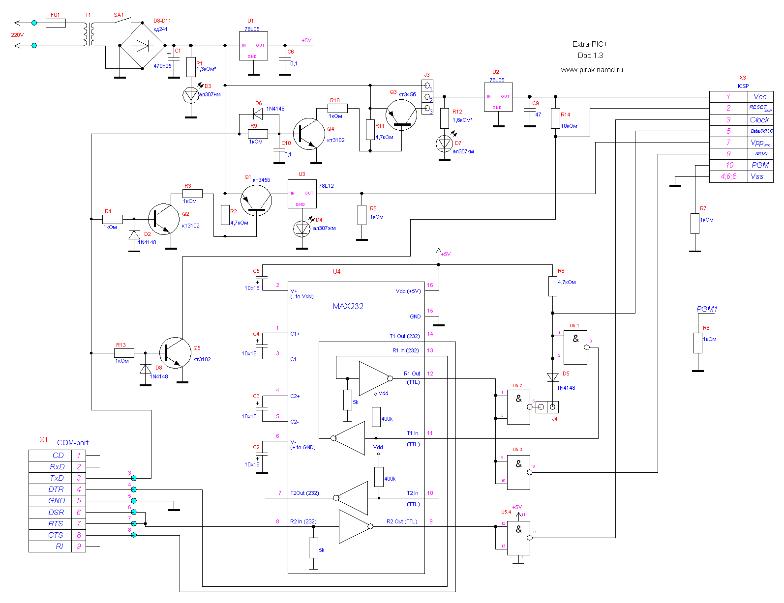
1. Шью прогером http://www.5v.ru/extrapic.htm
Вложение:
extra_pic_plus-sch.gif [38.46 KiB]
Скачиваний: 528

2. Запитываю устройство от http://www.jais.ru/mps3005lk3.htm пробовал запитывать и от блока питания устройства NM8036
3. Диод BAT48
4. В качестве управления http://masterkit.ru/shop/smarthome/control/1319311 переделанный под 8 выходов и 2 выхода АЦП. На вход нашего МК подается сигнал с порта МК NM8036 через сопротивление 350 Ом. Т.е. тестером на ноге входа нашего МК вижу 5в или 0в в зависимости от сигнала управления.
5. При выключении питания 0 появляется не сразу за счет емкостей NM8036 по питанию.
Экстрапиком шью давно проблем нет.
На ночь включил залоченный 675 с первым вариантом прошивки (без отслеживания пропадания сети) отработал без зависания. NM8036 настроен на импульсный режим 15сек. включен канал управления 3 сек. выключен.

Еще в PICPgm Programmer в настройках в низу есть ползунок , поиграйтесь с ним, по двигайте и пробуйте определять контроллер иногда помогает.
Без трогонья ползунка не залоченный МК 629 определился, считался. Может с непривычки но неудобно когда не видишь константу. И странно программатор в автомате определился как Velleman-Kit K8048, а должен был определиться как программатор JDM.

Сейчас залью и погоняю 4 вариант.


Вернуться наверх
 
 Заголовок сообщения: Re: Коммутатор на МК (написать прошивку)
СообщениеДобавлено: Ср июл 20, 2016 02:12:18 
Открыл глаза
Аватар пользователя

Зарегистрирован: Пн окт 19, 2009 09:26:46
Сообщений: 52
Откуда: г. Биробиджан
Рейтинг сообщения: 0
За 20 мин. работы с 4 вариантом прошивки с NM8036 отработало без замечаний. Решил усугубить ситуацию. После жуткого издевательства с помощью ужасной кнопки, а также простым тыканьем проводника с лог.1 в вход МК прошивка выдержала все издевательства и отработала на отлично. Даже не сомневаюсь, что работать с NM8036 будет без сбоев.
Вы наверное сделали программно защиту от дребезга. Еще погоняю.

Что такое "Вот прошивка без прерывания."?


Вернуться наверх
 
 Заголовок сообщения: Re: Коммутатор на МК (написать прошивку)
СообщениеДобавлено: Ср июл 20, 2016 13:32:05 
Говорящий с текстолитом
Аватар пользователя

Карма: 16
Рейтинг сообщений: 236
Зарегистрирован: Вт апр 03, 2012 20:36:41
Сообщений: 1663
Откуда: Сочи
Рейтинг сообщения: 1
Первые прошвки использовали прерывание на порту.
А последняя без прерываний и с анти дребезгом программным.
Что такое прерывания могете почитать в даташите на контроллер.
https://yadi.sk/i/6VVUj25VtTqaf


Вернуться наверх
 
 Заголовок сообщения: Re: Коммутатор на МК (написать прошивку)
СообщениеДобавлено: Чт июл 21, 2016 03:34:36 
Открыл глаза
Аватар пользователя

Зарегистрирован: Пн окт 19, 2009 09:26:46
Сообщений: 52
Откуда: г. Биробиджан
Рейтинг сообщения: 0
Протестил почти сутки всё идет штатно без сбоев. Т.е. можно принять, что это окончательный вариант?
Почитал про прерывания, но так как я далёк от этого не понял как отслеживается на порту изменение уровня сигнала, если прерывания отключены. Ну да ладно всё равно ничего не смыслю в этом деле. Не буду докучать своей назойливостью.


Вернуться наверх
 
 Заголовок сообщения: Re: Коммутатор на МК (написать прошивку)
СообщениеДобавлено: Чт июл 21, 2016 03:47:00 
Говорящий с текстолитом
Аватар пользователя

Карма: 16
Рейтинг сообщений: 236
Зарегистрирован: Вт апр 03, 2012 20:36:41
Сообщений: 1663
Откуда: Сочи
Рейтинг сообщения: 1
Если все устраивает то значит финиш. :))
Осталось добавить логики и будет 2 режима.


Вернуться наверх
 
 Заголовок сообщения: Re: Коммутатор на МК (написать прошивку)
СообщениеДобавлено: Чт июл 21, 2016 03:49:21 
Открыл глаза
Аватар пользователя

Зарегистрирован: Пн окт 19, 2009 09:26:46
Сообщений: 52
Откуда: г. Биробиджан
Рейтинг сообщения: 0
Enigm большое спасибо за помощь. Не интересовались сколько лет живет микроконтроллер? А то может через десять лет его менять надо будет?


Вернуться наверх
 
 Заголовок сообщения: Re: Коммутатор на МК (написать прошивку)
СообщениеДобавлено: Чт июл 21, 2016 04:00:25 
Говорящий с текстолитом
Аватар пользователя

Карма: 16
Рейтинг сообщений: 236
Зарегистрирован: Вт апр 03, 2012 20:36:41
Сообщений: 1663
Откуда: Сочи
Рейтинг сообщения: 0
Купите парочку про запас пусть валяются ))
А так ктож его знает сколько они проработают, ищите у производителя.


Вернуться наверх
 
 Заголовок сообщения: Re: Коммутатор на МК (написать прошивку)
СообщениеДобавлено: Чт июн 03, 2021 14:59:54 
Говорящий с текстолитом
Аватар пользователя

Карма: 8
Рейтинг сообщений: 152
Зарегистрирован: Чт янв 07, 2010 05:54:39
Сообщений: 1620
Откуда: Херсон
Рейтинг сообщения: 0
Изображение

Не первый раз натыкаюсь на эту схему, но есть по ней несколько вопросов, первое что бросается в глаза, зачем цепочка C2, R5 параллельно блокировочному электролитическому конденсатору по питанию С3 ? Если цель с помощью С2 блокировать ВЧ помехи, то тогда R5 там не нужен, он полностью сводит на нет действие С2. Или я чего-то не понимаю? Может кто-то пояснить?
И второе, откуда там питание берётся с 3 контакта СОМ порта? А минус получается с 5го ? Померял осциллографом оба контакта на "материнке", 5 да, под "нулём", а на 3 -10,5 Вольт! Или там появляются какие-то двух полярные импульсы при запуске программы программирования? на что намекает и узел на С1 D1...

Чья это вообще схема? Где можно найти её описание?

_________________
Программируемой электроникой (МК, ПЛИС) не интересуюсь! Только классика. Настоятельно прошу, не предлагать мне делать что-то на МК!!!


Вернуться наверх
 
 Заголовок сообщения: Re: Коммутатор на МК (написать прошивку)
СообщениеДобавлено: Пт июн 04, 2021 09:52:28 
Друг Кота

Карма: 27
Рейтинг сообщений: 1283
Зарегистрирован: Ср фев 11, 2009 20:35:58
Сообщений: 7853
Рейтинг сообщения: -2
Ищи описание СОМ порта


Вернуться наверх
 
Показать сообщения за:  Сортировать по:  Вернуться наверх
Начать новую тему Ответить на тему  [ Сообщений: 36 ]    , 2

Часовой пояс: UTC + 3 часа


Вы не можете начинать темы
Вы не можете отвечать на сообщения
Вы не можете редактировать свои сообщения
Вы не можете удалять свои сообщения
Вы не можете добавлять вложения

Найти:
Перейти:  


Powered by phpBB © 2000, 2002, 2005, 2007 phpBB Group
Русская поддержка phpBB
Extended by Karma MOD © 2007—2012 m157y
Extended by Topic Tags MOD © 2012 m157y