Например TDA7294

Форум РадиоКот • Просмотр темы - Часы всех типов, ампервольтметры и прочее на МК !
Форум РадиоКот
Здесь можно немножко помяукать :)

Текущее время: Вт фев 17, 2026 21:26:00

Часовой пояс: UTC + 3 часа


ПРЯМО СЕЙЧАС:



Начать новую тему Ответить на тему  [ Сообщений: 23 ]  1,  
Автор Сообщение
Не в сети
 Заголовок сообщения: Часы всех типов, ампервольтметры и прочее на МК !
СообщениеДобавлено: Вт фев 02, 2021 04:27:41 
Поставщик валерьянки для Кота
Аватар пользователя

Карма: -14
Рейтинг сообщений: 103
Зарегистрирован: Вт янв 26, 2021 22:33:21
Сообщений: 2314
Рейтинг сообщения: -9
Писал в одну известную тему про часы на газоразрядных индикаторах ! Написали в личку что бы больше такого го.на не писал !! Больше там писать не буду ! А здесь теперь можно ! И завтра уже начну !!

Добавлено after 28 minutes 51 second:
Вобщем как бы собираю часы на ИН-4 ! И в статьях писали что они не паяются даже кислотой ! Не лудяся , но если зашкурить наждачкой выводы - то лудятся

Добавлено after 13 minutes 11 seconds:
Схему и частично печатку возьму с часов "спутник ИН-4 GPS", ГПС-а там не будет по причине ненадобности ! буззера тоже , потому что будильники сейчас есть в смартфонах ! А вот добавлю секунды , с дополнительными двумя разрядами ИН-4 ! Прогу понятно напишу свою .

_________________
Не спрашивай по ком звонит колокол, он звонит по тебе !


Вернуться наверх
 
Не в сети
 Заголовок сообщения: Re: Часы всех типов, ампервольтметры и прочее на МК !
СообщениеДобавлено: Вт фев 02, 2021 08:00:29 
Друг Кота
Аватар пользователя

Карма: 49
Рейтинг сообщений: 392
Зарегистрирован: Вс июл 12, 2009 19:15:29
Сообщений: 7014
Откуда: Ижевск
Рейтинг сообщения: 0
...будильники сейчас есть в смартфонах...

И часы.

_________________
Docendo discimus


Вернуться наверх
 
Не в сети
 Заголовок сообщения: Re: Часы всех типов, ампервольтметры и прочее на МК !
СообщениеДобавлено: Вт фев 02, 2021 08:32:17 
Друг Кота
Аватар пользователя

Карма: 123
Рейтинг сообщений: 7958
Зарегистрирован: Сб сен 13, 2014 16:27:32
Сообщений: 39197
Откуда: СпиртоГонск созвездия Омега
Рейтинг сообщения: 0
зпаять можно и стальной жравый канат умеючи1 вот толко нахуя? для каната есть среу зажимы опресовочные и струбщинцы винтовые
а мдля ламп есть ПАНЕЛКИ советую изучить матчасть если лампа расчитана на панелку паять ее нелзя это чревато деградациейцили разгерметизацией дляпайки есть лампы с гибкими проволочнвми выводами навроде иф3 и ив6
жджя крущлый ин4 идет 12пиновая стандартна панелка пл31-2

_________________
ZМудрость(Опыт и выдержка) приходит с годами.
Все Ваши беды и проблемы, от недостатка знаний.
Умный и у дурака научится, а дураку и ..
Алберт Ейнштейн не поможет и ВВП не спасет.и МЧС опаздает


Вернуться наверх
 
Не в сети
 Заголовок сообщения: Re: Часы всех типов, ампервольтметры и прочее на МК !
СообщениеДобавлено: Вт фев 02, 2021 20:30:35 
Поставщик валерьянки для Кота
Аватар пользователя

Карма: -14
Рейтинг сообщений: 103
Зарегистрирован: Вт янв 26, 2021 22:33:21
Сообщений: 2314
Рейтинг сообщения: 3
зпаять можно и стальной жравый канат умеючи1 вот толко нахуя? для каната есть среу зажимы опресовочные и струбщинцы винтовые
а мдля ламп есть ПАНЕЛКИ советую изучить матчасть если лампа расчитана на панелку паять ее нелзя это чревато деградациейцили разгерметизацией дляпайки есть лампы с гибкими проволочнвми выводами навроде иф3 и ив6
жджя крущлый ин4 идет 12пиновая стандартна панелка пл31-2

Ну то что для ламп есть панельки - ты просто капитан очевидность ! ))) А если у меня их нет ... Что мне теперь убиться в истерике ? Блять , я просто взял - зашкурил- запаял с кислотой . И газ не вышел , и сонце светит.

_________________
Не спрашивай по ком звонит колокол, он звонит по тебе !


Вернуться наверх
 
Эиком - электронные компоненты и радиодетали
Не в сети
 Заголовок сообщения: Re: Часы всех типов, ампервольтметры и прочее на МК !
СообщениеДобавлено: Вт фев 02, 2021 20:51:05 
Друг Кота
Аватар пользователя

Карма: 123
Рейтинг сообщений: 7958
Зарегистрирован: Сб сен 13, 2014 16:27:32
Сообщений: 39197
Откуда: СпиртоГонск созвездия Омега
Рейтинг сообщения: 0
савецкий лти 120 паят ковар и без шкурки если чо

_________________
ZМудрость(Опыт и выдержка) приходит с годами.
Все Ваши беды и проблемы, от недостатка знаний.
Умный и у дурака научится, а дураку и ..
Алберт Ейнштейн не поможет и ВВП не спасет.и МЧС опаздает


Вернуться наверх
 
Не в сети
 Заголовок сообщения: Re: Часы всех типов, ампервольтметры и прочее на МК !
СообщениеДобавлено: Ср фев 03, 2021 02:36:53 
Поставщик валерьянки для Кота
Аватар пользователя

Карма: -14
Рейтинг сообщений: 103
Зарегистрирован: Вт янв 26, 2021 22:33:21
Сообщений: 2314
Рейтинг сообщения: 3
савецкий лти 120 паят ковар и без шкурки если чо

Я шкурил не шкуркой, а наждачкой , если чё ))))

Добавлено after 3 hours 21 minute 54 seconds:
Такой вот парадокс - шкурят наждачкой ! А не шкуркой )))

Добавлено after 1 hour 45 minutes 13 seconds:
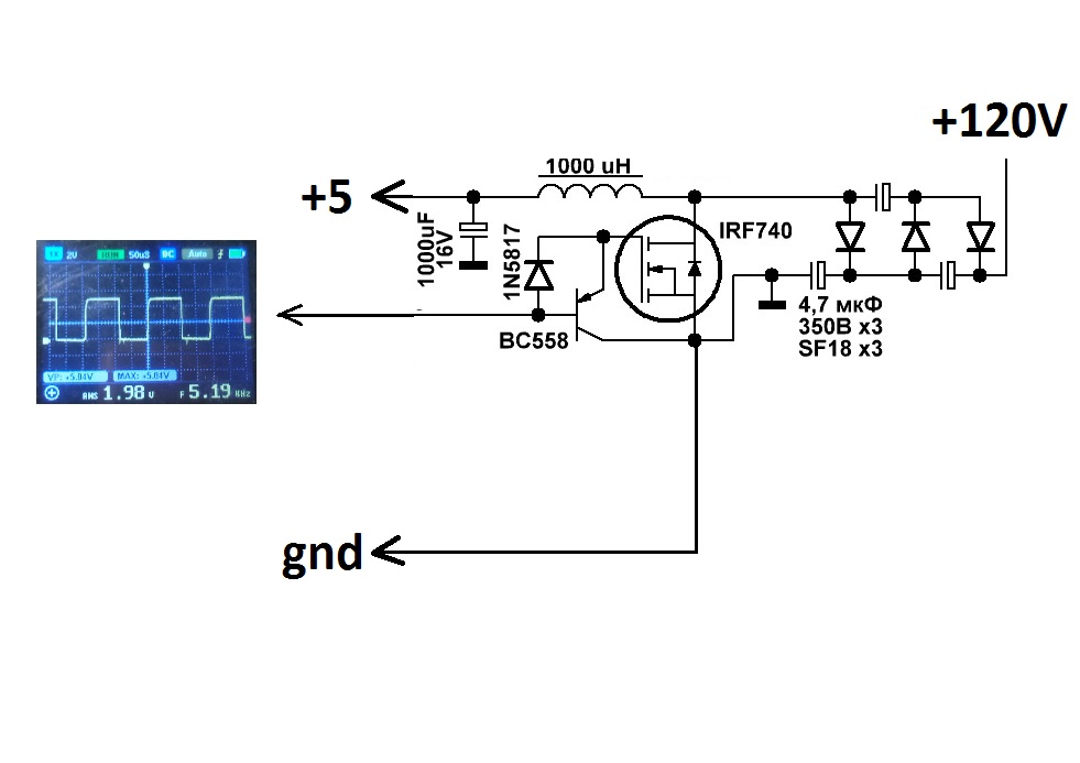
А вообще по теме . Там в схеме GPS спутник ИН-4 , с микроконтроллера PIC идёт сигнал на высоковольтный преобразователь и умножитель . Какой частоты идёт сигнал с МК ? Ваши предположения , а лучше замеры !

Добавлено after 14 minutes 54 seconds:
такая вот схема , и почему то мне кажется что умножитель нарисован не правильно .

Добавлено after 12 minutes 20 seconds:
Там в умножителе напряжения надо поставить кондёр между двумя первыми дидами , а ещё может кондёр между массой и выходом утроенного напряжения ?


Вложения:
05.jpg [72.3 KiB]
Скачиваний: 168

_________________
Не спрашивай по ком звонит колокол, он звонит по тебе !
Вернуться наверх
 
Не в сети
 Заголовок сообщения: Re: Часы всех типов, ампервольтметры и прочее на МК !
СообщениеДобавлено: Ср фев 03, 2021 05:48:23 
Открыл глаза

Карма: -3
Рейтинг сообщений: -15
Зарегистрирован: Сб янв 18, 2020 16:41:56
Сообщений: 66
Рейтинг сообщения: 0
Вон на том резистор можно замерить частоту...
Я к тому что наверно надо выложить схему, и нех, а потом спрашивать


Вернуться наверх
 
Не в сети
 Заголовок сообщения: Re: Часы всех типов, ампервольтметры и прочее на МК !
СообщениеДобавлено: Ср фев 03, 2021 20:00:25 
Поставщик валерьянки для Кота
Аватар пользователя

Карма: -14
Рейтинг сообщений: 103
Зарегистрирован: Вт янв 26, 2021 22:33:21
Сообщений: 2314
Рейтинг сообщения: 3
Извиняюсь что не изложил суть вопроса. Часы "Спутник ИН-4 GSM" это коммерческий проект автора. Я просто хочу взять элементы его схемы, доработать её под свои нужды ( выбросить декатрон, и добавить секунды в виде двух дополнительных ИН-4) и написать свою прошивку само собой . У меня нет готового проекта автора, я не могу замерить частоту тактирования импульсного преобразователя. Схему преобразователя с умножителем собрал навесным мотажём, она работает (от генератора на 561ла7), но выдаёт всего 120 вольт , а надо хотя бы 150. И вот суть - Что не так со схемой преобразователя , она правильная ? Рисунок выше во вложении.

_________________
Не спрашивай по ком звонит колокол, он звонит по тебе !


Вернуться наверх
 
Не в сети
 Заголовок сообщения: Re: Часы всех типов, ампервольтметры и прочее на МК !
СообщениеДобавлено: Ср фев 03, 2021 21:48:15 
Сверлит текстолит когтями
Аватар пользователя

Карма: 25
Рейтинг сообщений: 168
Зарегистрирован: Ср янв 29, 2014 08:41:31
Сообщений: 1231
Откуда: Баку
Рейтинг сообщения: 0
Осциллограмма на схеме авторская?
Импульсы там имеют период 200 мкс, т.е. частота равна 5 кГц.

_________________
Каждый имеет право на свое личное ошибочное мнение.

У меня было тяжелое детство - я до 14 лет смотрел черно-белый телевизор.


Вернуться наверх
 
Не в сети
 Заголовок сообщения: Re: Часы всех типов, ампервольтметры и прочее на МК !
СообщениеДобавлено: Ср фев 03, 2021 22:09:06 
Поставщик валерьянки для Кота
Аватар пользователя

Карма: -14
Рейтинг сообщений: 103
Зарегистрирован: Вт янв 26, 2021 22:33:21
Сообщений: 2314
Рейтинг сообщения: 3
Осциллограмма не авторрская , она с моего генератора на к561ла7. У меня нет ничего авторского . Только схема с инета .

_________________
Не спрашивай по ком звонит колокол, он звонит по тебе !


Вернуться наверх
 
Не в сети
 Заголовок сообщения: Re: Часы всех типов, ампервольтметры и прочее на МК !
СообщениеДобавлено: Ср фев 03, 2021 22:58:50 
Сверлит текстолит когтями
Аватар пользователя

Карма: 25
Рейтинг сообщений: 168
Зарегистрирован: Ср янв 29, 2014 08:41:31
Сообщений: 1231
Откуда: Баку
Рейтинг сообщения: 0
Ну так поднимите частоту до 50-100 кГц и проверьте выход преобразователя.

_________________
Каждый имеет право на свое личное ошибочное мнение.

У меня было тяжелое детство - я до 14 лет смотрел черно-белый телевизор.


Вернуться наверх
 
Не в сети
 Заголовок сообщения: Re: Часы всех типов, ампервольтметры и прочее на МК !
СообщениеДобавлено: Ср фев 03, 2021 23:49:06 
Поставщик валерьянки для Кота
Аватар пользователя

Карма: -14
Рейтинг сообщений: 103
Зарегистрирован: Вт янв 26, 2021 22:33:21
Сообщений: 2314
Рейтинг сообщения: 3
Дак начинал с частоты 43 Кгц, индикаторы совсем не светились . Когда опускал начали светиться , и по мере уменьшения яркость увеличивалась , 5 килогерц была нижняя частота генератора (что бы сделать ещё меньше надо кондёр в генераторе больше ставить) . Но это же не дело !? При таких частотах же срать помехами на весь двор начнёт ... Или я не прав ?

_________________
Не спрашивай по ком звонит колокол, он звонит по тебе !


Вернуться наверх
 
Не в сети
 Заголовок сообщения: Re: Часы всех типов, ампервольтметры и прочее на МК !
СообщениеДобавлено: Чт фев 04, 2021 06:31:26 
Держит паяльник хвостом
Аватар пользователя

Карма: 4
Рейтинг сообщений: 45
Зарегистрирован: Пн июн 13, 2016 19:37:24
Сообщений: 920
Откуда: Perm
Рейтинг сообщения: 0
Вообще не понятно зачем копировать чужую схему, да ещё ту, в которой ничего не понимаешь. Частота преобразователя должна быть около 30кгц, есть проекты на ардуино, где как раз она и используется. Вообще я бы лучше взял что-то нормальное вроде max1771 или 34063 на худой конец


Вернуться наверх
 
Не в сети
 Заголовок сообщения: Re: Часы всех типов, ампервольтметры и прочее на МК !
СообщениеДобавлено: Чт фев 04, 2021 07:47:42 
Друг Кота
Аватар пользователя

Карма: 123
Рейтинг сообщений: 7958
Зарегистрирован: Сб сен 13, 2014 16:27:32
Сообщений: 39197
Откуда: СпиртоГонск созвездия Омега
Рейтинг сообщения: 0
+1 любитель софтовых питателей....печалка ничему чужой jgdn и жись таких нен учит
яп таких разу к стенке ствил!!!
зачем закладывать заране бомбу, когда можно ссдлелать чесный нормалный DCDC автономный тип с нужными параментрами
ципок под это дело щас на любой вкус ...
и применение умножителей при напруше в 100-200в путь тупиковый....
делайте ОХ повышайку на трансе или автотрансе не вгоняя детали в ужасные режимы
и сохдавая вокруг дикие полляи помехи

_________________
ZМудрость(Опыт и выдержка) приходит с годами.
Все Ваши беды и проблемы, от недостатка знаний.
Умный и у дурака научится, а дураку и ..
Алберт Ейнштейн не поможет и ВВП не спасет.и МЧС опаздает


Вернуться наверх
 
Не в сети
 Заголовок сообщения: Re: Часы всех типов, ампервольтметры и прочее на МК !
СообщениеДобавлено: Чт фев 04, 2021 20:54:26 
Поставщик валерьянки для Кота
Аватар пользователя

Карма: -14
Рейтинг сообщений: 103
Зарегистрирован: Вт янв 26, 2021 22:33:21
Сообщений: 2314
Рейтинг сообщения: 3
Зачем городить огородные огороды , ставить лишние детали ? Когда можно с МК ноги настроить ШИМ для высоковольтного преобразователя , и всё . Тем более он (шим) настраивается раз, и не занимает програмные ресурсы контроллера. А делать "повышайку" на трансе, или на автотрансе - это на любителя нестандартных развлечений.

_________________
Не спрашивай по ком звонит колокол, он звонит по тебе !


Вернуться наверх
 
Не в сети
 Заголовок сообщения: Re: Часы всех типов, ампервольтметры и прочее на МК !
СообщениеДобавлено: Чт фев 04, 2021 20:56:42 
Держит паяльник хвостом
Аватар пользователя

Карма: 4
Рейтинг сообщений: 45
Зарегистрирован: Пн июн 13, 2016 19:37:24
Сообщений: 920
Откуда: Perm
Рейтинг сообщения: 0
Alex_641, отличное решение, ни обратной связи, ни контроля тока


Вернуться наверх
 
Не в сети
 Заголовок сообщения: Re: Часы всех типов, ампервольтметры и прочее на МК !
СообщениеДобавлено: Чт фев 04, 2021 21:08:29 
Поставщик валерьянки для Кота
Аватар пользователя

Карма: -14
Рейтинг сообщений: 103
Зарегистрирован: Вт янв 26, 2021 22:33:21
Сообщений: 2314
Рейтинг сообщения: 3
Заменил диоды 4007, на быстродействующие 4937, яркость увеличилась, напряжение на 10 вольт со 120 до 130 ! Уменьшил частоту до 3,7 Кгц ещё увеличилась, дальнейшее понижение частоты приводит к уменьшению яркости ИН-4 и увеличению тока потребления.

Добавлено after 7 minutes 5 seconds:
Alex_641, отличное решение, ни обратной связи, ни контроля тока

Это на питание газоразрядных индикаторов , та не нужна точная стабильность напряжения, а стабилизация тока делается резистором.

_________________
Не спрашивай по ком звонит колокол, он звонит по тебе !


Вернуться наверх
 
Не в сети
 Заголовок сообщения: Re: Часы всех типов, ампервольтметры и прочее на МК !
СообщениеДобавлено: Чт фев 04, 2021 21:10:42 
Держит паяльник хвостом
Аватар пользователя

Карма: 4
Рейтинг сообщений: 45
Зарегистрирован: Пн июн 13, 2016 19:37:24
Сообщений: 920
Откуда: Perm
Рейтинг сообщения: 0
Вы имеете ввиду токоограничивающий резистор?


Вернуться наверх
 
Не в сети
 Заголовок сообщения: Re: Часы всех типов, ампервольтметры и прочее на МК !
СообщениеДобавлено: Чт фев 04, 2021 21:11:34 
Поставщик валерьянки для Кота
Аватар пользователя

Карма: -14
Рейтинг сообщений: 103
Зарегистрирован: Вт янв 26, 2021 22:33:21
Сообщений: 2314
Рейтинг сообщения: 3
Совершенно верно !

_________________
Не спрашивай по ком звонит колокол, он звонит по тебе !


Вернуться наверх
 
Не в сети
 Заголовок сообщения: Re: Часы всех типов, ампервольтметры и прочее на МК !
СообщениеДобавлено: Чт фев 04, 2021 21:12:54 
Держит паяльник хвостом
Аватар пользователя

Карма: 4
Рейтинг сообщений: 45
Зарегистрирован: Пн июн 13, 2016 19:37:24
Сообщений: 920
Откуда: Perm
Рейтинг сообщения: 0
Что-то мне подсказывает(закон Ома), что это не так работает


Вернуться наверх
 
Показать сообщения за:  Сортировать по:  Вернуться наверх
Начать новую тему Ответить на тему  [ Сообщений: 23 ]  1,  

Часовой пояс: UTC + 3 часа


Кто сейчас на форуме

Сейчас этот форум просматривают: OKF и гости: 29


Вы не можете начинать темы
Вы не можете отвечать на сообщения
Вы не можете редактировать свои сообщения
Вы не можете удалять свои сообщения
Вы не можете добавлять вложения

Найти:
Перейти:  


Powered by phpBB © 2000, 2002, 2005, 2007 phpBB Group
Русская поддержка phpBB
Extended by Karma MOD © 2007—2012 m157y
Extended by Topic Tags MOD © 2012 m157y