Привет котаны!
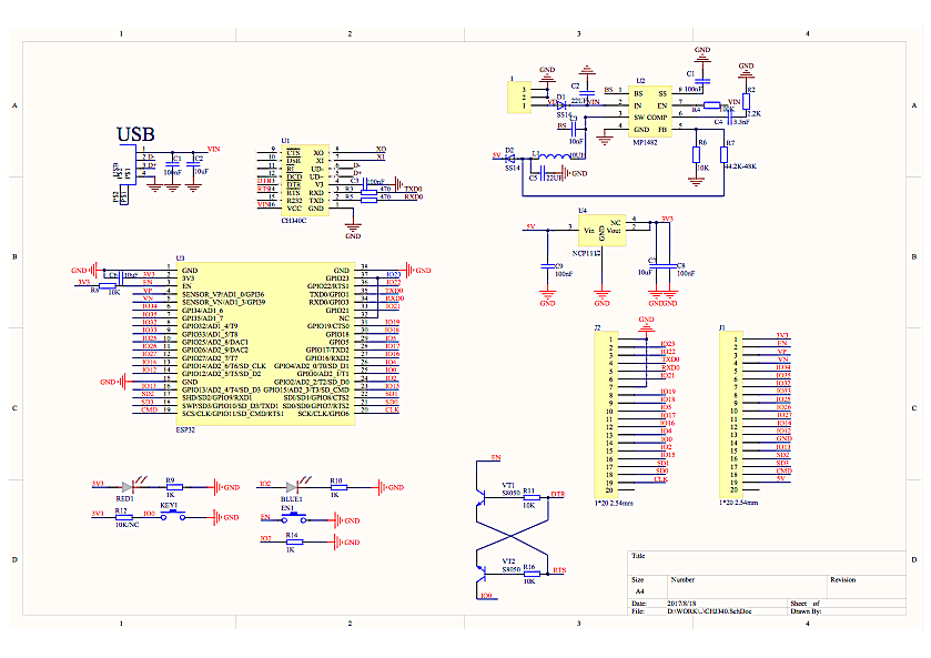
Есть такая плата ESP32 UNO форма-фактора.
Я так понимаю тупо копия Wemos ESP32.
Есть два вопроса.
1) D2 диод шотки там для чего? Чтобы при подключении usb и внешки ток не тек в mp1482?
А то на шотки падает напряжение и на выходе не 5в. Поднять напругу до 5,2в на выходе преобразователя?
2) Вопрос по CH340C. Если глянуть по схеме к нему 5в подключено!

Это на 3.3В МК.
Но каким-то чудесным образом на TX - 3.3В, на RX 5В получается.
Как это работает и почему еще не сгорел uart порт на esp32?
Для энергосбережения эта схема интереснв. CH340C не подключен при внешки, но безопасность UART вызывает вопросы.
Добавлено after 9 hours 29 minutes 48 seconds:более полная схема с операционником.