Например TDA7294

Форум РадиоКот • Просмотр темы - Arduino и лампа накаливания
Форум РадиоКот
Здесь можно немножко помяукать :)

Текущее время: Сб янв 24, 2026 01:54:53

Часовой пояс: UTC + 3 часа


ПРЯМО СЕЙЧАС:



Начать новую тему Ответить на тему  [ Сообщений: 22 ]  1,  
Автор Сообщение
Не в сети
 Заголовок сообщения: Arduino и лампа накаливания
СообщениеДобавлено: Сб дек 20, 2025 09:54:00 
Родился

Зарегистрирован: Сб дек 20, 2025 09:29:30
Сообщений: 7
Рейтинг сообщения: 0
Доброго времени суток. Мне необходимо управлять яркостью лампы накаливания 12В 100Вт через Ардуино. Не смог найти какого-то мощного ШИМ контроллера цифровым входом для управления - это был бы оптимальный вариант. Небольшие контроллеры типа L298N очень сильно греются.

Лампа установлена в приборе, светом нужно управлять с компьютера. Источник питания на 12В в приборе есть, сам он светом управляет кнопками с мозгом или потенциометром (в зависимости от модели). Хотелось бы что-то более- менее компактное с запасом, чтобы не грелось. Поиском пытался воспользоваться, но, видимо, криво формулирую запрос.

Подскажите, пожалуйста, что можно использовать для решения задачи?


Вернуться наверх
 
Не в сети
 Заголовок сообщения: Re: Arduino и лампа накаливания
СообщениеДобавлено: Сб дек 20, 2025 23:33:58 
Встал на лапы
Аватар пользователя

Зарегистрирован: Пн фев 09, 2015 16:16:08
Сообщений: 109
Откуда: Лебедянь 48
Рейтинг сообщения: 0
Напрямую с контроллера не получится. Только через транзистор. У лампы большая инерция, мигать не будет. На ардуине можно задать Шим с управлением по любому интерфейсу.


Вернуться наверх
 
Не в сети
 Заголовок сообщения: Re: Arduino и лампа накаливания
СообщениеДобавлено: Сб дек 20, 2025 23:59:10 
Друг Кота
Аватар пользователя

Карма: 197
Рейтинг сообщений: 8617
Зарегистрирован: Пн ноя 30, 2009 03:00:01
Сообщений: 43308
Откуда: Нерезиновая
Рейтинг сообщения: 1
AndreyAM писал(а):
Мне необходимо управлять яркостью лампы накаливания 12В 100Вт через Ардуино.

Это 8,3 ампера в режиме "полный накал", при недогретой нити накаливания- :dont_know:
Рассчитывать нужно ампер на 50 и больше. Годится любой МОСФЕТ с максимальным током > 50 ампер и Gate Threshold Voltage меньше 4-х вольт, вот, например-
https://www.chipdip.ru/product/irfb7440 ... 9001633775
IRFB7440PBF, Транзистор N-MOSFET 40В 120/172А 143Вт [TO-220.]
https://static.chipdip.ru/lib/864/DOC054864056.pdf


зы.. "Gate Threshold Voltage" это напряжение на затворе, при котором транзистор полностью открывается.
Например, IRFZ44 4-х вольт, (с выхода LM386 при питании 5 вольт) для полного открытия не хватает.

AndreyAM писал(а):
Небольшие контроллеры типа L298N очень сильно греются.
Интересно, как он мог "греться", если он должен был сгореть? L298 это два полумоста на 2 ампера, а вы через них 8 ампер пытаетесь пропустить. Или у вас лампа не 100 ватт, а всего 10. :dont_know:
Интересно, зачем вам "мост", если достаточно одного ключа?


Вернуться наверх
 
Не в сети
 Заголовок сообщения: Re: Arduino и лампа накаливания
СообщениеДобавлено: Вс дек 21, 2025 00:53:56 
Опытный кот

Карма: -8
Рейтинг сообщений: 62
Зарегистрирован: Вт авг 27, 2024 19:11:47
Сообщений: 748
Рейтинг сообщения: -1
АлександрЛ писал(а):
Рассчитывать нужно ампер на 50 и больше.

Не меньше двухсот. А лучше на килоампер рассчитывать. Ну стоваттная лампочка же на двенадцать вольт - не шутка же.


Вернуться наверх
 
Эиком - электронные компоненты и радиодетали
Не в сети
 Заголовок сообщения: Re: Arduino и лампа накаливания
СообщениеДобавлено: Вс дек 21, 2025 12:15:09 
Друг Кота
Аватар пользователя

Карма: 96
Рейтинг сообщений: 1501
Зарегистрирован: Вт мар 16, 2010 22:02:27
Сообщений: 15393
Откуда: ДОНЕЦК
Рейтинг сообщения: 1
Про сопротивление холодной спирали похоже забылось...
В остальном все просто.
8)
Забыл добавить...
ШИМ для мощной нагрузки с неизвестно как (и чем) выполненной разводкой подключения питания желательно делать на как можно более низкой частоте.
Вполне возможно и 120-400Гц достаточно будет, а возможность перехода ключа в аналоговый режим будет устранена.
:wink:


Вернуться наверх
 
Не в сети
 Заголовок сообщения: Re: Arduino и лампа накаливания
СообщениеДобавлено: Пн дек 22, 2025 10:42:09 
Родился

Зарегистрирован: Сб дек 20, 2025 09:29:30
Сообщений: 7
Рейтинг сообщения: 0
Большое спасибо всем, кто ответил.

Интересно, как он мог "греться", если он должен был сгореть?
Интересно, зачем вам "мост", если достаточно одного ключа?


Через L298N управлял светильником с меньшей мощностью, на светодиодах, но яркость в нем менялась с помощью напряжения. Мост я выбрал, тк очень слабо разбираюсь в теме :) . Лет 10 назад делал прямоходящего робота на ардуино, и так получилось, что в нашем коллективе я ближе всего к подобным вещам, поэтому и заниматься поручили именно мне. К сожалению, я не специалист.

АлександрЛ писал(а):
Например, IRFZ44 4-х вольт, (с выхода LM386 при питании 5 вольт) для полного открытия не хватает.


Нагуглил, что LM386 - низковольтный аудиоусилитель. То есть мне надо поставить его между ардуино и мосфетом? Или он распаян в ардуино?

Если я буду использовать IRFB7440PBF (который Вы предложили) с пороговым напряжением на затворе 2.2…3.9 с китайским Arduino Nanо, питающимся от компьютера, мне же должно хватить напряжения на цифровых пинах?


Вернуться наверх
 
Не в сети
 Заголовок сообщения: Re: Arduino и лампа накаливания
СообщениеДобавлено: Пн дек 22, 2025 14:21:44 
Друг Кота

Карма: -1
Рейтинг сообщений: 86
Зарегистрирован: Вт мар 13, 2012 12:16:13
Сообщений: 8913
Откуда: .ru
Рейтинг сообщения: 0
мосфет нельзя напрямую подключать к ардуино...
во первых там напряжение надо большое... где то 4,5 вольт...
во вторых для мосфета нужен драйвер... типа такого...

Изображение

проще собрать простой ключ на транзисторах...
в идеале на германиевых транзисторах... у них падение напряжение меньше по сравнению с кремниевыми...
германий - падение ~0,3 вольта
кремний - падение ~0,7 вольта


Вложения:
Screenshot_1.jpg [28.73 KiB]
Скачиваний: 352
Вернуться наверх
 
Не в сети
 Заголовок сообщения: Re: Arduino и лампа накаливания
СообщениеДобавлено: Пн дек 22, 2025 15:54:18 
Друг Кота
Аватар пользователя

Карма: 96
Рейтинг сообщений: 1501
Зарегистрирован: Вт мар 16, 2010 22:02:27
Сообщений: 15393
Откуда: ДОНЕЦК
Рейтинг сообщения: 0
Вполне себе спокойненько эти IRL/IRLZ к АВРкам подключаются и работают (достаточно резистора в 100 Ом в цепи затвора и 10 КОм затвор-"корпус").
Ардуино на основе АВРок до +/-40 мА на один вывод по документации выдают...
Вложение:
IRL530.pdf [166.77 KiB]
Скачиваний: 15
хоть и прописано +\-20 Вольт, но на низких частотах вполне работоспособен и от 5 (единственно более 2 А не проверял - но на ""длиннохвостые" гирлянды" вполне хватало)...
Вопрос только на какой частоте и с каким "хвостом" нагрузка работать будет.
При длинных линиях питания и частотах более 200 Гц даже светодиодные модули с малыми токами могут вывести на "линейный режим".
Лампа накаливания - не светик - штука и прожорливая и достаточно инерционная. Вполне можно ШИМ на 100Гц поставить (если старый источник не постоянным, а переменным напряжением ту лампу кормил).
Уж ежли чего еще...
Вот такого "монстра" к примеру:
Вложение:
L9821 (1997год).pdf [71.2 KiB]
Скачиваний: 14

Вложение:
AN454_for_L9821.pdf [43.11 KiB]
Скачиваний: 12

:roll:


Вернуться наверх
 
Не в сети
 Заголовок сообщения: Re: Arduino и лампа накаливания
СообщениеДобавлено: Пн дек 22, 2025 16:09:18 
Родился

Зарегистрирован: Сб дек 20, 2025 09:29:30
Сообщений: 7
Рейтинг сообщения: 0
Вопрос только на какой частоте и с каким "хвостом" нагрузка работать будет.
...
(если старый источник не постоянным, а переменным напряжением ту лампу кормил).
...
Вот такого "монстра" к примеру:


На какой частоте не могу сказать, и не знаю как выяснить. Хвост - 20 см провода с лампочкой 12В 100Вт.

Напряжение постоянное.

Мосфет с двумя резисторами еще терпимо:), но я боюсь, что такого "монстра" не осилю, да и делать это надо будет не один раз. Нет готовых плат или даже коробочек?


Вернуться наверх
 
Не в сети
 Заголовок сообщения: Re: Arduino и лампа накаливания
СообщениеДобавлено: Пн дек 22, 2025 16:24:07 
Друг Кота

Карма: -1
Рейтинг сообщений: 86
Зарегистрирован: Вт мар 13, 2012 12:16:13
Сообщений: 8913
Откуда: .ru
Рейтинг сообщения: 0
Никто не говорит что напрямую от ардуины работать не будет.
Просто напрямую работать будет хуже.
На низких частотах мосфет работать может напрямую от ардуины... Только без драйвера время переключения будет больше... Соответственно и греться мосфет будет больше. Поэтому без драйвера не рекомендуется.

Частоту определить просто. Достаточно подключить динамик или наушники к лампочки и послушать. Услышим пииииииии...))
На слух можно достаточно точно определить какая там частота. А для точного определения частоты можно записать звук на компьютер и сказать точно какая там частота. До 20 кГц компьютер покажет точно.


Вернуться наверх
 
Не в сети
 Заголовок сообщения: Re: Arduino и лампа накаливания
СообщениеДобавлено: Пн дек 22, 2025 16:32:12 
Мудрый кот

Карма: 25
Рейтинг сообщений: 498
Зарегистрирован: Сб май 05, 2012 20:24:52
Сообщений: 1858
Откуда: KN34PC, Болгария
Рейтинг сообщения: 0
... Услышим пииииииии...))

С Arduino (default PWM) не будет пиии, будет бууу :). Всего одной строчкой кода.
Код:
Частота ШИМ (широтно-импульсной модуляции) Arduino обычно фиксирована для разных пинов, часто около 490 Hz или 980 Hz (490 Hz для большинства пинов, 980 Hz для ~3, ~11).

А может быть, и гораздо больше Hz, с большим количеством строк программного кода.
При этих параметрах и частоте 500 Hz с одним полевым транзистором будет работать. Драйвер (почти) не нужен.


Последний раз редактировалось veso74 Пн дек 22, 2025 16:32:32, всего редактировалось 1 раз.

Вернуться наверх
 
Не в сети
 Заголовок сообщения: Re: Arduino и лампа накаливания
СообщениеДобавлено: Пн дек 22, 2025 16:32:29 
Друг Кота
Аватар пользователя

Карма: 96
Рейтинг сообщений: 1501
Зарегистрирован: Вт мар 16, 2010 22:02:27
Сообщений: 15393
Откуда: ДОНЕЦК
Рейтинг сообщения: 0
С постоянным хуже... Обычно такое используются для качественного светового потока.
Там или фиксированный уровень или варианты ЛАТР или регулирование по источнику питания на высоковольтной стороне (при импульсном источнике питания).
:(
Тогда можно "научным тыком" - подбор из линейки Logic-Level Gate Drive - искать те, у каких ток Continuous Drain Curren больше будет (равен или чуть более рабочему току лампы) и тестировать на макете. Возможно что-то из старых материнок выдернуть...
Просто лампы накаливания такой мощности гонять ШИМом не приходилось.
:dont_know:


Вернуться наверх
 
Не в сети
 Заголовок сообщения: Re: Arduino и лампа накаливания
СообщениеДобавлено: Пн дек 22, 2025 16:41:01 
Родился

Зарегистрирован: Сб дек 20, 2025 09:29:30
Сообщений: 7
Рейтинг сообщения: 0
Нашел вот такое:

Модуль MOSFET транзистора AOD4184... Модуль оснащен опторазвязкой.... Совместим с контролерами Arduino которые могут работать с TTL сигналами 3-5В. Есть возможность управления PWM сигналом.

Характеристики:
Транзистор: AOD4184
Управляющее напряжение: 3В, 5В, высокий уровень – старт, низкий – стоп
Максимальное коммутируемое напряжение: 40В
Максимальный ток: 50А
Сопротивление канала в открытом состоянии: 0,008Ом

Можно использовать как готовое решение для лампочки 12В 100Вт?


Вложения:
Снимок экрана 2025-12-22 163812.png [244.68 KiB]
Скачиваний: 46
Вернуться наверх
 
Не в сети
 Заголовок сообщения: Re: Arduino и лампа накаливания
СообщениеДобавлено: Пн дек 22, 2025 22:13:34 
Говорящий с текстолитом

Карма: -7
Рейтинг сообщений: 191
Зарегистрирован: Вт авг 15, 2017 10:51:13
Сообщений: 1675
Рейтинг сообщения: 0
Транзистор: AOD4184
...
Можно использовать как готовое решение для лампочки 12В 100Вт?
У него довольно большая входная ёмкость <= 1800 пФ.
Поэтому напрямую подключать его к ноге МК для ШИМ-а я бы не стал. Если только изредка коммутировать нагрузку.
Если же ШИМить, то его лучше подключать не напрямую, а через драйвер. Который будет перезаряжать эту ёмкость.
Ну и радиатор ему тоже нужен. Для 100Вт.

В качестве драйвера, управляющего этим силовым транзистором, можно взять например любой цифровой транзистор.

PS: Это я про "Транзистор: AOD4184". На той картинке, что вы приложили, я не наблюдаю никакой опторазвязки. Там видны просто два AOD4184.


Вернуться наверх
 
Не в сети
 Заголовок сообщения: Re: Arduino и лампа накаливания
СообщениеДобавлено: Вт дек 23, 2025 09:49:40 
Родился

Зарегистрирован: Сб дек 20, 2025 09:29:30
Сообщений: 7
Рейтинг сообщения: 0
В качестве драйвера, управляющего этим силовым транзистором, можно взять например любой цифровой транзистор.


Вот такой подойдет: BC547B?

Биполярный транзистор, NPN, 50В, 0.1А, 300МГц, корпус TO92
Тип: NPN
Максимальное напряжение КЭ: 50В
Максимальный ток коллектора: 0.1А
Максимальный пиковый ток коллектора: 0.2А
Максимальная рассеиваемая мощность: 0.5Вт
Статический коэффициент передачи тока h21э: 200...450
Граничная частота: 300МГц

То есть мне нужен "слабый" транзистор для управления "сильным", если простым языком?

Это я про "Транзистор: AOD4184". На той картинке, что вы приложили, я не наблюдаю никакой опторазвязки. Там видны просто два AOD4184.


Картинка и описание из магазина. Написали, что есть опторазвязка - я и поверил :) .


Вернуться наверх
 
Не в сети
 Заголовок сообщения: Re: Arduino и лампа накаливания
СообщениеДобавлено: Вт дек 23, 2025 09:57:43 
Мудрый кот

Карма: 25
Рейтинг сообщений: 498
Зарегистрирован: Сб май 05, 2012 20:24:52
Сообщений: 1858
Откуда: KN34PC, Болгария
Рейтинг сообщения: 2
Попробуйте так, как есть, без драйверного транзистора. Ничего плохого не произойдет. В худшем случае будет нагревается.
Дело 3 минут ...


Вернуться наверх
 
Не в сети
 Заголовок сообщения: Re: Arduino и лампа накаливания
СообщениеДобавлено: Пн янв 12, 2026 11:59:12 
Родился

Зарегистрирован: Сб дек 20, 2025 09:29:30
Сообщений: 7
Рейтинг сообщения: 0
Купил MOSFET D4184 (картинка в приложении).

- управляющее напряжение: DC 3.3-5В;
- максимально рабочее напряжение: DC 40В;
- максимальный ток: до 50А;

Без управляющего сигнала (когда arduino не подключен) он выдает 100% напряжения на подключенную нагрузку. С помощью ШИМ напряжение можно только уменьшить. Чтобы без ардуино выдавалось 0В мне нужен другой мосфет?


Вложения:
Снимок экрана 2026-01-12 110441.png [165.33 KiB]
Скачиваний: 28
Вернуться наверх
 
Не в сети
 Заголовок сообщения: Re: Arduino и лампа накаливания
СообщениеДобавлено: Пн янв 12, 2026 13:48:20 
Держит паяльник хвостом

Карма: 2
Рейтинг сообщений: 116
Зарегистрирован: Пт ноя 22, 2024 14:08:43
Сообщений: 930
Рейтинг сообщения: 0
по найденной в инете схеме, то транзистор D4184 должен быть закрыт без входного сигнала....(может, уже пробит.....)
а что и куда вы включали - нам неведомо


Вернуться наверх
 
Не в сети
 Заголовок сообщения: Re: Arduino и лампа накаливания
СообщениеДобавлено: Пн янв 12, 2026 14:53:21 
Друг Кота
Аватар пользователя

Карма: 197
Рейтинг сообщений: 8617
Зарегистрирован: Пн ноя 30, 2009 03:00:01
Сообщений: 43308
Откуда: Нерезиновая
Рейтинг сообщения: 0
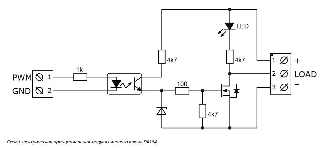
Купил MOSFET D4184
Без управляющего сигнала (когда arduino не подключен) он выдает 100% напряжения на подключенную нагрузку. С помощью ШИМ напряжение можно только уменьшить. Чтобы без ардуино выдавалось 0В мне нужен другой мосфет?

А вы точно ничего не напутали? Судя по схеме:
https://dinistor.ru/product/98
СпойлерИзображение
Вложение:
D4184.PNG [60.2 KiB]
Скачиваний: 79

при отсутствии управляющего сигнала транзистор оптопары закрыт, и затвор мосфета "притянут" к земле резистором 4,7 кОм, то есть, мосфет тоже закрыт, и на нагрузке, подключённой между контактами 1 и 2 выходного разъёма, напряжения нет.


Вернуться наверх
 
Не в сети
 Заголовок сообщения: Re: Arduino и лампа накаливания
СообщениеДобавлено: Пн янв 12, 2026 15:10:35 
Родился

Зарегистрирован: Сб дек 20, 2025 09:29:30
Сообщений: 7
Рейтинг сообщения: 0
Скорее всего, я неправильно подключал провода нагрузки. Измерять напряжение, видимо, надо было между средним (Load) и плюсом. С этим озарением я побежал все подключать и лампочка все таки загорелась, но быстро запахло горелой электроникой и платка с мосфетом задымилась. Решил ее отпустить.
Заказал на пробу несколько модулей Troyka-Mosfet V3 (силовой ключ на основе IRLR8113/IRL8726), очень надеюсь, что с ними получится. Знать бы заранее что заказывать, чтобы время не терять :) .

PS В интернетах пишут, что N каналные мосфеты переключают минусовой контакт нагрузки. А я пытался сначала плюсом управлять.


Вернуться наверх
 
Показать сообщения за:  Сортировать по:  Вернуться наверх
Начать новую тему Ответить на тему  [ Сообщений: 22 ]  1,  

Часовой пояс: UTC + 3 часа


Кто сейчас на форуме

Сейчас этот форум просматривают: нет зарегистрированных пользователей и гости: 4


Вы не можете начинать темы
Вы не можете отвечать на сообщения
Вы не можете редактировать свои сообщения
Вы не можете удалять свои сообщения
Вы не можете добавлять вложения

Найти:
Перейти:  


Powered by phpBB © 2000, 2002, 2005, 2007 phpBB Group
Русская поддержка phpBB
Extended by Karma MOD © 2007—2012 m157y
Extended by Topic Tags MOD © 2012 m157y