Например TDA7294

Форум РадиоКот • Просмотр темы - Как сделать точечную сварку из трансформатора микроволновки?
Форум РадиоКот
Здесь можно немножко помяукать :)

Текущее время: Вс фев 15, 2026 14:51:05

Часовой пояс: UTC + 3 часа


ПРЯМО СЕЙЧАС:



Начать новую тему Ответить на тему  [ Сообщений: 37 ]    , 2
Автор Сообщение
Не в сети
 Заголовок сообщения: Re: Как сделать точечную сварку из трансформатора микроволно
СообщениеДобавлено: Сб ноя 29, 2025 10:09:20 
Вымогатель припоя
Аватар пользователя

Карма: 1
Рейтинг сообщений: 0
Зарегистрирован: Пт июн 05, 2015 14:20:56
Сообщений: 611
Откуда: Попасная
Рейтинг сообщения: 0
Управление на контроллере, не перебор ли?


Вернуться наверх
 
Не в сети
 Заголовок сообщения: Re: Как сделать точечную сварку из трансформатора микроволно
СообщениеДобавлено: Сб ноя 29, 2025 10:29:21 
Друг Кота
Аватар пользователя

Карма: 24
Рейтинг сообщений: 208
Зарегистрирован: Ср мар 06, 2019 12:23:29
Сообщений: 9782
Рейтинг сообщения: 0
Я так подозреваю он на ионисторах. Покритикуйте, есть смысл брать?

Там:
"Тип сварочного аппарата
Аппарат для точечной сварки с большим конденсатором для хранения энергии"


Бери, потом расскажешь как он и его внутренности покажешь :)))

_________________
Койот (Canis latrans) – это не Кот, а известен как американский шакал, является видом псовых...
____________

"Кто хочет, тот ищет возможности, кто не хочет —ищет причины."


Вернуться наверх
 
Не в сети
 Заголовок сообщения: Re: Как сделать точечную сварку из трансформатора микроволно
СообщениеДобавлено: Сб ноя 29, 2025 12:13:11 
Собутыльник Кота

Карма: 48
Рейтинг сообщений: 900
Зарегистрирован: Чт июн 26, 2014 00:04:37
Сообщений: 2992
Рейтинг сообщения: 0
AlexS4 писал(а):
зачем 2 triac оптрона так странно наляпаны ?
Они не наляпаны, а стоят на своём месте для того, чтобы фазовое управление работало чётко на любом трансформаторе с большими индуктивностями, большими углами управления и без RC-цепи.
Такое включение разрабатывал для модернизации управления промышленной сварочной машиной. Там был преобразователь ПСЛ700, он на встречно включенных тиристорах (а до него игнитроны ртутные стояли, управляемые тиратронами и лампами). В промышленности везде в сварочных прерывателях и устройствах плавного пуска для двигателей стоят встречные тиристоры. Симистор - это не два отдельных тиристора встречно - это одна общая структура. MOC3052, 3073, если при малом угле и большой индуктивности на силовом вентиле ток не достигнет тока удержания, слабый ток протекает через MOC и "подогревает" структуру, затем при смене знака он сразу открывается в обратную сторону и получается сбой управления.
Также может быть и с силовыми симисторами. При наличии большой индуктивности он не может закрыться при токе ниже удержания, т.к. индуктивность продолжает гнать ток пока не израсходует энергию и греет структуру, а затем при смене полярности он может остаться открытым сразу в обратную сторону. В моём решении эти явления исключены - для каждой полярности своя независимая цепь. Получается мягкая коммутация, индуктивная энергия при закрытии выделяется в тиристоре, но это не влияет на соседний. Всё что написано проверялось в своё время на опыте, подключением и регулировкой разных трансформаторов. RC-цепь в подобной схеме может резонировать с индуктивностью трансформатора, и при неправильных номиналах переходные процессы могут быть хуже, чем без неё, вплоть до перенапряжений и ложных включений.

AlexS4 писал(а):
еще зачем 7812? и оптрон 817 ?
Оптика для развязки от возможных помех, кнопка на пистолете споттера стоит. 12В - чтоб меньше было проблем с контактом этой кнопки. Если подавать 5В, чуть окислится контакт и всё, кнопка нормально не работает. Лучше вообще 24В делать, как в промышленных дискретных сигналах.
сергей999 писал(а):
Управление на контроллере, не перебор ли?
Смотрите по себе, никто не заставляет. Я просто поделился схемой, по мне нормально, PIC16 простой и экранчик 1602. Кому-то да, тяжело в это вникать. Споттер сначала вообще пускателем дёргали, потом китайскую плату поставили, но свет моргал периодически и автостарта нет.

_________________
Обновления, документация, схемы и прошивки Восьмикрута - yandex
Обновления, документация, схемы и прошивки Восьмикрута - google
Видео ролики YouTube RuTube Дзен


Вернуться наверх
 
В сети
 Заголовок сообщения: Re: Как сделать точечную сварку из трансформатора микроволно
СообщениеДобавлено: Вс ноя 30, 2025 06:29:33 
Друг Кота
Аватар пользователя

Карма: 31
Рейтинг сообщений: 936
Зарегистрирован: Пт сен 10, 2021 15:19:36
Сообщений: 6391
Откуда: Протвино
Рейтинг сообщения: 1
DC-AC писал(а):
если при малом угле и большой индуктивности на силовом вентиле ток не достигнет тока удержания, слабый ток протекает через MOC и "подогревает" структуру, затем при смене знака он сразу открывается в обратную сторону и получается сбой управления.

не сталкивался с такой проблемкой на moc, хотя много их применял на довольно суровые индуктивные нагрузки.
но возможно вы правы, спасибо за ответ!


DC-AC писал(а):
Оптика для развязки от возможных помех, кнопка на пистолете споттера стоит. 12В - чтоб меньше было проблем с контактом этой кнопки. Если подавать 5В, чуть окислится контакт и всё, кнопка нормально не работает. Лучше вообще 24В делать, как в промышленных дискретных сигналах.

ну так а зачем стабилизатор ?! :? подали бы прямо с выпрямителя, там больше напряжение
вот здесь я абсолютно уверен что нет никакой гальваничечской развязки, земли то соединены! ;) :dont_know:
помех до старта импульса быть не должно а после старта - ну и бог с ними, просто не читаем состояние этого gpio до окончания импульса и паузы и пофиг если даже там какимто магическим образом будет чехарда. просто берем резистор 20k от входа gpio к кнопке а пуллап ставим 100k (чтоб при отключенном разьеме кнопки не запускалось от помех). а кнопку нагружаем толстым резистором 300:) (или сколько надо чтоб не засирались контакты) и на 15..30V или сколько там с выпрямителя.

Добавлено after 18 minutes 53 seconds:
Чото вобще лень чтото мастерить. Приглядываюсь к готовому
Сварочный аппарат портативный с дисплеем 801H 3500A, Rddspon https://www.wildberries.ru/catalog/5275 ... etail.aspx
Я так подозреваю он на ионисторах. Покритикуйте, есть смысл брать?

помоему 15 рублей за китайского кота в мешке - неадекватно.

зы я лет 10 назад прикупил китайсую же импульсную плату под автомобильный АКБ и пользуюсь ею с удовольствием, не то чтоб каждыйдень, но не 1 раз паруточек - точно :))) я сразу приделал диод и стэпап для питания затворов чтоб на просадках акума не рвало феты. в остальном - довольно приличная конструкция по цене чашечки пыва :tea: .


Вернуться наверх
 
Эиком - электронные компоненты и радиодетали
Не в сети
 Заголовок сообщения: Re: Как сделать точечную сварку из трансформатора микроволно
СообщениеДобавлено: Вс ноя 30, 2025 13:52:16 
Собутыльник Кота

Карма: 48
Рейтинг сообщений: 900
Зарегистрирован: Чт июн 26, 2014 00:04:37
Сообщений: 2992
Рейтинг сообщения: 0
Да, тут можно упростить. На тот момент были иные соображения. Позже подобное уже сделал проще, но это в модуле внешнего управления Восьмикрута hd, просто зафильтрованные делители с кнопок и мелкие стабы 5v1. Найду время может обновлю схему и прошивку.

_________________
Обновления, документация, схемы и прошивки Восьмикрута - yandex
Обновления, документация, схемы и прошивки Восьмикрута - google
Видео ролики YouTube RuTube Дзен


Вернуться наверх
 
Не в сети
 Заголовок сообщения: Re: Как сделать точечную сварку из трансформатора микроволно
СообщениеДобавлено: Вт янв 27, 2026 02:51:17 
Родился

Зарегистрирован: Вт янв 27, 2026 02:42:53
Сообщений: 1
Рейтинг сообщения: 0
Это и так простая схема. Собрал, подключил и все работает! Красота.


Вернуться наверх
 
Не в сети
 Заголовок сообщения: Re: Как сделать точечную сварку из трансформатора микроволно
СообщениеДобавлено: Сб янв 31, 2026 15:21:37 
Собутыльник Кота

Карма: 48
Рейтинг сообщений: 900
Зарегистрирован: Чт июн 26, 2014 00:04:37
Сообщений: 2992
Рейтинг сообщения: 0
Вы повторили схемку? Это здорово. Пробовали сварить с автостартом?

_________________
Обновления, документация, схемы и прошивки Восьмикрута - yandex
Обновления, документация, схемы и прошивки Восьмикрута - google
Видео ролики YouTube RuTube Дзен


Вернуться наверх
 
Не в сети
 Заголовок сообщения: Re: Как сделать точечную сварку из трансформатора микроволно
СообщениеДобавлено: Вт фев 03, 2026 00:36:43 
Нашел транзистор. Понюхал.

Карма: 2
Рейтинг сообщений: 34
Зарегистрирован: Ср ноя 04, 2009 22:42:45
Сообщений: 197
Рейтинг сообщения: 0
Добрый день.
А в качестве трансформатора тока подойдут такие?
Изображение Изображение


Вернуться наверх
 
Не в сети
 Заголовок сообщения: Re: Как сделать точечную сварку из трансформатора микроволно
СообщениеДобавлено: Вт фев 03, 2026 14:37:06 
Собутыльник Кота

Карма: 48
Рейтинг сообщений: 900
Зарегистрирован: Чт июн 26, 2014 00:04:37
Сообщений: 2992
Рейтинг сообщения: 0
Надо пробовать, если в нём 1000 витков, то должен работать.

_________________
Обновления, документация, схемы и прошивки Восьмикрута - yandex
Обновления, документация, схемы и прошивки Восьмикрута - google
Видео ролики YouTube RuTube Дзен


Вернуться наверх
 
Не в сети
 Заголовок сообщения: Re: Как сделать точечную сварку из трансформатора микроволно
СообщениеДобавлено: Вт фев 03, 2026 15:30:08 
Нашел транзистор. Понюхал.

Карма: 2
Рейтинг сообщений: 34
Зарегистрирован: Ср ноя 04, 2009 22:42:45
Сообщений: 197
Рейтинг сообщения: 0
даташиты только такие нашлись:
Изображение Изображение
получается который колечком, должен подойти, рабочая частота 50-60 Гц, доступен с коэффициентом 2000/1
который разъемный, надо пробовать, там частоты 50 Гц-200кГц, доступны с кэфф 1000/1, 3000/1, 4000/1, 5000/1
По разъемному: Встроен диод подавления переходных процессов (TVS), защита от обрыва — безопаснее в эксплуатации.
Вселенский разум посмотрел на схему и выдал такое :)
Спойлер1. Если мерить ток по первичке (220 В, управление энергией)
Для этой схемы «СПОТТЕРА» это самый логичный вариант:
ты управляешь тиристорным модулем по сети 220 В, частота 50 Гц, нужны:

нормальная точность и повторяемость импульсов,

адекватный фазовый сдвиг на 50 Гц,

стабильность с температурой.

В этом случае лучше взять DL‑CT10CL:

заточен под 50/60 Гц,

точность 0.1, линейность 0.1%, фазовый сдвиг <5°,

широкий диапазон температур (–40…+85°C),

нормальные токи 50–200 А — как раз под первичку сварочного трансформатора.

Разрывать провод первички при сборке — не проблема, это не «ретрофит» в готовый щит.

Мой выбор под обратную связь по току в этой схеме: DL‑CT10CL (модель по нужному току первички).

2. Если нужен просто индикатор/мониторинг, без жёсткой метрологии
Если ты хочешь:

просто видеть «мало/средне/много»,

или дооснастить уже собранный аппарат, не разбирая проводку,

тогда DLKCT10 (разъёмный) удобнее:

можно защёлкнуть на провод без разрыва,

встроенный TVS и защита от обрыва,

широкий частотный диапазон (если будут короткие импульсы, ШИМ и т.п.).

надо брать неразъемный.


Вернуться наверх
 
Не в сети
 Заголовок сообщения: Re: Как сделать точечную сварку из трансформатора микроволно
СообщениеДобавлено: Вт фев 03, 2026 17:11:11 
Собутыльник Кота

Карма: 48
Рейтинг сообщений: 900
Зарегистрирован: Чт июн 26, 2014 00:04:37
Сообщений: 2992
Рейтинг сообщения: 0
Он используется не для точного измерения, а для детектирования замыкания электродов. Лучше брать который может 5В на выходе, ему будет легче работать на нагрузку через диодный мост.

_________________
Обновления, документация, схемы и прошивки Восьмикрута - yandex
Обновления, документация, схемы и прошивки Восьмикрута - google
Видео ролики YouTube RuTube Дзен


Вернуться наверх
 
Не в сети
 Заголовок сообщения: Re: Как сделать точечную сварку из трансформатора микроволно
СообщениеДобавлено: Ср фев 04, 2026 03:56:03 
Нашел транзистор. Понюхал.

Карма: 2
Рейтинг сообщений: 34
Зарегистрирован: Ср ноя 04, 2009 22:42:45
Сообщений: 197
Рейтинг сообщения: 0
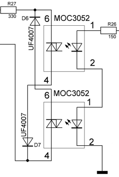
А как правильно?
по моему, это не одно и то же:
ИзображениеИзображение


Вернуться наверх
 
Не в сети
 Заголовок сообщения: Re: Как сделать точечную сварку из трансформатора микроволно
СообщениеДобавлено: Ср фев 04, 2026 08:16:42 
Собутыльник Кота

Карма: 48
Рейтинг сообщений: 900
Зарегистрирован: Чт июн 26, 2014 00:04:37
Сообщений: 2992
Рейтинг сообщения: 0
И так и так правильно. В данном случае это коммутативно, т.к. на каждую полярность диод и MOC включены последовательно, если их поменять местами ничего не изменится. На схеме нарисованы крест-накрест, а на плате как проще.

_________________
Обновления, документация, схемы и прошивки Восьмикрута - yandex
Обновления, документация, схемы и прошивки Восьмикрута - google
Видео ролики YouTube RuTube Дзен


Вернуться наверх
 
Не в сети
 Заголовок сообщения: Re: Как сделать точечную сварку из трансформатора микроволно
СообщениеДобавлено: Ср фев 04, 2026 16:58:00 
Нашел транзистор. Понюхал.

Карма: 2
Рейтинг сообщений: 34
Зарегистрирован: Ср ноя 04, 2009 22:42:45
Сообщений: 197
Рейтинг сообщения: 0
А для индикатора без кириллицы нет прошивки?
СпойлерИзображение Изображение Изображение


Вернуться наверх
 
Не в сети
 Заголовок сообщения: Re: Как сделать точечную сварку из трансформатора микроволно
СообщениеДобавлено: Чт фев 05, 2026 10:14:48 
Потрогал лапой паяльник

Карма: 3
Рейтинг сообщений: -44
Зарегистрирован: Пт июн 12, 2015 09:21:56
Сообщений: 362
Откуда: Челяба-сити
Рейтинг сообщения: 0
А сколько трансов нужно? Одного хватит интересно? Тоже понадобилось поварить аккумы
смотрите канал РадиоГубитель. Оч толковый парень, хоть и божится, что не радиолюбитель. :) мне кажется врет :)

И не смотрите других, пож. Я насмотрелся разных начинающих, у кот то плохо, то с искрами, то ой не варит, а там посмотришь, проблемы и несуразицы, но чел не видит и не замечает своих ляпов.
Если пролистать канал, то этот автор разбирает, подробно какой кабель толщины, как обжать, нужно ли 2 транса от микроволновки, какие платы есть (для транса, аккума, ионистора), как чинить их и исправлять косяки, какие ленты для сварки. Всё промеряет, все токи измеряет и показывает. Думаю, вам интересно, как и мне, будет.

Есть ещё 4й вариант, тоже дешёвый, как с трансом - конденсаторный, но плата для аккума к нему не подойдёт, на ней обычно используют низковольтные транзюки (до 16-18в). А прелесть конденсаторной в том, что напряжение можно повышать хоть до 100 вольт, при дешовой комплектухе. Энергия сварки пропорциональна квадрату напряжения. И она может варить медь в отличии от остальных (быстро достигается необходимая мощность сварки в короткое время, т.е нет обгорания и цветов побежалости, не нагревается объект сварки).


Вернуться наверх
 
Не в сети
 Заголовок сообщения: Re: Как сделать точечную сварку из трансформатора микроволно
СообщениеДобавлено: Чт фев 05, 2026 11:21:07 
Друг Кота
Аватар пользователя

Карма: 24
Рейтинг сообщений: 208
Зарегистрирован: Ср мар 06, 2019 12:23:29
Сообщений: 9782
Рейтинг сообщения: 0
смотрите канал РадиоГубитель.

Каким образом?

bad2cat писал(а):
И не смотрите других, пож. Я насмотрелся разных начинающих, у кот то плохо, то с искрами, то ой не варит, а там посмотришь, проблемы и несуразицы, но чел не видит и не замечает своих ляпов.

Смотреть можно, повторять необязательно :)))
Так да, много такого, где в корне критические ошибки...

_________________
Койот (Canis latrans) – это не Кот, а известен как американский шакал, является видом псовых...
____________

"Кто хочет, тот ищет возможности, кто не хочет —ищет причины."


Вернуться наверх
 
Не в сети
 Заголовок сообщения: Re: Как сделать точечную сварку из трансформатора микроволно
СообщениеДобавлено: Чт фев 05, 2026 14:31:57 
Собутыльник Кота

Карма: 48
Рейтинг сообщений: 900
Зарегистрирован: Чт июн 26, 2014 00:04:37
Сообщений: 2992
Рейтинг сообщения: 0
dorya писал(а):
без кириллицы нет прошивки?
Переписал на аглицкие буквы


Вложения:
fazrunspen.HEX [5.11 KiB]
Скачиваний: 12

_________________
Обновления, документация, схемы и прошивки Восьмикрута - yandex
Обновления, документация, схемы и прошивки Восьмикрута - google
Видео ролики YouTube RuTube Дзен
Вернуться наверх
 
Показать сообщения за:  Сортировать по:  Вернуться наверх
Начать новую тему Ответить на тему  [ Сообщений: 37 ]    , 2

Часовой пояс: UTC + 3 часа


Кто сейчас на форуме

Сейчас этот форум просматривают: нет зарегистрированных пользователей и гости: 11


Вы не можете начинать темы
Вы не можете отвечать на сообщения
Вы не можете редактировать свои сообщения
Вы не можете удалять свои сообщения
Вы не можете добавлять вложения

Найти:
Перейти:  


Powered by phpBB © 2000, 2002, 2005, 2007 phpBB Group
Русская поддержка phpBB
Extended by Karma MOD © 2007—2012 m157y
Extended by Topic Tags MOD © 2012 m157y